Direkte Abwärtswandler Breitere Komponentenauswahl dank neuer Wandler-Topologien
Sperrwandler sind sparsam im Verbrauch und eignen sich deshalb bestens für den Einsatz in energieeffizienten Geräten – allerdings nicht immer! Bisweilen sind direkte Abwärtswandler die bessere Wahl – würden eine begrenzte Teileauswahl und Supply-Chain-Risiken nicht so sehr abschrecken.
Anbieter zum Thema

Aufgrund ihres niedrigen Stromverbrauchs haben sich Sperrwandler (Flyback Converter) für Offline-Netzteile von energieeffizienten Geräten durchgesetzt. Allerdings ist diese Topologie nicht immer optimal. So bietet sich für Anwendungen mit einer Last unter 5 W und wenn keine Isolierung erforderlich ist, der direkte Abwärtswandler (Buck Converter) als Alternative an, etwa für Verbrauchsmessungen, Heizungssteuerungen, automatisierte Bewässerungsanlagen sowie industriellen Steuerungen. OEMs verhalten sich aufgrund des begrenzten Herstellerangebots der für Buck-Konverter-Designs benötigten direkten Buck-Konverter-Regler allerdings zurückhaltend gegenüber dieser Technologie. Eine begrenzte Teileauswahl und Supply-Chain-Risiken schrecken zu sehr ab.
Schnell und kostengünstig zum direkten Abwärtsregler
Zu Unrecht, wie die in diesem Beitrag vorgestellte Möglichkeit zur Implementierung von direkten Buck-Konvertern belegt. Durch das Abändern eines herkömmlichen Flyback-Konverter-Designs lässt sich schnell und kostengünstig ein direkter Abwärtsregler entwickeln. Da es sich bei der Regelung eines Flyback-Konverters um einen gängigen Gerätetyp handelt, gibt es hierzu ein umfangreiches Angebot an Herstellern, wie Fairchild Semiconductor, ON Semiconductor, NXP Semiconductors und Vishay.
Die Popularität von Offline-Buck-Konvertern

Vom Flyback-Konverter zum direkten Buck-Schaltkreis
Durch die Detailanalyse des Betriebs von direkten Abwärtsreglern mit Sperrwandlern wird deutlich, warum ein Regler, der ursprünglich für die Flyback-Konversion entwickelt wurde, auch in einem direkten Buck-Schaltkreis eingesetzt werden kann. 
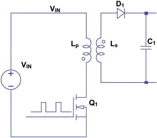
Transformator als paarweise gekoppelte Spulen

Vergleich von Flyback-Konverter und Buck-Konverter-Topologie
Der Betrieb eines Flyback-Konverters kann jetzt mit dem Betrieb einer typischen Buck-Konverter-Topologie verglichen werden.
(ID:42291448)