Analogtipp Präzisions-Spannungsreferenz und Operationsverstärker in einem Gehäuse
Dieser Analogtipp zeigt eine effiziente Möglichkeit auf, wie man in Schaltungen mit Operationsverstärkern mit nur einer Versorgungsspannung das Rauschen verringert und die Schaltkreisstabilität verbessert.
Anbieter zum Thema
Schaltungen mit Operationsverstärkern mit nur einer Versorgungsspannung weisen Probleme auf, die es bei Schaltungen mit symmetrischer Versorgung nicht gibt. Eine Referenzspannung in der Mitte des Operationsverstärker-Ausgangsbereichs erlaubt symmetrische Ausgangssignale in Bezug auf die Gleichtaktspannung. Erreicht wird dies, indem man die Versorgungsspannung mit einem Spannungsteiler halbiert. Diese einfache Lösung (Bild 1) reduziert die Stabilität und die Unterdrückung von Störungen auf der Versorgungsspannung.
Der Eingang wird durch R8/R9 auf Vs/2 vorgespannt. Eine kapazitive Kopplung sorgt für eine virtuelle Null, reduziert die Gleichspannungs-Rauschverstärkung auf 1 und hält den Gleichspannungs-Ausgang auf dem Niveau der eingestellen Vorspannung. Dadurch werden Verzerrungen in Folge übermäßiger Verstärkung des Eingangsoffsets verhindert. Phasenverschiebungen, verursacht durch die „Break“-Frequenzen, erhöhen jedoch die Möglichkeit von Schwingungen.
Eine weitere Einschränkung ist das Unterdrücken von Störungen auf der Versorgungsspannung. Falls C2 fehlt, wirken sich Änderungen der Versorgungsspannung direkt auf die Vorspannung aus. Bei Gleichspannungen ist dies kein Problem. Allerdings wird ein Rauschen an den Versorgungspins zusammen mit dem Eingang verstärkt. C2 verbessert die Störunterdrückung, reduziert aber die niederfrequente Gleichtaktunterdrückung und erlaubt eine Rückkopplung über die Stromversorgung unter 320 Hz. Größere Kondensatoren sind erforderlich, um „Motor Boating“ und andere Stabilitätsprobleme zu verhindern.
Noch schlechter ist es, wenn der Operationsverstärker einen hohen Ausgangsstrom liefert und dadurch auf der Versorgungsleitung eine beachtlich hohe Signalspannung auftritt. Dadurch, dass der nicht-invertierende Eingang sich auf die Versorgungsspannung bezieht, wird dieses Signal direkt in den Operationsverstärker eingespeist und durch die Phasenbeziehung entstehen Schwingungen.

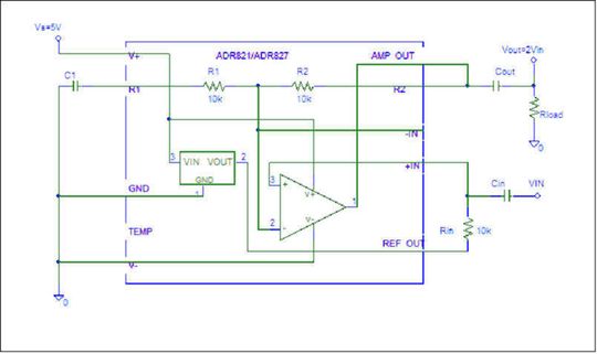
Eine effiziente Möglichkeit eine Vorspannung in solchen Anwendungen bereit zu stellen besteht im Einsatz einer ADR821 (Bild 2). Dieses Bauteil enthält in einem einzigen Gehäuse eine präzise 2,5-V-Spannungsreferenz mit geringem Stromverbrauch und einen, bei einer Verstärkung von 1, stabilen Operationsverstärker.
Das führt zu reduzierten Kosten, geringerem Stromverbrauch, weniger externen Bauteilen und kleineren Platinenflächen. Die Referenz mit niedriger Impedanz verbessert das Rauschen der Versorgungsspannung und die Schaltkreisstabilität. Sie kann auch als Referenz für A/D-Wandler oder D/A-Wandler verwendet werden. Mit einer Genauigkeit von 0,2% und einem Temperaturkoeffizienten von 15 ppm/°C verbraucht der Chip weniger als 400 μA.
Artikelfiles und Artikellinks
Link: Weitere Informationen
(ID:311512)