60 Jahre Elektronikpraxis hinterlassen Spuren. Unser Archiv zeigt: Vieles kommt uns bekannt vor. Technologien erleben ein Comeback, Krisen folgen alten Mustern, und bewährtes Fachwissen bleibt relevant. In der Rubrik Damals wie heute schauen wir uns diese Parallelen an.
Damals wie heute: Pratisch aufgebauter NF-Leistungsverstärker für B-Betrieb mit Feldeffekttransistoren.
(Bild: Texas Instruments)
Im Jahr 1968 galten Feldeffekttransistoren bereits als besonders geeignet für Anwendungen mit geringer Ansteuerleistung. Doch ein entscheidender Nachteil bremste ihren Einsatz aus. Wirtschaftlich verfügbare Leistungs-FETs konnten nur Ströme im Bereich weniger hundert Milliampere führen. Ein Fachartikel aus dem Applikationslabor von Texas Instruments zeigte damals, wie sich diese Grenze mit cleveren Schaltungskombinationen umgehen ließ.
Mehr Leistung durch angepasste Schaltungstechnik
Die damaligen Einschränkungen zwangen Entwickler zu einem deutlich bewussteren Umgang mit den Bauelementen. Da die Stromtragfähigkeit begrenzt war, entschied nicht das Bauteil allein über die Leistungsfähigkeit der Schaltung, sondern vor allem dessen Beschaltung. Das Verständnis für Kennlinien, Arbeitspunkte und das Zusammenspiel mehrerer Transistoren war Voraussetzung für funktionierende Lösungen.
Auch wenn sich Bauelemente und Grenzwerte seitdem deutlich weiterentwickelt haben, ist die zugrunde liegende Schaltung unverändert geblieben.
Wo heute integrierte Leistungs-MOSFETs oder Treiber-ICs zum Einsatz kommen, wurde damals durch die Kombination diskreter Bauelemente ein vergleichbares Verhalten erreicht.
Bild 1: Die Kombination eines n-Kanal-FET mit einem npn-Leistungstransistor verhält sich wie ein zusammengesetzter n-Kanak-Leistungs-FET.
(Bild: Texas Instruments)
Die Lösung, die direkt aus dem Labor stammte
Im Applikationslabor von Texas Instruments löste man dieses Problem, indem man vorhandene Feldeffekttransistoren gezielt mit Leistungstransistoren kombinierte. Die so entstehende Schaltung verhielt sich funktional wie ein Leistungs-FET, obwohl kein entsprechendes Bauelement verfügbar war. Bild 1 zeigt diese Kombination aus n-Kanal-FET und npn-Leistungstransistor. Der Feldeffekttransistor übernimmt dabei die Steuerfunktion und liefert den erforderlichen Basisstrom für den Leistungstransistor, der den eigentlichen Laststrom führt. Entscheidend ist das Zusammenspiel beider Halbleiter: Durch die gewählte Beschaltung entsteht eine Verstärkerstufe, welche von der Gesamtschaltung bestimmt werden.
Der Artikel vertiefte diesen Ansatz durch eine Kleinsignalbetrachtung. Ausgehend von der Aufteilung der Eingangsspannung auf FET und Leistungstransistor wird hergeleitet, wie sich der resultierende Drainstrom der Kombination zusammensetzt. Unter der Annahme, dass der Ableitungswiderstand des Leistungstransistors groß ist und die Stromverstärkung hfe deutlich größer als eins, vereinfacht sich der Ausdruck für die resultierende Steilheit der Schaltung erheblich.
Die Kombination verhält sich dann wie ein zusammengesetzter Leistungs-FET mit einer effektiven Steilheit Gm≈hfe⋅gm
Damit zeigt sich exemplarisch, wie durch gezielte Schaltungstechnik aus zwei vergleichsweise einfachen Halbleitern ein neues, leistungsfähigeres Bauelement entsteht.
Bild 2: Auch mit einem p-Kanal-FET lässt sich eine Kombinationsschaltung analog zu Bild 1 aufbauen.
(Bild: Texas Instruments)
In analoger Weise lässt sich dieser Ansatz auch mit p-Kanal-Feldeffekttransistoren umsetzen, wie in Bild 2 dargestellt. Die Herleitung führt in diesem Fall zum gleichen Ergebnis, sodass die Ausdrücke für die Steilheit der zusammengesetzten n- und p-Kanal-Leistungs-FETs identisch sind.
Wenn theoretische Ansatz auf die Praxis trifft
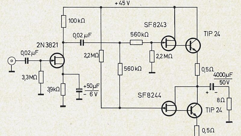
Um den theoretischen Ansatz zu verifizieren, wurde im Applikationslabor ein NF-Leistungsverstärker für B-Betrieb aufgebaut, wie er in Bild 3 dargestellt ist. Die Schaltung zeigt exemplarisch, wie sich die zuvor hergeleitete Kombination aus Feldeffekttransistoren und Leistungstransistoren in einer praxisnahen Anwendung umsetzen lässt.
Bild 3: Pratisch aufgebauter NF-Leistungsverstärker für B-Betrieb mit Feldeffekttransistoren.
(Bild: Texas Instruments)
Die Ansteuerung der Endstufe übernehmen die beiden Feldeffekttransistoren SF 8243 und SF 8244. Ihre Aufgabe besteht darin, den für die TIP-24-Leistungstransistoren erforderlichen Basisstrom bereitzustellen, ohne die vorgelagerte Stufe nennenswert zu belasten. Aufgrund der gewählten Arbeitspunkte genügt ein Basisstrom von etwa 1 mA, um die Endtransistoren sicher auszusteuern.
Da die wirksamen Gate-Source-Spannungen der beiden Feldeffekttransistoren in Reihe liegen, ergibt sich eine erforderliche Gatespannung von rund 9 V. Diese wird über einen symmetrischen Spannungsteiler erzeugt, der zugleich eine stabile Vorspannung sicherstellt. Die Ansteuerung erfolgt in der Mitte dieses Teilers, wodurch sich eine definierte und temperaturstabile Arbeitspunktlage ergibt.
Stand: 08.12.2025
Es ist für uns eine Selbstverständlichkeit, dass wir verantwortungsvoll mit Ihren personenbezogenen Daten umgehen. Sofern wir personenbezogene Daten von Ihnen erheben, verarbeiten wir diese unter Beachtung der geltenden Datenschutzvorschriften. Detaillierte Informationen finden Sie in unserer Datenschutzerklärung.
Einwilligung in die Verwendung von Daten zu Werbezwecken
Ich bin damit einverstanden, dass die Vogel Communications Group GmbH & Co. KG, Max-Planckstr. 7-9, 97082 Würzburg einschließlich aller mit ihr im Sinne der §§ 15 ff. AktG verbundenen Unternehmen (im weiteren: Vogel Communications Group) meine E-Mail-Adresse für die Zusendung von redaktionellen Newslettern nutzt. Auflistungen der jeweils zugehörigen Unternehmen können hier abgerufen werden.
Der Newsletterinhalt erstreckt sich dabei auf Produkte und Dienstleistungen aller zuvor genannten Unternehmen, darunter beispielsweise Fachzeitschriften und Fachbücher, Veranstaltungen und Messen sowie veranstaltungsbezogene Produkte und Dienstleistungen, Print- und Digital-Mediaangebote und Services wie weitere (redaktionelle) Newsletter, Gewinnspiele, Lead-Kampagnen, Marktforschung im Online- und Offline-Bereich, fachspezifische Webportale und E-Learning-Angebote. Wenn auch meine persönliche Telefonnummer erhoben wurde, darf diese für die Unterbreitung von Angeboten der vorgenannten Produkte und Dienstleistungen der vorgenannten Unternehmen und Marktforschung genutzt werden.
Meine Einwilligung umfasst zudem die Verarbeitung meiner E-Mail-Adresse und Telefonnummer für den Datenabgleich zu Marketingzwecken mit ausgewählten Werbepartnern wie z.B. LinkedIN, Google und Meta. Hierfür darf die Vogel Communications Group die genannten Daten gehasht an Werbepartner übermitteln, die diese Daten dann nutzen, um feststellen zu können, ob ich ebenfalls Mitglied auf den besagten Werbepartnerportalen bin. Die Vogel Communications Group nutzt diese Funktion zu Zwecken des Retargeting (Upselling, Crossselling und Kundenbindung), der Generierung von sog. Lookalike Audiences zur Neukundengewinnung und als Ausschlussgrundlage für laufende Werbekampagnen. Weitere Informationen kann ich dem Abschnitt „Datenabgleich zu Marketingzwecken“ in der Datenschutzerklärung entnehmen.
Falls ich im Internet auf Portalen der Vogel Communications Group einschließlich deren mit ihr im Sinne der §§ 15 ff. AktG verbundenen Unternehmen geschützte Inhalte abrufe, muss ich mich mit weiteren Daten für den Zugang zu diesen Inhalten registrieren. Im Gegenzug für diesen gebührenlosen Zugang zu redaktionellen Inhalten dürfen meine Daten im Sinne dieser Einwilligung für die hier genannten Zwecke verwendet werden. Dies gilt nicht für den Datenabgleich zu Marketingzwecken.
Recht auf Widerruf
Mir ist bewusst, dass ich diese Einwilligung jederzeit für die Zukunft widerrufen kann. Durch meinen Widerruf wird die Rechtmäßigkeit der aufgrund meiner Einwilligung bis zum Widerruf erfolgten Verarbeitung nicht berührt. Um meinen Widerruf zu erklären, kann ich als eine Möglichkeit das unter https://contact.vogel.de abrufbare Kontaktformular nutzen. Sofern ich einzelne von mir abonnierte Newsletter nicht mehr erhalten möchte, kann ich darüber hinaus auch den am Ende eines Newsletters eingebundenen Abmeldelink anklicken. Weitere Informationen zu meinem Widerrufsrecht und dessen Ausübung sowie zu den Folgen meines Widerrufs finde ich in der Datenschutzerklärung, Abschnitt Redaktionelle Newsletter.
Die erreichbare Ausgangsleistung der Schaltung wird maßgeblich durch die Durchbruchspannung der eingesetzten Feldeffekttransistoren begrenzt. Im gezeigten Aufbau lag diese bei etwa 45 V, was eine maximale Ausgangsleistung von rund 5 W an 8 Ω erlaubte. Der Artikel weist darauf hin, dass mit höher spannungsfesten Feldeffekttransistoren entsprechend größere Ausgangsleistungen möglich wären.
Auffällig ist, dass die benötigte Versorgungsspannung im Vergleich zu rein bipolaren Leistungsverstärkern etwas höher ausfällt. Ursache hierfür ist der Spannungsverlust der FET-Ausgangsstufe, der zwischen Eingang und Ausgang etwa 4 bis 5 dB beträgt. Um diesen Verlust zu kompensieren, ist eine höhere Versorgungsspannung für die Treiberstufe erforderlich. Alternativ kann – bei getrennter Versorgung – die Spannung der Endstufe entsprechend reduziert werden.
Bild 4: Frequenzgang des Leistungsverstärkers von Bild 3.
(Bild: Texas Instruments)
Der Frequenzgang des Verstärkers (Bild 4) zeigt ein weitgehend lineares Verhalten über den relevanten NF-Bereich. Auch die in Bild 5 dargestellten Messungen der harmonischen Verzerrungen belegen, dass sich der kombinierte Einsatz von Feldeffekttransistoren und Leistungstransistoren nicht nur theoretisch, sondern auch praktisch bewährt.
Einordnung der Messergebnisse aus dem Jahr 1968
Die im Artikel aufgeführten Messdaten zeigen, dass der kombinierte Ansatz nicht nur theoretisch funktioniert, sondern auch in der praktischen Umsetzung überzeugende Ergebnisse liefert. Mit einer 3-dB-Bandbreite von 10 Hz bis 60 kHz deckt der Verstärker den relevanten NF-Bereich vollständig ab. Die erzielbaren Verzerrungswerte liegen – abhängig von Ausgangsleistung und Frequenz – im für die damalige Zeit typischen Rahmen.
Bemerkenswert ist, dass diese Ergebnisse ohne umfangreiche Gegenkopplung erzielt wurden. Die harmonischen Verzerrungen betragen bei 1 W Ausgangsleistung rund 1 % und steigen bei 5 W auf etwa 5 %. Damit zeigt sich, dass ein erheblicher Teil der Linearität bereits durch die Wahl der Schaltungstopologie und der Arbeitspunkte bestimmt wird – nicht allein durch nachträgliche Korrekturmaßnahmen.
Auch die übrigen Kenndaten unterstreichen den praxisnahen Charakter des Aufbaus. Eine Eingangsempfindlichkeit von 120 mV bei einem Eingangswiderstand von 3 MΩ ermöglicht die direkte Ansteuerung aus hochohmigen Signalquellen, während der Ruhestrom von etwa 100 mA einen stabilen Betrieb sicherstellt. Die verwendeten Koppelkondensatoren von 20 nF zeigen zudem, dass sich der Schaltungsaufwand im Vergleich zu rein bipolaren Lösungen in Grenzen hält.
Der hier vorgestellte Verstärker ist damit weniger als fertiges Produkt zu verstehen, sondern als Demonstration eines Denkansatzes. Der Artikel macht deutlich, wie sich durch gezielte Kombination vorhandener Bauelemente neue funktionale Eigenschaften erschließen lassen. Eine Herangehensweise, die unabhängig von konkreten Bauteilgenerationen Bestand hat.
Bild 5: THD in Abhängigkeit von Ausgangsleistung und Frequenz des Verstärkers von Bild 3.
(Bild: Texas Instruments)
Die Brücke in die moderne Zeit – zwischen Experiment und technischem Durchbruch
Was 1968 aus der Not geboren wurde – die Kombination von FETs mit Bipolartransistoren wegen fehlender Leistungs-FETs – hat sich grundlegend gewandelt. Heute sind Leistungs-MOSFETs die erste Wahl in vielen Verstärkeranwendungen, besonders in der Schalttechnik und in Class-D-Verstärkern.
Die damaligen Nachteile haben sich in Vorteile verkehrt. Die geringe Ansteuerleistung, die 1968 bereits geschätzt wurde, ermöglicht heute extrem effiziente Schaltverstärker. Die kapazitive Ansteuerung des Gates – damals noch problematisch wegen begrenzter Stromtragfähigkeit – erlaubt heute MHz-Schaltfrequenzen ohne die Speichereffekte bipolarer Transistoren. Das lineare Übertragungsverhalten, das im gezeigten Verstärker bereits 1 % Klirrfaktor ohne aufwändige Gegenkopplung ermöglichte, macht moderne MOSFETs zu idealen Kandidaten für High-End-Audioverstärker.
Der Denkansatz jedoch bleibt: Auch heute entstehen leistungsfähige Schaltungen nicht aus einzelnen „Wunderbauteilen“, sondern aus dem durchdachten Zusammenspiel der Komponenten. Die Feldeffekttransistoren von 1968 brauchten Bipolartransistoren als Partner – moderne Gate-Treiber-ICs folgen demselben Prinzip, nur hochintegriert. Das grundlegende Schaltungsdenken, das der Artikel vermittelt, ist aktueller denn je. (mr)