Components for power supplies Everything for capacitive power supplies from a single source
Designs based on capacitive topologies are particularly suitable for power supplies in the milliwatt range. They are simple, compact and economical. TDK offers almost all necessary passive components.
Anbieter zum Thema

Development engineers are faced with the task of supplying a growing number of devices and system units that only have low voltages and currents in the milliampere range. Typical examples are displays for measurement data or timers, microcontroller-based measuring systems and simple open- and closed-loop controls. Similar challenges are presented when devices have to be connected to wireless networks – for example, in the case of smart meters whose readings are taken wirelessly, or network-operated devices for the Internet of Things.
Conventional power supply designs have a number of disadvantages in the very low power range. Solutions with transformers or switched circuits require a lot of space and are expensive. In addition, the copper and iron losses are disproportionately high in relation to the low output. Although the simplest solution – the line-side connection of an ohmic resistor – is inexpensive, it does generate high losses and thus opposes the high efficiency rates required.
Exploiting the reactance of capacitors to practical effect
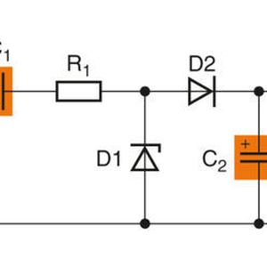
One possibility for supplying small loads from the AC power supply that is not only elegant, but also simple and cost-effective, is to connect the capacitor and load in series. This makes use of the otherwise unwanted effect of phase shift: The voltage arrives at a capacitor with a 90-degree phase shift from the current; the capacitor acts as a reactive power, at which practically no actual losses occur. A capacitor used as a series resistor is therefore the ideal solution. Figure 1 shows the circuit diagram as well as the associated vector diagram of the voltages. In contrast to conventional designs, the capacitive power supplies are short-circuit-proof at the output.
As the capacitor is directly connected to the power supply, very high demands are made on its reliability. It is therefore recommended that only X2 capacitors compliant with UL and ENEC are used for capacitive power supplies.
For this purpose, TDK offers a wide range of EPCOS X2 capacitors such as the new B3292*H/J* series. To permit reliable operation with stable capacitance values, even under extreme climatic conditions such as high temperatures in combination with high humidity, the X2 Heavy-Duty Series (B32932* through B32936*) was developed. These components show a capacitance drift of no more than 10% in a 1000-hour test at 85 °C and 85% relative humidity. There is one more advantage of these capacitors: they are self-healing. This means that smaller disruptive discharges result in a locally limited vaporization of the metallization without creating a short circuit and therefore retaining the function of the capacitor.
(ID:43634765)