Rauchmeldersystem für weniger Fehlalarme

Gesponsert von

Das integrierte Rauchmeldersystem ADPD188BI, das die LEDs, die Photodiode und das analoge Frontend umfasst, arbeitet mit zwei Wellenlängen und kann daher besser zwischen verschiedenen Partikeltypen unterscheiden. Der digitale Ausgang des einfach kalibrierbaren Bausteins erleichtert die Signalauswertung durch einen Mikrocontroller.

Blockdiagramm des ADPD188BI(Bild:  Analog Devices)
Blockdiagramm des ADPD188BI
(Bild: Analog Devices)

Die neuen Vorschriften der Underwriters Laboratories (UL) haben dafür gesorgt, dass die Standards für Rauchmeldersysteme erheblich angehoben wurden. So müssen Rauchmelder jetzt unter anderem in der Lage sein, zwischen dem offiziellen „Hamburger Burn Test“ und einer tatsächlichen Gefahr in Form von Rauch wie beispielsweise durch Polyurethan zu unterscheiden. Weil klassische, mit monochromatischem Licht arbeitende Rauchmelder dies nicht können, wurde als Lösung der ADPD188BI entwickelt.

Bild 1: Referenz-Messung(Bild:  Analog Devices)
Bild 1: Referenz-Messung
(Bild: Analog Devices)

Ein typischer Rauchmelder besteht aus einer Detektoreinheit, einem Mikrocontroller mit einem Algorithmus sowie zusätzlichen Bauelementen wie etwa Lautsprechern, Anzeige-LEDs oder CO-Sensoren. Die Referenzmessung in einem Rauchmelder funktioniert nach dem so genannten Verdunklungsprinzip, das in Bild 1 illustriert ist. Die durch Partikel in der Luft erfolgende Verdunklung bzw. Lichtschwächung zwischen der Lichtquelle L und dem Detektor D wird gemessen und anhand der neuen UL-Vorschriften ausgewertet.

Bild 2: System der Vorwärtsstreuung mit Infrarot-LED(Bild:  Analog Devices)
Bild 2: System der Vorwärtsstreuung mit Infrarot-LED
(Bild: Analog Devices)

Klassische Rauchmelder sind diskret aufgebaut und funktionieren auf Basis der Vorwärtsstreuung. Dabei wird LED-Licht einer bestimmen Wellenlänge (meist im Infrarotbereich) von Partikeln auf eine Photodiode gestreut. Wie in Bild 2 zu sehen ist, beträgt die Entfernung zwischen LED und Photodiode in der Regel wenige Zentimeter.

Sowohl der diskrete Aufbau des Rauchmelders als auch die verwendete Messmethode bringen jedoch einige Nachteile mit sich. Der wichtigste davon ist, dass monochromatische LEDs die Häufigkeit von Fehlalarmen erhöhen, weil es mit ihnen schwieriger ist, unterschiedliche Partikel voneinander zu unterscheiden. Darüber hinaus ist eine diskrete Konstruktion sperrig und nimmt viel Leistung auf, und nicht zuletzt sind arbeitsaufwändige Kalibrierungen erforderlich. Die Technik für die optischen Bauteile wurde inzwischen allerdings so weiterentwickelt, dass die LEDs und die Photodioden zusammen mit dem analogen Frontend in ein kleines Gehäuse integriert werden können.

Mit dem ADPD188BI hat Analog Devices eine solche Lösung geschaffen. Der Baustein enthält zwei LEDs (Blau und Infrarot), eine Photodiode und das analoge Frontend – alles direkt in ein einziges Bauteil integriert. Der Einsatz von LEDs verschiedener Wellenlängen hat zwei unterschiedliche Streuwinkel zur Folge und ermöglicht daher zuverlässigere Messungen. Die Ausgabe in digitaler Form an einem I²C- oder SPI-Interface ermöglicht den Anschluss an einen Mikrocontroller.

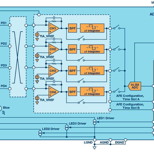
Bild 3: Blockdiagramm des ADPD188BI(Bild:  Analog Devices)
Bild 3: Blockdiagramm des ADPD188BI
(Bild: Analog Devices)

Bild 3 zeigt das zugehörige Blockschaltbild. Die Integration von LEDs, Photodioden und analogem Frontend erleichtert das Kalibrieren des Systems, weil die äußeren Bedingungen konstant sind. Die (meist als Ein-Punkt-Kalibrierung vorgenommene) Kalibrierung lässt sich in den End-of-Line-Test des Kunden integrieren. Ein Schnittbild des ADPD188BI mit den fest integrierten LEDs auf der linken Seite und der Photodiode auf der rechten Seite ist in Bild 4 zu sehen. Erkennbar ist die Integration der kompletten Signalkette auf einem einzigen, 5 mm x 3,8 mm messenden Chip.

Die Funktionsweise des ADPD188BI beruht darauf, dass die LEDs einen kurzen Lichtblitz von wenigen Mikrosekunden aussenden, der daraufhin von Partikeln zu der Photodiode zurückgestreut wird. Ein Transimpedanzverstärker verwandelt den daraus resultierenden Strom in eine Spannung. Ein Bandpassfilter entfernt den DC-Anteil, während ein Integrator den AC-Anteil infolge von Umgebungslicht durch Leuchten oder Sonnenlicht von bis zu 80 dB ausfiltert. Die am Ende verbleibende Spannung wird vom A/D-Wandler in ein digitales Signal umgewandelt.

Bild 4: Schnittbild des ADPD188BI (Bild:  Analog Devices)
Bild 4: Schnittbild des ADPD188BI
(Bild: Analog Devices)

Dieses Funktionsprinzip bringt eine Reihe von Vorteilen mit sich. Zum einen resultiert die Verwendung zweier LEDs in einem weiten Dynamikbereich und einem großen Signal-Rauschabstand, sodass weniger Fehlalarme ausgelöst werden. Zum anderen sorgen die kurzen Lichtblitze der LEDs für eine niedrige Stromaufnahme. Die doppelte Messung mit den beiden Photodioden ermöglicht ferner eine genauere Detektierung, sodass nicht nur zwischen normalem Rauch und verbrannten Hamburgern unterschieden werden kann, sondern auch zwischen normalem Rauch und Dampf. Diese Rauchmelder können deshalb auch in Küchen und Badezimmern eingesetzt werden.

Die integrierte Bauweise des Systems vereinfacht wegen der vorgegebenen Bedingungen die Kalibrierung und verringert die mechanischen Abmessungen. Das System erfüllt nicht nur die zukunftsgerichteten Vorschriften der UL, sondern macht auch eine kleine, kammerlose Konstruktion möglich, die sich leicht in beliebige Räume integrieren lässt. So erfüllt der ADPD188BI mit einem neuartigen Messsystem alle künftigen Anforderungen in Bezug auf Sicherheit, Zuverlässigkeit und Kosten.

Artikelfiles und Artikellinks

(ID:45992885)

Jetzt Newsletter abonnieren

Verpassen Sie nicht unsere besten Inhalte

Mit Klick auf „Newsletter abonnieren“ erkläre ich mich mit der Verarbeitung und Nutzung meiner Daten gemäß Einwilligungserklärung (bitte aufklappen für Details) einverstanden und akzeptiere die Nutzungsbedingungen. Weitere Informationen finde ich in unserer Datenschutzerklärung. Die Einwilligungserklärung bezieht sich u. a. auf die Zusendung von redaktionellen Newslettern per E-Mail und auf den Datenabgleich zu Marketingzwecken mit ausgewählten Werbepartnern (z. B. LinkedIn, Google, Meta).

Aufklappen für Details zu Ihrer Einwilligung