Analogtipp Wie man einen preiswerten, differenziellen Video-Empfänger entwickelt
Infotainment- und sichtgestützte Sicherheitssysteme für Fahrzeuge verlangen preiswerte und leistungsfähige Video-Empfänger, um Signale von Rückfahrkameras, Unterhaltungssystemen auf Rücksitzen und anderen externen Videoquellen zu verarbeiten. Wir stellen eine Schaltung vor, mit der ein preiswerter und trotzdem leistungsfähiger Video-Empfänger für diese Anwendungen designt werden kann.
Anbieter zum Thema

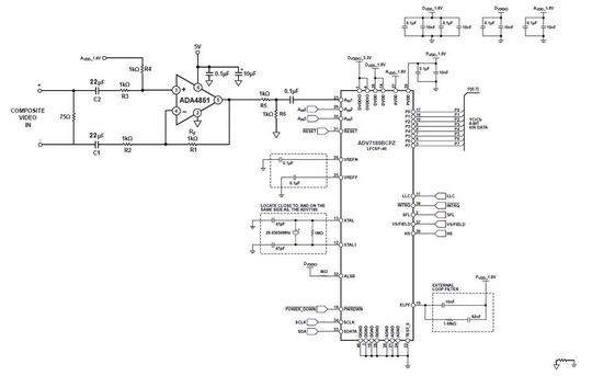
Bild 1 zeigt einen differenziellen Empfänger mit geringem Stromverbrauch, der den Operationsverstärker ADA4851 nutzt, um ein differenzielles Composite-Video-Signal in ein unsymmetrisches Signal zu wandeln und dabei Gleichtaktspannung und Rauschen zu entfernen. Gleichzeitig erfolgt eine AC-Entkopplung des Eingangs, um einen Kurzschlussschutz zu erhalten.
Der ADA4851 wird in Verbindung mit dem 10-Bit-Video-Decoder ADV7180 verwendet. Der Einfachheit halber ist hier nur ein Verstärker gezeigt. Die Verstärkerschaltung kann jedoch beliebig oft kopiert werden.
Der Operationsverstärker ADA4851 ist als ein-, zwei- und vierkanaliges Modell erhältlich. Aufgrund des geringen Stromverbrauchs, der niedrigen Kosten, der hohen Geschwindigkeit und der kurzen Einschwingzeiten ist der Baustein für Video-Anwendungen gut geeignet.
Der Operationsverstärker ist als differenzieller Verstärker mit vier Widerständen konfiguriert und wurde optimiert für Composite-Video-Frequenzen. Der Baustein liefert eine Verstärkung von 1 (differenzieller Eingang, unsymmetrischer Ausgang), während das Gleichtakteingangsrauschen eliminiert wird.
Die niederohmigen, hochgenauen Widerstände sowie die hohe verstärkerseitige Gleichtaktunterdrückung bieten eine gute Leistungsfähigkeit. Die gesamte Gleichtaktunterdrückung hängt jedoch von der Widerstandsanpassung ab. Sie lässt sich gemäß der nachfolgend angegebenen Gleichung berechnen.
Kr ist die Widerstandstoleranz (zum Beispiel 1% = 0,01). Falls 54 dB oder eine bessere Gleichtaktunterdrückung gewünscht sind, müssen R1, R2, R3 und R4 eine Toleranz von 0,1% oder besser aufweisen.
Ein DC-Offset – bequem hinzugefügt durch den Anschluss von R4 an die 1,8-V-Versorgung – stellt den eingangsseitigen Gleichtaktpegel des Verstärkers ein. Bypass-Kondensatoren verhindern, dass Versorgungsspannungsrauschen in das Videosignal eingekoppelt wird. Die Eingänge mit AC-Kopplung bieten Kurzschlussschutz.
Die 1-kΩ-Widerstände (R2 und R3) sowie die 22-μF-Kondensatoren (C1 und C2) bilden einen Hochpass von 7 Hz. Für eine niedrigere Frequenz wird lediglich der Kondensatorwert erhöht. Zum Beispiel ergibt sich mit 47-μF-Kondensatoren ein 3,4-Hz-Hochpass.
Teiler für jeden Analogeingang verhindern Clipping
R5 und R6 bilden einen Teiler, welcher dafür sorgt, dass das Videosignal im Arbeitsbereich des A/D-Wandlers von 0 bis 1 V bleibt.
Falls die Amplitude des Videosignals zu hoch ist, kann „Clipping“, d.h., eine Verzerrung des Ausgangssignals, bei der die oberen und unteren Signalspitzen „abgeschnitten“ werden, auftreten. In diesem Fall ergeben sich sichtbare Artefakte. Es sollte daher für jeden Analogeingang ein Teiler verwendet werden.
Die Impedanz kann skaliert werden, um die Ausgangsleistung des ADA4851 zu reduzieren. Bei Teilern mit hoher Impedanz sollte sich der Operationsverstärker in der Nähe des Video-Decoders ADV7180 befinden, um die parasitären Kapazitäten der Leiterbahnen zu reduzieren.
* * Don Nisbett ... ist Appliaktionsingenieur bei Analog Devices in Norwood, USA.
(ID:27764320)
