Power-Tipp von TI, Teil 64 Sperrwandler im lückenden Betrieb optimieren
Es ist allgemein bekannt, dass Synchrongleichrichter die Effizienz von Netzteilen deutlich verbessern können, weil statt des Spannungsabfalls an der Gleichrichtersperrschicht eine geringere Spannung am Schalt-Halbleiter abfällt, dessen Widerstand geringer ist. Die Herausforderung bestand stets darin, robuste Ansteuerstrategien zu entwickeln und die Bauelemente so zu treiben, dass dieser Effekt maximal zum Tragen kommt.
Anbieter zum Thema

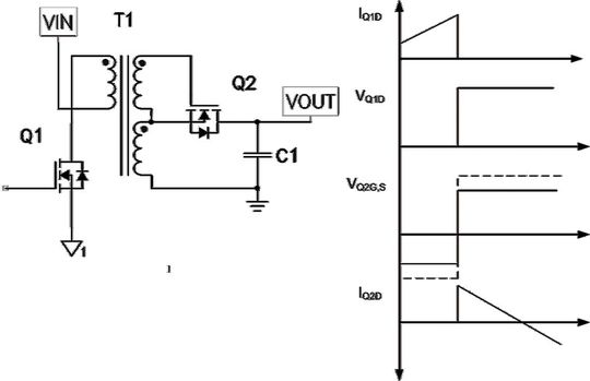
Arbeitet ein Sperrwandler im lückenden Betrieb, gestaltet sich die Implementierung wesentlich anspruchsvoller als im nicht-lückenden Betrieb. Bild 1 zeigt ein vereinfachtes Schaltbild eines Sperrwandlers mit Synchrongleichrichter sowie die zugehörigen Signalverläufe. Bei t = 0 ist der primärseitige Schalter Q1 eingeschaltet und sein Drainstrom steigt an.
Wenn jetzt dieser Schalter sperrt, steigen die Spannungen an den mit Punkten markierten Enden der Übertragerwicklungen so lange an, bis die Body-Diode von Q2 die Spannung an der Sekundärwicklung des Übertragers auf die Ausgangsspannung klemmt. Das Gate von Q2 liegt übrigens auf einem höheren Potenzial als die Source. Aus diesem Grund kommutiert der Strom von der Body-Diode auf den MOSFET-Kanal, was die Effizienz der Gleichrichtung verbessert.

Diese einfache Schaltung arbeitet stets im nicht-lückenden Betrieb, da zu allen Zeiten mindestens einer der Schalter eingeschaltet ist. Der Schlüssel für eine einwandfreie Funktion von Synchrongleichrichtern in Sperrwandlern, die im lückenden Betrieb arbeiten, besteht darin, sie exakt so funktionieren zu lassen wie die von ihnen ersetzten Dioden. Sie müssen also abgeschaltet werden, sobald der in ihnen fließende Strom seine Richtung ändert. Der traditionelle Ansatz hierfür basiert auf gepufferten Stromwandlern.
Fließt der Strom in die richtige Richtung, wird eine positive Treiberspannung angelegt. Dagegen wechselt die Polarität des Treibersignals, wenn der Strom seine Richtung ändert. Nachteilig hieran sind die Größe des Stromwandlers und der zusätzliche Aufwand an diskreten Bauelementen für den Puffer.
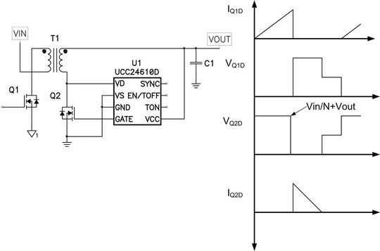
Mehrere Unternehmen, darunter auch TI, haben ICs entwickelt, die sich als Alternative zu Treiberschaltungen, die den Strom messen, anbieten (Bild 2). Die Synchrongleichrichter wurden dazu auf die Low-Seite verlagert, und ein spezielles Controller-IC übernimmt das Timing und die Gate-Ansteuerung. Der Vorteil hieran ist, dass die Source direkt mit der Masse verbunden wird und das Gate direkt angesteuert werden kann. Da die Funktion des Bausteins auf dem Überwachen der Drain-Source-Spannung beruht, ist die Schaltung wegen der mit der Systemmasse verbundenen Source auch weniger störempfindlich.
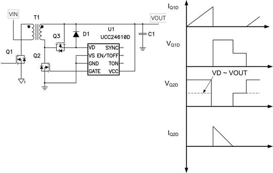
Die Schaltung arbeitet jetzt als Sperrwandler im lückenden Betrieb. Auf der rechten Seite sind einige idealisierte Signalverläufe dargestellt. Besonders hervorzuheben ist die Spannungsbelastung des Ausgangsgleichrichters, an dem auch der VD-Anschluss (Drainspannung) des IC liegt. In der Realität wird die Spannung aufgrund von Überschwingern höher ausfallen, doch im Idealfall ist sie gleich der reflektierten Eingangsspannung zuzüglich der Ausgangsspannung. Bei Ausgangsspannungen über 5 V oder bei stark variierenden Eingangsspannungen kann die hier anliegende Spannung ohne weiteres die 50 V betragende Nennspannung des IC übersteigen.

In den TI Power Lab Notes finden Sie Anmerkungen eines Designers zu seinen Netzteil-Designs.
Weitere Informationen zu dieser und anderen Power-Lösungen gibt es außerdem auf www.ti.com/power-ca.
* Robert Kollman ist Senior Applications Manager und Distinguished Member of Technical Staff bei Texas Instruments
(ID:42488207)