Power-Tipp Schaltregler: Zwei Konzepte für eine galvanische Trennung

Von Frederik Dostal * 3 min Lesedauer

Anbieter zum Thema

Für eine galvanisch getrennte Spannung werden in der Regel Transformatoren verwendet. Der No-Opto-Regler und der Iso-Buck-Konverter kommen ohne eine Signalrückführung mit einem Optokoppler aus. Was sind nun die Vorteile der jeweiligen Lösung?

Bild 1: 
Das Konzept eines Flyback-Reglers.(Bild:  ADI)
Bild 1: 
Das Konzept eines Flyback-Reglers.
(Bild: ADI)

In vielen elektrischen Schaltungen wird eine galvanisch getrennte Spannung benötigt. Für die elektrische Trennung werden üblicherweise Transformatoren verwendet. Zur Übertragung von elektrischer Energie über einen Transformator gibt es viele verschiedene Topologien. Eine weit verbreitetes Schaltungskonzept, besonders bei kleineren Leistungen bis ca. 50 W, ist der Sperrwandler, auch Flyback-Wandler genannt.

Bild 1 zeigt das Schaltungskonzept eines einfachen Flyback-Wandlers. Ein Sperrwandler speichert während der ‚On‘-Zeit von Schalter S1 Energie im Kern des Transformators T1. Ist S1 abgeschaltet, wird die im Kern gespeicherte Energie durch die Sekundärwicklung von T1 durch die Freilaufdiode D1 dem Ausgang zugeführt.

In Bild 1 ist zu erkennen, dass neben dem Leistungspfad (schwarz) auch noch der Feedbackpfad (grün) benötigt wird. Dieser wird genutzt, um die Ausgangsspannung genau zu regeln. Leider ist dieser Rückkoppelpfad recht aufwändig, da auch hier die Signalübertragung des Feedback-Signals über eine galvanische Trennung erfolgen muss.

Wie funktioniert eine Galvanische Trennung?

Hierfür werden Optokoppler oder digitale Isolationsbausteine, wie der ADuM3190, verwendet. Das Feedback-Signal kann auch auf der primären Seite abgegriffen werden, dann spart man sich die galvanische Trennung.

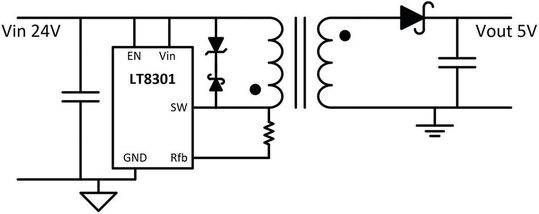
Bild 2: 
Ein sehr kompakter und einfach zu verwendender Flyback-Regler mit dem No-Opto-Regler LT8301.(Bild:  ADI)
Bild 2: 
Ein sehr kompakter und einfach zu verwendender Flyback-Regler mit dem No-Opto-Regler LT8301.
(Bild: ADI)

Um eine galvanisch getrennte Flyback-Schaltung einfach und platzsparend aufzubauen, eignet sich ein Regler aus der No-Opto-Produktfamilie von Analog Devices. Bild 2 zeigt den LT8301 mit einen Eingangsspannungsbereich bis 42 V und einem maximalen Schalterstrom von 1,2 A. In der Schaltung ist zu erkennen, dass es scheinbar keinen Feedback-Pfad von der Ausgangsspannung zurück zum primärseitigen Schaltregler gibt.

Es gibt jedoch einen ‚versteckten‘ internen Feedback-Pfad über den Transformator. Während der ‚Off‘-Zeit des primärseitigen Schalters wird eine rückreflektierte Spannung über der primärseitigen Wicklung des Transformators gemessen. Dadurch erhält man auf der Primärseite sehr genaue Informationen zum Zustand der Ausgangsspannung.

Bild 3: 
Ein Iso-Buck-Konverter mit dem MAX17681.(Bild:  ADI)
Bild 3: 
Ein Iso-Buck-Konverter mit dem MAX17681.
(Bild: ADI)

Neben dieser galvanisch getrennten Lösung gibt es jedoch noch eine zweite Möglichkeit, eine galvanisch getrennte Flyback-Schaltung aufzubauen: den ‚Iso-Buck‘-Konverter (Bild 3).

Unterschied zwischen Flyback und Iso-Buck-Regler

Der wesentliche Unterschied zwischen einem allgemeinen Flyback- und einem Iso-Buck-Regler ist der Kondensator Cbuck zwischen der primärseitigen Transformatorwicklung und Masse. Hier wird innerhalb des Bausteins (MAX17681) die primärseitige Wicklung des Transformators mit einer Vollbrücke angesteuert. Es sind also ein oberer und unterer Schalter verbaut. Bei einem No-Opto-Flyback befindet sich nur ein Schalter zwischen der primärseitigen Wicklung des Transformators und Masse.

Den Iso-Buck kann man sich wie einen einfachen Abwärtswandler mit einer gekoppelten Induktivität und somit einer generierten, isolierten, Spannung vorstellen. Der blaue Rahmen in Bild 3 zeigt den kompletten Buck-Regler. Die Spannung an Cbuck entspricht der geregelten Spannung des integrierten Abwärtswandlers.

Vor- und Nachteile von No-Opto- und Iso-Buck-Regler

Beide dieser galvanisch getrennten Schaltregler-Konzepte kommen ohne eine Signalrückführung mit einem Optokoppler aus. Was sind nun die Vorteile der jeweiligen Lösung?

Der No-Opto-Regler (Bild 2) benötigt keinen größeren primärseitigen Stützkondensator (Cbuck) und wird intern mit einem Schalter betrieben. Dies spart Fläche im Schaltregler IC. Ein Iso-Buck-Konverter hat den großen Vorteil, dass eine sehr genau geregelte primärseitige Spannung zusätzlich zur Verfügung steht. Diese kann auch im System genutzt werden, um beispielsweise Elektronik von primärseitigen Schaltungsteilen mit Energie zu versorgen.

Hierbei ist zu beachten, dass diese so eingestellt werden muss, dass bei der Nutzung eines verfügbaren Transformators mit entsprechendem Wicklungsverhältnis, auch die gewünschte galvanisch getrennte Spannung Uout2 entsteht.

* Frederik Dostal arbeitet als Field Application Engineer für Power Management bei Analog Devices in München.

(ID:48102800)

Jetzt Newsletter abonnieren

Verpassen Sie nicht unsere besten Inhalte

Mit Klick auf „Newsletter abonnieren“ erkläre ich mich mit der Verarbeitung und Nutzung meiner Daten gemäß Einwilligungserklärung (bitte aufklappen für Details) einverstanden und akzeptiere die Nutzungsbedingungen. Weitere Informationen finde ich in unserer Datenschutzerklärung. Die Einwilligungserklärung bezieht sich u. a. auf die Zusendung von redaktionellen Newslettern per E-Mail und auf den Datenabgleich zu Marketingzwecken mit ausgewählten Werbepartnern (z. B. LinkedIn, Google, Meta).

Aufklappen für Details zu Ihrer Einwilligung