Kommunikations-IC Programmierbarer Breitband-Transceiver-IC für SDR
Oft nimmt man bei SDR Abstriche bei der Leistungsfähigkeit und bei den Funktionen zu Gunsten der Flexibilität in Kauf. Ein konfigurierbarer HF-Transceiver mit geringem Energieverbrauch setzt dem ein Ende.
Anbieter zum Thema

Der AD9361 ist ein programmierbarer Breitband-Transceiver-IC, der gegenüber anderen integrierten Lösungen eine hohe Flexibilität bietet. Bevor er auf den Markt kam, mussten die Entwickler auf universelle und teure Funk-ICs mit hohem Energieverbrauch oder auf preiswerte anwendungsspezifische Lösungen mit geringer Stromaufnahme zurückgreifen. Der AD9361 ist der erste Baustein, der beiden genannten Fällen gerecht wird.
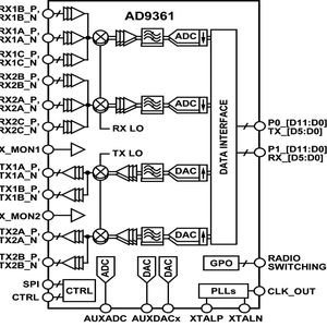
Der Chip deckt den HF-Frequenzbereich von 70 MHz bis 6 GHz ab, arbeitet mit Bandbreiten von 200 kHz bis 56 MHz und bietet zugleich eine hohe Leistungsfähigkeit. Das Bauteil enthält komplette Dual-TX- und RX-Pfade von HF-zu-Bits. Darüber hinaus verfügt er über hochlineare HF-Stufen mit hoher Verstärkung, moderne Wandler sowie komplett integrierte HF-Synthesizer.
Einer der Schlüssel für die HF-Flexibilität des AD9361 ist ein Achtfach-Abgleich-VCO, der den Frequenzbereich von 6 bis 12 GHz überstreicht. Bei der Entwicklung des VCO wurde auf ein sehr gutes Phasenrauschen geachtet, damit das Bauteil in vielen HF-Kommunikationsanwendungen eingesetzt werden kann. Der VCO, als Bestandteil einer PLL, dient als LO-Generator für das Bauteil. Dies ist einschließlich Loop-Filter-Komponenten im Bauteil enthalten.
Die zwei unabhängigen Empfänger mit direkter Wandlung weisen Rauschen und eine Linearität entsprechend dem aktuellen Stand der Technik auf. Jedes Empfänger-Subsystem enthält unabhängige AGC (Automatic Gain Control, automatische Verstärkungsregelung), DC-Offset-Korrektur, Quadratur-Korrektur und Digitalfilter. Damit können diese Funktionen im Prozessor des Kommunikationssystems entfallen. Die Empfängerpfade nutzen zweifache, zeitkontinuierlich arbeitende Sigma-Delta A/D-Wandler, die bis zu 640 MSample/s abtasten. Durch den Einsatz dieser A/D-Wandler kommt man je nach Anti-Aliasing-Fähigkeiten mit weniger hohen Filteranforderungen aus. Die Empfängerpfade bieten eine programmierbare Verstärkung von 0 bis etwa 70 dB bis zu 6 GHz.
Die Zweifach-Transmitter basieren auf einer Architektur mit direkter Wandlung. Diese erzielt eine hohe Modulationsgenauigkeit bei sehr geringem Rauschen. Die Transmitterschaltung produziert eine der in ihrer Klasse besten Übertragungs-Fehlervektor (EVM) von <−40 dB. Dies bedingt signifikante Systemreserven für die Wahl der externen Leistungsendstufe. Der integrierte Übertragungs-Leistungsmonitor kann als Leistungsdetektor verwendet werden. So lässt sich die Übertragungsleistung sehr genaue messen. Im Folgenden sind Anwendungsbeispiele beschrieben, in denen AD9361 eingesetzt werden kann.
Femto/USB-Dongle für 3G/4G-Mobilfunksysteme
3G- und 4G-Mobilfunksysteme arbeiten in verschiedenen Frequenzbändern von 450 MHz bis 3,8 GHz. Diese Systeme wurden auf einen hohen Datendurchsatz optimiert, um den Anforderungen der Nutzer nach möglichst schnellen Downloads zu genügen. Der 4G-Standard LTE erlaubt auch mehrere Kanalbandbreiten (1,4; 3; 5; 10; 15 und 20 MHz). Dies bedingt Systemkomponenten, die sich entsprechend dieser Anforderungen optimieren lassen.
In kleinen Geräten für die Mobilkommunikation wie Dongles für Datenkarten lassen Basisbandprozessor, Power-Management-Komponenten und HF Front-End-Komponenten nur sehr wenig Platz für den Rest des Funksystems. Der AD9361 ermöglicht die Entwicklung solcher Anwendungen mit kleinem Formfaktor, da er Wandler, Mischer, Analogfilter, Trägerfrequenzsynthesizer und andere Komponenten bereits im IC enthält.
Der schnell wachsende Femtozellen-Markt stellt auch die Entwickler von Funksystemen vor Herausforderungen. Femtozellen müssen normalerweise eine höhere Leistungsfähigkeit erreichen als Datenkarten. Dies gilt speziell in den Fällen, in denen die erforderliche Ausgangsleistung am Transmitter der Femtozellen-Werte in der Nähe von 2 W pro Antenne erreicht. Der AD9361 arbeitet mit analogen Vorverzerrungskomponenten, um Intermodulationsprodukte 3. oder höherer Ordnung aus dem Leistungsverstärker zu reduzieren. Dadurch erreicht die Femtozelle die Ausgangsleistung und erfüllt die Anforderungen des 3GPP-Standards.
Datenkarten sind für die Versorgung mit Batterien konzipiert und dürfen nur wenig Energie verbrauchen. Eine Femtozelle wird über Power-over-Ethernet-Kabel (PoE) versorgt und muss somit innerhalb der für die Leitung zulässigen Leistung bleiben. Aufgrund seines geringen Energieverbrauchs eignet sich der AD9361 für beide Anwendungsarten.
Breitband-Punkt-zu-Punkt-Funksysteme
Fast alle Mobilfunksysteme benötigen eine Netzübergangsstelle, um Verbindungen zwischen den einzelnen Komponenten im System zu vernetzen. In Mobilfunksystemen erfolgte dies leitungsgebunden (z.B. T1-Leitungen) oder über Glasfaserverbindungen zu den Basisstationen. In vielen Fällen befindet sich die Mobilfunkstation an einem Ort, an dem direkte Verbindungen nicht oder nur mit hohen Kosten realisierbar sind.
In diesen Fällen werden drahtlose Netzübergangsstellen genutzt, die mit einem breitbandigen Punkt-zu-Punkt-Funksystem arbeiten. Die Betriebsfrequenz für typische Punkt-zu-Punkt-Funksysteme erstreckt sich von 5 bis 38 GHz. Die Bandbreite reicht heute bis 56 MHz, sie soll auf 112 MHz und höher ausgeweitet werden. Zusätzlich erfolgt die Modulation bei Verfahren höherer Ordnung mit Systemen, die 256 QAM bieten und bis zu 512 und 1024 QAM hinaufgetrieben werden sollen.
Bei Betriebsfrequenzen unter 6 GHz eignet sich der AD9361 als hochintegrierte Lösung für ein Punkt-zu-Punkt-Funksystem, da er Bandbreiten bis 56 MHz unterstützt und genügend TX- und RX-Linearität (Sender- und Empfängerlinearität) für 256 QAM bietet. Für Betriebsfrequenzen oberhalb von 6 GHz kann der Baustein so konfiguriert werden, dass er die komplette ZF-Kette für ein Punkt-zu-Punkt-Funksystem bildet und so die Abmessungen und den Energieverbrauch des Systems reduziert.
Macro-BTS-HF und Hilfsmonitor-Funktion
Jeder Mobiltelefonnutzer erwartet eine 100%-Abdeckung für 24 Stunden am Tag. Im Hinblick auf die Zuverlässigkeit stellt dieses Szenario hohe Anforderungen an die Mobilfunk-Infrastruktur. Die heutigen Mobilfunk Macro-Basisstationen (Macro BTS) benötigen eine konstante Überwachung, um den Betrieb sicherzustellen und eine sinkende Leistungsfähigkeit oder alternde Systemkomponenten zu detektieren.
Dies erfolgt, indem man Messblöcke an unterschiedlichen Punkten in der Signalkette anbringt und Daten für Analysen erfasst. Mit diesen Telemtriedaten lassen sich Fehler vorhersagen und beheben, bevor das System komplett ausfällt. Ferner ist mit ihrer Hilfe eine schnelle Reparatur bei Ausfall eines Systems möglich, da der betreffende Fehlerbereich angezeigt wird.
Auch für derartige Telemetrieanwendungen ist der Chip geeignet. Aufgrund des großen Frequenzbereichs werden alle Mobilfunk-Frequenzen abgedeckt. Alle Frequenzänderungen werden über Software-Einstellungen im Bauteil gesteuert. Darüber hinaus hat jeder Empfänger und Übertrager je drei programmierbare Eingänge/Ausgänge. Dies ermöglicht mehrere Überwachungsstellen in den Macro-BTS-Signalketten.
Da der AD9361 in Hinblick auf MIMO 4G-Systeme entwickelt wurde, enthält er je zwei Empfangs- und Übertragungspfade, wodurch er sich für Telemetrie-Anwendungen in 4G-Macro-BTS-Systemen eignet. Bei Telemetriesystemen werden die Sendefunktionen des Bauteils normalerweise für die Signalerzeugung verwendet. Dadurch lassen sich Einton- oder komplexe Signale für den Signalpfad-Test einbringen, die für das Monitoring offline gesetzt werden können.
Welche Funktionen sich überwachen lassen
HF-Funktionen, die im Empfangspfad einer Macro BTS überwacht werden, sind LNA-Verstärkerstufen sowie mögliche Fehlanpassungen zwischen Front-End-Antennen- und Filterkomponenten. Damit lassen sich Einstellungen in Echtzeit zur Leistungsoptimierung durchführen. Die Überwachung von Verstärkungsstufen im Sendepfad ermöglicht ebenfalls Leistungskorrekturen in Abhängigkeit von Temperatur und Alterung.
Zusätzlich beinhaltet der AD9361 einen Hilfs-A/D-Wandler und zwei Hilfs-D/A-Wandler. Per Software lassen sich damit viele statische Funktionen in der Macro BTS überwachen bzw. korrigieren. Dazu gehören das Messen von Biasströmen oder Spannungen für die verschiedenen HF-Stufen (LNA, PA etc.) sowie deren Einstellung mit den programmierbaren Hilfs-DAC-Ausgängen.
Mit diesen Hilfsfunktionen lassen sich auch Biasströme der Stromversorgung für verschiedene Bereiche in der Basisstation messen und korrigieren. Der Hilfs-ADC kann für diese Messungen mit einem im Chip enthaltenen Halbleiter-Temperatursensor programmiert werden. Damit sind Temperaturmessungen in der Basisstation mit der Abbildung der Telemetriedaten über Zeit- und Temperaturänderungen möglich.
Der Baustein enthält auch vier universelle Digitalausgänge (GPO), die je nach Programmierung mit Hilfe des internen SPI-Busses geschaltet werden. Die GPO können verwendet werden, um per Software verschiedene Monitor-Schalter in der Macro-BTS-Signalkette oder verschiedene Testsignale ein- und auszuschalten.
Bild 3 zeigt ein typisches Macro-BTS-Blockdiagramm. Zu sehen sind Punkte, die Signale mit Hilfe des AD9361 im System überwachen/steuern können.
* Patrick Wiers arbeitet als Senior Applikationsingenieur bei Analog Devices in Wilmington, USA.
(ID:42242284)