HF-MEMS-Varactoren Mobiltelefone fein abgestimmt
Mobiltelefone werden immer kompakter und ihre Funktionen umfangreicher. Dabei stoßen herkömmliche, sensible Antennensysteme an ihre grenzen. Mit HF-MEMS lässt sich die Sende- und Empfangsqualität von Mobiltelefonen entscheidend verbessern und gleichzeitig die Lebensdauer der Batterie um bis zu 25% steigern.
Anbieter zum Thema
Bei der Entwicklung neuer Mobiltelefone gilt die Vorgabe, immer mehr Frequenzbänder und Betriebsmodi zu integrieren und dabei die Leistungsaufnahme zu minimieren. Nur so wird es möglich, mit einem Mobiltelefon weltweit alle Standards abzudecken. 2008 waren elf Frequenzbänder für W-CDMA-Systeme im Einsatz, fünf davon werden auch für GSM genutzt.
Die aufgelisteten Frequenzbänder werden in den unterschiedlichen Regionen Europas, Asiens und der USA genutzt. Die Kombination der Bänder erlaubt den Einsatz eines Mobiltelefons in allen Regionen. Das Zusammenspiel der Bänder und Betriebsmodi erfordert komplexe HF-Frontends, da jedes Frequenzband eine individuelle Hardware benötigt. Dadurch steigt die Zahl der erforderlichen Bauelemente sowie der Platzbedarf auf der Leiterplatte. Auch die Verlustleistung des HF-Frontends nimmt zu.
Gleichzeitig werden die Mobiltelefone mit immer mehr Zusatzfunktionen wie Kamera, MP3-Player, Radio und TV-Tuner ausgestattet. Da die Designs der Mobilfunkgeräte auf immer weitere Miniaturisierung ausgerichtet sind, müssen auch die in die Telefone integrierten Antennen immer kleiner werden.
Telefonnutzer verstimmt Antenne

Derzeit werden dafür hauptsächlich Planarantennen verwendet, die als Serienresonanzschaltung funktionieren. Der Nachteil dieser Antennen besteht darin, dass ihr Nahfeld sehr empfindlich auf äußere Einflüsse wie die Wechselwirkung mit dem Telefonbenutzer reagiert. Die Folge sind erhebliche Änderungen der Antennenimpedanz, die starke Auswirkungen auf die Sende- und Empfangsqualität haben. Unterschiedliche Ausführungen der Telefone wie Flip- oder Slider-Phone, bewegliche Tastaturen und Displays gestalten die Abstrahlungsperformance noch komplizierter. Der Grund dafür: Die veränderten Masselasten beeinflussen die Impedanz der Antenne ebenfalls.
Bild 1 zeigt ein Beispiel für das Verhalten der Antennen-Eingangsimpedanz durch eine Wechselwirkung mit dem Nutzer. Dessen Hand im Strahlungsfeld der Antenne bewirkt die Senkung der Resonanzfrequenz der Antenne; die Antenne ist verstimmt.
Moderne Antennen werden daher mit solchen Eingangsimpedanzen entwickelt, dass sie selbst unter den schlechtesten Bedingungen ein Stehwellenverhältnis (VSWR) von maximal 3,5:1 haben. Das entspricht einem Verlust von etwa 1,6 dB oder 30% reflektierter Leistung an der Antenne. Berücksichtigt man auch noch die größere Zahl von Duplexern und die entsprechenden Schalter, ergeben sich im gesamten Frontend einschließlich Antenne Verlustleistungen, die die Standby-Zeit der Batterie deutlich senken.
Feste und abstimmbare Anpassungsnetzwerke
Die bisher verwendeten festen Anpassungsnetzwerke (Fixed Matching Networks) zwischen HF-Frontend und Antenne ermöglichen lediglich die Anpassung von genau definierten Antennenimpedanzen. Sie dienen auch dazu, kleine Veränderungen der Antennenimpedanz zu kompensieren.
Große Impedanzänderungen wie beispielsweise die Veränderungen des Wirkwiderstands der Impedanz einer Antenne um den Faktor vier oder die Anhebung des Blindwiderstands von 3 auf bis zu 50 Ω lassen sich mit einer Festanpassung nicht kompensieren.

Abstimmbare Anpassungsnetzwerke schaffen hier Abhilfe. Sie haben den entscheidenden Vorteil, dass sich ihr Impedanzverhalten verändern lässt. Implementiert man zusätzlich eine Rückkopplungsregelung, kann das gesamte System adaptiv auf alle Impedanzänderungen der Antenne reagieren. Eine derartige adaptive Abgleicheinheit besteht aus vier Funktionseinheiten (Bild 2).
Das Funktionsprinzip: Der Detektor misst zunächst das übertragene HF-Signal. Aus diesem Wert berechnet ein Algorithmus in Echtzeit, ob und welche Veränderungen in der adaptiven Anpassungsschaltung der Antenne nötig sind, und gibt diese Information an einen DC/DC-Controller weiter. Dieser Treiber stellt die erforderlichen Spannungen am Aktuator (Varactor) ein und erzwingt die Veränderung der Impedanzanpassung, die durch das Variieren der Kapazität des Varactors erfolgt. Dieser Vorgang wird schrittweise wiederholt, bis die gewünschte Impedanz von beispielsweise 50Ω erreicht ist. Alle vier für den Prozess nötigen Funktionseinheiten lassen sich in einem HF-Modul integrieren.
Die derzeit verwendeten Varactoren basieren auf vier unterschiedlichen Technologien: BST, CMOS, Varactoren auf Halbleiterbasis und HF-MEMS.
Vorteile der HF-MEMS-Technologie
Im Vergleich zu konkurrierenden Varactor-Technologien haben HF-MEMS viele Vorteile. Bedeutend sind vor allem Linearität und Leistungsbeständigkeit. Darüber hinaus bieten HF-MEMS einen größeren Abstimmbereich, sodass diese Technologie in einer Vielzahl von Anwendungen universeller einsetzbar ist.

Epcos verwendet einen elektrostatisch veränderbaren kapazitiven HF-MEMS-Schalter (Bild 3). Durch Anlegen einer Gleichspannung schaltet eine bewegliche Platte – die Top-Elektrode – zwischen den Zuständen „geöffnet“ und „geschlossen“ um. Im geschlossenen Zustand berührt die Top-Elektrode eine dielektrische Schicht. In Kombination mit einer Bodenelektrode (Bottom-Elektrode) sorgt dies für eine Kapazität von einigen Pikofarad. Im geöffneten Zustand ist die Kapazität mit einigen wenigen Femtofarad dagegen sehr klein. Der HF-MEMS-Schalter sorgt also für ein Umschalten zwischen den beiden Zuständen „große Kapazität“ und „kleine Kapazität“. Die Beziehung zwischen beiden Zuständen trägt die Bezeichnung Ein-/Ausschalt-Verhältnis (On-/Off-Ratio).

Die Güte Q eines einzelnen kapazitiven HF-MEMS-Schalters liegt im Fall von 1 GHz bei 250 (Bild 4). Dieser Wert übertrifft die Ergebnisse anderer Technologien um den Faktor drei bis fünf.

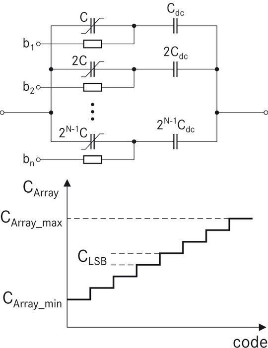
Zur Realisierung eines schaltbaren Kapazitäts-Arrays werden mehrere Schalter parallel zueinander verbunden (Bild 5). Der Schaltvorgang ist in der Regel binär codiert. Der Einsatz von fünf Schaltern macht 32 unterschiedliche Kapazitätswerte möglich. Da das Ein-/Ausschalt-Verhältnis des einzelnen MEMS-Elements groß ist, lassen sich auch große Abstimmverhältnisse erzielen.
Das Gesamtabstimmverhältnis beträgt etwa 10:1. Ein derartig hoher Wert lässt sich mit BST (Barium-Strontium-Titanat) oder Varactoren auf Halbleiterbasis – beispielsweise mit Bauelementen, die hyperabrupt dotiert sind – nicht erzielen.
Erster Prototyp erfolgreich getestet

Mithilfe eines Demonstrators wurde die Funktionalität der adaptiven Anpassungsschaltung für die Antenne untersucht (Bild 6). Dieser besteht aus den in Bild 2 dargestellten Funktionseinheiten, die in einem Modul integriert sind.
Ein einfaches, in Reihe geschaltetes LC-Anpassungsnetzwerk kompensiert den imaginären Anteil der Variationen in der Antennenimpedanz. Dafür wird ein binär gewichtetes 5-Bit-HF-MEMS-Array verwendet. Ein Hochspannungstreiber erzeugt die MEMS-Vorspannungen, die Informationen über Fehlabgleichungen werden aus der Phase der angepassten Eingangsimpedanz ermittelt. Eine Rückkopplungsschleife regelt die angepasste Eingangsimpedanz auf den gewünschten Wert.

Im Beispiel wurde der Steuerungsalgorithmus per Hardware realisiert. Will man die Flexibilität erhöhen, lässt sich der Algorithmus in einem Mikrocontroller programmieren. Bild 7 zeigt die gemessenen Veränderungen einer PIFA (Planar-Inverted F-Antenna), die durch den Anwender hervorgerufen wurden.
Die Auswahl einer geeigneten Antenne erlaubt es, ausschließlich den imaginären Teil (Reaktanz) der Eingangsimpedanz zu verändern – dadurch bleibt der Realteil (Ohmscher Anteil) annähernd konstant. Die Antenne erhält durch die Interaktionen der Anwender eine induktivere Charakteristik, sodass sich die Resonanzfrequenz verändert. Ein in Reihe geschaltetes kapazitives HF-MEMS-Array mit einem Abstimmverhältnis von ungefähr 10:1 kann das stark induktive Verhalten kompensieren und so die Antennenimpedanz korrigieren.

Bild 8 zeigt die korrigierte Antennenimpedanz (blau). Ohne adaptive Antennenanpassung wäre die Impedanz stark induktiv (rot). In Bild 8 bewegt sich die Impedanz der nicht angepassten Antenne zwischen 50 und 50 ? (1+j) Ω, was einem VSWR-Wert von 1:1 beziehungsweise 2,6:1 entspricht. Bei einem VSWR-Wert von 2,6:1 werden bereits 20% der Leistung reflektiert und in Wärme umgewandelt. Diese Verlustleistung verkürzt die Lebensdauer der Batterie erheblich.
Eigenständige Funktion durch Mikrocontroller

Die Nutzung einer adaptiven Antennen-Anpassungseinheit gleicht das VSWR auf Werte von ungefähr 1,2:1 ab, das entspricht einer reflektierten Leistung von rund 1%. Tabelle 1 zeigt die Zusammenfassung der gemessenen Performance. Die Gesamtleistungsaufnahme des adaptiven Tuners beträgt derzeit etwa 4,4 mW, lässt sich künftig aber auf Werte von unter 1 mW verringern.
Der nächste Schritt ist das Design einer Plattform für zukünftige Antennen-Anpassungsmodule. Diese Plattform wird in ihrem ersten Aufbau von einem Mikrocontroller gesteuert werden. Dadurch ist gewährleistet, dass das adaptive Antennen-Anpassungsmodul in einem Standardmobiltelefon eigenständig funktioniert und arbeitet. Das Abstimmungsnetzwerk wird komplexer sein, um so einen größeren Abstimmbereich zu erzielen und eine größere Anzahl unterschiedlicher Antennentypen bedienen zu können. Darüber hinaus werden die Verlustleistung sowie der Platzbedarf minimiert.
*Dr. Edgar Schmidhammer ist Vice President R&D, SAW Mobile Communication und Maurice de Jongh ist Senior Scientist, Product Development SAW Mobile Communication bei Epcos.
(ID:272966)