Analogtipp Massebezogene in differenzielle Signale bei Präzisionsverstärkern umsetzen
Dieser Schaltungstipp beschreibt eine hochgenaue Schaltung, die massebezogene in differenzielle Signale umsetzt und die Programmierung der Verstärkung über Widerstände ermöglicht.
Anbieter zum Thema

Viele Anwendungen wie zum Beispiel Treiberschaltungen für moderne A/D-Wandler oder die Übertragung von Signalen über verdrillte Zweidrahtleitungen sowie Schaltungen zur Aufbereitung von HiFi-Audiosignalen benötigen differenzielle Signale um bessere Signal/Rausch-Verhältnisse, eine höhere Gleichtaktrauschimmunität und geringere Verzerrungen der zweiten Harmonischen zu erzielen. Aufgrund dieser Anforderungen ist eine Schaltung erforderlich, die massebezogene in differenzielle Signale (Single-Ended/Differential) wandeln kann.
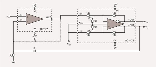
Für viele Anwendungen reicht ein genauer, komplett differenzieller Verstärker mit geringer Leistungsaufnahme und integrierten Präzisionswiderständen wie der AD8476 völlig aus, um massebezogene in differenzielle Signale zu wandeln. Bei Applikationen, die eine höhere Genauigkeit verlangen, kann ein Präzisions-Operationsverstärker des Typs OP1177 mit dem AD8476 kaskadiert werden (Bild 1). Dieser „Single-Ended/Differential“-Wandler verfügt über Eigenschaften wie eine sehr hohe Eingangsimpedanz, ein Biasstrom von max. 2 nA, eine Offsetspannung von max. 60 µV und eine Offsetspannungsdrift von max. 0,7 µV/°C.
In dieser Rückkopplungsanordnung mit zwei Verstärkern bestimmt der Operationsverstärker (OPV) die Genauigkeit sowie das Rauschverhalten der Schaltung, während der differenzielle Verstärker die Wandlung „massebezogen/differenziell“ durchführt. Die Rückkopplung unterdrückt die Fehler des AD8476 – einschließlich Rauschen, Verzerrung, Offset und Offsetdrift – indem sie den differenziellen Verstärker in die Rückkopplungsschleife des Operationsverstärkers einbindet. Die hohe Verstärkung des OPV bei offener Regelschleife übersteigt die des differenziellen Verstärkers. Somit dämpft die Rückkopplung die Fehler des AD8476 um die offene Schleifenverstärkung des Operationsverstärkers bezogen auf den Eingang.
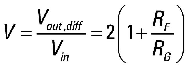
Die Verstärkung (V) des „Single-Ended/Differential“-Wandlers in Bild 1 wird durch die externen Widerstände RF und RG eingestellt. Es gilt Gleichung 1.
Eine minimale Verstärkung von zwei kann erzielt werden, indem man RF überbrückt und RG herausnimmt.
Wie bei allen Rückkopplungen muss auf die Stabilität des Systems geachtet werden. Die Kaskade aus OP1177 und AD8476 bilden einen Operationsverstärker mit zusammengesetztem differenziellen Ausgang, dessen Schleifenverstärkung über die Frequenz dem Produkt der offenen Schleifenverstärkung des OP1177 und der geschlossenen Schleifenverstärkung des AD8476 entspricht.
Daher verursacht die Bandbreite des AD8476 bei geschlossener Regelschleife eine Polstelle in der Übertragungsfunktion zur offenen Schleifenverstärkung des OP1177. Um die Stabilität sicherzustellen, sollte die Bandbreite des AD8476 höher als die Frequenz des OP1177 bei Eins-Verstärkung sein.
Diese Anforderung wird erleichtert, wenn die Schaltung eine geschlossene Schleifenverstärkung von mehr als 2 aufweist, da das Widerstands-Rückkopplungsnetzwerk die Eins-Verstärkungsfrequenz des OP1177 um den Faktor RG/(RG+RF) effizient reduziert. Da der AD8476 eine Bandbreite von 5 MHz aufweist und der OP1177 eine Eins-Verstärkungsfrequenz von 1 MHz bietet, zeigt die Schaltung in Bild 1 bei beliebiger Frequenz keine Stabilitätsprobleme.
Beim Einsatz eines Operationsverstärkers, der eine wesentlich größere Eins-Verstärkungsfrequenz als die Bandbreite des differenziellen Verstärkers aufweist, kann ein die Bandbreite begrenzender Kondensator CF in die Schaltung integriert werden (Bild 1). Der Kondensator CF bildet mit dem Rückkopplungswiderstand RF einen Integrator. Die Bandbreite (BW) der gesamten Schaltung wird somit nach Gleichung 2 bestimmt.
Falls diese reduzierte Bandbreite niedriger als die Bandbreite der geschlossenen Regelschleife des differenziellen Verstärkers ist, verhält sich die Schaltung stabil. Diese die Bandbreite begrenzende Technik kann auch bei einer Verstärkung von 2 verwendet werden, indem man RG herausnimmt. //
* * Sandro Herrera und Moshe Gerstenhaber arbeiten als Applikationsingenieure bei Analog Devices in Wilmington/USA.
(ID:34984180)

