LED-Stromversorgung Besserer Wirkungsgrad einer LED-Stromversorgung
Mit einem LLC-Wandler soll sich das Design von wirkungsgradstarken Stromversorgungen für Straßenbeleuchtungen mit LEDs vereinfachen.
Anbieter zum Thema

Außenbeleuchtungen auf LED-Basis erfordern eine geregelte AC/DC-Stromversorgung mit einer Ausgangsleistung zwischen 1 und über 500 W, die Abhängig von der Anwendung ist. Damit sich die Investition rechnet, muss die Stromversorgung genauso wie die Lichtquelle einen sehr hohen Wirkungsgrad und eine lange Lebensdauer aufweisen. Die eigentliche LED sollte schon aus Kostengründen eine lange Lebensdauer haben. Da Straßenbeleuchtungen oft sehr schwer zugänglich sind, wirkt sich eine lange Lebensdauer hier ebenfalls positiv aus.
Für dieses Umfeld bietet ein LLC-Wandler, der mit einer energieeffizienten PFC-Aufwärtswandlerstufe kombiniert ist, bei Ausgangsleistungen von über 100 W den höchsten Wirkungsgrad. Um ein zuverlässiges Design zu erhalten, müssen allerdings einige spezifische Herausforderungen beachtet werden.
Bei einem LLC handelt es sich um einen Resonanzwandler mit einem Halbbrückenschalter, der in Serie mit einem Schwingkreis liegt. Bei einem LLC-Wandler bilden der "obere" und der "untere" Treiber zusammen eine Halbbrückenschaltung, die über einen Serienkondensator mit einem Transformator verbunden ist. Der Kondensator bildet zusammen mit der Induktivität des Transformators die resonante Last. Die beiden Treibertransistoren der Halbbrücke leiten abwechselnd, mit einer kleinen Totzeit zwischen den leitenden Phasen.
Schwankungen der Treiber-Parameter und parasitäre Elemente an den Gates der Halbbrücken-MOSFETs können Timing-Fehler verursachen. Diese können zur Folge haben, dass beide MOSFETs gleichzeitig leiten (Shoot-through) und dadurch zerstört werden (Bild 1). Das Risiko eines Shoot-through ist der wichtigste Faktor, der die Schaltfrequenz von LLC-Wandlern nach oben hin begrenzt.
Parameterschwankungen besser kontrollieren
Power Integrations geht mit seiner Produktfamilie HiperLCS dieses Problem an. Die ICs vereinen in einem monolithischen IC alle Funktionsblöcke und Schutzschaltungen, die für einen LLC-Wandler benötigt werden, und ermöglichen Ausgangsleistungen bis 440 W. Die ICs enthalten zwei 530-V-Leistungs-MOSFETs, die beiden Treiber, einen LLC-Controller sowie Schaltungen für Unter- und Überspannungsabschaltung und Brown-in/brown-out-Schutz.
Bei HiperLCS-ICs sind die Ausgangs-Leistungs-MOSFETs, die Treiber, der Pegelumsetzer und der Controller auf ein und demselben Chip untergebracht. Dadurch lassen sich die Parameterschwankungen des gesamten Systems besser kontrollieren und parasitäre Elemente kompensieren. Außerdem werden die Totzeit und die Tastverhältnissymmetrie bei jedem einzelnen IC während der Fertigung getrimmt; dadurch bleibt der Tastverhältnissymmetriefehler innerhalb von ±1%. Die genaue Kontrolle des Treiber-Timings ist Vorraussetzung, um die HiperLCS-ICs mit einer Schaltfrequenz von 500 kHz im kontinuierlichen Normalbetrieb und einer maximalen Schaltfrequenz von 1 MHz zu betreiben. Diese hohe Schaltfrequenz ist wichtig, um preiswertere SMD-Keramikkondensatoren statt sperriger Elektrolytkondensatoren im Ausgangskreis zu verbauen. Keramikkondensatoren werden in Anwendungen wie Flutlichtanlagen bevorzugt, weil sie keine Parameterdrift aufweisen und nicht zu vorzeitigen Ausfällen neigen – im Gegensatz zu Elektrolytkondensatoren, die bei hohen Temperaturen schnell ausfallen können. Ein weiterer Vorteil der hohen Schaltfrequenz besteht darin, dass wesentlich kleinere Transformatoren und Ausgangsinduktivitäten verwendet werden können. Damit sind flache Designs mit einer Höhe von 11 mm möglich. Die Tastverhältnis-Trimmung gewährleistet eine nahezu perfekte Tastverhältnissymmetrie an den Ausgangsdioden und den beiden Hälften der Sekundärwicklung des Transformators. Dadurch kann auf eine Überdimensionierung der Ausgangsdioden zum Ausgleich von Strom-Unsymmetrien verzichtet werden.
Die zwei Nutzungsarten derHiperLCS-Bausteine
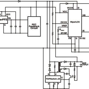
Bei unsymmetrischem Tastverhältnis müssen die Ausgangsdioden für den Worst-Case-Spitzen stromdimensioniert werden. Auch der Transformator muss für den höheren der beiden Ströme ausgelegt werden. Zudem würde der Wirkungsgrad leiden, weil die höheren Spitzenströme höhere Durchlassverluste (I²R) zur Folge hätten. Das Bild 2 zeigt die wesentlichen Elemente einer vollständigen Stromversorgung mit einem HiperLCS-IC als Ausgangsstufe. Am AC-Eingang sorgt ein CAPZero-IC dafür, dass bei anliegender Nennspannung der Stromfluss durch die X-Kondensator-Entladewiderstände unterbrochen wird. Das spart zusätzlich Energie. Das HiperPFS-IC hat eine Leistungsfaktorkorrekturschaltung und liefert 380 VDC an die HiperLCS-Ausgangsstufe. Die ICs der Familie TOPSwitch-JX zeichnen sich durch geringen Standby-Stromverbrauch aus und haben zwei Funktionen: Erstens ist es mit ihnen möglich, die Hauptstromversorunge ferngesteuert ein- und auszuschalten, und zweitens liefert der IC während der Zeit, da sich die Hauptstromversorgung im Standby-Betrieb befindet, eine Betriebsspannung von 12 VDC für die HiperPFS- und HiperLCS-ICs.
Die beiden Nutzungsarten der HiperLCS-ICs
HiperLCS-ICs bieten zwei Nutzungsarten. Die Resonanzsteuerungsschaltung zeichnet sich durch geringe Leistungsverluste aus und ermöglicht Designs mit Wirkungsgraden von über 97% bei einer Schaltfrequenz von 66 kHz (Nennwert). Wenn es in erster Linie auf geringe Kosten und kleine Abmessungen ankommt, muss man mit einer hohen Schaltfrequenz arbeiten. Die hier vorgestellte Lösung bietet bei einer hohen Schaltfrequenz immer noch einen hohen Wirkungsgrad, beispielsweise 96% bei 250 kHz – der Frequenz, bei der die Schaltung die maximale Ausgangsleistung abgeben kann. In Kombination mit einem HiperPFS-Eingangsteil für die Leistungsfaktor (Bild 2) bietet das Design einen Gesamtwirkungsgrad von über 89% bei Volllast.
Artikelfiles und Artikellinks
(ID:38367690)