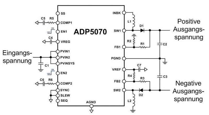
Wie sich bipolare Spannungen störungsarm erzeugen lassen

Zurück zum Artikel