Relay What requirements do relays in e-mobiles have to fulfill
Today e-mobility is one of the main topics in the automotive industry, because it stands for lower emissions, higher energy efficiency and the option to provide new high performance functions for passenger comfort.
Anbieter zum Thema

There are currently only a few DC voltage applications above 60 V in electric vehicles. However, compared to low voltage, these require more demanding insulation, which for switching functions, can be best realized via electromagnetic contactors. This includes DC rapid charge, precharge and main contactor applications. The two latter mentioned are included in the BDU (Battery Disconnect Unit), which protects the battery through load current measurement and regulation of the energy distribution in precharge and operating mode and triggers emergency shutdown in the event of a fault.
Since much higher load voltages (max. 500 VDC for passenger vehicles and max. 900 VDC for trucks) and implicitly higher power compared to 12 and 24 VDC standard applications are used, all three DC applications have the vehicle load voltage class B according to ISO 6469-3 (Electrically propelled road vehicles -- Safety specifications -- Part 3: Protection of persons against electric shock). These applications place new demands with regard to continuous and short-time current carrying capacity as well as making and breaking capacity of heavy-duty contactors.
In order to achieve the necessary retention forces for continuous and short-time current carrying capacity, high-performance coils are used in the contactors. In addition, magnets are used in larger and optimized contact cavities for arc extinguishing during disconnection. For this purpose, more space and material is required compared to relays for 12 and 24 VDC applications, which inevitably leads to higher manufacturing costs.
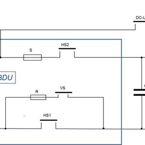
BDU with different switching sequences
As shown in Figure 1, the BDU contains two main contactors (HS1 and HS2), one precharge contactor (VS), one current sensor (SS), one precharge resistor (R) and the appropriate main fuse (S).
In order to prevent a risk of electric shock and functional reliability restrictions, ISO 6469-3 specifies clearances and creepage distance to be maintained according to IEC 60664-1. It also permits as an alternative, testing of the dielectric resistance and strength after conditioning under Worst Case ambient conditions in conjunction with load tests. This alternative course is described in more detail below. These requirements apply to both open circuits as well as circuits against each other (e.g. load circuit against control circuit). Testing of the dielectric resistance and strength is therefore an integral part of all load and overload tests.
(ID:43229171)