DC-Grids bieten in der industriellen Energieversorgung gegenüber Wechselstrom erhebliche Vorteile, wie höhere Energieeffizienz und einfache Integration von Batteriespeichern und regenerativer Energiequellen. Eine Schlüsselrolle für die Funktionalität der Gleichstromnetze nehmen dabei DC/DC-Wandler ein. Doch: Welcher ist für welche Anwendung der Richtige?
Bild 1: Der Frequenzumrichter erzeugt durch Wechselstrom mittels Gleichrichter einen Gleichspannungszwischenkreis.
(Bild: Querom)
Der Leitsatz „Never change a running system“ ist in der Industrie äußerst beliebt, aber – in Bezug auf die industrielle Energieversorgung – nicht mehr zukunftssicher. In Zeiten energiepolitischen Umdenkens sowie einem technologischen Entwicklungssprung bei der Energiespeicher- und Leistungselektronikentwicklung ist diese Haltung inzwischen überholt. Denn neben einer deutlichen Reduktion von Kosten und einer Einsparung des Energiebedarfs ist eine über Gleichstrom versorgte Produktion hinsichtlich schwankender Netzqualität robuster und in der Lage, flexibler auf wechselnde Energieangebote zu reagieren als ein Wechselstromnetz.
Betrachtet man die Hauptverbraucher von elektrischer Energie in der Industrie genauer, werden die Vorteile von industriellen Gleichspannungsnetzen schnell offensichtlich: Mit etwa 70 Prozent des Stromverbrauchs stellen Elektromotoren den größten Energiebedarf in der Produktion dar – und bieten durch DC-Grids die höchsten Einsparungspotenziale.
Für einen drehzahlgeregelten Betrieb eines Drehstrom-Elektromotors ist ein Frequenzumrichter notwendig. Aus dem Wechselstrom versorgt, generieren diese Frequenzumrichter mittels eines Gleichrichters einen Gleichspannungszwischenkreis (Bild 1). Aus diesem Zwischenkreis erzeugt ein Wechselrichter dann die notwendige Wechselspannung mit der entsprechenden Frequenz und Spannung für den Motor. Hieraus ergeben sich zwei grundlegende Probleme:
In AC-Grids erzeugen Frequenzumrichter bei Gleichrichtung der Wechselspannung Oberschwingungen, welche das Versorgungsnetz verzerren. Netzfilter wirken dagegen, verursachen aber Kosten und benötigen Platz. Die für Gleichrichter und Filter notwendige Elektronik erhöht zum einen die Kosten, zum anderen ist eine effiziente Integration der Elektronik auf dem Motor nicht möglich. Daher werden die Frequenzumrichter bisher meist in Schaltschränken untergebracht, was ebenfalls Kosten und Wirkungsgrad-Einbußen verursacht (Bild 1).
Ein weiterer Nachteil tritt beim Bremsbetrieb des AC-Elektromotors auf, wenn sich die Richtung des Energieflusses ändert. Der Gleichrichter im Frequenzumrichter ermöglicht keine Rückführung in das Wechselspannungsnetz, was eine Ableitung der Energie aus dem Gleichspannungszwischenkreis erforderlich macht. Gewöhnlich erfolgt diese Energieableitung über einen extern zugeschalteten Bremswiderstand, der die elektrische Energie in Wärme wandelt – die aber nicht weiter genutzt werden kann, sondern oft sogar mit weiterem Aufwand abgeführt werden muss.
DC/DC-Wandler für DC-Grid
Der Schlüssel zu einer wettbewerbsfähigen europäischen Industrie liegt in der besseren Nutzung teurer Energie. Gleichstromnetze (DC-Grid) bieten deutliche Effizienzvorteile gegenüber klassischen Wechselstromnetzen und erlauben die einfache Integration von Batteriespeichern und erneuerbaren Energiequellen. Doch die Umsetzung auf Gleichstromnetze stellt Ingenieure vor eine Herausforderung: Die Schlüsselkomponenten sind leistungselektronische DC/DC-Wandler, die die unterschiedlichen Spannungsebenen im Netz koppeln. Je nach Anwendungsfall kommen verschiedene Wandlertopologien zum Einsatz. Denn die Vielfalt reicht von einfachen Auf- und Abwärtswandlern bis zu komplexen, mehrstufigen Topologien mit galvanischer Trennung, ausgeführt als Phase shifted Fullbridge oder LLC-Resonanzwandler. Welche Kriterien sind für die Auswahl entscheidend?
Auslegung einer DC-Versorgung
Von zentraler Bedeutung ist die Wahl geeigneter Spannungsniveaus des Versorgungsnetzes. Die gewählte Spannung sollte nicht zu hoch sein, um die Anforderungen an die angeschlossene Elektronik und die Schutzeinrichtungen nicht übermäßig ansteigen zu lassen. Andererseits sollte sie auch nicht zu niedrig sein, um die Übertragung hoher Leistungen mit kleinen Strömen und akzeptablen Leitungsquerschnitten zu ermöglichen.
Hier arbeitet auch die Open DC Alliance (ODCA by ZVEI) an einer standardisierten Etablierung der Gleichstromtechnik und bietet mit ihrem „DC-Industrie2 System Concept“ ein wichtiges Werkzeug. Die ODCA hat sich auf die Fahne geschrieben, die DC-Technologie und deren verstärkten Einsatz in der Energieversorgung zu unterstützen.
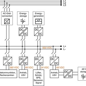
In einem DC-Grid weist die Energieversorgung in aller Regel unterschiedliche Spannungsniveaus auf (Bild 2). Diese Vielfalt ist auf die unterschiedlichen Anwendungen und Übertragungsdistanzen sowie die erleichterte Integration erneuerbarer Energien zurückzuführen. Um diese verschiedenen Sektoren zu verknüpfen, bedarf es speziell ausgelegter DC/DC-Wandler.
Zusammenfassend hat der Übergang von einer AC- Versorgung zu einem DC-Grid also vor allem Effizienzvorteile, die jedoch durch eine geeignete Ausgestaltung der beteiligten DC/DC-Wandler ausgeschöpft werden müssen. Hier kommen wir zu der eingangs gestellten Frage zurück: Welcher Typ DC/DC-Wandler ist an welcher Stelle passend?
DC/DC-Wandler-Topologien für die Kopplung der DC-Netze
Für die Kopplung der DC-Netze ist die Wahl der geeigneten DC/DC-Wandler-Topologie entscheidend – und die hängt von verschiedenen Kriterien ab. Grundsätzlich bestehen DC/DC-Wandler immer aus einer Kombination von Transistoren, Induktivitäten und Kondensatoren, die abhängig der Verschaltung sowie spezifischer Komponenten, unterschiedliche Eigenschaften wie Spannungs- und Leistungsbereich, Isolationsgrad sowie Energieflussrichtung aufweisen.
Unabhängig der Topologie ist eine Absicherung in Form eines DC-Breakers zwischen dem DC/DC-Wandler und DC-Netz zwingend erforderlich. Ein DC-Breaker, dessen Funktionsweise auf schaltenden Elementen wie Halbleitern, gegebenenfalls in Kombination mit Relais, beruht, trennt im Fehlerfall einzelne Sektoren vom DC-Grid. Damit wird ein geregelter Betrieb der nicht betroffenen Sektoren gewährleistet. Eine große Herausforderung ist dabei die Lichtbogenlöschung und die Kontrolle von auftretenden Inrush-Strömen, die beim Zuschalten von Spannungsschienen auftreten können.
Anschluss von Endgeräten
Die grundlegende Planung und Auslegung einer DC- Industrieanlage wird in der Regel von entsprechend qualifizierten Ingenieurbüros übernommen und soll hier nicht weiter erörtert werden. Diese berücksichtigen neben der bereits genannten Lastverteilung und Dimensionierung auch die Integration erneuerbarer Energiequellen sowie deren Speicherung, die Redundanz und Ausfallsicherheit als auch die Netzintegration und Normkonformität.
Aber ein für den Betrieb essenzieller Punkt bleibt offen: Wie kann ich meine bestehenden oder zukünftigen, bisher mit AC versorgten Verbraucher, an das DC-Netz anschließen? Rein technisch betrachtet ist dies durch den Anschluss der DC-Spannung zwischen zwei Phasen eines Netzteils mit dreiphasigem Eingang grundsätzlich möglich. Allerdings verletzt diese Betriebsart oft Herstellervorgaben und ist in der Regel nicht durch die erfolgten Zertifizierungen/Prüfungen abgedeckt. Auch ein Rückspeisen von Energie in das DC-Grid ist hier nicht möglich.
Aus diesem Grund sind DC/DC-Wandler erforderlich, welche dezentral direkt am Verbraucher oder zentral in einem Schaltschrank, die Hochvolt-Spannung auf ein nutzbares Niveau wandeln. Im Folgenden werden verschiedene Konzepte und Topologien entsprechender Konverter beleuchtet.
Versorgung von Verbrauchern mit 24 oder 48 V DC
Bei der Wandlung auf 24 oder 48 V DC ist eine galvanische Trennung in jedem Falle nötig (Bild 4). Während in Bestandssystemen mit AC-Speisung in der Regel eine Leistungsfaktor-Korrektur (PFC, Power Factor Correction) mit nachgeschaltetem LLC-Wandler zur Isolierung genutzt wird, kann diese Struktur bei DC-Speisung vereinfacht werden. Für Wandler mit höheren Leistungen eignet sich hier vor allem die Phase Shifted Fullbridge (PSFB).
Hier sind sechs bis acht Leistungsschalter, eine Spule sowie ein Transformator nötig. Der bidirektionale Betrieb dieser Topologie ist grundsätzlich möglich, erschwert die Ansteuerung der Leistungsschalter allerdings deutlich – im unidirektionalen Betrieb takten alle vier Transistoren der primärseitigen Vollbrücke mit einem Tastgrad von knapp 50 Prozent, während die Regelung der Ausgangsparameter über eine einstellbare Phasenverschiebung zwischen den beiden Brückenzweigen realisiert ist.
Trotz des einfachen Modulationsschemas ist ZVS und ZCS über einen relativ weiten Bereich möglich. Zero Voltage Switching (ZVS) und Zero Current Switching (ZCS) sind Techniken, die die Schaltverluste in der Leistungselektronik reduzieren. Während bei ZVS die Halbleiter bei einer Spannung von 0 V geschaltet werden, erfolgt dies bei ZCS bei einer Stromstärke von 0 A, um Schaltverluste zu minimieren. Beide Methoden verbessern die Effizienz und verringern elektromagnetische Störungen.
Für den Leistungsbereich unterhalb von etwa 2 kW ist dagegen die Two-transistor forward Topology oft eine günstigere Wahl. Bei ihr werden neben einer Speicherdrossel und einem Transformator nur zwei Leistungsschalter sowie vier Dioden benötigt. Die Ansteuerung der Schalter ist extrem einfach und wird in der Regel als Pulsweitenmodulation ausgeführt, wobei beide Transistoren dasselbe Ansteuersignal erhalten. Diese Einfachheit bedingt allerdings auch, dass ein ZVS/ZCS-Betrieb nicht ohne weiteres umgesetzt werden kann.
Feuerstahl gewinnen
Wollen Sie mehr über die Auslegung der Leistungselektronik für DC-Grids wissen oder uns Ihre Meinung zu Gleichstromnetzen in der Industrie mitteilen? Schreiben Sie an marketing@lacon.de und Sie erhalten als Dankeschön einen Original Feuerstahl – falls es mal ganz ohne Grid gehen muss!
Leistungselektronik für rückspeisende Verbraucher mit 24 oder 48 V
Für rückspeisende Verbraucher wird zusätzlich zur galvanischen Trennung und der weiten Spreizung zwischen Ein- und Ausgangsspannung noch der bidirektionale Betrieb erforderlich. Bei Einsatz eines unidirektionalen Wandlers steigt die Ausgangsspannung des Wandlers in dem Moment an, in dem die verbundene Antriebstechnik mehr Energie zurückspeist, als sie verbraucht. Die mögliche Höhe des Spannungsanstieges ist abhängig von der rückgespeisten Energiemenge und der verbauten Kapazität der Ausgangskondensatoren. Sie führt im schlimmsten Fall zur Zerstörung des Ausgangskreises des angeschlossenen Netzteils, falls nicht die richtigen Gegenmaßnahmen getroffen werden. In Bestandssystemen sind hier vor allem Brems-Chopper, die die Energie in Wärme umsetzen, das Mittel der Wahl.
Während nicht-isolierte Topologien sehr einfach bidirektional ausgeführt werden können, ist bei isolierten in der Regel ein höherer Aufwand auf der Steuerseite notwendig – Ausnahme ist der Sperrwandler mit seiner quasi symmetrischen Ein- und Ausgangsseite. Alle anderen gängigen Topologien wie Forward-Halbbrücken, Vollbrücken- und PSFB-Wandler (phase shifted full bridge) sowie all ihre gängigen Derivate sind dagegen asymmetrisch aufgebaut, d. h. in der Regel gibt es eine Seite mit und eine Seite ohne Speicherdrossel. Dies erschwert den Wechsel der Energieflussrichtung, da gleichzeitig das Modulationsschema der Halbleiter geändert werden muss.
Beim PSFB-Wandler zum Beispiel wird bei der Energieflussteuerung von der HV-Seite zur LV-Seite die Steuerung durch Phasenverschiebung zwischen den beiden Brückenzweigen bewerkstelligt. Zum Drehen der Flussrichtung reicht es nicht, stattdessen die LV-seitige Vollbrücke mit demselben Phasenverschiebungsschema zu modulieren. Vielmehr müssen in der Phase ohne Energieübertragung von der LV- zur HV-Seite alle vier Schalter der LV-seitigen Vollbrücke eingeschaltet werden.
Dies lässt, getrieben durch die anstehende LV-Spannung, den Drosselstrom in negativer Richtung ansteigen. Um die in der Drossel gespeicherte Energie durch den Trafo in die HV-Seite zu übertragen, müssen immer wechselseitig jeweils zwei der LV-Transistoren über Kreuz deaktiviert werden. Wenn der Drosselstrom weit genug abgesunken ist, wird er von einer darauffolgenden Phase der Aktivierung aller vier Transistoren wieder erhöht.
Diesen Übergang zwischen verschiedenen Modulationsarten zu implementieren, erhöht den Aufwand ansteuerseitig bei asymmetrischen Wandlern signifikant.
Es ist für uns eine Selbstverständlichkeit, dass wir verantwortungsvoll mit Ihren personenbezogenen Daten umgehen. Sofern wir personenbezogene Daten von Ihnen erheben, verarbeiten wir diese unter Beachtung der geltenden Datenschutzvorschriften. Detaillierte Informationen finden Sie in unserer Datenschutzerklärung.
Einwilligung in die Verwendung von Daten zu Werbezwecken
Ich bin damit einverstanden, dass die Vogel Communications Group GmbH & Co. KG, Max-Planckstr. 7-9, 97082 Würzburg einschließlich aller mit ihr im Sinne der §§ 15 ff. AktG verbundenen Unternehmen (im weiteren: Vogel Communications Group) meine E-Mail-Adresse für die Zusendung von redaktionellen Newslettern nutzt. Auflistungen der jeweils zugehörigen Unternehmen können hier abgerufen werden.
Der Newsletterinhalt erstreckt sich dabei auf Produkte und Dienstleistungen aller zuvor genannten Unternehmen, darunter beispielsweise Fachzeitschriften und Fachbücher, Veranstaltungen und Messen sowie veranstaltungsbezogene Produkte und Dienstleistungen, Print- und Digital-Mediaangebote und Services wie weitere (redaktionelle) Newsletter, Gewinnspiele, Lead-Kampagnen, Marktforschung im Online- und Offline-Bereich, fachspezifische Webportale und E-Learning-Angebote. Wenn auch meine persönliche Telefonnummer erhoben wurde, darf diese für die Unterbreitung von Angeboten der vorgenannten Produkte und Dienstleistungen der vorgenannten Unternehmen und Marktforschung genutzt werden.
Meine Einwilligung umfasst zudem die Verarbeitung meiner E-Mail-Adresse und Telefonnummer für den Datenabgleich zu Marketingzwecken mit ausgewählten Werbepartnern wie z.B. LinkedIN, Google und Meta. Hierfür darf die Vogel Communications Group die genannten Daten gehasht an Werbepartner übermitteln, die diese Daten dann nutzen, um feststellen zu können, ob ich ebenfalls Mitglied auf den besagten Werbepartnerportalen bin. Die Vogel Communications Group nutzt diese Funktion zu Zwecken des Retargeting (Upselling, Crossselling und Kundenbindung), der Generierung von sog. Lookalike Audiences zur Neukundengewinnung und als Ausschlussgrundlage für laufende Werbekampagnen. Weitere Informationen kann ich dem Abschnitt „Datenabgleich zu Marketingzwecken“ in der Datenschutzerklärung entnehmen.
Falls ich im Internet auf Portalen der Vogel Communications Group einschließlich deren mit ihr im Sinne der §§ 15 ff. AktG verbundenen Unternehmen geschützte Inhalte abrufe, muss ich mich mit weiteren Daten für den Zugang zu diesen Inhalten registrieren. Im Gegenzug für diesen gebührenlosen Zugang zu redaktionellen Inhalten dürfen meine Daten im Sinne dieser Einwilligung für die hier genannten Zwecke verwendet werden. Dies gilt nicht für den Datenabgleich zu Marketingzwecken.
Recht auf Widerruf
Mir ist bewusst, dass ich diese Einwilligung jederzeit für die Zukunft widerrufen kann. Durch meinen Widerruf wird die Rechtmäßigkeit der aufgrund meiner Einwilligung bis zum Widerruf erfolgten Verarbeitung nicht berührt. Um meinen Widerruf zu erklären, kann ich als eine Möglichkeit das unter https://contact.vogel.de abrufbare Kontaktformular nutzen. Sofern ich einzelne von mir abonnierte Newsletter nicht mehr erhalten möchte, kann ich darüber hinaus auch den am Ende eines Newsletters eingebundenen Abmeldelink anklicken. Weitere Informationen zu meinem Widerrufsrecht und dessen Ausübung sowie zu den Folgen meines Widerrufs finde ich in der Datenschutzerklärung, Abschnitt Redaktionelle Newsletter.