Digitale Regelschleifen So beschleunigen Sie die Regelung in Spannungsversorgungen

Von Frederik Dostal *

Anbieter zum Thema

Große Lasttransienten bringen die Regelung in einer Spannungsversorgung ins „Schwanken“. In der analogen Regelungstechnik versucht man diese Schwankungen möglichst zu minimieren. Sie wissen, wie aufwändig das ist. Wir stellen eine alternative digitale Technik vor.

Regelung von Spannungsversorgungen: Um bei großen Lasttransienten eine schnelle Regelschleife zu realisieren, sollten Sie auf  die hohe Dynamik der Digitaltechnik setzen.(Bild:  VCG)
Regelung von Spannungsversorgungen: Um bei großen Lasttransienten eine schnelle Regelschleife zu realisieren, sollten Sie auf die hohe Dynamik der Digitaltechnik setzen.
(Bild: VCG)

Spannungsversorgungen regeln üblicherweise die Ausgangsspannung auf einen festen Wert. Diese Regelung soll so stabil wie möglich sein, damit es auch unter ungünstigen Umständen nicht zu einer Oszillation oder einer ungeregelten Ausgangsspannung kommt.

Darüber hinaus soll diese Regelung so schnell wie möglich sein, damit es nach dynamischen Veränderungen, beispielsweise nach einer schnellen Eingangsspannungsveränderung oder einer Lasttransiente am Ausgang nur wenig Veränderungen der geregelten Ausgangsspannung gibt.

Bildergalerie

Um das Verhalten einer Regelschleife darzustellen, eignet sich ein gewöhnliches Bode-Diagramm, in welchem der Phasenversatz und die Verstärkung der Regelschleife über den Frequenzbereich dargestellt ist.

Eine solche Regelschleife kann in Analogtechnik, aber auch in Digitaltechnik ausgeführt werden.

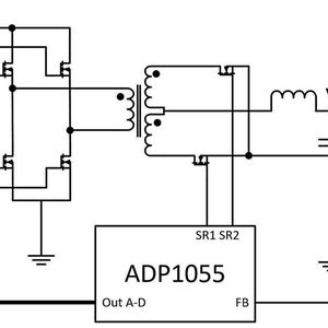
Neue digitale Spannungsversorgungen bieten erweiterte Möglichkeiten, um ein Optimum an Regelschleifenstabilität mit sehr schnellen Reaktionen auf dynamische Einflüsse zu erzeugen. Bild 1 zeigt eine Beispielschaltung mit dem Controller-IC ADP1055, welcher nach dem digitalen Prinzip arbeitet.

Digitale Regler eignen sich besonders dafür, wenn Sie unzählige Einstellungen und Anpassungen vornehmen müssen. Das funktioniert auch dynamisch, also während des Betriebes. In Bild 2 ist die Übersicht über die unterschiedlichen einstellbaren Funktionen des ADP1055 anhand der grafischen Benutzeroberfläche gezeigt.

Eine besonders interessante Einstellmöglichkeit der Regelschleife bietet die Funktion ‚Nonlinear Gain / Response‘. Sie ist in der Schaltfläche ‚Filter‘ zu finden. Es handelt sich dabei um eine dynamische Anpassung der Regelschleife beispielsweise direkt nach einer Lasttransiente.

Große Lasttransienten besser digital regeln

Wenn eine Spannungsversorgung eine große Lasttransiente erlebt, schwankt die Ausgangsspannung üblicherweise um den eingestellten Sollwert. Bei analogen Regelschleifen wurde nun versucht, diese Schwankungen durch Einstellen der Regelschleife und eventuell durch Anpassungen der Leistungsstufe der Spannungsversorgung möglichst zu minimieren. In der digitalen Technik des ADP1055 gibt es nun erweiterte Möglichkeiten durch die Funktion ‚Nonlinear Gain / Response‘.

Bild 3 zeigt das Einstellfeld dieser Funktion. In blau ist ein typisches Verhalten der Ausgangsspannung nach einer Lasttransiente von hoher Last auf niedrige Last gezeigt. Der Spannungsverlauf zeigt ein Überschwingen bis weit oberhalb des Sollwertes. Um dies zu minimieren, kann die Verstärkung der Regelschleife bei Überschreiten bestimmter Schwellen durch die Ausgangsspannung kurzzeitig angehoben werden.

Regelungsbeispiel mit nominaler Ausgangsspannung von 12 V

In Bild 3 ist ein Beispiel mit einer nominal eingestellten Ausgangsspannung von 12 V gezeigt. Sollte diese Spannung 12,12 V überschreiten, kann in dem entsprechenden Pull-down-Menü eine erhöhte Verstärkung des Fehlers, also der Regelschleife aktiviert werden. Oberhalb von 12,12 V sind noch für drei weitere Spannungsschwellen eigene Verstärkungsfaktoren einstellbar.

Dadurch, dass Sie unterschiedliche Verstärkungen einstellen können, sobald die Ausgangsspannung unterschiedliche Spannungsschwellen erreicht hat, lassen sich Einstellungen im System finden, die eine beschleunigte Reaktion auf Spannungsüberschwinger bieten. Auf diese Weise optimieren Sie die Qualität der Ausgangsspannungsregelung. Das erfolgt, ohne dass die optimierte Regelschleifencharakteristik im normalen Betrieb beeinflusst wird.

Fazit: Eine derartige dynamische Anpassung einer Regelschleife in einer besonderen Situation, beispielsweise nach einer Lasttransiente, ist mit digitalen Reglern wie dem ADP1055 recht einfach möglich. Mit herkömmlichen analogen Regelschleifen lässt sich das im Gegensatz dazu nur sehr aufwändig implementieren.

Dieser Beitrag ist erschienen in der Fachzeitschrift ELEKTRONIKPRAXIS Ausgabe 8/2020 (Download PDF)

* Frederik Dostal arbeitet als Field Application Engineer für Power Management bei Analog Devices in München.

(ID:46362224)

Jetzt Newsletter abonnieren

Verpassen Sie nicht unsere besten Inhalte

Mit Klick auf „Newsletter abonnieren“ erkläre ich mich mit der Verarbeitung und Nutzung meiner Daten gemäß Einwilligungserklärung (bitte aufklappen für Details) einverstanden und akzeptiere die Nutzungsbedingungen. Weitere Informationen finde ich in unserer Datenschutzerklärung. Die Einwilligungserklärung bezieht sich u. a. auf die Zusendung von redaktionellen Newslettern per E-Mail und auf den Datenabgleich zu Marketingzwecken mit ausgewählten Werbepartnern (z. B. LinkedIn, Google, Meta).

Aufklappen für Details zu Ihrer Einwilligung