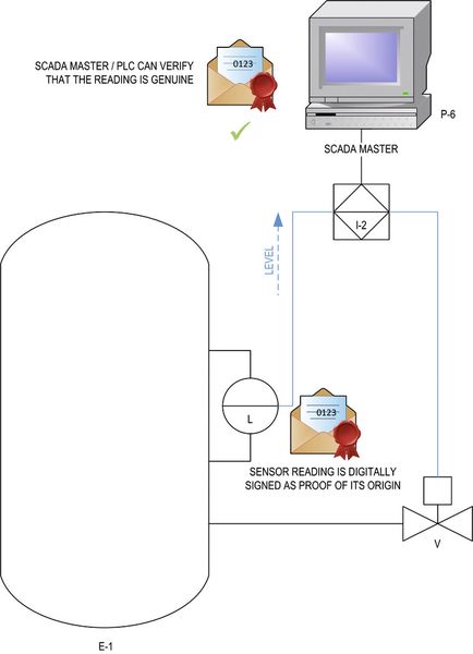
Sicherheit in Industriesteuerungen durch eingebettete Kryptografie

Zurück zum Artikel