Die Signale eines Remote Key Entry zu analysieren setzt Messgeräte voraus, die über entsprechende Abtastraten und ausreichend Erfassungsspeicher verfügen. Hilfe versprechen spezielle Digitizer-Karten.
Keyless entry: Moderne Fahrzeuge lassen sich elektronisch öffnen. Die Signale werden mit Messtechnik analysiert.
Im Automobilbau hat in den letzten Jahren Elektronik massiv Einzug gehalten. Ein Beispiel ist der Fahrzeugschlüssel: Er hat sich von einem einfachen mechanischen Schlüssel für die Türen und das Zündschloss zu einem Hightech-Gerät mit Remote Key Entry (RKE) und schlüsselloser Zündung entwickelt. Für die Zentralverriegelung und die Zündung wird ein UHF-Sender mit integrierter Kodierung verwendet.
Damit solch ein Schlüssel überprüft und getestet werden kann, sind Messinstrumente erforderlich, die HF-Signale mit einer relativ langen Dauer erfassen und zusätzliche Informationen extrahieren können. Hierzu eignen sich modulare Digitizer. Typische RKE-Messparameter untersuchen ist Voraussetzung, um die erforderlichen Spezifikationen eines geeigneten modularen Digitizers zu erhalten.
Funkübertragung mit wenig Leistung
Remote-Key-Entry-Geräte arbeiten in den industriellen, wissenschaftlichen und medizinischen Frequenzbereichen (ISM). Hier ist eine unlizenzierte Funkübertragung mit geringer Leistung möglich. Die Nennfrequenzen betragen 434,79 und 868 MHz in Europa sowie 315 und 433,92 MHz in den USA und Japan. Die Träger werden binär moduliert. Das erfolgt entweder durch Amplitudenumtastung (ASK), bei der die Amplitude des Trägers zwischen zwei Pegeln variiert wird, oder durch Frequenzumtastung (FSK), bei der die Frequenz des Trägers zwischen zwei unterschiedlichen Werten springt. Das verwendete Protokoll für die Datenübertragung ist von jedem Hersteller geschützt.
Im Allgemeinen bestehen die Datenpakete aus 64 bis 256 Bits, die mit 1 bis 20 kBit/s übertragen werden. In den Paketen enthalten ist ein Vorspann, ein Befehlscode und ein Rolling Code. Das Befehlscodesegment der Datenpakete steuert den Zugriff auf das Fahrzeug. Dazu gehören Befehle zum Verriegeln und Entriegeln der Türen, zum Starten des Motors und zum Aktivieren des Notfallalarms. Der Rolling Code ist eine Sicherheitsfunktion, damit nicht bei jedem Sendevorgang derselbe Code benutzt wird. Die Schlüssel-Fernbedienung kommuniziert mit dem Fahrzeug über das Karosseriesteuermodul (BCM), das die elektromechanischen Komponenten im Fahrzeug steuert.
Kombination aus hoher Frequenz und langer Messzeit
Ein typisches Datenpaket eines RKE-Schlüssels zeigt das Bild 1. Das Paket war eine Nahfeld-Akquisition über Funk. Seine Dauer beträgt 269 ms, gemessen mit dem linken und rechten Cursor (rote und blaue Linien), wobei die Anzeigen im Informationsbereich unten links angezeigt werden. Die Trägerfrequenz beträgt 433,92 MHz (US-Fahrzeug). Die Kombination aus hohen Frequenzträgern und langer Dauer ist für viele Messgeräte problematisch. Soll ein Messgerät diese Wellenform erfassen, muss es eine Bandbreite haben, die größer als die Trägerfrequenz ist. Da die Bandbreite im Allgemeinen über den Wert mit der halben Leistung (bzw. -3 dB) im Frequenzbereich definiert wird, ist es sinnvoll, ein Messinstrument mit der doppelten Bandbreite des Signals auszuwählen, um den Betrieb im ungedämpften Bereich des Frequenzgangs zu gewährleisten.
Die Abtastrate des Messgeräts muss größer sein als die doppelte Bandbreite des Signals. Für einen schmalbandigen Träger mit 433,92 MHz muss die Abtastfrequenz mindestens 868 MS/s betragen. Der verwendete Digitizer bietet drei verschiedene Abtastraten von 5 oder 2,5 oder 1,25 GS/s und damit über der notwendigen Abtastfrequenz. Bei einer Abtastrate von 5 GS/s würde die Dauer von 269 ms zu einer Messung führen, die einen Speicher von 1,345 GSamples erfordert. Bei einer Abtastrate von 1,25 GS/s wären 336 MSamples erforderlich.
Das Beispiel in Bild 1 wurde mit dem Digitizer M4i.2230-x8 von Spectrum Instrumentation erstellt. Hierbei handelt es sich um ein 8-Bit-Digitizer mit einem Kanal, einer Bandbreite von 1,5 GHz und einer maximalen Abtastrate von 5 GS/s sowie einem Erfassungsspeicher von 4 GSample. Ein Speicher mit 4 GSample kann 800 ms Daten mit einer Abtastrate von 5 GS/s erfassen. Dies liefert eine gute Zeitauflösung, die bei der Interpretation von phasen- oder frequenzmodulierten Signalen hilfreich ist. Modulare Digitizer bieten verschiedene Erfassungsmodi, um Speicher effizient zu nutzen. Es lässt sich die Totzeit zwischen den Erfassungen verhindern, insbesondere bei unregelmäßig oder selten gesendeten Signalen.
Bild 1: Ein typisches RKE-Paket. Es hat eine Dauer von 269 ms, die Spitze-Spitze-Amplitude umfasst 89 mV und die effektive bzw. RMS-Amplitude beträgt 19,7 mV. Abgelesen wird anhand der im Info-Fenster angezeigten Messparameter.
(Bild: Spectrum Instrumentation)
Mess-Software hilft dem Anwender, die Daten auszuwerten
In Bezug auf die Amplitude verfügt der Digitizer über Eingangsbereiche von ±200 mV bis ±2,5 V (Full Scale) mit optionalen Niederspannungsbereichen von ±40 bis ±500 mV (Full Scale). Die Amplitude des Testsignals von 89 mV (Spitze-Spitze) ist so problemlos messbar und erfordert nur die Auswahl des richtigen Parameters in der Software. Die Eingangsimpedanz beträgt 50 Ohm, passend zu der Bandbreie von 1,5 GHz.
Stand: 08.12.2025
Es ist für uns eine Selbstverständlichkeit, dass wir verantwortungsvoll mit Ihren personenbezogenen Daten umgehen. Sofern wir personenbezogene Daten von Ihnen erheben, verarbeiten wir diese unter Beachtung der geltenden Datenschutzvorschriften. Detaillierte Informationen finden Sie in unserer Datenschutzerklärung.
Einwilligung in die Verwendung von Daten zu Werbezwecken
Ich bin damit einverstanden, dass die Vogel Communications Group GmbH & Co. KG, Max-Planckstr. 7-9, 97082 Würzburg einschließlich aller mit ihr im Sinne der §§ 15 ff. AktG verbundenen Unternehmen (im weiteren: Vogel Communications Group) meine E-Mail-Adresse für die Zusendung von redaktionellen Newslettern nutzt. Auflistungen der jeweils zugehörigen Unternehmen können hier abgerufen werden.
Der Newsletterinhalt erstreckt sich dabei auf Produkte und Dienstleistungen aller zuvor genannten Unternehmen, darunter beispielsweise Fachzeitschriften und Fachbücher, Veranstaltungen und Messen sowie veranstaltungsbezogene Produkte und Dienstleistungen, Print- und Digital-Mediaangebote und Services wie weitere (redaktionelle) Newsletter, Gewinnspiele, Lead-Kampagnen, Marktforschung im Online- und Offline-Bereich, fachspezifische Webportale und E-Learning-Angebote. Wenn auch meine persönliche Telefonnummer erhoben wurde, darf diese für die Unterbreitung von Angeboten der vorgenannten Produkte und Dienstleistungen der vorgenannten Unternehmen und Marktforschung genutzt werden.
Meine Einwilligung umfasst zudem die Verarbeitung meiner E-Mail-Adresse und Telefonnummer für den Datenabgleich zu Marketingzwecken mit ausgewählten Werbepartnern wie z.B. LinkedIN, Google und Meta. Hierfür darf die Vogel Communications Group die genannten Daten gehasht an Werbepartner übermitteln, die diese Daten dann nutzen, um feststellen zu können, ob ich ebenfalls Mitglied auf den besagten Werbepartnerportalen bin. Die Vogel Communications Group nutzt diese Funktion zu Zwecken des Retargeting (Upselling, Crossselling und Kundenbindung), der Generierung von sog. Lookalike Audiences zur Neukundengewinnung und als Ausschlussgrundlage für laufende Werbekampagnen. Weitere Informationen kann ich dem Abschnitt „Datenabgleich zu Marketingzwecken“ in der Datenschutzerklärung entnehmen.
Falls ich im Internet auf Portalen der Vogel Communications Group einschließlich deren mit ihr im Sinne der §§ 15 ff. AktG verbundenen Unternehmen geschützte Inhalte abrufe, muss ich mich mit weiteren Daten für den Zugang zu diesen Inhalten registrieren. Im Gegenzug für diesen gebührenlosen Zugang zu redaktionellen Inhalten dürfen meine Daten im Sinne dieser Einwilligung für die hier genannten Zwecke verwendet werden. Dies gilt nicht für den Datenabgleich zu Marketingzwecken.
Recht auf Widerruf
Mir ist bewusst, dass ich diese Einwilligung jederzeit für die Zukunft widerrufen kann. Durch meinen Widerruf wird die Rechtmäßigkeit der aufgrund meiner Einwilligung bis zum Widerruf erfolgten Verarbeitung nicht berührt. Um meinen Widerruf zu erklären, kann ich als eine Möglichkeit das unter https://contact.vogel.de abrufbare Kontaktformular nutzen. Sofern ich einzelne von mir abonnierte Newsletter nicht mehr erhalten möchte, kann ich darüber hinaus auch den am Ende eines Newsletters eingebundenen Abmeldelink anklicken. Weitere Informationen zu meinem Widerrufsrecht und dessen Ausübung sowie zu den Folgen meines Widerrufs finde ich in der Datenschutzerklärung, Abschnitt Redaktionelle Newsletter.
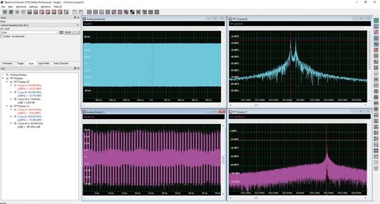
Bild 2: Wellenformen, aufgenommen mit zwei verschiedenen RKE-Sendern. Sender oben links nutzt Frequenzumtastung. Die FFT zeigt den doppelten Peak im Frequenzspektrum. Der Sender unten links nutzt Amplitudenumtastung und zeigt daher nur eine einzelne Spektrallinie in der FFT.
(Bild: Spectrum Instrumentation)
Für die Anzeige der erfassten RKE-Daten kommt die Messsoftware SBench 6 zum Einsatz. Anwender müssen keine Software erstellen, um den Digitizer zu programmieren. Es sind verschiedene Mess- und Signalverarbeitungsfunktionen enthalten. Zu den Funktionen gehören die automatische Messung des erfassten Signals, die schnelle Fourier-Transformation (FFT) für die Spektrumanalyse und das Filtern. Das Bild 2 zeigt einen Vergleich zweier unterschiedlicher RKE-Sender, ausgewertet mit dem M4i.2230-x8 Digitizer und der Software SBench 6.
Der erste RKE-Funkschlüssel, dessen Wellenform im oberen linken Raster zu sehen ist, verwendet Frequenzumtastung (FSK). Der Träger wechselt zwischen zwei Frequenzen, um die binären Zustände 0 und 1 anzuzeigen. Das ist in der FFT im rechten oberen Raster zu sehen: Das Frequenzspektrum hat zwei Spektrallinien, eine bei 433,89 MHz, die andere bei 433,96 MHz, wie durch die rote und blaue Cursorlinie ablesbar. Die beiden Peaks sind 70 kHz voneinander entfernt und symmetrisch um die nominelle Trägerfrequenz von 433,92 MHz angeordnet.
Mit der FFT-Funktion kann der Digitizer wie ein HF-Spektrumanalysator arbeiten, der die Frequenzen oder die Spektralansicht der Wellenform anzeigt, ohne dass ein separates Messinstrument erforderlich ist. Der im unteren Beispiel verwendete Fahrzeugschlüssel, dessen Wellenform im Raster unten links dargestellt ist, verwendet Amplitudenumtastung (ASK = Amplitude Shift Keying). Die binären Daten modulieren die Amplitude des Trägers, was zu einer Signalhüllkurve führt, die eine rechteckige Impulsform zeigt.
Bild 3: Eine weitere Analyse der beiden RKE-Signale ist mit den in SBench 6 verfügbaren Signalverarbeitungsfunktionen möglich. Es lassen sich beide Testsignale demodulieren.
(Bild: Spectrum Instrumentation)
Die FFT-Analyse dieses Signals zeigt einen einzigen Peak bei der Trägerfrequenz von 434,41 MHz. Eine weitere Analyse der beiden RKE-Signale ist mit den in SBench 6 verfügbaren Signalverarbeitungsfunktionen möglich: Das Bild 3 zeigt, wie beide Testsignale demoduliert wurden.
Die Messergebnisse ausführlich analysieren
Das ASK-Signal kann demoduliert werden, indem das Signal mit sich selbst multipliziert wird, so dass es quadriert ist. Dann wird das Ergebnis mit einem Tiefpass gefiltert, dadurch wird das ursprüngliche Datensignal sichtbar, wie im Raster unten rechts dargestellt. Die Demodulation des FSK-Signals wird unter Verwendung einer Neigungserfassung erreicht. Das Signal wird durch ein Hochpassfilter geleitet. Die Filterfrequenz wird so gewählt, dass der Träger auf der Grenzfrequenz des Filters liegt. Dies führt dazu, dass die verschiedenen Frequenzen in Amplitudenunterschiede umgewandelt werden. Dieses jetzt amplitudenmodulierte Signal wird, wie zuvor schon das ASK-Signal, demoduliert. Das Ergebnis zeigt das Bild 3 im oberen rechten Raster.
Bild 4: Die Messungen am demodulierten FSK-Signal umfassen Frequenz, Tastverhältnis und Anstiegszeit. Betrachtet werden nur die vier Impulse auf der rechten Seite des Displays, zwischen den Cursor-Linien.
(Bild: Spectrum Instrumentation)
Das Demodulieren des RKE-Signals ermöglicht es, die physikalischen Eigenschaften der Modulation zu bestimmen. Dazu gehören Datenrate, Tastverhältnis, Anstiegszeit und damit verbundene Zeitmessungen. Das Beispiel in Bild 4 zeigt die demodulierten Daten von einem RKE-Funkschlüssel mit Frequenzumtastung. Die Daten werden zwischen der roten und der blauen Cursorlinie gemessen und enthalten vier Impulse. Die Datenrate der Impulse beträgt 2 kHz, das Tastverhältnis beträgt 49,8% und die Anstiegszeit beträgt 602 ns. Diese Informationen sind bei einer Fehlersuche von entscheidender Bedeutung und nicht aus dem FSK-modulierten Träger ersichtlich.
Schnellere Analyse mit Software von Drittanbietern
Noch umfangreicher lassen sich die Daten mit Software von Drittanbietern wie Matlab oder LabVIEW analysieren oder mit der selbst geschriebener Software in C, C ++ oder Python. Mit den Programmen der Drittanbieter hat man die Möglichkeit, die Datenpakete schnell zu decodieren. Da diese Programme an die eigenen Bedürfnisse angepasst werden können, sind sie flexibel und ermöglichen weitreichende Analysen, einschließlich Protokoll-Dekodierung. Für diese Datenanalyse außerhalb der eigentlichen Messkarte ist die schnelle PCIe-x8-Gen2-Schnittstelle des Digitizers M4i.2230-x8 sehr hilfreich. Diese Schnittstelle kann, mit den Treibern von Spectrum und einem geeigneten Host-Computer, Datenübertragungsraten von mehr als 3,4 GB/s erreichen. Die schnelle Übertragung der Daten an den Host-Computer ist wichtig, wenn Wellenformen analysiert werden sollen, die hunderte Megabyte groß sind.
Modulare Digitizer mit hohen Geschwindigkeiten, wie die M4i.22xx-Serie von Spectrum, sind ideale Messinstrumente zum Testen von RKE-Signalen oder zugehörigen Hochfrequenz-Identifizierungsgeräten (RFID = Radio Frequency Identification Devices), die das gleiche UHF-Frequenzspektrum verwenden.
(Bild: Spectrum Instrumentation)
Eine noch höhere Übertragungsrate ist mit der SCAPP-Option möglich: Dabei leitet der Digitizer die großen Datenmengen nicht an den PC, sondern an eine CUDA-basierte Grafikkarte. Der große Vorteil besteht darin, dass die GPU der Grafikkarte mit bis zu 5000 Kernen eine viel schnellere parallele Verarbeitung bietet als die CPU des PCs mit nur acht oder 16 Kernen.
Schon mit kleineren CUDA-Grafikkarten lässt sich die Signalverarbeitung beschleunigen. SCAPP (Spectrum CUDA Access for Parallel Processing) besteht aus einem Treiberpaket für RDMA (Remote Direct Memory Access), welche den direkten Datentransfer zwischen Digitizer und GPU der Grafikkarte erlaubt, sowie Anwendungsbeispielen für die parallele Datenverarbeitung mit anschaulichen Anwendungen von Basisfunktionen wie Filtern, Mittelwertbildung, Daten De-Multiplexing, Datenumwandlung oder FFT.
* Oliver Rovini ist technischer Leiter bei Spectrum Instrumentation in Großhansdorf bei Hamburg. Arthur Pini ist Test&Measurement-Ingenieur in New York/USA.