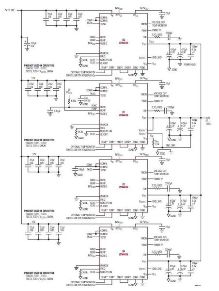
PoL-Regler mit 3D-Gehäusetechnologie und geringer Wärmeentwicklung

Zurück zum Artikel