Power-Tipps von TI, Teil 52 Kompensation eines rauscharmen Netzteils mit zweistufigem Filter
In bestimmten rauscharmen Anwendungen kann es erforderlich sein, die Restwelligkeit des Netzteils auf weniger als 0,1 % der Ausgangsspannung zu reduzieren. Die Forderung nach einer derart geringen Brummspannung kann den Einsatz von Filtern mit einer Dämpfung von deutlich über 60 dB erforderlich machen, die in einstufiger Ausführung praktisch nicht realisiert werden können.
Anbieter zum Thema

Im letzten Power Tipp ging es um das Design eines solchen Filters und seine Simulation im Zeitbereich. Thema des hier vorliegenden Power Tipps nun ist das Design der Rückkoppelschleife um solch einen Filter mithilfe von P-SPICE.
Die Verwendung eines aus zwei Stufen zusammengesetzten Filters ist der eigentliche Kniff beim Erzielen einer rauscharmen Ausgangsspannung. Die Bauelemente, die mit einem solchen Filter zu der Schaltung hinzukommen, sorgen allerdings für eine zusätzliche Phasenverschiebung, die Probleme für die Regelschleife des Netzteils heraufbeschwören können.

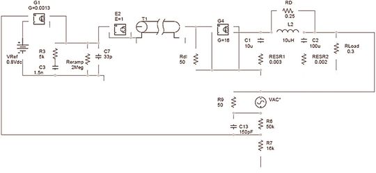
Bild 1 zeigt das P-SPICE-Simulationsmodell des Netzteils, das hier als Beispiel dienen soll. Grundlage des Modells ist der Baustein TPS54620, ein synchroner Tiefsetzsteller mit integriertem FET. Es gliedert sich in vier Abschnitte (Leistungs-Teil und Filter, Fehlerverstärker, Modulator-Verzögerung und Ausgangsteiler). Der Leistungs-Teil des Modells bedient sich der Current-Mode-Regelung des Controller-IC. Diese Art der Regelung verwandelt die Ausgangsdrossel in eine spannungsgesteuerte Stromquelle (VCCS; G4 in Bild 1), die den nachfolgenden Teil des Ausgangsfilters und den Lastwiderstand speist.
Diese Transformation bewirkt, dass sich die Ordnung des Systems effektiv um eins verringert. Außerdem wird ein Paar komplexer Polstellen eliminiert, die die Kompensation problematisch machen. Von der Ausgangsspannung des Netzteils (Knoten RLoad:2) zweigt der Ausgangsteiler einen gewissen Teil ab, der vom Fehlerverstärker (G2) mit der Referenzspannung (Vref) verglichen wird.
Wie wir später noch sehen werden, entsteht durch den Kondensator C13 im Spannungsteiler ein Pol/Nullstellen-Paar in der Regelschleife, wodurch die Phasenreserve größer wird. Der Verstärker wird wie eine zweite VCCS (G2) behandelt und speist die internen und externen Kompensations-Bauelemente. Gepuffert durch die spannungsgesteuerte Spannungsquelle E2, steuert der Ausgang die Verzögerungsleitung T1 an, mit deren Hilfe die Verzögerung des Modulators im Leistungs-Teil nachgebildet wird (siehe Power Tipp 50).


In Bild 3 ist der Verstärkungs- und Phasengang vom Knoten VAC zum Teiler/Kompensator am Ausgang des Fehlerverstärkers (C7:2) und zum Regelkreis insgesamt (RLoad:2) dargestellt. In der Teiler/Kompensator-Stufe sorgt ein Verstärker vom Typ 3 für eine Phasenvoreilung, um im Modulator/Leistungs-Teil der Schleife im Bereich von 100 kHz eine Phasenverschiebung von 180° zu erreichen.
Das Verhalten nach Typ 3 wird durch die Tatsache begünstigt, dass die Ausgangsspannung verglichen mit der Referenzspannung groß ist, sodass ein großes Teilerverhältnis erforderlich ist. Dieses große Teilerverhältnis macht es wiederum möglich, mit C13 ein Pol/Nullstellen-Paar zu erzeugen. Die maximale Phasenvoreilung erfolgt am geometrischen Mittelwert beider Frequenzen. Da sich dieser in der Nähe des Teilerverhältnisses befindet, lässt sich die Nullstelle einfach berechnen, indem man die Frequenz mit der maximalen Phase (Durchtrittsfrequenz) mit der Quadratwurzel des Teilerverhältnisses multipliziert. Die zweite Nullstelle des Kompensators wird durch das Integrierglied aus dem Kondensator C3 und dem Widerstand R3 definiert.
Abschließend muss auch die bandbreitenbegrenzende Wirkung des Fehlerverstärkers berücksichtigt werden, die in diesem Fall durch Reramp und C7 festgelegt wird. Die Bandbreite des Regelkreises insgesamt liegt bei 100 kHz, bei einer Phasenreserve von 45°. Dieses Ergebnis wird erreicht, obwohl ein zweistufiges Filter potenziell eine Phasenverschiebung um 360° verursachen und es durch die Phase des Modulators zu einer weiteren Phasenverschiebung kommen könnte. Die wichtigsten Gründe für die große Bandbreite sind die Current-Mode-Regelung, die Bedämpfung der zweiten Filterstufe und die Verwendung von C13 im Ausgangsteiler, um dem Regelkreis eine zusätzliche Nullstelle zu geben.
P-SPICE kann also bei der Synthese und Analyse des Regelkreises für ein Netzteil mit zweistufigem Filter eine große Hilfe sein. Es gelang, die Wirkung der Current-Mode-Regelung, der Bedämpfung des zweistufigen Filters und der durch die Widerstände des Spannungsteilers erzeugten zusätzliche Nullstelle im Regelkreis vorherzusagen. Ebenso war es möglich, eine nahe 100 kHz liegende Bandbreite zu synthetisieren, obwohl das Filter potenziell eine Phasenverschiebung um 360° verursachen kann.
In der nächsten Ausgabe geht es um die Induktivität von Leiterbahnen.
Weitere Informationen zu dieser und anderen Power-Lösungen finden Sie auf www.ti.com/power-ca sowie unter www.elektronikpraxis.de/power-tipps.
* Robert Kollman ist Senior Applications Manager und Distinguished Member of Technical Staff bei Texas Instruments
(ID:38252330)