Wearables: Mit Optoelektronik und Pulsoximetrie die Herzfrequenz bestimmen
Mit der Pulsoximetrie lässt sich nicht-invasiv die Herzfrequenz und die Hämoglobinsättigung des Blutes bestimmen. Der Beitrag zeigt, wie Pulsoximetrie funktioniert und was Entwickler bei der Wahl von LEDs und Fotodetektoren berücksichtigen sollten.
Anbieter zum Thema

Dank des stetigen Fortschritts moderner Elektronik, lässt sich diese jetzt auch im privaten Umfeld einsetzen, wo es noch vor einigen Jahren nicht möglich war. Hier sind es vor allem Geräte, die wir aus Klinken kennen, finden sich heute in privaten Haushalten oder in unserem Alltag. Das ist vor allem das Feld der Wearables, um beispielsweise die Herzfrequenz und den Sauerstoffgehalt des Blutes zu messen. Elektronik und optoelektronische Komponenten ziehen in Produkte für Endanwender ein.
Dazu gehört das Pulsoximeter, mit dem sich kontinuierlichen und präzise sowie nicht-invasiv sowohl die Sauerstoffversorgung und die Herzfrequenz überwachen lassen. Entweder sind sie als eigenständige Medizingeräte für den Heimgebrauch erhältlich oder direkt in ein Wearable wie eine Smartwatch integriert. Der Anwender kann beim täglichen Jogging nicht nur seine Schritte, sondern ebenfalls die Sauerstoffsättigung und Puls überprüfen. Doch wie funktioniert das Grundprinzip und was wird dafür hardwareseitig benötigt? Die wichtigsten sichtbaren Komponenten dabei sind LEDs und Fotodetektoren.
Grundlagen der Pulsoximetrie
Die pulsoxymetrisch gemessene Sauerstoffsättigung (SpO2) ist ein wichtiger Indikator für die Sauerstoffversorgung des Körpers. Er zeigt an, zu wieviel Prozent die roten Blutkörperchen (Hämoglobin) mit Sauerstoff gesättigt sind. Dabei arbeitet das Messverfahren kontinuierlich und transkutan und es kann ein akuter Sauerstoffmangel erkannt werden. Werte zwischen 95 und 100% gelten als unbedenklich, bei einem dauerhaften Wert unter 90% sollte medizinischer Rat eingeholt werden. Um zu verstehen, wie dieser Messwert technisch erfasst wird, ist das Verständnis von zwei Grundprinzipien der Pulsoximetrie erforderlich: nämlich wie Oxyhämoglobin (HbO2) von Desoxyhämoglobin (Hb) unterschieden und wie das SpO2 nur aus dem arteriellen Blutraum berechnet wird.
Den Sauerstoffgehalt mit IR-LEDs messen
Zur Unterscheidung von sauerstoffangereichertem Hämoglobin (HbO2) von sauerstoffarmen Hämoglobin (Hb) werden die charakteristischen Absorbtionsspektren von rotem und nahem Infrarotlicht der beiden Blutbestandteile genutzt. Da sowohl die Oberhaut (Epidermis) als auch die Lederhaut (Dermis) rotes und nahes infrarotes Licht nur zu einem verschwindend kleinen Anteil von 600 bis 900 nm absorbiert, kann dieser Umstand technisch genutzt werden. Denn sowohl blaues, grünes, gelbes und fernes IR-Licht werden von diesen Hautschichten signifikant absorbiert.
Das Bild 1 zeigt die Absorption von oxygenierten Hämoglobin (HbO2, in rot) und desoxygeniertem Hämoglobin (Hb, in schwarz) als Funktion der Wellenlänge. HbO2 absorbiert mehr IR-Licht und weniger Rotlicht als Hb und erscheint durch die höhere Reflektion von rotem Licht daher leuchtend rot. Im Gegensatz dazu absorbiert Hb mehr rotes Licht und erscheint somit dunkler. Diesen Absorptionsunterschied zwischen HbO2 und Hb wird in den Geräten genutzt, wobei zwischen zwei verschiedenen Messverfahren unterschieden wird: Der transmissiven Oximetrie wie sie.bei Fingeroximetern verwendet wird und der reflektiven Oximetrie, die bei einer Smartwatch zum Einsatz kommt (Bild 2).
Einfluss der Gewebedicke auf die Messung
Beide Methoden haben ihre Grenzen in der Dichte des Gewebes: Eine Fingerkuppe oder ein Ohrläppchen lässt sich auch aufgrund der vielen kleinen Blutversorgungsgefäße relativ gut durchleuchten, ein Unterarm hingegen kann nur zur Reflektion genutzt werden. Bei der transmissiven Oximetrie wird ein Paar lichtemittierender Leuchtdioden in einer Fingersonde positioniert. Das Licht durchdringt den Finger und wird dann von einem Fototransistor auf der gegenüberliegenden Seite des Fingers aufgenommen.
Hier werden LEDs im Spektrum von ca. 650 nm (rot) und eine im nahen Infrarot (IR) bei ungefähr 900 nm verwendet. Mit dem Detektor – dem Fototransistor, wird die relative Menge an absorbiertem Rot- und IR-Licht erfasst, um schließlich den Anteil von Hb und HbO2 zu bestimmen. Aus den erfassten elektrischen Parametern kann dann somit der Sauerstoffgehalt berechnet werden.

Den gesuchten Sauerstoffgehalt detektieren
Doch wie wird zwischen arteriellem und venösen Blut unterschieden, wo doch nur die arterielle Sättigung primär von Interesse ist? Die Möglichkeit der Pulsoximetrie, SpO2 nur von arteriellem Blut zu detektieren, basiert auf dem Prinzip, dass die Menge von absorbiertem rotem und infraroten Licht mit jedem Herzschlag schwankt. Bei steigendem arteriellem Blutvolumen während der Systole, also der Anspannungs- bzw. Blutausströmungsphase des Herzens, nimmt das Blutvolumen und damit die Absorption zu und während der Diastole nimmt sie wieder ab.
Im Gegensatz dazu bleibt das Blutvolumen in den Venen und Kapillaren sowie in der Haut, dem Fett, den Knochen usw. relativ konstant. Gleichzeitig bedeutet das für die Absorption des Lichts, dass Venen, Kapillaren, Knochen und andere Gewebebestandteile einfallendes Licht relativ konstant absorbieren – als Messwert kann es über die Dauer eines einzelnen Herzschlages als ein reines Gleichstromsignal (DC) angesehen werden.

Arterielles Blut absorbiert hingegen – bedingt durch die pulsierende Volumenänderung innerhalb eines Herzschlages – das Licht unterschiedlich stark, wodurch sich zu dem ebenfalls vorhandenen DC-Signal zusätzlich ein Wechselstromsignal (AC) ergibt. Bild 3 zeigt ein Querschnittsdiagramm einer Arterie und einer Vene während der Systole und Diastole und veranschaulicht die nicht pulsierenden (DC) und pulsierenden (AC) Abschnitte von Arterien und das relative Fehlen von Volumenveränderungen in Venen und Kapillaren.
Im unteren Teil von Bild 3 ist ein Querschnittsdiagramm einer Arterie und einer Vene dargestellt. Die Darstellung zeigt pulsierende (AC) und nicht pulsierende (DC) Blutgefäße, wobei nur die Arterie einen pulsierenden (AC) Bestandteil aufweist. Pulsoximeter verwenden den Wechselspannungsanteil der Lichtabsorptionen, um das Modulationsverhältnis zwischen Rot und IR zu ermitteln und berechnen daraus sowohl Sauerstoffsättigung als auch Herzfrequenz. Dabei ist für die Berechnung der Herzfrequenz grundlegend nur die pulsierende Änderung der Messdaten zu betrachten, für die Sauerstoffsättigung ist folgendes Modulationsverhältnis wichtig.
In der Formel bedeuten: A als Absorption und R als Doppelverhältnis der pulsierenden und nicht pulsierenden Komponenten der Rotlichtabsorption zur infraroten-Lichtabsorption.

Bei niedrigen arteriellen Sauerstoffsättigungen, also bei erhöhtem Hb, ist die relative Amplitudenänderung der Rotlichtabsorption durch den Impuls größer als die IR-Absorption, somit ist Arot,AC > AIR,AC, was zu einem hohen R-Wert führt; bei höheren Sauerstoffsättigungen ist Arot,AC < AIR,AC und damit der R-Wert niedriger (Bild 4). Aus dem R-Wert kann der prozentuale Wert der Sauerstoffsättigung (SpO2) basierend auf der Pulsoximetrie-Kalibrierungskurve wie in Bild 4 geschätzt werden. Die Genauigkeit und die Fähigkeit zur Pulsoximetrie werden durch verschiedene Aspekte beeinflusst: externes Licht, Umgebung, Verschiebung, abnorme Hämoglobinwerte, Geschwindigkeit oder Pulsrhythmus.
Die technischen Hintergründe der Pulsoximetrie


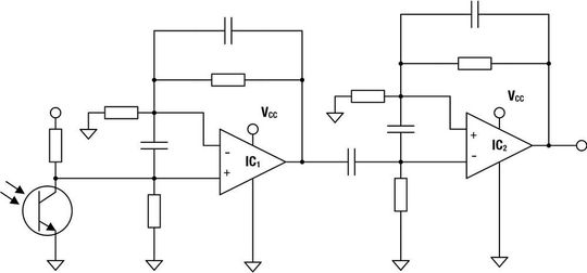
Betrachtet man das grundlegende Prinzip eines Pulsoximeters, so besteht dieses im Kern aus einem Mikrocontroller, der mithilfe der peripheren Sensorik aus der roten LED (150224SS73100), der IR-LED (15414194BA210) und einer Fotodiode bzw. einem Fototransistor (1541411NBA210), die Messwerte für die Berechnung des Blutsauerstoffgehalts und der Herzfrequenz berechnet (Bild 5). Als elektrisches Signal liefert der Fototransistor einen Strom, dessen Betrag der Lichtintensität entspricht. Zur besseren Verwendbarkeit wird dieser Strom mit einem Strom-Spannungswandler zunächst in eine Spannung gewandelt und anschließend verstärkt und gefiltert, um ein störarmes und verwertbares Signal an den A/D-Kanal des Mikrocontrollers zu liefern.
Ein kritischer Schritt bei der Entwicklung eines Pulsoximeters ist das pulsierende Signal zu erfassen. Der Fingerclip oder die Smartwatch muss ordnungsgemäß angebracht werden können, um Umgebungslichteinflüsse zu vermeiden. Außerdem sollte die Auflagefläche die Lichtemission durch die LEDs und die Erkennung über den Phototransistor richtig unterstützen. Das von den LEDs abgegebene Licht durchdringt das Gewebe und die Blutgefäße, reflektiert an Knochen, durchdringt das Gewebe wieder und wird dann letztendlich erfasst. Im Falle eines Pulsoximeters auf Reflexionsprinzip ist das Signal des Phototransistors mit einem hohen Offset versehen und dieses Prinzip weist somit ein geringeres Signal-Rausch-Verhältnis auf als das Transmissionsprinzip (Bild 6).
Worauf es bei den LEDs ankommt
Für ein korrektes Signal muss ein ausgefeiltes System implementiert werden, das schwache Signale verarbeiten kann und welches ermöglicht, das Signal mit hoher Genauigkeit zu übertragen und wiederherzustellen. Dabei werden Verstärkungsfaktoren in der Größenordnung von bis zu 10.000 eingesetzt und die Signale danach mittels eines Tiefpassfilter zu filtern, um unerwünschte hochfrequente Störungen zu eliminieren. Die Grenzfrequenz eines solchen Filters liegt typischerweise bei rund 4 Hz.
Als Lichtquellen sind LEDs mit hoher Performance, gleichbleibender Qualität und geringer Streuung bzw. kleinen Toleranzen notwendig. Würth Elektronik bietet mit der Serie WL-SMTW eine rote LED im Spektrum von 652 nm und in der WL-SITW eine IR-LED mit 940 nm. Der Vorteil der roten LED liegt in der genau definierten Wellenlänge und dem entsprechenden Wirkungsgrad. Bei einem Strom von IF = 20 mA wird eine typische Lichtstärke von 130 mcd erreicht, was in Kombination mit einem guten Phototransistor einen hohen Signal-/Rauschabstand ergibt.
Für den IR-Anteil eignet sich die Serie WL-SITW SMT Infrared TOP LED (15414194BA210). Die IR-LED sollte in dieser Anwendung ungefähr die doppelte Lichtstärke der roten LED bieten, um einen guten Signal-Rauschabstand zu erhalten. Die LED hat bei 50 mA eine typische Strahlungsintensität Ie von 8 mW/sr, sodass eine kurze, stromsparende Pulsansteuerung zur Durchleuchtung völlig genügt. Zu beachten ist, dass bei einer schwachen Durchleuchtung die Umgebungseinflüsse wie Wärmequellen schnell bemerkbar machen.
Als Lichtsensor kann der Phototransistor mit der Bezeichnung WL-STTW SMT Phototransistor (1541411NBA210) eingesetzt werden. Die höchste Lichtempfindlichkeit bietet er bei ungefähr 940 nm. Er kann aber auch das IR-Signal bei einer Wellenlänge von 660 nm detektieren. Der Unterschied im Amplitudenausschlag lässt sich leicht in der Verstärkerschaltung des nachgeschalteten aktiven Filters ausgleichen. Wird das Bauelement verwendet, so braucht der Entwickler über die gesamte Wellenlänge von 640 bis 940 nm nur einen einzigen Phototransistor zu verwenden.
Hier finden Sie optoelektronische Komponenten bei Würth Elektronik (externer Link).
Lesetipp
Wearables in der Medizin: Sensoren für tragbare Gesundheitsgeräte
* Sarah Giersch ist Produktmanagerin in der Division LEDs Optoelectronics. Dr.-Ing. Heinz Zenkner ist Application Engineer im Technical Marketing. Beide arbeiten bei Würth Elektronik eiSos.
(ID:46100963)
