Die kostenlosen Entwickler-Tools der Online-Plattform REDEXPERT von Würth Elektronik haben einen Neuzugang: Mit dem ICLED Color Calculator lassen sich PWM-Werte ermitteln, um mit ICLEDs spezifische Farbwerte darzustellen. Grundlage sind die Parameter, die der Hersteller für jede Charge seiner Pixel-LEDs mit integriertem IC ermittelt, bevor sie das Lager verlässt.
Definierte Farbwerte mit RGB-LEDs: Mit einem kostenlosen Tool lassen sich PWM-Werte ermitteln, um mit ICLEDs spezifische Farbwerte darzustellen.
Rote, grüne und blaue LEDs zu Pixeln zu gruppieren und mit der additiven Farbmischung beliebige Farben darzustellen, eröffnete neue Möglichkeiten für Displays und Lichtdesigns. Von Ambiente-Beleuchtungssystemen über Audio- und Spielgeräte, Signalanlagen, Anzeigen an Ladesäulen bis hin zu vollfarbigen Matrix-Displays lassen sich leistungsstarke Lösungen realisieren, indem anstelle der Pixel eines LCDs benachbarte rote, grüne und blaue LEDs als Pixel verwendet werden.
Besonders interessant wird der Ansatz mit ICLEDs. Bei diesen auch als adressierbare, smarte oder Pixel-LEDs bekannten Bauelementen handelt es sich um Leuchtdiodenpakete, in die ein integrierter Schaltkreis (IC) verbaut ist. Dieser Treiber ermöglicht durch Pulsweitenmodulation (PWM) die individuelle Steuerung der roten, grünen und blauen Chips im Paket und somit raffinierte und präzise Beleuchtungslösungen mit verschiedenen Farben. Weil jede Pixelfarbe individuell mit Helligkeiten von 0 bis 100 Prozent reguliert und digital gedimmt werden kann, lassen sich mit den integrierten RGB-LEDs mehr als 16 Mio. verschiedene Farb- und Helligkeitswerte erzeugen (bezogen auf die heute übliche 8-Bit-Tiefe).
Und da weniger Bauteile wie zum Beispiel Vorwiderstände benötigt werden, sind Display-Lösungen mit den intelligenten LEDs nicht nur schneller umsetzbar, sondern auch energieeffizienter mit herkömmlichen LEDs. Durch die digitale Steuerung erhöht sich die Flexibilität dessen, was angezeigt werden kann. Anstatt auf einige voreingestellte Schaltungen beschränkt zu sein, lassen sich auf Anzeigen beliebige Texte oder Symbole darstellen.
Effiziente LED-Dimmung durch Pulsweitenmodulation
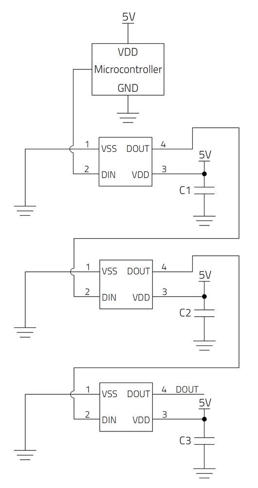
Bild 1: Die ICLEDs lassen sich in einer Daisy-Chain-Schaltung koppeln.
(Bild: Würth Elektronik)
Bild 2: ICLEDs und die Datenübertragung.
(Bild: Würth Elektronik)
Die einfachste Methode zur Steuerung der Helligkeit von LEDs ist die Dimmung über die Stromstärke. Diese kann jedoch den Farbwert verändern, was oft unerwünscht ist. Im Gegensatz dazu ermöglicht die Pulsweitenmodulation (PWM) bei Pixel-LEDs mit integriertem Schaltkreis (IC) eine präzise „Dimmung“, indem der Strom in extrem schnellen, für das menschliche Auge nicht wahrnehmbaren Intervallen ein- und ausgeschaltet wird.
In der Praxis erfolgt die Steuerung über Datensignale, die von einem Mikrocontroller (MCU) erzeugt werden. Diese Signale gelangen über eine Datenleitung zum DIN-Pin der ersten ICLED in der Schaltung. Weitere Komponenten werden in einer sogenannten Daisy-Chain-Verbindung miteinander verknüpft (Bild 1). Jeder integrierte Schaltkreis (IC) in der ICLED reduziert die empfangenen Datenpakete um die eigenen beispielsweise 24 Bit und leitet die verbleibenden Datenbits an die nächste LED in der Kette weiter (Bild 2).
Erkennt der DIN-Pin der ersten ICLED einen Reset-Code, signalisiert dies, dass die Übertragung eines neuen Datenpakets beginnt. Diese Methode gewährleistet, dass jede LED präzise und unabhängig angesteuert werden kann, ohne dabei Farbveränderungen in Kauf nehmen zu müssen. Diese Technik ist ein bedeutender Fortschritt für Elektronikentwickler, die anspruchsvolle Beleuchtungsanwendungen realisieren wollen.
Was steckt hinter ICLEDs?
ICLED steht für „Integrated Circuit Light-Emitting Diode“, eine Art von LED, die einen integrierten Schaltkreis (IC) direkt in ihrem Gehäuse enthält. Diese LEDs werden oft auch als adressierbare LEDs oder smarte LEDs bezeichnet. Der integrierte IC ermöglicht die individuelle Steuerung der Farbe und Helligkeit – in der Regel der roten, grünen und blauen Chips innerhalb jeder LED – durch digitale Signale.
Merkmale von ICLEDs:
Integrierte Steuerung: Der eingebaute IC erlaubt die digitale Adressierung und Steuerung über Datensignale, im Gegensatz zu Standard-LEDs, die separate Steuerungselektronik benötigen.
Pulsweitenmodulation (PWM): Ermöglicht eine präzise, softwarebasierte Steuerung der Farbmischung durch individuelle Anpassung der RGB-Chips im selben Gehäuse.
Vielseitige Anwendungen: Verwendet in pixelgenauen Displays, dekorativer Beleuchtung, Statusanzeigen und intelligenten Beleuchtungssystemen, die eine dynamische und flexible Steuerung erfordern.
ICLEDs unterscheiden sich von herkömmlichen LEDs durch die Kombination von LED-Chips und integriertem IC, die die Grundlage für viele moderne, adressierbare Lichtprodukte bildet.
PWM-Steuerung und Farbkalibrierung von LEDs
Die Frequenz der Pulsweitenmodulation (PWM) bestimmt die Helligkeit jeder einzelnen roten, grünen und blauen LED in einem Pixel-LED-System. Diese Frequenzkombinationen erzeugen verschiedene Farbwerte in der additiven Farbmischung. Mit dem Wissen über die spezifische Frequenz, die jede LED zu einem gewünschten Farbwert und einer bestimmten Helligkeit führt, können Entwickler eine breite Farbpalette erzeugen. Allerdings stießen Anwendungsentwickler bislang auf ein wesentliches Problem: Die genaue Bestimmung dieser Frequenzen war eine Herausforderung, da Hersteller hier kaum Unterstützung boten.
Zusätzlich verstärkten sich die Schwierigkeiten durch die variierende Farbwiedergabe von LEDs selbst innerhalb derselben Lieferung. Bereits kleinste Abweichungen in Materialien oder in den Produktionsprozessen können zu merklichen Unterschieden in der Leistung führen, obwohl die Bauelemente als identisch gelten. Diese Problematik unterstreicht die Notwendigkeit präziser Kalibrierungstechniken und einer intensiveren Zusammenarbeit zwischen Herstellern und Entwicklern, um konsistente und zuverlässige Ergebnisse bei der LED-Steuerung zu erzielen.
Von der Qualität bis zum Binning
Würth Elektronik trat erst spät in den Markt für ICLEDs ein und musste sich durch Qualität und Service differenzieren. Bei seinen in sechs Bauformen erhältlichen ICLEDs legte der Hersteller besonderen Wert auf eine hochwertige Verarbeitung wie Goldbeschichtungen bei Chip-LEDs und Silberbeschichtungen bei PLCC-Versionen, um die Lötfähigkeit zu verbessern. Vergleichsmessungen mit Pin-kompatiblen Konkurrenzmodellen ergaben eine um 40 Prozent höhere Beleuchtungsstärke.
Stand: 08.12.2025
Es ist für uns eine Selbstverständlichkeit, dass wir verantwortungsvoll mit Ihren personenbezogenen Daten umgehen. Sofern wir personenbezogene Daten von Ihnen erheben, verarbeiten wir diese unter Beachtung der geltenden Datenschutzvorschriften. Detaillierte Informationen finden Sie in unserer Datenschutzerklärung.
Einwilligung in die Verwendung von Daten zu Werbezwecken
Ich bin damit einverstanden, dass die Vogel Communications Group GmbH & Co. KG, Max-Planckstr. 7-9, 97082 Würzburg einschließlich aller mit ihr im Sinne der §§ 15 ff. AktG verbundenen Unternehmen (im weiteren: Vogel Communications Group) meine E-Mail-Adresse für die Zusendung von redaktionellen Newslettern nutzt. Auflistungen der jeweils zugehörigen Unternehmen können hier abgerufen werden.
Der Newsletterinhalt erstreckt sich dabei auf Produkte und Dienstleistungen aller zuvor genannten Unternehmen, darunter beispielsweise Fachzeitschriften und Fachbücher, Veranstaltungen und Messen sowie veranstaltungsbezogene Produkte und Dienstleistungen, Print- und Digital-Mediaangebote und Services wie weitere (redaktionelle) Newsletter, Gewinnspiele, Lead-Kampagnen, Marktforschung im Online- und Offline-Bereich, fachspezifische Webportale und E-Learning-Angebote. Wenn auch meine persönliche Telefonnummer erhoben wurde, darf diese für die Unterbreitung von Angeboten der vorgenannten Produkte und Dienstleistungen der vorgenannten Unternehmen und Marktforschung genutzt werden.
Meine Einwilligung umfasst zudem die Verarbeitung meiner E-Mail-Adresse und Telefonnummer für den Datenabgleich zu Marketingzwecken mit ausgewählten Werbepartnern wie z.B. LinkedIN, Google und Meta. Hierfür darf die Vogel Communications Group die genannten Daten gehasht an Werbepartner übermitteln, die diese Daten dann nutzen, um feststellen zu können, ob ich ebenfalls Mitglied auf den besagten Werbepartnerportalen bin. Die Vogel Communications Group nutzt diese Funktion zu Zwecken des Retargeting (Upselling, Crossselling und Kundenbindung), der Generierung von sog. Lookalike Audiences zur Neukundengewinnung und als Ausschlussgrundlage für laufende Werbekampagnen. Weitere Informationen kann ich dem Abschnitt „Datenabgleich zu Marketingzwecken“ in der Datenschutzerklärung entnehmen.
Falls ich im Internet auf Portalen der Vogel Communications Group einschließlich deren mit ihr im Sinne der §§ 15 ff. AktG verbundenen Unternehmen geschützte Inhalte abrufe, muss ich mich mit weiteren Daten für den Zugang zu diesen Inhalten registrieren. Im Gegenzug für diesen gebührenlosen Zugang zu redaktionellen Inhalten dürfen meine Daten im Sinne dieser Einwilligung für die hier genannten Zwecke verwendet werden. Dies gilt nicht für den Datenabgleich zu Marketingzwecken.
Recht auf Widerruf
Mir ist bewusst, dass ich diese Einwilligung jederzeit für die Zukunft widerrufen kann. Durch meinen Widerruf wird die Rechtmäßigkeit der aufgrund meiner Einwilligung bis zum Widerruf erfolgten Verarbeitung nicht berührt. Um meinen Widerruf zu erklären, kann ich als eine Möglichkeit das unter https://contact.vogel.de abrufbare Kontaktformular nutzen. Sofern ich einzelne von mir abonnierte Newsletter nicht mehr erhalten möchte, kann ich darüber hinaus auch den am Ende eines Newsletters eingebundenen Abmeldelink anklicken. Weitere Informationen zu meinem Widerrufsrecht und dessen Ausübung sowie zu den Folgen meines Widerrufs finde ich in der Datenschutzerklärung, Abschnitt Redaktionelle Newsletter.
Auch ein lästiges Problem bei der Bestückung wurde angegangen: Im Gegensatz zu bisher auf dem Markt erhältlichen vergleichbaren Lösungen weisen die intelligenten LEDs einen Moisture Sensitivity Level von MSL3 auf – statt wie üblich MSL5 oder MSL 5a. Um die LEDs für diverse Anwendungen zu qualifizieren, liefert der Hersteller für alle Modelle der Produktgruppe photobiologische Testberichte nach EN 62471:2008 und IEC 62471:2006. Das benötigen Kunden, bei denen eine potenzielle Gefährdung der Augensicherheit durch Lichtquellen bewertet werden muss, zum Beispiel in Consumer-Produkten, Beleuchtungslösungen oder medizinischen Geräten. Die Tests und Qualifikationen werden basierend auf den Richtlinien von AEC Q102-003 durchgeführt.
Da auch bei guter Verarbeitung Abweichungen unvermeidlich sind, führte Würth Elektronik ein besonders strenges Binning ein, damit sich die Kunden auf ein einheitliches Verhalten verlassen können. Zur Qualitätssicherung werden alle LEDs nach der Herstellung zu 100 Prozent elektrisch und optisch geprüft. Danach werden sie nach Helligkeit und Farbe in Gruppen sortiert. Durch dieses Binning sind die LEDs auf einer Rolle weitestgehend gleich. Die Toleranz der Luminanz liegt aktuell bei ± 5 % pro Farbe pro Charge. Beim Farbort gilt bei den derzeitigen Produkten pro Farbe eine Toleranz von ± 0,005 bei den xy-Farbkoordinatenwerten im CIE 1931-Farbraum.
Wenn eine Ansteuerung von ICLEDs die Wahl aus 16 Millionen Farb- und Helligkeitswerten ermöglicht, sollte es auch zuverlässig möglich sein, einen bestimmten Farbton reproduzierbar auf eine Gruppe von LEDs einheitlich anzuwenden. Die Einheitlichkeit ist durch das strenge Binning erreicht. Um den Farbton zu treffen, gibt es den ICLED Color Calculator.
Individuelle Farbwerte mit 8 Bit
Bild 3: Der REDEXPERT ICLED Color Calculator gibt nach Eingabe von Bauteil, Bin und Farbe die Werte für die PWM-Ansteuerung aus.
(Bild: Würth Elektronik)
Der ICLED-Color-Calculator erweitert die Möglichkeiten der Beleuchtungs- und Signallösungen mit ICLEDs massiv. Mit diesem Service können Entwickler erstmals mühelos ermitteln, welche Angaben in der Programmierung nötig sind, um einen bestimmten Farbwert darzustellen. Auf der intuitiv bedienbaren Benutzeroberfläche des REDEXPERT ICLED Color Calculator (Bild 3) wählen Kunden den gewünschten ICLED-Typ sowie Farbe und Helligkeit im CIE1931-Normfarbsystem („xy-Farbraum“). Dies generiert automatisch den passenden digitalen Wert für die Pulsweitenmodulation der im ICLED-Bauelement verbauten RGB-LEDs, bezogen auf die Eigenschaften ihres Bins. Diese Werte können direkt in die Programmierung der ICLEDs übernommen werden. Die generierten Farbwerte zur PWM-Steuerung lassen sich dazu in eine Excel-Tabelle exportieren. Weitere Exportformate können je nach Kundenwunsch ergänzt werden. In einer der nächsten Versionen wird es voraussichtlich auch eine API für eine automatisierte Tool-Anbindung geben.
Aktuell liefert das Tool PWM-Werte mit 8-Bit-Tiefe, was 256 Stufen entspricht und damit dem gängigen Industriestandard entspricht. Die Architektur ist jedoch bereits so ausgelegt, dass auch eine Erweiterung auf 12 Bit möglich und in Version 2 des Tools vorgesehen ist.
Dass die Frequenzen, die die ICLEDs für PWM-Signale nutzen, verschieden sind, ist übrigens für den ICLED Color Calculator irrelevant, da das Tool sich um die Reproduzierbarkeit einer gezielten Farbe pro Charge kümmert. Die sehr gängige Version PLCC 4 in Bauform 5050 arbeitet beispielsweise mit 4 kHz, während der Typ PLCC 6 5050 Dual mit 20 kHz arbeitet. Mit den Teile- und Los-Nummern bekommt man für beide jeweils die RGB-Werte für die Ansteuerung, die beispielsweise das Würth-Rot ergeben, welches im CIE1931 Farbraum dem Koordinatenpunkt x = 0,6408 und y = 0,33 entspricht.
Flexibilität und Offenheit im Fokus
Arbeiten Entwickler mit den ICLEDs von Würth Elektronik, stehen zahlreiche Möglichkeiten zur Verfügung. Mithilfe von Controllern wie Arduino Uno, Adafruit Feather M0, Raspberry Pi oder ESP32 bietet sich eine breite Plattformauswahl für Ihre Projekte. Das bereitgestellte Software Development Kit (SDK) von Würth Elektronik unterstützt eine schnelle Software-Integration. Auf der Unternehmenswebsite ist ein umfassendes Set an Tools zu finden, das plattformunabhängige Treiber und Beispielanwendungen umfasst. Letztere sind in C und C++ gehalten und wurden mit Visual Studio entwickelt, um eine reibungslose Integration zu gewährleisten.
Für den Fall, dass bestimmte ICLEDs noch nicht im Online Calculator hinterlegt sind, stellt Würth Elektronik die Rohdaten für die entsprechende Charge auf Anfrage per E-Mail bereit. Diese Herangehensweise fördert eine offene und vielseitige Datenverfügbarkeit, unabhängig von spezifischen Systemen oder Anwendungen. Ziel ist es, Entwicklern die größtmögliche Freiheit und Flexibilität zu bieten, damit sie ihre Projekte effektiv umsetzen können.
Funktionen zur Optimierung von ICLED-Entwicklungen
Derzeit konzentriert sich das Tool von Würth Elektronik auf die präzise Berechnung der PWM-Werte für die Farbmischung im Farbraum CIE 1931. Obwohl Gamma-Korrekturen für visuell- oder farbkritische Anwendungen wichtig sind, ist deren Integration im Tool noch in der Evaluierungsphase. Entwickler-Feedback ist jederzeit willkommen, um festzulegen, ob und wie diese Funktion zukünftig hinzugefügt werden sollte.
Eine weitere geplante Funktion ist die Temperaturkompensation. Der ICLED Color Calculator basiert aktuell auf Messungen bei 25 °C. Zukünftige Updates sollen die Temperaturdrift berücksichtigen, da diese die Farbtreue beeinflussen kann. Für Anwendungen mit hoher LED-Dichte ist eine effektive Kühlung, ob passiv oder aktiv, empfehlenswert, um eine konsistente thermische Umgebung zu gewährleisten. Dies minimiert Farbdrift und sorgt für stabile, farbgetreue Ergebnisse.
ICLEDs bereichern das Portfolio jenseits herkömmlicher analoger LEDs und adressieren gezielt verschiedenste Marktanforderungen. Besonders bei anspruchsvollen Anwendungen in der Signaltechnik oder für optische Effekte bieten sie entscheidende Vorteile. Dank ihrer hohen Präzision in der Steuerung, die Würth Elektronik durch die präzise Farbwiedergabe ermöglicht hat, eröffnen sich neue Einsatzgebiete, etwa bei adaptiver Beleuchtung oder in farbkodierten Signalanwendungen. (heh)