WBG-Leistungshalbleiter verändern die Art und Weise, wie PFCs zu entwickeln sind. Am Beispiel EV-Ladestation skizziert der Artikel eine Lösung mit dem SiC-MOSFET TW070J120B und Gate-Treiber TLP5214A.
(Bild: Toshiba Electronics Europe)
Durch die anhaltenden weltweiten Bemühungen, die CO2-Emissionen zu verringern, steigt das Interesse an Elektrofahrzeugen (EV). Infolgedessen steigt auch die Nachfrage nach einer entsprechenden Lade-Infrastruktur. Autofahrer benutzen derzeit Ladestationen zu Hause, im Büro oder an Geschäften und Einkaufszentren. Unternehmen mit großen Fahrzeugflotten statten ihre Parkplätze mit Ladestationen aus, damit ihre Teams immer einsatzbereit sind. Dieser Wandel bei der „Betankung“ scheint offensichtlich – die Auswirkungen sind jedoch enorm. In wenigen Jahren müssen Millionen Ladepunkte mit Leistungswerten zwischen 3,6 kW und 22 kW installiert werden, wobei Schnellladestationen sogar Spitzenwerte von 150 kW und mehr erreichen können.
Der daraus resultierende massive Lastanstieg besonders zu Spitzenzeiten stellt die Versorger vor große Herausforderungen. Die installierten Ladelösungen müssen ihren Beitrag leisten, indem sie neueste Technik nutzen, um höchstmögliche Wirkungsgrade und einen möglichst nah an 1 liegenden Leistungsfaktor (PF; Power Factor) zu erreichen. Leistungsfaktorkorrekturstufen (PFC) sind Standard in elektrischen Geräten, seit die Europäische Union Grenzwerte für Oberwellenströme in den Standards IEC 61000-3-2 und IEC 61000-3-12 festgelegt hat.
Darüber hinaus übt der Markt entsprechenden Druck aus auf die Baugröße und die Wärmeableitung mit dem Trend hin zu passiver Kühlung, wo immer dies möglich ist. Dies setzt wiederum die Entwickler unter Druck, effizientere Konzepte für Leistungswandler zu finden. Bis vor kurzem waren PFCs die Domäne von IGBTs, die für ihrer hohen Strombelastbarkeit und Robustheit bekannt sind. Die Einführung von Leistungselektronikbauelementen mit großer Bandlücke verändert jedoch die Art und Weise, wie PFCs umgesetzt werden.
SiC-Power-Module
Für Anwendungen die hohe Ströme und Spannungen erfordern, etwa Wechselrichter, Umrichter für Schienenfahrzeuge, PV-Wechselrichter und elektrische Motorantriebe, entwickelte Toshiba zahlreiche Power-Module mit SiC-MOSFET-Chips der dritten Generation. Im Fokus: hohe Zuverlässigkeit, weite Gate-to-Source-Spannung und hohe Gate-Schwellenspannung. Charakteristisch sind auch eine hohe Wärmetoleranz und das niederinduktive Gehäuse.
Siliziumkarbid-MOSFETs für effizientere PFC-Designs
Halbleiter mit weitem Bandabstand wie beispielsweise Siliziumkarbid (SiC) bieten Entwicklern von Leistungswandlern neue Möglichkeiten. Im Vergleich zu bestehenden IGBTs bietet Siliziumkarbid deutlich geringere Ein- und Ausschaltverluste sowie Verbesserungen bei den Leitungs- und Diodenverlusten. Eine Analyse ihrer Schalteigenschaften zeigt, dass SiC-MOSFETs fast sofort vollständig einschalten, während IGBTs im Vergleich eine signifikante Steigung aufweisen. Dies führt zu erheblich geringeren Schaltverlusten.
Der Betrieb eines schnell schaltenden IGBTs und des Siliziumkarbid-MOSFETs TW070J120B von Toshiba unter den gleichen Laborbedingungen zeigt, dass die Schaltverluste des SiC-MOSFETs bei 0,6 mJ liegen. Dies ist etwa ein Viertel der bei dem IGBT gemessenen 2,5 mJ. Getestet wurde jeweils bei 800 V, einem Drain-Source-Strom von 10 A, einer Umgebungstemperatur von 150 °C und optimalen Gate-Source-Schwellenspannungen.
Bild 1: Im Vergleich zu IGBTs der neuesten Generation weist der SiC-MOSFET TW070J120B deutlich höhere Schaltgeschwindigkeiten auf, die zu höheren Wirkungsgraden in Leistungswandlern führen.
(Bild: Toshiba Electronics Europe)
In einer 3-Phasen-400-V-PFC zeigt der SiC-MOSFET Anwendungsvorteile gegenüber dem IGBT. Berücksichtigt man alle Schalt- und Leitungsverluste des FETs und der internen Diode, spart ein SiC-MOSFET-basiertes Design rund 66% an Verlusten gegenüber einem vergleichbaren IGBT-basierten Design ein.
Bild 2: In einem 3-Phasen-PFC-Design zeigt der SiC-MOSFET eine 66% geringere Verlustleistung im Vergleich zu einem IGBT-basierten Design.
(Bild: Toshiba Electronics Europe)
Diese Effizienzverbesserung bietet Entwicklern die Möglichkeit, die Baugröße ihres PFC-Designs bei gleicher Leistung zu verringern oder die Leistung bei gleichem Volumen zu erhöhen.
Die integrierte Diode des SiC-MOSFET TW070J120B hat eine sehr niedrige Durchlassspannung (UDSF) von nur -1,35 V. Sie ist sehr robust gegenüber Stromspitzen und ist mit Strompulse von bis zu 72 A (TC=25°C) belastbar. Der Gate-Source-Spannungsbereich (UGSS) von -10 bis 25 V ist breiter als bei anderen Produkten des Marktes, was das Design vereinfacht. Der hohe Gate-Schwellenwert (Uth) von 4,2 V bis 5,8 V schützt vor ungewolltem Schalten aufgrund von Gate-Spannungsschwankungen und Rauschen.
Referenz-Design für die SiC-basierten PFC-Entwicklung
Der Wechsel von Silizium-IGBTs zu SiC-MOSFETs in Leistungswandlern ist im Vergleich zu anderen WBG-Halbleitern relativ einfach. Den schnellsten Weg bieten Referenz-Designs. Toshibas bidirektionales 3-Phasen-PFC-Referenzdesign mit 400-VAC-Eingang wurde speziell für Anwendungen wie das Laden von Elektrofahrzeugen unter Berücksichtigung von Smart-Grid-Gesichtspunkten entwickelt.
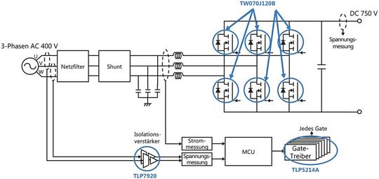
Bild 3: In Toshibas 3-Phasen-400-V-PFC-Referenz-Design werden die SiC-MOSFETs TW070J120B von den Gate-Treibern TLP5241A angesteuert.
(Bild: Toshiba Electronics Europe)
Es erzeugt eine 750-VDC-Ausgangsspannung und erzielt einen Wirkungsgrad von 97% und einen Leistungsfaktor von 0,99 oder besser. Das Referenz-Design basiert auf einem brückenlosen 3-Phasen-Totem-Pole-Design, das jede Phase direkt von einer 50-Hz- oder 60-Hz-Leitung zwischen 312 VAC und 528 VAC schaltet. Kombiniert mit einem bidirektionalen DC/DC-Wandler bietet das Design eine Gesamtlösung für EV-Ladegeräte.
Bild 4: Toshibas 3-Phasen-400 V-PFC-Referenz-Design für den Einsatz mit bidirektionalen DC/DC-Wandlern in Batterieladeanwendungen.
(Bild: Toshiba Electronics Europe)
Ein passender Design-Vorschlag für einen DC/DC-Wandler steht von Toshiba zur Verfügung.
Eine intelligente Ansteuerung der 1200-V-SiC-MOSFET trägt maßgeblich zur Effizienzsteigerung bei. Diese Aufgabe übernimmt im PFC-Referenz-Design der Smart-Gate-Treiber TLP5214A. Mit Schaltfrequenzen von bis zu 50 kHz lassen sich die Größe der benötigten Induktivitäten und somit auch die Gesamtgröße des Leistungswandlers reduzieren. Die höhere Schaltfrequenz und die höheren Flankensteilheiten der Signale können zu Herausforderungen bei der Einhaltung der EMV-Grenzwerten führen. Die Schaltgeschwindigkeit des TLP5214A-Gate-Treibers lässt sich jedoch einfach durch serielle Gate-Widerstände anpassen. Ein verbessertes EMV-Verhalten kann allerdings Auswirkungen auf die Gesamteffizienz haben.
Entscheidend für die optimale Ansteuerung von SiC-MOSFETs ist das Anlegen des richtigen Gate-Signals, wobei die im Datenblatt des TW070J120B definierten Gate-Spannungen unbedingt einzuhalten sind. Im Referenz-Design wird eine Gate-Spannung zwischen -2 V und 18 V benutzt. Beim TW070J120B sind Maximalwerte von -10 V und 25 V spezifiziert, womit sich eine ausreichende Sicherheitsmarge ergibt.
Beim Einschalten benötigt das Gate des Power-SiC-MOSFETs TW070J120B eine elektrische Ladung von 70 nC. Der Gate-Treiber muss in der Lage sein, diese bei der gewählten Schaltfrequenz bereitzustellen. Der verwendete Smart-Gate-Treiber TLP5214A liefert an seinem Ausgang bis zu ±4 A, was ausreicht, um das Gate des TW070J120B schnell zu schalten. Darüber hinaus ist er mit Überstromschutz und Unterspannungssperre ausgestattet, um ein sicheres Verhalten im Fehlerfall zu gewährleisten.
Fazit: Die rasche Einführung von Elektrofahrzeugen rückt die Herausforderungen an die Ladetechnik in den Mittelpunkt. Bei den hohen Leistungen, um die es hier geht, führt jeder Prozentpunkt an Effizienz zu Hunderten Watt Verlustleistung, die während des Betriebs eingespart werden können. Während der Großteil der aktiven PFC-Designs traditionell auf IGBTs basiert, erfordern auf kommende Designs eine höhere Leistungsfähigkeit, die den Wirkungsgrad bis an die Grenze des Möglichen treibt. SiC, eine robuste und Hochvolt-fähige WBG-Halbleitertechnologie, verdrängt IGBTs in solchen Anwendungen. Durch sorgfältig entwickelte Referenz-Designs, wie dem 3-Phasen-400-V-PFC von Toshiba, können Entwickler solche Designs schnell evaluieren und sich mit der SiC-MOSFET-Technik vertraut machen, um schnell stabile und zuverlässige Leistungswandler zu realisieren. //
* * Dr.-Ing. Matthias Ortmann ... ist Chief Engineer Application Support bei Toshiba Electronics Europe.
(ID:47716370)
Stand: 08.12.2025
Es ist für uns eine Selbstverständlichkeit, dass wir verantwortungsvoll mit Ihren personenbezogenen Daten umgehen. Sofern wir personenbezogene Daten von Ihnen erheben, verarbeiten wir diese unter Beachtung der geltenden Datenschutzvorschriften. Detaillierte Informationen finden Sie in unserer Datenschutzerklärung.
Einwilligung in die Verwendung von Daten zu Werbezwecken
Ich bin damit einverstanden, dass die Vogel Communications Group GmbH & Co. KG, Max-Planckstr. 7-9, 97082 Würzburg einschließlich aller mit ihr im Sinne der §§ 15 ff. AktG verbundenen Unternehmen (im weiteren: Vogel Communications Group) meine E-Mail-Adresse für die Zusendung von redaktionellen Newslettern nutzt. Auflistungen der jeweils zugehörigen Unternehmen können hier abgerufen werden.
Der Newsletterinhalt erstreckt sich dabei auf Produkte und Dienstleistungen aller zuvor genannten Unternehmen, darunter beispielsweise Fachzeitschriften und Fachbücher, Veranstaltungen und Messen sowie veranstaltungsbezogene Produkte und Dienstleistungen, Print- und Digital-Mediaangebote und Services wie weitere (redaktionelle) Newsletter, Gewinnspiele, Lead-Kampagnen, Marktforschung im Online- und Offline-Bereich, fachspezifische Webportale und E-Learning-Angebote. Wenn auch meine persönliche Telefonnummer erhoben wurde, darf diese für die Unterbreitung von Angeboten der vorgenannten Produkte und Dienstleistungen der vorgenannten Unternehmen und Marktforschung genutzt werden.
Meine Einwilligung umfasst zudem die Verarbeitung meiner E-Mail-Adresse und Telefonnummer für den Datenabgleich zu Marketingzwecken mit ausgewählten Werbepartnern wie z.B. LinkedIN, Google und Meta. Hierfür darf die Vogel Communications Group die genannten Daten gehasht an Werbepartner übermitteln, die diese Daten dann nutzen, um feststellen zu können, ob ich ebenfalls Mitglied auf den besagten Werbepartnerportalen bin. Die Vogel Communications Group nutzt diese Funktion zu Zwecken des Retargeting (Upselling, Crossselling und Kundenbindung), der Generierung von sog. Lookalike Audiences zur Neukundengewinnung und als Ausschlussgrundlage für laufende Werbekampagnen. Weitere Informationen kann ich dem Abschnitt „Datenabgleich zu Marketingzwecken“ in der Datenschutzerklärung entnehmen.
Falls ich im Internet auf Portalen der Vogel Communications Group einschließlich deren mit ihr im Sinne der §§ 15 ff. AktG verbundenen Unternehmen geschützte Inhalte abrufe, muss ich mich mit weiteren Daten für den Zugang zu diesen Inhalten registrieren. Im Gegenzug für diesen gebührenlosen Zugang zu redaktionellen Inhalten dürfen meine Daten im Sinne dieser Einwilligung für die hier genannten Zwecke verwendet werden. Dies gilt nicht für den Datenabgleich zu Marketingzwecken.
Recht auf Widerruf
Mir ist bewusst, dass ich diese Einwilligung jederzeit für die Zukunft widerrufen kann. Durch meinen Widerruf wird die Rechtmäßigkeit der aufgrund meiner Einwilligung bis zum Widerruf erfolgten Verarbeitung nicht berührt. Um meinen Widerruf zu erklären, kann ich als eine Möglichkeit das unter https://contact.vogel.de abrufbare Kontaktformular nutzen. Sofern ich einzelne von mir abonnierte Newsletter nicht mehr erhalten möchte, kann ich darüber hinaus auch den am Ende eines Newsletters eingebundenen Abmeldelink anklicken. Weitere Informationen zu meinem Widerrufsrecht und dessen Ausübung sowie zu den Folgen meines Widerrufs finde ich in der Datenschutzerklärung, Abschnitt Redaktionelle Newsletter.