AC-Netzsimulation Im Vier-Quadrantenbetrieb
Anbieter zum Thema

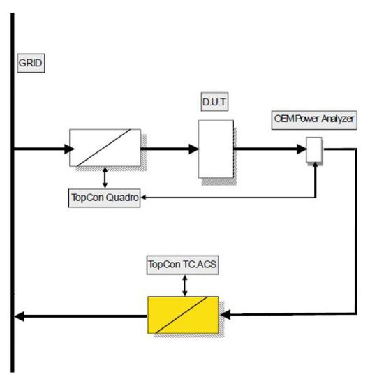
Die Vierquadranten-Netzsimulatoren TC.ACS des Schweizer Herstellers Regatron (Vertrieb: Schulz-Electronic ) bieten eine Modulleistung von 50 kVA und liefern simulationsseitig eine dreiphasige Wechselspannung von 0 bis 280 V mit aktivem Nullleiter. Dank der einfachen Parallelisierung von Basiseinheiten können Systeme von bis zu 700 kVA aufgebaut werden. Die Geräte bieten vollen 4-Quadranten-Betrieb und sind unein-geschränkt netzrückspeisefähig.

Aufgrund moderner Multilevel-Umrichtertechnologie bieten die Geräte in jeder Betriebsart einen hohen Wirkungsgrad. Die Applikationssoftware ACSControl unterstützt die manuelle Führung und die Programmierung sowie das Fahren von automatisierten Prüfabläufen einschließlich der Datenerfassung der Anlage.
Netzsimulatoren erlauben sowohl die Simulation der verschiedensten Netzzustände als auch die Generierung von Netzfehlern und Netzstö-rungen, mit denen die zu testenden Rückspeisegeräte evaluiert und ausgeprüft werden können. Bereits zum heutigen Zeitpunkt existieren exakte Prüfnormen für Rückspeisegeräte, und es ist damit zu rechnen, dass dieses Regelwerk in naher Zukunft noch ausgebaut und verschärft wird. „Der neue Netzsimulator TC.ACS weist eine offene Systemarchi-tektur auf, deren Verhalten weitgehend durch Software parametriert werden kann. Damit sind die Nutzer mit einem TC.ACS auch bei zukünf-tigen Anforderungen immer auf der sicheren Seite“, erläutert Dehn.
Aufgrund der hohen Wirkungsgrade des hoch getakteten Netzsimulators entstehen selbst bei sehr hohen Systemleistungen nur geringe lokale Verlustleistungen. Zusammen mit der vollwertigen Netzrückspeisefähig-keit senkt dies die Energiekosten beträchtlich, reduziert aber auch die Anforderungen an die Gebäude-Infrastruktur wie Klimatisierung und Kühlsysteme drastisch.
Artikelfiles und Artikellinks
Link: Mehr über den TC.ACS
(ID:37463350)