Verbundprojekt InTeLekt Generisches Simulationsmodell für Leistungsmodule im Elektroantrieb
Seit 2014 arbeitet eine Forschungsgruppe unter Federführung des Fraunhofer-Instituts für Betriebsfestigkeit und Systemzuverlässigkeit LBF am Verbundprojekt „InTeLekt – Integrierte Prüf- und Testumgebung für Leistungselektroniken“. In einem ersten Projektschritt hat der Entwicklungsdienstleister Berner & Mattner nun erfolgreich eine neue, generische Simulationsumgebung der Leistungselektronik des Traktionsnetzes und des Elektromotors realisiert.
Anbieter zum Thema

Elektronische Leistungsmodule in Bereichen wie Antrieb, Batterie oder Bordelektronik sind im Elektrofahrzeug hohen elektrischen und mechanischen Lasten ausgesetzt. Im Rahmen der Ergebnisse von „InTeLekt“ soll daher künftig eine neue Simulationsumgebung die schnellere Beurteilung der Zuverlässigkeit und der Lebensdauer dieser Leistungselektroniken ermöglichen. Die im Projekt gewonnenen neuen Simulationsansätze von Berner & Mattner fließen in eine verbesserte Fehleranalyse für die gesamte Steuergeräteumgebung der E-Maschine mit ein. Damit lassen sich nicht nur Funktionskomponenten analysieren, auch Fehlerkombinationen und deren Auswirkungen auf das Gesamtsystem Elektro-/Hybridfahrzeug können frühzeitig und einfacher abgeleitet werden. Die beteiligten Industrie- und Forschungspartner profitieren aufgrund der realistischen Simulationsdaten von deutlich kürzeren Entwicklungszeiten und höheren Sicherheitsstandards.
Verbundprojekt InTeLekt
Forschen für sichere und zuverlässige Elektrofahrzeuge
Generische Fehlersimulation für Elektro- und Hybridfahrzeuge
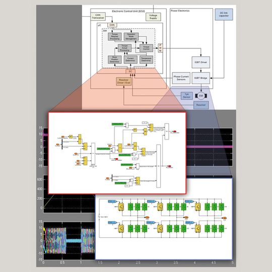
„Unser Team hat, wie geplant, in der ersten Projektphase ein neuartiges, generisches Simulink-Modell mit einstellbaren Parametern für die Leistungselektronik des Traktionsnetzes und des Elektromotors erstellt. Mit diesem generischen Ansatz stehen nun für unterschiedlichste Fahrzeugtypen valide Simulationsmöglichkeiten bereit“, erläutert Dr. Bernhard Kaiser, Leiter Center of Competence in Safety & System Engineering bei Berner & Mattner. „Das Modell erlaubt eine Nachbildung der Komponenteninteraktion und Fehlerfortpflanzung im Inverter. Somit können die Auswirkungen von Komponentenfehlern im integrierten Fahrzeugantrieb auf modularer Ebene untersucht werden, wobei neuartige Methoden wie Fehlerinjektionssimulation zum Einsatz kommen. Dieselben Modelle lassen sich in die gesamte Motorsimulationsumgebung wie auch in die Fehlerkettenbetrachtung der Sicherheits- und Zuverlässigkeitsanalysen integrieren“, so Kaiser weiter.
Aufdeckung von Ursache-Wirkungs-Mechanismen bis auf Fahrzeugebene
In einem nächsten Schritt wird das generische Simulationsmodell für die Anwendung in der Praxis weiter spezifiziert. Zusätzlich implementiert das Berner & Mattner-Team relevante, kritische Fehlerarten wie Kurzschluss oder Sperre in das Modell. „Dadurch können wir Ursache-Wirkungs-Mechanismen von Bauteilfehlern auf Schaltungsebene im Vergleich zu herkömmlich Modellansätzen noch besser darstellen“, so Bernhard Kaiser. Um eine detaillierte Nachbildung der real eingesetzten Elektromotorsteuergeräteumgebung zu ermöglichen, ist zudem die Integration neuer Funktionsmodule, z.B. das HV-Board, und sicherheitsspezifische Funktionen wie z.B. Spannungsüberwachungen und Range-Check-Algorithmen vorgesehen.
Erkenntnisse fließen in künftige Projekte ein
Im Verbund mit den experimentell ermittelten Daten der Projektpartner werden abschließend hierarchische FMEA- oder FTA-Modelle generiert. Bis zum Abschluss des Projektes 2016 sollen dann Fehlermodi und deren Auswirkungen bis auf die Fahrzeugebene simuliert werden. Der generische Ansatz sowie gewonnene Erfahrungen und Erkenntnisse aus der Simulation können dann in künftige Projekte der Industrie- und Forschungspartner mit einfließen.
InTeLekt soll Wettbewerbsfähigkeit deutscher Unternehmen stärken
InTeLekt wurde vom Bundesministerium für Bildung und Forschung (BMBF) im Rahmen des Förderprogramms „IKT 2020 – Forschung für Innovationen“ ins Leben gerufen. Über diese Förderung soll die Wettbewerbsfähigkeit der deutschen Industrie im Wachstumsmarkt der elektrischen Fahrzeugantriebe gestärkt werden.
(ID:43219077)