Schaltungstipp Achtkanalige Soundbar für mobile Anwendungen

Thomas Tzscheetzsch *

Anbieter zum Thema

Mit der vorgestellten Schaltung auf Basis des DSPs ADAU1761 lässt sich eine Soundbar mit acht Kanälen einfach realisieren. Der Chip wird über die kostenlose Software Sigma Studio programmiert. Damit können auch Audioentwickler ohne Programmiererfahrung das System entwickeln.

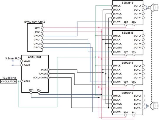
Bild 1: Prinzipschaltbild der Soundbar mit acht Kanälen(Bild:  Analog Devices)
Bild 1: Prinzipschaltbild der Soundbar mit acht Kanälen
(Bild: Analog Devices)

Moderne Mobiltelefone werden immer mehr zu Multimedia-Geräten, die Musik und Videos wiedergeben. Da auch die Infrastruktur der Netzbetreiber sowie die Mobilfunktarife eine größere Bandbreite gestatten, nutzen immer mehr Anwender Musik- und Videoportale. Dadurch steigt der Bedarf an Zubehör wie aktiven Lautsprechern.

Mit der hier vorgestellten Schaltung lässt sich auf einfache Weise eine Soundbar mit acht Kanälen realisieren. Kernstück der Schaltung ist der ADAU1761, ein SigmaDSP von Analog Devices. Dieser Baustein wird über die kostenlose, grafische Software Sigma Studio des Bausteinherstellers programmiert, was auch Audioentwickler ohne Programmiererfahrung in die Lage versetzt, z.B. ein Surround-System mit acht Kanälen zu entwickeln.

Bildergalerie

Der ADAU1761 akzeptiert das Stereo-Audiosignal an seinen analogen Eingängen Masse bezogen oder differenziell. Nach der Wandlung durch die internen A/D-Wandler werden die Signale über die interne digitale Signalprozessoreinheit bearbeitet. In der Software Sigma Studio stehen verschiedene Module zur Verfügung wie etwa Filter, Mixer, Equalizer bis hin zu komplexen Funktionen wie Surround und 3-D Audio-Funktionen. Die Ausgabe der Signale erfolgt entweder über die beiden internen D/A-Wandler oder über die digitale Schnittstelle wie in dieser Schaltung.

Diese serielle Datenschnittstelle überträgt das Audiosignal mit einem I2S oder TDM kompatiblen Datenstrom. Der ADAU1761 ist in der Schaltung der Master, das bedeutet, er erzeugt die Takte (bit clock BLCK, frame clock LRCLK) und den Datenstrom (SDATA). Als Verstärker werden vier Stereo Class-D-Verstärker des Typs SSM2518 von Analog Devices benutzt, die jeweils 2 x 2 W Ausgangsleistung an 4 Ohm bieten. Alle fünf Bausteine werden über einen gemeinsamen Oszillator (MCLK) mit 12,288 MHz getaktet, wobei, je nach Impedanz der Taktquelle, ein Puffer-Verstärker vorgesehen werden muss.

Die Konfiguration der vier Endstufen-Bausteine erfolgt über die I2C-Schnittstelle. Da die Bausteine jedoch nur einen Pin zur Umschaltung der Adressen besitzen, müssen sie nacheinander programmiert werden, was durch die GPIO0- bis GPIO3-Leitungen (Bild 1) geschieht. Hierbei werden jeweils drei Leitungen auf ein Potenzial gezogen (High oder Low), die andere Leitung bekommt das entgegengesetzte Potenzial. Der Baustein mit der eindeutigen Adresse kann nun parametriert werden, anschließend wird diese Prozedur mit den restlichen Bausteinen auf die gleiche Art durchgeführt.

Jetzt folgen noch ein paar Worte zur Qualität des Audiosignals. Die Spannungsmessung erfolgt über einen Frequenzbereich von 22 Hz bis 22 kHz mit einem A-gewichteten Filter. Das durchschnittliche Rauschen über alle Kanäle beträgt 66 µVeff, der Signal-Rausch-Abstand (SNR) bei einer Ausgangsleistung von 2 W an 4 Ohm ist besser als 90 dB. Auch THD+N (gesamte harmonische Verzerrung) liegt bei einem 1-kHz-Sinussignal unter 1% bei 2 W. Diagramme mit den gemessenen Werten zeigen die Bilder 2 und 3.

Variationen der Schaltung mit anderen SigmaDSPs sind natürlich möglich. Bausteine der Serie ADAU144x bieten jeweils 24 Ein- und 24 Ausgangskanäle, die Familie der ADAU145x bieten sogar je 48 Ein- und 48 Ausgangskanäle. Diese besitzen ausschließlich digitale Audio Ein- und Ausgänge bei gleichzeitig erweiterter Leistungsfähigkeit der Recheneinheit. Natürlich können auch andere Endstufen mit höherer Leistung eingesetzt werden.

Die Programmierung der SigmaDSPs über die Software Sigma Studio ist einfach. Der Benutzer muss nur die entsprechenden Funktionsblöcke auf die Arbeitsfläche ziehen und verbinden. Es kann sofort mit dem Test begonnen werden, Änderungen sind während der Laufzeit möglich (z.B. Änderungen der Filterkoeffizienten, Lautstärke und vieles mehr). Daneben können in Echtzeit auch Ausgaben realisiert werden.

* Thomas Tzscheetzsch arbeitet als Applikationsingenieur bei Analog Devices in München.

Originalbeitrag als ePaper oder im pdf-Format lesen

Dieser Autorenbeitrag ist in der Printausgabe ELEKTRONIKPRAXIS 8/2015 erschienen. Diese ist auch als kostenloses ePaper oder als pdf abrufbar. Oder: Bestellen sie das Probeabo mit drei kostenlosen Ausgaben!

Artikelfiles und Artikellinks

(ID:43270451)

Jetzt Newsletter abonnieren

Verpassen Sie nicht unsere besten Inhalte

Mit Klick auf „Newsletter abonnieren“ erkläre ich mich mit der Verarbeitung und Nutzung meiner Daten gemäß Einwilligungserklärung (bitte aufklappen für Details) einverstanden und akzeptiere die Nutzungsbedingungen. Weitere Informationen finde ich in unserer Datenschutzerklärung. Die Einwilligungserklärung bezieht sich u. a. auf die Zusendung von redaktionellen Newslettern per E-Mail und auf den Datenabgleich zu Marketingzwecken mit ausgewählten Werbepartnern (z. B. LinkedIn, Google, Meta).

Aufklappen für Details zu Ihrer Einwilligung