Leistungsfaktorkorrektur Stromspitzen beim Nulldurchgang in PFC-Schaltungen eindämmen

Bosheng Sun *

Anbieter zum Thema

Zur Leistungsfaktorkorrektur in Netzteilen bietet die Totem-Pole-PFC-Schaltung Vorteile. Allerdings muss man die Spannungsspitzen beim Nulldurchgang in den Griff bekommen. Hier erfahren Sie, wie das geht.

Ein Totempfahl: Namensgeber für die Totem-Pole-Schaltung. Da die Endstufentransistoren im Schaltbild übereinander gezeichnet werden, gleicht die Schaltung einer solchen indianischen Skulptur.(Bild:  Michael Rosskothen - Fotolia)
Ein Totempfahl: Namensgeber für die Totem-Pole-Schaltung. Da die Endstufentransistoren im Schaltbild übereinander gezeichnet werden, gleicht die Schaltung einer solchen indianischen Skulptur.
(Bild: Michael Rosskothen - Fotolia)

In Netzteilen mit Leistungen ab 75 W aufwärts macht man häufig von der Leistungsfaktorkorrektur (Power Factor Correction – PFC) Gebrauch. Diese sorgt dafür, dass der Eingangsstrom dem Verlauf der Eingangsspannung folgt, sodass sich jeder elektrische Verbraucher wie eine ohmsche Last darstellt. Unter den verschiedenen PFC-Topologien hat die Totem-Pole-PFC-Schaltung [1, 2] in letzter Zeit vermehrt Interesse geweckt. Die Bezeichnung dieser Schaltung leitet sich von der Anordnung der Endstufentransistoren im Schaltbild ab. Da diese meist übereinander gezeichnet werden, gleicht die Schaltung einem indianischen Totempfahl.

Bildergalerie
Bildergalerie mit 9 Bildern

Minimaler Bauelementeaufwand, höchster Wirkungsgrad

Eine solche Totem-Pole-PFC-Schaltung bietet einige Vorteile: Sie kommt mit den wenigsten Bauelementen aus, weist die geringsten Leitungsverluste auf und erreicht den höchsten Wirkungsgrad. Wegen des langsamen Sperrverzögerungsverhaltens der Body-Dioden in den MOSFETs eignet sie sich allerdings normalerweise nicht für den nicht-lückenden Betrieb (Continuous-Conduction Mode – CCM).

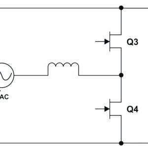
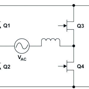
Möglich ist der CCM-Betrieb von Totem-Pole-PFC-Schaltungen jedoch mit der diodenfreien Struktur von FETs auf der Basis von GaN. Den Aufbau einer Totem-Pole-PFC-Schaltung zeigt Bild 1. Bei den Transistoren Q3 und Q4 in Bild 1 handelt es sich um GaN-FETs. Je nach der gerade herrschenden Polarität der eingangsseitigen Wechselspannung VAC arbeiten sie abwechselnd als aktive PFC-Schalter oder als synchrone Schalter. Um den Wirkungsgrad weiter zu steigern, ersetzt man D1 und D2 durch herkömmliche MOSFETs, die geringere Leitungsverluste aufweisen als Dioden. Bild 2 zeigt diese überarbeitete Schaltung, in der die konventionellen MOSFETs Q1 und Q2 mit der Netzfrequenz angesteuert werden.

Stromflüsse in einer Totem-Pole-PFC-Schaltung

Die Stromflüsse in einer Totem-Pole-PFC-Schaltung sind in den Bildern 3 und 4 illustriert. Während der positiven Halbwelle der Netzspannung dient Q4 als aktiver Schalter, während Q3 als Sync-FET fungiert. Die Treibersignale für Q4 und Q3 sind komplementär: während Q4 mit D (dem von der Regelschleife vorgegebenen Tastverhältnis) angesteuert wird, wird Q3 mit 1 – D angesteuert. Sobald Q4 einschaltet, fließt der Strom vom Wechselspannungs-Eingang über die Induktivität, Q4 und Q2 zurück zum Nullleiter des AC-Eingangs. Wenn Q4 sperrt, schaltet Q3 ein und der Strom fließt vom Wechselspannungs-Eingang über die Induktivität, Q3, den Verbraucher, Q2 und schließlich zurück zum Nullleiter. Während der positiven Halbwelle bleibt Q2 ein- und Q1 ausgeschaltet.

Während der negativen Halbwelle werden die Aufgaben von Q4 und Q3 vertauscht: Q3 wird zum aktiven Schalter und Q4 zum Sync-FET. Die Treibersignale für Q4 und Q3 sind nach wie vor komplementär, jedoch wird Q3 jetzt mit D und Q4 mit 1 – D angesteuert. Wenn Q3 einschaltet, fließt der Strom vom Nullleiter über Q1, Q3 und die Induktivität zurück zum Wechselspannungs-Eingang. Sobald Q3 abschaltet, schaltet Q4 ein und leitet den Strom vom Nullleiter über Q1, den Verbraucher, Q4 und die Induktivität zurück zum Wechselspannungs-Eingang. Während der gesamten positiven Halbwelle bleibt Q1 ein- und Q2 abgeschaltet.

Zu den Herausforderungen bei Totem-Pole-PFC-Schaltungen gehört die Tatsache, dass der Eingangsstrom beim Nulldurchgang der eingangsseitigen Wechselspannung eine große Spitze aufweist. Dieses Phänomen erklärt sich aus dem Prinzip der Totem-Pole-PFC-Schaltung und ist recht komplex. Die Stromspitze setzt sich außerdem aus positiven und negativen Spitzen zusammen, die aus unterschiedlichen Gründen entstehen. Verschiedene Szenarien können die Ursache für diese Stromspitzen sein.

Artikelfiles und Artikellinks

(ID:43829815)

Jetzt Newsletter abonnieren

Verpassen Sie nicht unsere besten Inhalte

Mit Klick auf „Newsletter abonnieren“ erkläre ich mich mit der Verarbeitung und Nutzung meiner Daten gemäß Einwilligungserklärung (bitte aufklappen für Details) einverstanden und akzeptiere die Nutzungsbedingungen. Weitere Informationen finde ich in unserer Datenschutzerklärung. Die Einwilligungserklärung bezieht sich u. a. auf die Zusendung von redaktionellen Newslettern per E-Mail und auf den Datenabgleich zu Marketingzwecken mit ausgewählten Werbepartnern (z. B. LinkedIn, Google, Meta).

Aufklappen für Details zu Ihrer Einwilligung