Shell Eco Marathon

Mit nur einem Liter Benzin von London nach Rom und zurück

< zurück

Seite: 3/3

Anbieter zum Thema

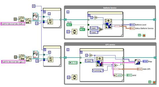
Konfiguration und Überwachung mit LabVIEW

Mit LabVIEW mehrere Fahrzeuge in Schach halten und drahtlos über TCP/IP jeden einzelnen Linux-Sensordienst scannen. Im Beispiel werden von 30 Fahrzeugen die Batteriezustände und die GPS-Position überwacht.(Bild:  Schmid Elektronik)
Mit LabVIEW mehrere Fahrzeuge in Schach halten und drahtlos über TCP/IP jeden einzelnen Linux-Sensordienst scannen. Im Beispiel werden von 30 Fahrzeugen die Batteriezustände und die GPS-Position überwacht.
(Bild: Schmid Elektronik)

Zur Einstellung und Überwachung der Transponder entwickelte Schmid Elektronik mit LabVIEW eine Reihe von Tools. Dazu gehören Diagnose-, Konfgurations- und Auswertungs-Tools, so etwa ein GPS-Locator. Damit ließen sich jeweils die übers ganze Gelände verstreuten Fahrzeuge finden.

Bildergalerie
Bildergalerie mit 5 Bildern

Die Tools kommunizieren über das lokale WLAN via TCP/IP-Sockets über ein definiertes API mit den einzelnen Sensordiensten (Linux-Daemons) auf dem Transponder. Das wurde über instanziierbare VI’s (virtuelle Instrumente) realisiert. Pro Servicetyp gibt es ein VI, welches das Lesen und Interpretieren der Daten sowie das Verschicken von Befehlen und Konfigurationen übernimmt.

Die VI’s lassen sich dynamisch laden, was das Handling von mehreren Diensten auf mehreren Geräten gleichzeitig auf einfache Weise ermöglicht. In einem typischen Setup werden so 30 Geräte mit je acht Services, also insgesamt 240 Ports, bedient. Ein einzelnes „Super-VI“ behandelt autonom eine Verbindung pro Instanz. Verbindungen werden aufgebaut und wenn nötig getrennt, ohne dass dies von der übergeordneten Applikation gesteuert werden müsste. Deren Struktur ist nicht blockierend ausgelegt und fängt Wartezeiten oder Teilnehmerausfälle, wie sie im rauen Betrieb auftreten können, ab.

Phase 2: Mit Null Energie über die Ziellinie!

Im Vergleich zur Phase 1, dem Marathon, geht es bei diesem neuen SEM-Element zu wie bei der Formel 1: Derjenige Fahrer, der als erstes die Ziellinie überfährt, gewinnt. Im Halbfinale traten insgesamt 24 Teams in Achtergruppen in je einer Energiekategorie gegeneinander an. Die jeweils zwei Besten jeder Kategorie erhielten einen Startplatz im Finale.

Das Leaderboard (links) zeigt während des Rennens die Rangliste und die jeweils noch zur Verfügung stehende Energie. Auf der Karte (rechts) ist die Position der Fahrzeuge auf der Rennstecke sichtbar.(Bild:  Schmid Elektronik)
Das Leaderboard (links) zeigt während des Rennens die Rangliste und die jeweils noch zur Verfügung stehende Energie. Auf der Karte (rechts) ist die Position der Fahrzeuge auf der Rennstecke sichtbar.
(Bild: Schmid Elektronik)

Während des Rennens wurden dem Publikum dank der eingebauten Transponder die Fahrzeugposition, der noch vorhandene Treibstoff sowie die Rangliste live auf einer Kinoleinwand präsentiert. Der Clou: jedem Fahrzeug wurde dabei eine bestimmte Menge an Energie zugeteilt. Sobald diese verbraucht war, stoppte ein Relais das Fahrzeug. Die Fahrstrategie bestand also darin, einerseits so schnell wie möglich zu fahren, aber gleichzeitig die noch verfügbare Energie im Auge zu behalten.

Im besten Fall fährt der Pilot mit dem allerletzten Tropfen und maximaler Geschwindigkeit über die Ziellinie. Das ist der Universität Pendidikan aus Indonesien mit ihrem Elektromobil nach einem sensationellen und spannenden Kopf-An-Kopf-Rennen und vor dem mitfieberndem Publikum geglückt.

* Marco Schmid... ist Diplom-Ingenieur (FH) für Systemtechnik und Inhaber des Lösungsanbieters Schmid Elektronik in Münchwilen/Schweiz. Er ist einer der Referenten des diesjährigen IoT-Kongresses (www.iot-kongress.de).

(ID:44216807)

Jetzt Newsletter abonnieren

Verpassen Sie nicht unsere besten Inhalte

Mit Klick auf „Newsletter abonnieren“ erkläre ich mich mit der Verarbeitung und Nutzung meiner Daten gemäß Einwilligungserklärung (bitte aufklappen für Details) einverstanden und akzeptiere die Nutzungsbedingungen. Weitere Informationen finde ich in unserer Datenschutzerklärung. Die Einwilligungserklärung bezieht sich u. a. auf die Zusendung von redaktionellen Newslettern per E-Mail und auf den Datenabgleich zu Marketingzwecken mit ausgewählten Werbepartnern (z. B. LinkedIn, Google, Meta).

Aufklappen für Details zu Ihrer Einwilligung