Power-Tipps von TI, Teil 45 Maßnahmen gegen leitungsgebundene Gleichtakt-Abstrahlungen in isolierten Schaltnetzteilen

Robert Kollman *

Anbieter zum Thema

Power-Tipps von TI, Teil 45(Archiv:  Vogel Business Media)
Power-Tipps von TI, Teil 45
(Archiv: Vogel Business Media)

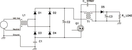
Im vorliegenden Power-Tipp setzen wir unsere im Power-Tipp Nr. 38 begonnene Abhandlung über Gleichtaktströme fort. Im damaligen Beitrag ging es um das Entstehen von Gleichtaktströmen durch einen großen Spannungshub in Schaltstufen, die Ströme in Kapazitäten zur Chassis-Masse leiten. In isolierten Netzteilen verschlimmert sich die Situation, da die Sekundärseite des Isolationsübertragers mit der Chassis-Masse verbunden ist. Hierdurch nämlich entsteht eine beträchtliche parasitäre Kapazität zwischen Primär- und Sekundärseite. Bild 1 gibt diese Situation vereinfacht wieder.

Bild 1: Eine stromkompensierte Drossel mit hoher Impedanz (L1) verringert die Störaussendungen(Bild:  TI)
Bild 1: Eine stromkompensierte Drossel mit hoher Impedanz (L1) verringert die Störaussendungen
(Bild: TI)

Dargestellt ist ein offline arbeitender Sperrwandler. Die eingangsseitige Wechselspannung von 110 bis 220 Volt wird gleichgerichtet, sodass am Leistungsteil eine Gleichspannung von 100 bis 400 V liegt. Der mit hoher Frequenz ein- und ausschaltende Leistungsschalter erzeugt am Drain-Anschluss von Q1 eine getaktete Spannung von 500 bis 600 V, die auch der Primärseite des Leistungsübertragers zugeführt wird. Die getaktete Spannung bewirkt darüber hinaus einen Stromfluss in die zwischen der Primär- und der Sekundärwicklung des Übertragers existierende Streukapazität. Dieser Strom fließt entweder wie hier dargestellt über eine eigens angebrachte Verbindung zur Chassis-Masse oder aber durch kapazitive Kopplung zur Erde. Dieser Strom muss in die geschaltete Quelle zurückfließen, die die Störungen hervorruft. Ohne C1 würde sie in die Wechselspannungsquelle am Eingang zurückfließen, wo sie mit großer Wahrscheinlichkeit zu einem Überschreiten der Störstrom-Grenzwerte führen würde.

Wegen der hohen Quellimpedanz gestaltet sich das Ausfiltern dieses Stroms besonders schwierig. Die Streukapazität im Überträger liegt in der Größenordnung von 100 pF, was bei den typischen Netzteil-Schaltfrequenzen eine Impedanz von 10 kΩ ergibt. Das schlichte Einfügen einer Drossel in den Stromweg mit dem Ziel, den Strom zu verringern, wäre nicht praktikabel, wie die folgende einfache Rechnung zeigt: Wollte man den Strom auf ein Zehntel verringern, wäre ein Blindwiderstand von 100 kΩ (0,1 H) erforderlich, bei einem Kapazitätsbelag von unter 10 pF. Dies aber ist physikalisch nicht realisierbar.

Eine Alternativlösung stellt der Kondensator C1 dar, der dem Strom einen lokalen Rücklaufweg zur Verfügung stellt. Der Großteil des Gleichtaktstroms fließt somit innerhalb des Netzteils über diesen Kondensator zurück und nimmt nicht den Weg über die Spannungsquelle am Eingang. Da C1 außerdem die Quellimpedanz des Systems verringert, wird eine in Reihe geschaltete stromkompensierte Drossel L1 jetzt realisierbar.

Bild 2: C1 kann das Risiko eines Stromschlags heraufbeschwören(Archiv:  Vogel Business Media)
Bild 2: C1 kann das Risiko eines Stromschlags heraufbeschwören
(Archiv: Vogel Business Media)

Ein entscheidender Aspekt beim Design des Gleichtaktfilters ist die Festlegung des Kapazitätswerts von C1. Mit Blick auf die elektromagnetischen Interferenzen (EMI) sollte die Kapazität möglichst hoch gewählt werden. Eine hohe Kapazität nämlich führt zu einem kleineren EMI-Signal bei geringerer Quellimpedanz. Allerdings würde eine größere Kapazität auch dafür sorgen, dass die netzfrequenten Ströme in der Verbindung zum Chassis zunehmen. Aus Sicherheitsgründen gelten für diese Ströme aber Grenzwerte, um die Gefahr eines Stromschlags für den Fall zu verringern, dass die Chassis-Verbindung des Netzteils unterbrochen wird und eine Person den Stromkreis schließt, wie in Bild 2 gezeigt. Gemäß IEC Std 601-1 darf dieser Strom höchstens 0,5 mA RMS betragen, und es wird bereits über noch strengere Vorschriften diskutiert. Bei 230 V Eingangsspannung darf der Kapazitätswert von C1 nach den IEC-Vorschriften höchstens 4.700 pF betragen.

Das Fazit dieses Beitrags lautet also: Steile Spannungsflanken an der parasitären Kapazität zur Chassis-Masse erzeugen Gleichtaktströme, die sich wegen der großen Quellimpedanz nur sehr schwierig ausfiltern lassen. Dieses Filter erfordert einen Chassis-Kondensator, der dem Strom einen lokalen Rücklaufweg bietet und die Impedanz verringert. Während diese Kapazität mit Blick auf die EMI-Filterwirkung nicht hoch genug sein kann, setzen Sicherheits-Erwägungen hier eine gewisse Obergrenze.

Eine genauere Diskussion zu diesem Thema finden Sie unter Punkt 3 im 2003 Unitrode Power Supply Seminar: www.ti.com/2003powerseminar-ca.

(ID:35853900)

Jetzt Newsletter abonnieren

Verpassen Sie nicht unsere besten Inhalte

Mit Klick auf „Newsletter abonnieren“ erkläre ich mich mit der Verarbeitung und Nutzung meiner Daten gemäß Einwilligungserklärung (bitte aufklappen für Details) einverstanden und akzeptiere die Nutzungsbedingungen. Weitere Informationen finde ich in unserer Datenschutzerklärung. Die Einwilligungserklärung bezieht sich u. a. auf die Zusendung von redaktionellen Newslettern per E-Mail und auf den Datenabgleich zu Marketingzwecken mit ausgewählten Werbepartnern (z. B. LinkedIn, Google, Meta).

Aufklappen für Details zu Ihrer Einwilligung