Treiberlösungen für LED-Beleuchtungen Die optimale Topologie für einen LED-Treiber
Die Wahl der richtigen Wandler-Topologie hat Einfluss auf das LED-Treiber-Design. Wir zeigen, wie sich ganz allgemein die für eine gegebene Anwendung effektivste Lösung finden lässt.
Anbieter zum Thema

Um optimale LED-Treiber für industrielle, kommerzielle und Consumer-Anwendungen entwickeln zu können, muss man die spezifischen Anforderungen der jeweiligen Anwendung genau kennen und verstehen. Damit trotz ständig zunehmendem Kostendruck und steigenden Energieeffizienz-Anforderungen eine gute Leistungsfaktorkorrektur, geringe Netzoberwellen (THD, Total Harmonic Distortion) und eine genaue Ausgangsstromregelung erzielt werden kann, ist die Wahl der am besten geeigneten Schaltertopologie erforderlich. Da keine Standards existieren, welche die LED-Lastspannung regeln, gibt es keine eindeutig beste Topologie.
In diesem Artikel erläutern wir die Faktoren, mit welcher Topologie sich ein preisgünstiger Offline-Spannungswandler bestimmen lässt. Außerdem untersuchen wir, in welchen Fällen eine Buck-, Boost-, Buck-Boost-, Tapped-Buck- oder Flyback-Topologie die optimale Lösung ist. Zuerst klären wir, was einen effektiven LED-Treiber kennzeichnet. LED-Stromversorgungen werden in Anwendungen eingesetzt, die ganz besondere Herausforderungen mit sich bringen.
LEDs produzieren hohe Leistungsdichten. Eine LED-Lampe mit einer Helligkeit, die mit der einer 60-W-Glühlampe vergleichbar ist, hat eine elektrische Leistungsaufnahme von etwa 10 Watt. Vorausgesetzt, es wird eine Hochleistungs-LEDs neuester Technologie eingesetzt, die einen Lichtstrom von etwa 80Lumen pro Watt liefert. Der Wirkungsgrad der LEDs selbst beträgt weniger als 30%, wogegen die besten Treiberschaltungen Wirkungsgrade von etwa 85 bis 90% erreichen.
Die Abmessungen der LED-Treiberbausteine
Der ungenutzte Energieanteil geht als Wärme verloren, die – anders als bei einem Netzadapter – in unmittelbarer Umgebung der Stromversorgung abgegeben wird. Innerhalb der Lampe muss eine Verlustleistung von bis zu 10 Watt bewältigt werden. Trotz gerippter Kühlkörper/Gehäuse, die einen Teil der Wärme abführen, herrschen im Inneren einer LED-Lampe immer noch Temperaturen von etwa 100 °C. Das hat Auswirkungen auf die Bauteile des LED-Treibers und zwingt die Stromversorgungsentwickler, die Energieeffizienz ihrer Produkte zu maximieren, um deren eigene Wärmeproduktion möglichst gering zu halten.
Eine weitere Herausforderung besteht darin, dass die Stromversorgung für eine Glühlampenersatz-LED in ein Gehäuse mit sehr kleiner Grundfläche passen muss. Der Markt für Glühlampenersatz lässt dem Treiber nur sehr wenig Platz – in der Regel muss er in der Fassung untergebracht werden, die früher als Montagesockel für die Glühbirne diente. Während größere PAR-Lampen ausreichend Platz für eine Treiberlösung auf einer einzigen Leiterplatte bieten, lassen Lampen im A19- oder B10-Format (die den Großteil der heute eingesetzten LED-Lampen ausmachen) nur sehr wenig Platz für die Stromversorgung. Das begrenzt die Auswahl der Treibertopologien – hier kommen nur einfache Topologien in Frage.
Stromversorgungen für LED-Lampen, die für den Anschluss an Wechselspannungsnetze mit 110 VAC oder 230 VAC vorgesehen sind, müssen einen Leistungsfaktor von 0,7 oder 0,9 aufweisen. Hinzu kommt, dass in Europa strenge Netzoberwellen- (THD) Grenzwerte nach EN61000-3-2 C und D gelten. Nordamerika, Europa und Asien stellen hohe Leistungsanforderungen an LED-Beleuchtungslösungen. Glühlampen sind hinsichtlich Leistungsfaktor und Netzoberwellen völlig unproblematisch, da sie nahezu ideale ohmsche Lasten darstellen.
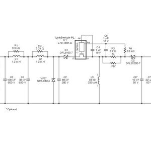
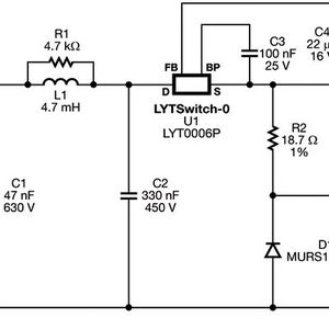
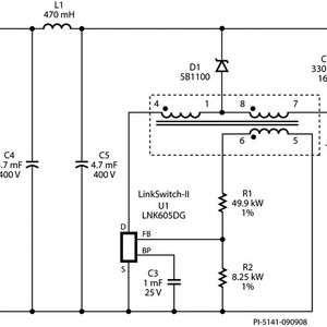
Bei einem LED-Treiber hingegen müssen geeignete Maßnahmen ergriffen werden, um einen annähernd sinusförmigen Eingangsstromverlauf zu erreichen. Hier wird typischerweise eine Valley-Fill-Schaltung verwendet oder mit aktiver Leistungsfaktorkorrektur gearbeitet. Zudem müssen LED-Beleuchtungslösungen kostengünstig sein, wenn sie sich am Markt durchsetzen sollen. Zudem haben Fortschritte in der LED-Technologie zu einem Preisverfall bei LEDs geführt. Dadurch stellen die Kosten der Stromversorgungen einen entsprechend größeren Anteil der Materialgesamtkosten dar.
Bei der Wahl der passenden Treiber-Topologie müssen ein möglichst hoher Wirkungsgrad, geringe Kosten, Eingangsspannungsbereich, Ausgangsspannungsbereich, Spannungsverhältnis, Netzoberwellen (THD), Leistungsfaktor (PF, Power Factor), regulatorische Anforderungen und die Kosten von isolierten Topologien im Vergleich zu nicht-isolierten berücksichtigt werden.
(ID:42627555)