Power-Tipps von TI, Teil 32 Berücksichtigung von Kreisströmen in einem SEPIC-Wandler mit gekoppelter Induktivität
In diesem Power-Tipp bestimmen wir die Anforderungen an die Streuinduktivität für die in einer SEPIC-Topologie verwendete gekoppelte Spule.
Anbieter zum Thema

SEPIC ist eine hilfreiche Topologie, wenn zwischen der primären und sekundären Schaltung keine elektrische Isolation erforderlich und die Eingangsspannung höher oder niedriger als die Ausgangsspannung ist. Zudem kann sie anstelle eines Aufwärtswandlers verwendet werden, wenn ein Kurzschlussschutz erforderlich ist. Ein SEPIC-Wandler ermöglicht den Einzelschalterbetrieb und bietet einen kontinuierlichen Eingangsstrom, was zu geringer elektromagnetischer Interferenz (EMI) führt.
Für die Topologie (in Bild 1 dargestellt) können zwei separate Spulen oder, da sich der Verlauf der Spannungen über den Spulen ähneln, eine gekoppelte Spule verwendet werden (siehe Bild 1). Die gekoppelte Spule ist insofern attraktiv, als ihr Volumen und die damit verbundenen Kosten geringer sind als zwei einzelne Spulen. Der Nachteil besteht dabei darin, dass die Standardspulen nicht immer für alle möglichen Anwendungen optimiert sind.
Der Strom- und Spannungsverlauf in dieser Schaltung ähnelt einem Sperrwandler mit Gleichstrommodus (Continuous Current Mode, CCM). Bei Aktivierung von Q1 wird die Eingangsspannung auf dem primären Teil der gekoppelten Spule angelegt, um in der Schaltung Energie aufzubauen. Bei Deaktivierung von Q1 wird die Spannung in der Spule umgekehrt und an die Ausgangsspannung geklemmt. Der SEPIC-Wandler unterscheidet sich vom Sperrwandler durch den Kondensator C_AC; wenn Q1 aktiv ist, fließt der Strom der sekundären Spule durch Q1 zum Masseanschluss.
Wenn Q1 inaktiv ist, fließt der Strom der primären Spule durch C_AC, wodurch der Ausgangsstrom, der durch D1 fließt, entsprechend erhöht wird. Der große Vorteil dieser Topologie gegenüber einem Sperrwandler besteht darin, dass die FET- und Diodenspannungen von C_AC geklemmt werden und dass die Schaltung nur geringfügige oder gar keine Überschwingungen aufweist. Dadurch können Bausteine mit geringerer Spannung und somit leistungseffizientere Bauteile ausgewählt werden.

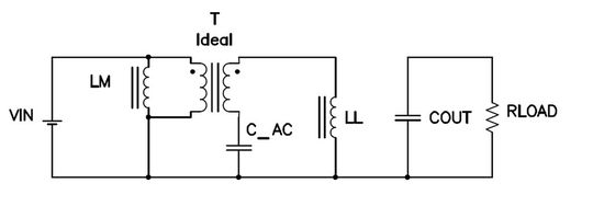
Da diese Topologie einem Sperrwandler ähnelt, wird oftmals davon ausgegangen, dass eng gekoppelte Wicklungen erforderlich sind. Dies ist jedoch nicht der Fall. Bild 2 veranschaulicht die beiden Betriebszustände für den SEPIC-Gleichstromwandler, wobei der Transformator mit Streuinduktivität (Leakage Inductance, LL), magnetischer Induktivität (LM) und einem idealen Transformator (T) modelliert wurde. Bei entsprechender Prüfung wird deutlich, dass die Spannung für die Streuinduktivität identisch mit der C_AC-Spannung ist.
Demzufolge wird bei einer hohen AC-Spannung und einem geringen C_AC-Wert bzw. einer geringen Streuinduktivität ein hoher Kreisstrom erzeugt. Durch einen hohen Kreisstrom wird die Effizienz und das EMI-Verhalten eines Wandlers herabgesetzt. Dies ist jedoch nicht wünschenswert. Eine Methode zur Reduzierung dieses hohen Kreisstroms besteht in der Erhöhung der Kopplungskapazität (C_AC). Dies erfolgt jedoch zulasten der Kosten, Größe und Zuverlässigkeit. Ein klügerer Ansatz besteht in der Erhöhung der Streuinduktivität, was problemlos durch Verwendung einer speziellen magnetischen Komponente erreicht werden kann.
Bild 2a und 2b: Beide Betriebszustände des SEPIC-Wandlers. Die AC-Spannung der Streuinduktivität ist identisch mit der Spannung des Koppelkondensators.

Interessanterweise haben nur wenige Anbieter diese Tatsache erkannt und viele Hersteller haben Spulen mit geringer Streuinduktivität für SEPIC-Anwendungen produziert. Andererseits hat Coilcraft ein 47-uH-MSD126 mit einer Streuinduktivität von ca. 0,5 uH im Angebot und vor kurzem Alternativversionen dieser Konstruktion entwickelt, die eine Streuinduktivität von mehr als 10 uH aufweisen.

Die Schaltung im Bild 3 wurde aufgebaut und charakterisiert. Diese Schaltung könnte möglicherweise in der Automobilbranche Anwendung finden. Hier gibt es einen großen Eingangsbereich von 8 bis 36 Volt, der über oder unter dem regulierten 12-Volt-Ausgang liegen kann. Im Automobilbau werden Keramikkondensatoren bevorzugt, da sie einen großen Temperaturbereich, eine lange Nutzungsdauer, einen hohen Welligkeitsstromwert sowie eine hohe Zuverlässigkeit bieten. Demzufolge besteht der Kupplungskondensator (C6) aus Keramik. Das heißt, dass er im Vergleich zu einem elektrolytischen Kondensator eine hohe AC-Spannung aufweist und dass die Schaltung empfindlicher auf einen geringen Streuinduktivitätswert reagiert.
In dieser Schaltung werden zwei Coilcraft- Induktivitäten mit 47 uH charakterisiert: Dabei handelt es sich um das Modell MSD1260 mit sehr geringer Streuinduktivität (0,5 uH) und um das Modell MSC1278 mit hoher Streuinduktivität (14 uH). Bild 4 zeigt den Verlauf des eingangseitigen Stroms für die beiden Induktivitäten. Links ist der Eingangsstrom (fließt in Pin 1 von L1) der Induktivität MSC1278 dargestellt, während auf der rechten Seite der Signalverlaufs des Eingangsstroms für das Modell MSD1260 zu sehen ist. Der links dargestellte Stromfluss entspricht dem normalerweise erwarteten Verhalten. Der Strom ist größtenteils Gleichstrom mit einem dreieckförmigen AC-Bestandteil. Der Signalverlauf auf der rechten Seite ist das Ergebnis einer hohen AC-Spannung am Kupplungskondensator und einem geringen Streuinduktivitätswert. Der Spitzenstrom ist nahezu doppelt so groß wie der DC-Eingangsstrom, und der Effektivwert des Stroms ist um 50 Prozent höher als der im Fall einer Induktivität mit hohem Streuverlust.


Offensichtlich stellt die Filterung der elektromagnetischen Interferenz (Electromagnetic Interference, EMI) dieser Stromversorgung mit eng gekoppelten Induktivitäten ein größeres Problem dar. Das Verhältnis der AC-Eingangsströme zwischen den beiden Konzepten beträgt nahezu fünf zu eins. Demnach werden weitere 14 dB Dämpfung benötigt. Der zweite Nachteil dieses hohen Kreisstroms liegt in der Effizienz des Wandlers. Mit 50 Prozent mehr Effektivstrom in der Stromversorgung sind die Leitungsverluste mehr als doppelt so hoch. Im Bild 5 wird die Effizienz für die beiden unterschiedlichen Induktionsspulen verglichen. An der Schaltung wurden dazu keinerlei Änderungen vorgenommen. Beide Ergebnisse sind mit ca. 90 Prozent Effizienz für eine Wandlung von 12 Volt zu 12 Volt akzeptabel. Die lose gekoppelten Induktivitäten erbringen über den Lastbereich hinweg jedoch eine um 1 bis 2 Prozent bessere Effizienz, obwohl sie über denselben DC-Widerstand wie die eng gekoppelten Induktivitäten verfügen.

Zusammenfassend lässt sich feststellen, dass mit einer gekoppelten Induktivität in einem SEPIC-Wandler die Größe und die Kosten der Stromversorgung reduziert werden können. Die Induktivitäten müssen nicht eng gekoppelt werden. Vielmehr werden durch eine enge Kopplung die Stromstärken in der Versorgung erhöht, wodurch die Eingangsfilterung komplizierter und die Effizienz herabgesetzt wird. Die einfachste Methode zur Bestimmung eines akzeptablen Streuverlusts ist die Simulation. Sie können jedoch auch die Spannung am Kupplungskondensator abschätzen, eine zulässige Stromwelligkeit festlegen und anschließend eine minimale Streuinduktivität berechnen.
Referenz
Betten, John; „SEPIC Converter Benefits from Leakage Inductance“, PowerPulse.net, Mai 2010.
* Robert Kollmann ist Senior Applications Manager und Distinguished Member of Technical Staff bei Texas Instruments.
(ID:32405810)