Speicherbausteine des Typs DDR3 lassen sich mit einem Oszilloskop untersuchen. Zusammen mit einer speziellen Software-Option für das Scope können Entwickler verschiedene Tests durchführen.
DDR3-Speicher: Mit einem Oszilloskop lassen sich die Schnittstellen moderner Speicherbausteine vermessen.
(Bild: Rohde & Schwarz)
DDR3 wurde bereits im Jahr 2007 vom JEDEC-Konsortium standardisiert. Die Speicherbausteine sind heute noch für viele Anwendungen in der Industrie, Medizintechnik oder im Automobilbau erste Wahl. Sie sind preiswerter als moderne Speicherbausteine, zuverlässig, kompakt und verfügen über ein großes Datenvolumen. Für einen optimierten Verbrauch bieten sich die Varianten DDR3L (niedrige Spannung) und LPDDR3 (Low Power) an.
Der DDR3-Standard spezifiziert Speicherbausteine mit Datenraten von 0,8 bis 2,133 GBit/s. Die Bausteine benötigen eine stabile Spannungsversorgung in den spezifizierten Toleranzen ohne eingekoppelte Störungen von anderen Funktionseinheiten. Entwickler müssen die Signalintegrität an den schnellen Datenleitungen kontrollieren. Dazu bieten sich Oszilloskope für die Fehlersuche an. Aber auch Konformitätstests bei der Inbetriebnahme einer Schaltung mit DDR3-Speicher sind möglich. So bietet Rohde & Schwarz mit der Option R&S RTO/RTP-K91 die Möglichkeit, DDR3-Lese- und -Schreibzyklen zu dekodieren, Augendiagramme zu analysieren sowie automatisierte Konformitätstests gemäß den Standards DDR3, DDR3L und DPDDR3 durchzuführen.
Bildergalerie
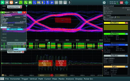
Augendiagramm und Qualität der Übertragungsparameter
DDR3-Schnittstellen verwenden eine parallele Busstruktur, bei der jeweils acht massebezogene Datenleitungen DQ 0 bis DQ 7 mit einem differenziellen Strobe-Signal kodiert als ein Data-Strobe-Signal (DQS) übertragen werden (Bild 1). Im Augendiagramm der einzelnen DQ-Signale beziehen sich die Übertragungsbits auf die steigenden und fallenden Flanken des DQS-Taktsignals. Mit dem Augendiagramm lässt sich die Qualität der meisten Übertragungsparameter einschätzen. Über die horizontale Achse kann der Messtechniker beispielsweise die zeitliche Augenöffnung und der Jitter an den Augenseiten (Bit-Übergänge) ablesen, auf der vertikalen Achse die vertikale Augenöffnung und das Rauschen.
So verfügen die Oszilloskope R&S RTO und R&S RTP über Analysemöglichkeiten wie automatische Augenmessungen, horizontale und vertikale Histogramme für die Jitter- und Rauschanalyse oder auch Masken für Langzeitstabilitätstests (Bild 2). Sie können mit der Funktion DDR Eye Diagram der Option R&S RTO/RTP-K91 mehrere Millionen Bits aufzeichnen und als Augendiagramm darstellen. Die Funktion nutzt die Flanken des DQS-Signals, um das DQ-Signals in Bits für die Augendiagramdarstellung zu zerlegen. Außerdem bietet es gezielte Analysen wie Gate-Qualifier oder Bitsequenzfilter. In Kombination mit der Read-Write-Dekodierfunktion der DDR3-Option kann das Augendiagramm für Lese- und / oder Schreibzyklen dargestellt werden.
Bei DDR3 werden die DQ- und DQS-Signale bidirektional übertragen. Zur Unterscheidung von Lese- und Schreibzyklen sind die Flanken der DQ-Signale phasenversetzt zum DQS-Signal: Im Lesezyklus, wenn der Speicherbaustein Daten an den Prozessor sendet, liegen die Flanken zeitlich gleich. Im Schreibzyklus, wenn ein Prozessor Daten zum Speicherbaustein sendet, sind die DQ-Signalflanken um eine halbe Bitbreite versetzt (Bild 3). Durch den Taktversatz wird die einfache Augendiagrammdarstellung sowie das Vermessen von zeitlichen Parametern erschwert. Lese- und Schreibzyklen sind über eine gezielte Triggerung auf den Start der Lese- und Schreibzyklen separat zu bertrachten. Das digitale Triggersystem der Oszilloskope unterstützt komplexe A-B-R-Triggersequenzen (Triggerevent A, B und Reset) und reagiert aufgrund der digitalen Architektur auf kleine Signaländerungen sowie auf Pulsbreiten unter 50 ps. Für eine Triggerung interessant sind zum Beispiel die unterschiedlichen Präambeln für die Lese- und Schreibzyklen (Bild 4).
Gezielt auf Lese- und Schreibzyklen triggern
Mit einem Pulstrigger kann der Anwender auf negative Lese-Präambeln triggern, die etwas länger als eine Bitbreite sind. Für einen DDR3-Baustein mit einer Datenrate von 1,333 GBit/s (≈ 750 ps Bitbreite) ist beispielsweise ein negativer Pulstrigger von größer 1 ns sinnvoll. Will der Anwender auf die Schreibzyklen triggern, nutzt er am besten eine A-B-R-Triggersequenz, die nach Schreib-Präambeln mit etwas über einer Bitbreite Länge sucht. Der A-Trigger dient dann als Pulsbreitentrigger und sollte mit negativer Polarität auf die Breite von > 2 ns gesetzt werden, um den Start von Schreibzyklen abzupassen. Der B-Trigger wird entsprechend auf die positive Pulsbreite der Schreib-Präambel von > 750 ps gesetzt und der R-Trigger auf 2 ns. Taucht nach einem A-Triggerereignis kein gültiges B-Triggerereignis auf, setzt der R-Trigger das Triggersystem auf die A-Suche zurück.
Bild 5: Konfiguration der Lese- /Schreibdekodierung mit der Option R&S RTO/RTP-K91.
(Bild: Rohde & Schwarz)
Der Anwender kann auch mit der Zone-Trigger-Option R&S RTO/RTP-K19 gezielt Lese- oder Schreibzyklen selektieren. Mit ihr lassen sich Zonen definieren, die für eine valide Triggerung entweder durchlaufen oder vermieden werden müssen. Beim Triggern auf Lesezyklen kann man zum Beispiel eine Triggerzone im DQS-Signal festlegen, die auf die Lese-Präambel reagiert. Weitere Zonen im DQS- und DQ-Signal zielen dann zum Beispiel auf zeitgleiche Flanken.
Bild 6: Augendiagramm der Schreibzyklen mit Eye-Stripe-Markierung der Maskenverletzungen.
(Bild: Rohde & Schwarz)
Auch die Dekodierfunktion der DDR3-Option erkennt die Lese- und Schreibzyklen. Sie kennzeichnet innerhalb einer Akquisition von DQS- und DQ-Signalen die Lese- und Schreibzyklen über den Phasenversatz der Signalflanken. Der Anwender wählt einfach die Kanalzuordnung der DQ- und DQS-Signale und setzt über die Funktion Auto Threshold die Thresholds und Hysteresen (Bild 5). Die dekodierten Signale stehen dann anderen Funktionen der Lösung wie dem DDR Eye Diagram (Bild 6) zur Verfügung. Lässt sich der Anwender die Signale im Eye Stripe anzeigen, sind die Maskenverletzungen im Zeitsignal auf der Zeitachse rot markiert. Eine Kopplung mit dem Zoom-Fenster erlaubt zudem eine Navigation zwischen Maskenverletzungen.
Stand: 08.12.2025
Es ist für uns eine Selbstverständlichkeit, dass wir verantwortungsvoll mit Ihren personenbezogenen Daten umgehen. Sofern wir personenbezogene Daten von Ihnen erheben, verarbeiten wir diese unter Beachtung der geltenden Datenschutzvorschriften. Detaillierte Informationen finden Sie in unserer Datenschutzerklärung.
Einwilligung in die Verwendung von Daten zu Werbezwecken
Ich bin damit einverstanden, dass die Vogel Communications Group GmbH & Co. KG, Max-Planckstr. 7-9, 97082 Würzburg einschließlich aller mit ihr im Sinne der §§ 15 ff. AktG verbundenen Unternehmen (im weiteren: Vogel Communications Group) meine E-Mail-Adresse für die Zusendung von redaktionellen Newslettern nutzt. Auflistungen der jeweils zugehörigen Unternehmen können hier abgerufen werden.
Der Newsletterinhalt erstreckt sich dabei auf Produkte und Dienstleistungen aller zuvor genannten Unternehmen, darunter beispielsweise Fachzeitschriften und Fachbücher, Veranstaltungen und Messen sowie veranstaltungsbezogene Produkte und Dienstleistungen, Print- und Digital-Mediaangebote und Services wie weitere (redaktionelle) Newsletter, Gewinnspiele, Lead-Kampagnen, Marktforschung im Online- und Offline-Bereich, fachspezifische Webportale und E-Learning-Angebote. Wenn auch meine persönliche Telefonnummer erhoben wurde, darf diese für die Unterbreitung von Angeboten der vorgenannten Produkte und Dienstleistungen der vorgenannten Unternehmen und Marktforschung genutzt werden.
Meine Einwilligung umfasst zudem die Verarbeitung meiner E-Mail-Adresse und Telefonnummer für den Datenabgleich zu Marketingzwecken mit ausgewählten Werbepartnern wie z.B. LinkedIN, Google und Meta. Hierfür darf die Vogel Communications Group die genannten Daten gehasht an Werbepartner übermitteln, die diese Daten dann nutzen, um feststellen zu können, ob ich ebenfalls Mitglied auf den besagten Werbepartnerportalen bin. Die Vogel Communications Group nutzt diese Funktion zu Zwecken des Retargeting (Upselling, Crossselling und Kundenbindung), der Generierung von sog. Lookalike Audiences zur Neukundengewinnung und als Ausschlussgrundlage für laufende Werbekampagnen. Weitere Informationen kann ich dem Abschnitt „Datenabgleich zu Marketingzwecken“ in der Datenschutzerklärung entnehmen.
Falls ich im Internet auf Portalen der Vogel Communications Group einschließlich deren mit ihr im Sinne der §§ 15 ff. AktG verbundenen Unternehmen geschützte Inhalte abrufe, muss ich mich mit weiteren Daten für den Zugang zu diesen Inhalten registrieren. Im Gegenzug für diesen gebührenlosen Zugang zu redaktionellen Inhalten dürfen meine Daten im Sinne dieser Einwilligung für die hier genannten Zwecke verwendet werden. Dies gilt nicht für den Datenabgleich zu Marketingzwecken.
Recht auf Widerruf
Mir ist bewusst, dass ich diese Einwilligung jederzeit für die Zukunft widerrufen kann. Durch meinen Widerruf wird die Rechtmäßigkeit der aufgrund meiner Einwilligung bis zum Widerruf erfolgten Verarbeitung nicht berührt. Um meinen Widerruf zu erklären, kann ich als eine Möglichkeit das unter https://contact.vogel.de abrufbare Kontaktformular nutzen. Sofern ich einzelne von mir abonnierte Newsletter nicht mehr erhalten möchte, kann ich darüber hinaus auch den am Ende eines Newsletters eingebundenen Abmeldelink anklicken. Weitere Informationen zu meinem Widerrufsrecht und dessen Ausübung sowie zu den Folgen meines Widerrufs finde ich in der Datenschutzerklärung, Abschnitt Redaktionelle Newsletter.
Automatisierte Konformitätstests und der Derating-Wert
Bild 7: Beispiel für die schrittweise Anleitung bei der Konformitätsprüfung im Data-Timing-Test.
(Bild: Rohde & Schwarz)
Bild 8: Durch Aufklappen der Zeilen unten kann man die detaillierten Ergebnisse jedes Tests einsehen.
(Bild: Rohde & Schwarz)
Über Konformitätstests prüft ein Hersteller, ob das Design die Spezifikationen des Standards einhält. Hier sollte mit einer möglichst effizienten automatisierten Testlösung gemessen werden. R&S RTO/RTP-K91 bietet für die automatisierten Konformitätstests eine detaillierte Anleitung zu den Signalkontaktierungen, konfiguriert das Oszilloskop automatisch, erfasst und vermisst die nötigen Messkurven und gibt eine Zusammenfassung der Ergebnisse in einem Report aus. Die Option überprüft Messobjekte auf Konformität zu den Standards DDR3 (JESD79-3), DDR3L (JESD79-3-1 und JESD79-3-1A.01) und LPDDR3 (JESD209-3C). Sie führt den Anwender per Bild und Text durch die Messungen und gibt Hinweise, welche Signale an welche Kanälen des Oszilloskops anzuschließen sind und welche Messsignale zu sehen sein sollten (Bild 7). Die Ergebnisse werden so aufbereitet, dass der Anwender einen schnellen Überblick erhält, aber auch schnell an Details herankommt, ohne gleich einen Report erzeugen zu müssen (Bild 8).
Über das Derating wird abhängig von der tatsächlichen Flankensteilheit (Slew Rate) der DQ- und DQS-Signale ein Bonus oder Malus zum Messgrenzwert addiert. Die Lösung ermittelt die Slew Rate für jede Setup-&-Hold-Messung an den fallenden und steigenden Flanken der Signale. Anschließend muss der Derating-Wert durch Interpolation der im JEDEC-Standard definierten Stützwerte berechnet werden. R&S RTO/RTP-K91 führt Messungen mit Derating automatisch durch. Sie separiert die Zyklen aus dem DDR3-Signal in Lese- und Schreibzyklen. Dann aktiviert sie die entsprechenden Messungen über die definierte Signalzeit, bereitet die Ergebnisse für den schlechtesten Messwert grafisch auf und fasst sie in einem Report zusammen.
Der JEDEC-Standard für DDR3
Der DDR3-JEDEC-Standard teilt die Schnittstellentests in Timing-Tests und in elektrische Tests ein. Mit den Spezifikationen für Timing-Tests lässt sich das zeitliche Verhaltens der einzelnen Signale prüfen. Die Messung tRPRE stellt unter anderem sicher, dass die Lese-Präambel länger als 90 Prozent eines Taktzyklus dauert. Dabei ergibt sich die Startzeit der Präambel durch den Schnittpunkt der fallenden Flanke des Strobe-Signals mit dem Nullpunkt.
Der Endpunkt wird durch den nächsten Nulldurchgang einer steigenden Flanke des Strobe-Signals ermittelt. Für die anderen Signale sind ähnliche Messungen vorgeschrieben. Die Option deckt alle spezifizierten Timing-Tests für die DDR3 Konformitätsprüfung ab.
Differenzielle Signale und der elektrische Test
Bild 9: Kontaktierung von DQ- und DQS-Signalen auf der Leiterplattenrückseite an Durchverbindungen (Vias).
(Bild: Rohde & Schwarz)
Bild 10: Setup-Dialog zur Definition eines Signalpfads für die Deembedding-Funktion.
(Bild: Rohde & Schwarz)
Der Standard fordert bei den elektrischen Tests, dass bei differenziellen Signalen die Eigenschaften der einzelnen Leitungen massebezogen (V+, V–) separat untersucht werden. Grundsätzlich wird für diese Messungen immer nur ein Signal betrachtet. Für die Bestimmung der Lese- und Schreibzyklen sind teilweise jedoch zusätzlich die DQ- und DQS-Signale erforderlich. So wird das DQS-Signal beispielsweise für den Parameter VIHdiff(AC) benötigt. Er repräsentiert den dynamischen Spannungswert High des differenziellen DQS-Signals, der mithilfe eines Histogramms bestimmt wird.
Die Spezifikation JEDEC-DDR3 bezieht sich auf die Signale direkt am DRAM-Baustein, weshalb bei der Fehlersuche und bei Signalintegritätstests die Messpunkte möglichst nah am Speicherbaustein kontaktiert sein sollten. DDR3-Speicherbausteine werden meist auf die Leiterplatte oder auf ein DIMM-Modul gelötet. Bei einseitig bestückten Leiterplatten oder DIMM-Modulen besteht die Möglichkeit, die Signalleitung über die Vias zu erreichen (Bild 9). Ist eine rückseitige Kontaktierung nicht möglich, kann der Anwender einen Interposer für den Anschluss der Tastköpfe zwischen DRAM-Baustein und DIMM eingefügen. Dieser führt Kontakte der gewünschten Signalleitungen nach außen.
Induktivitäten und Kapazitäten minimieren
Unabhängig von der Kontaktierungsart müssen die Kontakte so kurz wie möglich gehalten werden, um zusätzliche Induktivitäten und Kapazitäten zu minimieren. Die modularen Tastköpfe R&S RT-ZM messen in der Betriebsart MultiMode differenzielle, massebezogene oder Commonmode-Spannungen.
Sollen differenzielle Signale wie Takt- oder dem DQS-Signal gemessen werden, verbindet man die differenziellen Eingänge UP und UN sowie die Massekontakte mit dem Oszilloskop. Im MultiMode kann der Anwender für die elektrischen Tests zwischen differenziellem und massebezogenem Modus umschalten.
Im Detail: Oszilloskop-Familie R&S RTP mit 16 GHz für DDR4
Für die Fehlersuche sowie für Konformitätsmessungen an DDR4- und LPDDR4-Schnittstellen hat Rohde & Schwarz Anfang September die Software-Option R&S RTP-K93 für die R&S RTP Oszilloskope mit Bandbreiten von 13 und 16 GHz vorgestellt.
(Bild: R&S)
Bei moderaten Datenvolumen reichen DDR3-Speicherbausteine völlig aus. Selbst für DDR4-Bausteine mit mehr Speicher und Taktraten bis 3,2 GHz lassen sich mit einem Oszilloskop messen. Für die Fehlersuche sowie für Konformitätsmessungen an DDR4- und LPDDR4-Schnittstellen hat Rohde & Schwarz Anfang September die Software-Option R&S RTP-K93 für die neuen R&S RTP Oszilloskope mit Bandbreiten von 13 und 16 GHz vorgestellt. Damit ist dann auch für DDR4 eine Lese- und Schreib-Dekodierung mit Oszilloskop möglich.
Zudem kann der Anwender die Signalintegrität mit bis zu vier DDR4-Augendiagrammtests testen oder automatisierte Zertifizierungsmessungen gemäß den relevanten JEDEC-Standards durchführen.
Mit den Oszilloskopen der Serie RTP lassen sich für DDR4 eine Lese- und Schreib-Dekodierung mit Oszilloskop durchführen. Zudem kann der Anwender die Signalintegrität mit bis zu vier DDR4-Augendiagrammtests testen oder automatisiert und zertifiziert gemäß den relevanten JEDEC-Standards messen. Nutzt der Anwender die Geräte mit bis zu vier Messkanälen, beträgt die maximale Bandbreite 8 GHz.
Die Oszilloskope eignen sich für die Inbetriebnahme und Charakterisierung von Schaltungen mit schnellen digitalen Schnittstellen bis Datenraten von 10 GBit/s. Neben einer Funktion für Echtzeit-Deembedding bietet das Messgerät die Möglichkeit, alle Triggertypen bis zur maximalen Gerätebandbreite zu verwenden. Zudem steht dem Anwender eine Erfassungsrate von über 750.000 Messkurven/Sekunde zur Verfügung.
* Guido Schulze ist ist Produkt-Manager für Oszilloskope und Johann Tost entwickelt Applikationen für Oszilloskope. Beide arbeiten bei Rohde & Schwarz in München.