Störschutz Wie sich USB-Schnittstellen wirkungsvoll schützen lassen
Die USB-Schnittstelle wird auch in industriellen Anwendungen immer beliebter. Dabei darf allerdings der EMI- und ESD-Schutz keinesfalls vernachlässigt werden. Wir verraten Ihnen, worauf es konkret ankommt.
Anbieter zum Thema

Die USB-Schnittstelle hat den Anschluss von PC-Peripheriegeräten revolutioniert und wird auch in industriellen Anwendungen immer beliebter, beispielsweise beim Auslesen von Messdaten oder Einspielen von Software-Updates an Maschinen. Als Bus-System für die Datenübertragung findet es sich überall dort, wo mobile Geräte angeschlossen werden müssen. So robust die alltäglich verwendeten Stecker auch wirken, wer USB-Anwendungen entwickelt, darf den Schutz seiner Schnittstelle trotzdem nicht vernachlässigen.
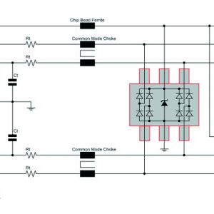
Bedenken bezüglich der Anfälligkeit von USB-Schnittstellen werden sogar in Intels „High Speed USB Platform Design Guidelines“ genannt. Intel empfiehlt den Einsatz von stromkompensierten Drosseln zum Sicherstellen der EMV und weitere Komponenten für den Schutz gegen elektrostatische Entladung. Elektronik ist elektrostatischer Entladung ausgesetzt. ESD-Impulse haben Spannungen bis zu 30 kV und werden damit allen Arten von integrierten Schaltkreisen gefährlich. Manche aktuellen ICs sind gegen ESD „sicher“, doch wird diese Sicherheit nur für einen schmalen Ausschnitt der möglichen Gefährdungen garantiert.
Ein zusätzlicher Schutz ist in der Praxis unverzichtbar
Die tägliche Praxis zeigt: Ein zusätzlicher Schutz ist unverzichtbar. Nur mit einem externen Schutz bekommt man die komplette Platine ESD-frei und kann hochzuverlässige Produkte entwickeln. Ebenfalls unerlässlich sind dedizierte Maßnahmen zur Entstörung. Drahtlos verbundene elektronische Geräte finden sich in allen Lebensbereichen und es werden ständig mehr.
Es ist wichtig, die eigenen Produkte immun gegen Störeinstrahlungen zu machen. Nur wer bereits jetzt die erwarteten Störeinflüsse berücksichtigt, kann die erforderlichen Entstörbauteile sofort in das Design einbauen und die Entwicklungszeit reduzieren. Auch die Störausstrahlung des eigenen Produktes darf bekanntlich einen gewissen Pegel nicht überschreiten. Dies wird von EMV-Testlaboren sehr genau bewertet. Wenn das Produkt bei diesem Test durchfällt, werden die Kosten für die Überarbeitung die Kosten der Entstörbauteile sehr schnell um ein Vielfaches übersteigen.
Warum es stört
Für den Fall der Einwirkung von Störungen auf den USB bietet die symmetrische Datenübertragung einen wesentlichen Vorteil gegenüber der einfachen Koaxialleitung. Durch die Verdrillung der Adern wird im Falle der induktiven Störeinwirkung (Magnetfeld) eine Kompensation der Störeinwirkung erreicht. Mit der Symmetrisierung der Teilinduktivitäten der jeweiligen Verdrillung kompensieren sich die Störbeeinflussungen gegeneinander. In der Praxis kann diese Störfestigkeit aber beeinträchtigt werden:
- Die Aus-/Eingänge des USB-Controllers sind nicht genügend symmetrisch, das USB-Signal weist asymmetrische Störungen auf.
- Das Layout ist nicht HF-/EMV-gerecht, parasitäre Kapazitäten und fehlende Wellenwiderstandsanpassung erzeugen asymmetrische Störungen.
- Das Schaltungsdesign (USB-Filter) ist mangelhaft, die Filter beeinflussen die Signalqualität und/oder die Einfügungsdämpfung ist zu niedrig.
- Die Schnittstellenkonstruktion (Buchse, Gehäuse) ist mangelhaft. Schlechte Masse reduziert die Schirmdämpfung des Kabels. Filter haben schlechten Massebezug.
- Das USB-Kabel ist unsymmetrisch, schlecht geschirmt und hat einen mangelhaften Masseanschluss. Das Kabel verschlechtert die Signalqualität, strahlt Signalharmonische ab und weist ungenügende Schirmdämpfung gegenüber Fremdstörern auf.
(ID:43392487)