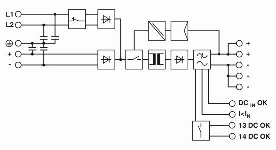
Pufferlösung zum Anschluss an Zwischenkreisspannungen

Zurück zum Artikel