Stromversorgungen für Frequenzumrichter Pufferlösung zum Anschluss an Zwischenkreisspannungen
Bei Ausfall der Versorgungsspannung muss die Produktionsanlage kontrolliert heruntergefahren werden. Sonst können Werkstücke zerstört werden oder Maschinen nicht wieder starten.
Anbieter zum Thema

In Produktionsanlagen wie Spritzguss- und Verpackungsmaschinen oder in Industrierobotern sorgen Servoantriebe für Bewegungen mit hoher Dynamik und exakten Stellbereichen. Für die direkte Versorgung von Drehstrommotoren generiert ein Frequenzumrichter eine in der Frequenz und Amplitude veränderbare Wechselspannung.
Wird ein Mehrmotorensystem genutzt, kommen häufig Einspeiseeinheiten zum Einsatz. Hier erzeugt ein Gleichrichtermodul die Zwischenkreisspannung, die mehrere Wechselrichter speist.
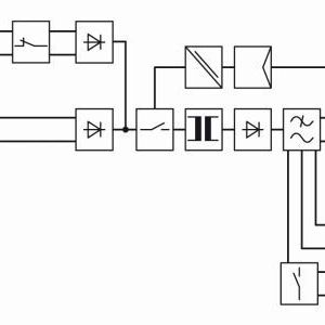
Die speziell für diesen Einsatzfall entwickelte Stromversorgung Quint Power 2AC/1DC wird an zwei Außenleitern des Drehstromsystems und an eine DC-Spannung angeschlossen. Dabei kann es sich um die DC-Zwischenkreisspannung eines Frequenzumrichters oder einer Einspeiseeinheit handeln (Bild 1).
Kommt es zu einem Ausfall der dreiphasigen Versorgungsspannung, werden angeschlossene 24-V-Verbraucher über die Zwischenkreisspannung unterbrechungsfrei weiter versorgt.
Handelt es sich um eine Steuerung, ermöglicht dieses Konzept einen kontrollierten Maschinenstopp. So ist der schnelle und fehlerfreie Wiederanlauf der Maschine sofort bei Rückkehr der Versorgungsspannung gewährleistet.
Pufferlösung mit AC- und DC-Eingang in einem Gerät
Aus der Energie des Zwischenkreises kann die 24-V-Versorgung lange genug aufrechterhalten werden, um beispielsweise einen Industrie-PC kontrolliert herunterzufahren. Auf diese Weise lassen sich Werkzeuge in einen sicheren Zustand bringen; die Maschinen fahren bei Rückkehr der Versorgungsspannung dann auch problemlos wieder an.
Stromversorgungen
DIN-Rail-AC/DC-Netzteile mit 7 Jahren Garantie
Bei üblichen Aufbauten kommt heute eine Stromversorgung zum Einsatz, die eingangsseitig an das dreiphasige AC-Netz angeschlossen ist und die Steuerung mit 24 V Gleichspannung versorgt. Zusätzlich ist ein weiteres Netzteil installiert, das am 600-VDC-Zwischenkreis arbeitet und als wartungsfreie Pufferlösung bei Ausfall der Versorgungsspannung dient.
Mit dem Quint-Power Modul gibt es erstmals eine 120 mm schmale, kompakte Pufferlösung, die parallel am zweiphasigen AC-Netz mit Eingangsspannungen von zwei mal 360 bis 575 VAC und an einem DC-Eingang von 450 bis 840 VDC betrieben wird (Bild 2). Die Stromversorgung liefert eine einstellbare Ausgangsspannung von 18 bis 29,5 VDC bei 20 A Nennstrom.
DC/DC-Wandler
Reinforced isolierte DC/DC-Wandler machen IGBT-Schalter zuverlässiger
Tatsächlich sind Unterbrechungen der Versorgungsspannung in Deutschland selten und sie betragen statistisch weniger als 200 ms. Kurze Spannungseinbrüche zwischen 10 und 20 ms treten auf, wenn beispielsweise der lokale Energieversorger zwischen zwei Netzen umschaltet. Immer wenn Maschinen und Anlagen weltweit ausgeliefert werden, ist die schlechte Netzqualität ein Problem. Es kommt zu Spannungseinbrüchen von mehreren Sekunden.
Ein weiterer Grund für einen Ausfall dieser Zeitspanne liegt beispielsweise im Starten von Maschinen mit hoher Anlaufleistung im kundeneigenen Netz. Da der Ausfall von Maschinen und Anlagen oft mit hohen Kosten verbunden ist, sollte vor allem die Steuerung mit der Quint-Power-Stromversorgung für Frequenzumrichter abgesichert sein.
(ID:43014112)