EP Basics Oszilloskop und wie man mit Trigger ein stabilisiertes Display erhält
Damit ein Oszilloskop ein stabiles Messsignal auf seinem Display anzeigt, muss man es mit einem Trigger sowie mit bestimmten Signalereignissen synchronisieren. Der Flankentrigger spielt dabei eine wichtige Rolle.
Anbieter zum Thema

Ist die Anzeige des Oszilloskops nicht synchronisiert und instabil, dann eignet sie sich nicht für Messungen. Allerdings lässt sich mit einem richtigen Trigger der Sampling-Clock des Oszilloskops zusammen mit bestimmten Signalereignissen synchronisieren. Damit erscheinen die erfassten Signale auf dem Display des Oszilloskops korrekt. Doch warum können Signale instabil erscheinen und was lässt sich dagegen tun?
Ein Oszilloskop tastet Signale mit einer einheitlichen Abtastrate ab. Das Timing eines an den Eingang eines Oszilloskops angelegten Signals ist oftmals asynchron mit dem Abtasttakt des Oszilloskops. Wenn die Zeitbasis des Oszilloskops frei läuft, also nicht mit der Zeit des Eingangssignals synchronisiert ist, beginnt das Oszilloskop mit der Erfassung der Messwerte möglicherweise an einem anderen Punkt des Eingangssignals.
Erfasste Werte erscheinen instabil
Ein Oszilloskop stellt das gemessene Signal nicht sofort, sondern nach und nach dar. Es erfasst eine feste Anzahl von Abtastwerten, verarbeiten sie und stellen die Messwerte, bevor mit der nächsten Erfassung begonnen wird. Wurde kein Trigger definiert, so läuft die Zeitbasis des Oszilloskops willkürlich.
Die erfassten Werte erscheinen instabil, da sie an unterschiedlichen Punkten des Signals begonnen haben. Da sie sequenziell, also nacheinander angezeigt werden, kommt es zu einem flimmern.
Wenn das Oszilloskop auf ein Signal triggert

Was genau bedeutet triggern auf ein Signal? Ein Oszilloskop erfasst ein Signal nicht einfach. Ganz gleich, wie schnell der vorgegebene Takt ist. Vielmehr wartet das Oszilloskop auf ein bestimmtes Ereignis, bevor es mit der nächsten Erfassung beginnt. Im Fall des in Bild 1 gezeigten Flankentriggers ist dieses Ereignis, wenn ein bestimmter Triggerpegel auf der positiven Flanke des Eingangssignals überschritten wird.
Zu beachten ist dabei, dass das Oszilloskop die ganze Zeit Daten abtastet und im Erfassungsspeicher speichert. Der Trigger teilt dem Oszilloskop mit, von welchem Startpunkt/Zeitpunkt der Abtastung bis zu welchem Endpunkt/Zeitpunkt der Abtastung es einen Schnappschuss erstellen soll und es auf dem Bildschirm anzeigt. Der Bereich von Abtastwerten wird als Erfassung betrachtet, die dank des eingestellten Triggers mit dem Eingangssignal synchronisiert wurde, sodass die Abtastwerte von Erfassung zu Erfassung an konsistenten Punkten auf der Wellenform auftreten.
Flankentrigger stabilisiert die Anzeige
Ist die Signalerfassung abgeschlossen, beginnt das Oszilloskop damit, den gewonnenen Satz von Abtastwerten zu verarbeiten, bevor es ihn anzeigt. Der Trigger wurde bereits zu Beginn der Messung festgelegt. Deshalb beginnt die Verarbeitung des Signals immer am gleichen Punkt. Die vom Oszilloskop angezeigten Signale sind deshalb stabil, weil die gleichen Abtastwerte zur gleichen Zeit auf dem Display erscheinen. Die bei diesen Erfassungen ermittelten Messungen zeigen ebenfalls die Ergebnisse eines kontinuierlichen Datensatzes an.
Es genügt, wenn die Anzeige mit einem Flankentrigger stabilisiert wird und das Oszilloskop wiederholende Signale abtastet, die sich von Zyklus zu Zyklus nur wenig ändern. Ein Oszilloskop verwendet immer einen Trigger. Denn das Oszilloskop verwendet standardmäßig einen positiven Flankentrigger bei 50 Prozent und Amplitude Null. Signale können oft viele abweichende Anomalien aufweisen, bei der die die 50-Prozent-Amplitude nicht funktioniert.
Das kann beispielsweise bei verrauschten Signalen sein oder es sind keine einfachen Sinussignale oder Impulsfolgen. Es kann sein, dass das Signal ein anderes Verhalten als eine 50-Prozent-Flanke erfordert, um den Beginn jeder Erfassung konsistent zu definieren. An dieser Stelle sind andere Triggerarten sinnvoll oder man verwendet unterschiedliche Arten der Signalkonditionierung. So kann man dem Oszilloskop mitteilen, welche Abtastwerte bei der Suche nach dem Startpunkt eine abzutastenden Signals ignoriert werden sollen.
Von Signalkonditionierern und bedingten Triggern
Damit man mit seinem Oszilloskop fremde Abtastwerte ignorieren kann und man die Ereignisse des tatsächlichen Erfassungs-Triggers bestimmen kann, kommen Signalkonditionierer und bedingte Trigger zum Einsatz. Dazu lassen sich im Abschnitt „Setup“ des Dialogs „Trigger“ die Eingangsquellen des Triggers mit Wechselstrom- und Gleichstrom-Kopplung, Hochpassfiltern (niedrige Frequenzen unterdrücken) und Tiefpassfilter (für hohe Frequenzen) konditionieren.

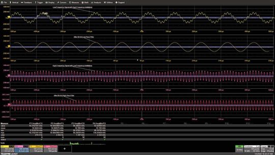
Verwendet werden die frequenzabhängigen Kopplungspfade, um die Störsignale zu dämpfen. Der Kopplungstyp LF-REJ (Signale werden über ein kapazitives Hochpassfilter gekoppelt und DC-Komponenten werden unterdrückt und Signalfrequenzen unter 50 kHz gedämpft) fügt einen Hochpassfilter mit 50 kHz in den Triggersignalpfad ein (Bild 2). Damit lassen sich niederfrequente Störungen eliminieren. Das niederfrequente Rauschen kann zu fehlerhaften Triggern und damit zu einer instabilen Darstellung führen.
Das Trigger-Ereignis bei einem Oszilloskop
Mit dem Kopplungstyp HF-REJ (Signale sind mit dem Triggerkreis direkt gekoppelt; ein Tiefpassfilter dämpft Frequenzen über 50 kHz) fügt einen Tiefpassfilter mit 50 kHz ein. Der Kopplungsmodus wird bei der Fehlersuche in Schaltnetzteilen eingesetzt, wo Signale mit der Schaltfrequenz des Netzteils unterdrückt werden. Wie jedes Störsignal können Hochfrequenzeinstreuungen in das Eingangssignal eindringen und eine Triggerinstabilität verursachen. Das Bild 2 zeigt Beispiele, wie HF-REJ und LF-REJ störende Signale von der Triggerquelle eliminieren.
Über ein Trigger-Ereignis löst das Oszilloskop eine Erfassung aus. Hold-off sperrt den Triggerkreis für einen bestimmten Zeitraum oder eine bestimmte Anzahl von Ereignissen nach Auftreten eines Triggerereignisses. Die Triggerunterdrückung wird benutzt, um einen stabilen Trigger für wiederkehrende zusammengesetzte Signalzüge zu erzielen.

Ist die Anzahl oder Dauer von Untersignalen bekannt, können diese durch die Wahl eines geeigneten Hold-off-Werts unterdrückt werden. Hold-off ist für den Einsatz Flanken- und Pattern-Triggern beschränkt. Die Funktion kann nützlich sein, wenn es mehrere potenzielle Trigger-Ereignisse pro Erfassung gibt. Die Funktion ermöglicht es dem Oszilloskop, die zusätzlichen Trigger-Ereignisse zu ignorieren und stabilisiert die Anzeige. Das Bild 3 zeigt ein Beispiel für den Hold-off nach einer Zeitvorgabe (Hold-off by Time).
Bei dem erfassten Signal handelt es sich um ein Paket von 21 HF-Impulsen von einem schlüssellosen Zugangssystem mit einer Dauer von 41 ms, so dass es 21 mögliche Flanken-Trigger-Ereignisse gibt, die in unterschiedlichen Intervallen auftreten. Hold-off wurde so eingestellt, dass alle Flanken während der 41 ms des gesamten Pakets ignoriert werden. Auf jeden Trigger folgt ein Intervall von 41 ms. Da das die Dauer des Pakets ist, kann der nächste Trigger erst zu Beginn des nächsten Pakets erfolgen.
Moderne Oszilloskope verfügen in der Regel über eine Reihe leistungsfähiger Smart-Trigger, die auf den Zeit- und Amplitudeneigenschaften des Triggersignals basieren. Mit booleschen Bedingungen lassen sich verschiedene Ereignisse in den Trigger ein- oder ausschließen. Zu den Smart-Trigger-Typen von Teledyne LeCroy gehören Glitch, Pulsbreite, Fenster, Intervall (Periode), Drop Out, Runt und Slew Rate.
Um mit einen Smart-Trigger die Anzeige zu stabilisieren, kann man den Pulsbreiten-Trigger verwenden. Der Pulsbreiten-Trigger reagiert auf die Breite eines Impules, der als Zeitdifferenz zwischen zwei Flanken definiert ist. Er wird auf einen Rechteckimpuls angewendet. Häufig wird der Pulsweiten-Trigger für serielle Datensignale verwendet. Der Pulsbreiten-Trigger lässt sich auf das Auftreten von gemessenen Impulsbreiten verfeinern, wenn die Bedingungen gleich, kleiner als, größer als, innerhalb eines Bereichs und außerhalb eines Bereichs erfüllt sind.
Ein Pulsbreiten-Trigger mit verschiedenen Breiten

Das Bild 4 zeigt ein Signal mit Pulsbreiten-Trigger. Es ist eine pulsbreitenmodulierte (PWM-)Signalform mit acht verschiedenen Breiten von 500 ns bis 4 µs. Ein Flankentrigger würde bei dieser Signalform versagen, da es acht mögliche Triggerereignisse gibt, die alle in unterschiedlichen Zeitintervallen auftreten. Das führt zu einer instabilen Darstellung. Zudem zeigt das Bild 4 das Setup des Pulsbreiten-Triggers, der auf einer Impulsbreite im Bereich zwischen 2,3 und 2,7 µs eingestellt ist. Die Triggerung auf eine der vorkommenden Impulsbreite in dem Signal stabilisiert die Anzeige. Der Impuls wurde in der Mitte des PWM-Signals gewählt, um ihn am Triggerpunkt zu zentrieren. Die Zentrierung des Impulses auf der Zeitachse erleichtert es, die Zeitbasis oder das Zoomen zu ändern, ohne das Signal zu verschieben.
Unter der Anzeige des Parameters P1 ist ein Histogramm mit der Verteilung aller gemessenen Pulsbreiten. Es lässt sich zu einer Histogramm-Anzeige erweitern. Damit wird jede Pulsbreite oder andere Parameter sichtbar. Die Pulsbreite des Bursts steigt von 0,5 bis 4 µs in Schritten von 0,5 µs. Die Variation der zentralen Pulsbreiten von 2,5 µs wird durch eine Gated-Pulsbreiten-Messung im Parameter P2 bestätigt, die nur die Breite des ausgewählten Impulses über die Erfassungen anzeigt.
Der Trigger wird von 2,3 bis 2,7 µs eingestellt. Das ist genügend Puffer, um auf alle Impulse mit 2,5 µs zu triggern. Es reicht, um auf den vorherigen oder nächsten Impuls im Burst zu triggern.
(ID:48081807)