Schaltungsdesign MidPower-LEDs sparen Energie und reduzieren das Blenden
Im Vergleich zu High-Power-LEDs sparen MidPower-LEDs bis zu 38 Prozent elektrische Energie ein. Wir zeigen, worauf Entwickler bei der Ansteuerung dieser LEDs achten sollten.
Anbieter zum Thema

Bei einer Marktanalyse von existierenden LED-Datenblättern fällt schnell auf, dass MidPower-LEDs deutlich effizienter sein können als vergleichbare HighPower-LEDs: Aktuelle Werte für MidPower-LEDs schwanken um 180 Lumen pro Watt, HighPower-LEDs bieten typischerweise 130 Lumen pro Watt. Kurzum: 38 Prozent weniger Energieverbrauch bei gleichem Licht, nur durch den Wechsel der LED.
Eine Daumenregel besagt, dass 1 W Energieeinsparung die Betriebskosten um 1 Euro pro Jahr senkt. Bei einer typischen Lebensdauer von 20 Jahren können die TCOO = Total Cost of Ownership deutlich reduziert werden. Eine Leuchte mit 7500 lm kann so über ihre Lebensdauer 300 Euro an Energiekosten einsparen. Des Weiteren bieten MidPower-LEDs weitere Vorteile. Die vielen, kleinen Leuchtpunkte werden als Flächenstrahler wahrgenommen und die einzelnen, individuellen LEDs verschmelzen zu einer großen Leuchtfläche. Bei bestehenden LED-Leuchten mit HighPower-LEDs sind hingegen die einzelnen LEDs erkennbar.
Da MidPower-LEDs deutlich effizienter sind, fällt bei gleicher Leuchtenleistung weniger unerwünschte Abwärme an, was dem Leuchtendesigner mehr Freiheitsgrade bietet und den Aufwand der Kühlung reduziert. Außerdem entsteht die Verlustleistung auf einer größeren Fläche, die Sperrschichttemperatur der LEDs ist daher geringer und die Lebensdauer erhöht. Eine weitere Faustregel besagt hier, dass eine um 10 Grad reduzierte Sperrschichttemperatur die Lebensdauer verdoppelt.
Wie die LEDs verschaltet werden
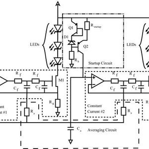
Bei bisherigen HighPower-LED Leuchten sind alle LEDs in Serie verschaltet. Da meist eine geringe Anzahl von LEDs benötigt wird, typischerweise fünf LEDs für 5000 lm, ist die Summenspannung der Serienschaltung kleiner als die Sicherheitskleinspannung von 120 V. Um allerdings fünf HighPower-LEDs zu ersetzen, sind 100 MidPower-LEDs notwendig. Somit betrüge die Summenspannung der Serienschaltung 320 V, folglich ist dies keine praktikable Lösung.
Daher muss auf eine Parallelschaltung zurückgegriffen werden: Eine direkte Parallelschaltung von LEDs in LED-Stränge ist aber nicht möglich: In der Parallelschaltung teilt sich der Strom abhängig von der Vorwärtsspannung auf die LEDs auf. LEDs haben aber, obwohl diese von Werk aus sortiert werden, leicht unterschiedliche Vorwärtsspannungen. Dies führt dazu, dass die hochbelasteten LEDs schneller altern und frühzeitig ausfallen.
Ein Ausfall einer LED lässt diese meist zu einem Kurzschluss werden. Nach einem Ausfall reduziert sich folglich die Vorwärtsspannung dieses LED-Strangs und der LED-Strang übernimmt einen größeren Strom. Kurze Zeit später wird daher eine weitere LED dieses Strangs ausfallen und die Vorwärtsspannung wird sich weiter reduzieren, bis der ganze Strang defekt ist und das Modul kurz schließt. Ein Schneeballeffekt, bei der die Lebensdauer einer einzelnen LED die Lebensdauer des gesamten Moduls festlegt.
Um trotzdem eine Parallelschaltung betreiben zu können, ist eine elektronische Schaltung zum Ausbalancieren der Ströme in den LED-Strängen notwendig. Die einfachste Möglichkeit sind Vorwiderstände in jedem LED-Strang. Für ein ausreichendes Ausbalancieren der Ströme ist es allerdings notwendig, die Widerstände relativ hoch zu wählen, was zu hohen Verlusten führt.
(ID:44622778)