Für GaN optimiert Effizienz: Flying-Capacitor-Multilevel-Wandler

Von Alejandro Pozo Arribas * 6 min Lesedauer

Anbieter zum Thema

Moderne Stromversorgungssysteme müssen kompakter und effizienter werden. Die Kombination aus Flying-Capacitor-Multilevel-Wandler (FCML) und GaN-FETs zeigt hier besondere Stärken. Wird das die neue Schlüsseltechnologie in der Leistungselektronik?

Bild 1: 
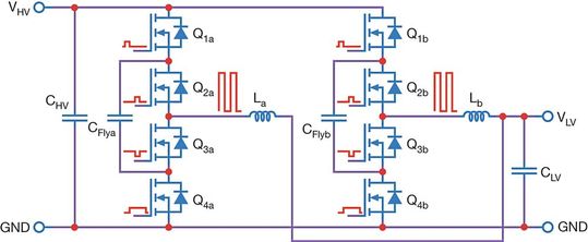
Schaltplan für den bidirektionalen dreistufigen 2-Phasen-Wandler.(Bild:  Efficient Power Conversion (EPC))
Bild 1: 
Schaltplan für den bidirektionalen dreistufigen 2-Phasen-Wandler.
(Bild: Efficient Power Conversion (EPC))

Moderne Stromversorgungssysteme sollen immer effizienter werden, eine höhere Leistungsdichte bieten und elektromagnetische Störungen (EMI) reduzieren – bei immer kleineren Abmessungen. Unter den Wandlertopologien, die diese Herausforderungen bewältigen, zeichnet sich der Flying-Capacitor-Multilevel-/FCML-Wandler durch einzigartige Vorteile aus. In Kombination mit Galliumnitrid-/GaN-Leistungstransistoren bieten diese Wandler höchste Leistungsfähigkeit, insbesondere im mittleren Spannungsbereich wie der 48-V-Stromversorgung für Rechenzentren, Batteriemanagementsysteme und hocheffiziente Schaltungen zur Leistungsfaktorkorrektur (PFC).

Dieser Beitrag untersucht die Funktionsprinzipien, die Leistungsmerkmale auf Geräteebene, wichtige Designgleichungen, Gate-Ansteuerungsstrategien und praktische Implementierungsdetails, die GaN-basierte FCML-Wandler zu einer überzeugenden Lösung für kommende Leistungselektronik Generation machen.

Bild 1: 
Schaltplan für den bidirektionalen dreistufigen 2-Phasen-Wandler.(Bild:  Efficient Power Conversion (EPC))
Bild 1: 
Schaltplan für den bidirektionalen dreistufigen 2-Phasen-Wandler.
(Bild: Efficient Power Conversion (EPC))

Warum Multilevel-Wandlung und Flying Capacitor? Multilevel-Wandler erzeugen eine gestufte Ausgangsspannungswellenform, die durch mehrere Spannungsübergänge mit niedrigerer Spannung einer sinusförmigen oder Gleichstromwellenform mit reduzierter Welligkeit nahekommt. Dies ist besonders vorteilhaft in Systemen mit mittlerer und hoher Spannung, in denen hohe Schaltgeschwindigkeiten und eine geringe Belastung der Komponenten entscheidend sind.

Unter den verfügbaren Multilevel-Topologien – wie kaskadierte H-Brücken (CHB) und modulare Multilevel-Wandler (MMC) – zeichnet sich der FCML durch folgende Merkmale aus:

  • Verwendung einer einzigen DC-Quelle, was die Stromversorgung im Vergleich zu MMC und CHB (die isolierte Quellen pro Stufe erfordern) vereinfacht.
  • Natürlicher Spannungsausgleich bei Verwendung von phasenverschobener Pulsweitenmodulation (PSPWM), was die Ansteuerung weniger komplex macht.
  • Skalierbarkeit auf eine höhere Anzahl von Ebenen ohne Hochspannungsschalter.

GaN und FCML: Die Synergie zwischen GaN-Bauelementen und der FCML-Topologie ist aus drei Gründen besonders vorteilhaft:

Reduzierung der Spannungsschritte: Die Spannung an jedem einzelnen Schalter wird reduziert auf:

0128107757v1 (Bild: EPC)

Damit lassen sich GaN-FETs mit niedrigerer Nennspannung (z. B. 100 oder 200 V) einsetzen, die deutlich bessere Leistungsmerkmale aufweisen als ihre Pendants für hohe Spannungen. Gleichzeitig führen niedrigere Spannungsschritte zu weniger EMI.

Bild 2: 
Gemessener 
Wirkungsgrad (linke Achse) und Leistungsverluste (rechte Achse) bei UOUT = 
40 V und UIN = 200 V.(Bild:  Efficient Power Conversion (EPC))
Bild 2: 
Gemessener 
Wirkungsgrad (linke Achse) und Leistungsverluste (rechte Achse) bei UOUT = 
40 V und UIN = 200 V.
(Bild: Efficient Power Conversion (EPC))

Überlegene Güte (FOM): Für hart schaltende Anwendungen werden drei Standard-FOMs verwendet:

  • FOM1: RDS(on) × QG – Leitungseffizienz
  • FOM2: RDS(on) × QOSS – Schaltverluste
  • FOM3: RDS(on) × QRR – Sperrverzögerungsverlust (0 für GaN)

Die zusammengesetzte Multilevel-Güte FOMML skaliert mit der Anzahl der Stufen und ist für GaN minimiert:

0128107759v1 (Bild: EPC)

FCML-Steuerung und Kondensatorspannungsausgleich: Ein besonderes Merkmal von FCML-Wandlern ist ihr selbstausgleichendes Verhalten. Durch PSPWM wird das Timing benachbarter Schaltzellen um eine Phasenverschiebung von

0128107755v1 (Bild: EPC)

versetzt.

Dies stellt sicher, dass jeder Flying Capacitor symmetrische Lade- und Entladezyklen durchläuft, wodurch das Spannungsgleichgewicht zwischen den Ebenen im stationären Betrieb aufrechterhalten wird. Während eine ideale PSPWM die Kondensatorspannungen natürlich ausgleicht, können in der Praxis Unvollkommenheiten – z. B. unterschiedliche Ausbreitungsverzögerungen in Gate-Treibern – zu Spannungsdrift führen. In solchen Fällen passen aktive Ausgleichsmethoden (Balancing) die Tastverhältnisse dynamisch auf der Grundlage von Echtzeit-Rückmeldungen der Kondensatorspannung an.

Dimensionierung von Flying Capacitors: Flying Capacitors müssen korrekt dimensioniert sein, um Lasttransienten und Spannungswelligkeit zu unterstützen. Die Gleichung zur Bestimmung der erforderlichen Kapazität lautet:

0128107758v1 (Bild: EPC)

Wobei

Iload = maximaler Ausgangsstrom

αripple = zulässige Spannungswelligkeit in Prozent

UIN = Gesamteingangsspannung

fPWM = Schaltfrequenz

Bei GaN-basierten FCML-Wandlern, die im MHz-Bereich arbeiten, können Größe und Anzahl der Kondensatoren reduziert werden. Allerdings muss bei Keramiktypen wie X6S und X7T auf die Leistungsreduzierung aufgrund von DC-Vorspannung und Temperatur geachtet werden.

Vorteile des Induktor-Designs in Multilevel-Topologien: FCML-Topologien reduzieren die effektive Spannung der Induktivität und erhöhen die Schaltfrequenz, was zu einer erheblich geringeren erforderlichen Induktivität führt:

0127448390v1 (Bild: EPC)

So ermöglicht eine 3-stufige FCML (N = 3) eine bis zu 4-fache Reduzierung der Induktivität, während eine 4-stufige Topologie eine 9-fache Reduzierung erzielt. Diese Skalierung ist besonders nützlich in flachen Designs (Laptop-Ladegeräte, TV-Adapter etc.), bei denen die Höhe der Induktivität und das Kernvolumen einschränkend wirken.

Jetzt Newsletter abonnieren

Verpassen Sie nicht unsere besten Inhalte

Mit Klick auf „Newsletter abonnieren“ erkläre ich mich mit der Verarbeitung und Nutzung meiner Daten gemäß Einwilligungserklärung (bitte aufklappen für Details) einverstanden und akzeptiere die Nutzungsbedingungen. Weitere Informationen finde ich in unserer Datenschutzerklärung. Die Einwilligungserklärung bezieht sich u. a. auf die Zusendung von redaktionellen Newslettern per E-Mail und auf den Datenabgleich zu Marketingzwecken mit ausgewählten Werbepartnern (z. B. LinkedIn, Google, Meta).

Aufklappen für Details zu Ihrer Einwilligung

Herausforderungen und Lösungen für die Gate-Ansteuerung

Problem: Floating-Switch-Knoten: Jedes GaN-Bauelement in einem Multilevel-Wandler (mit Ausnahme des unteren Schalters) arbeitet mit einem schwebenden (Floating) Potenzial. Dies macht die Gate-Ansteuerung komplex, da jeder Gate-Treiber auf das Source-Potenzial seines Schalters bezogen werden muss.

Herkömmliches Bootstrapping: Diodenbasierte Bootstrapping-Kaskaden führen aufgrund folgender Faktoren zu unzureichenden Gate-Spannungen auf höheren Ebenen:

  • Kumulative Durchlassspannungsabfälle.
  • Überladung aufgrund der Leitfähigkeit der GaN-Body-Diode während der Totzeit.

Zener-Klemme-Bootstrap: Eine praktische Alternative besteht darin, die Spannung des Bootstrap-Kondensators mit Zener-Dioden (z. B. 5,1; 5,7 V) zu klemmen, um die Gate-Spannungen über die Stufen hinweg zu regeln. Dadurch wird eine akzeptable Abweichung (±0,3 V) erreicht, allerdings entsteht eine höhere Verlustleistung – in einigen Designs bis zu 0,36 W.

Synchrone Bootstrap-Schaltung: Für verlustarme, hocheffiziente Systeme bietet ein synchroner GaN-basierter Bootstrap eine überlegene Leistungsfähigkeit. Stromsparende GaN-FETs (z. B. EPC2038) kommen als Ersatz für Dioden im Ladepfad zum Einsatz:

  • Gate-Ansteuerspannungen zwischen 4,7 und 5,2 V.
  • Niedrige Dropout-Spannung.
  • UVLO-Auslösen wird eliminiert.
  • Hervorragende Skalierbarkeit auf >4 Stufen.

Dieser Ansatz minimiert die Gate-Ansteuerverluste (bis hinab auf 65 mW bei Volllast) und erhält so den Effizienzvorteil von GaN.

Integriertes isoliertes 5V-zu-5V-DC/DC-Modul : In den letzten Jahren haben mehrere Hersteller kompakte und kostengünstige isolierte DC/DC-Module auf den Markt gebracht, die sich ideal für Multilevel-Wandler eignen. Diese Module sind isolierte 5V-zu-5V-Wandler mit einer Nennleistung bis zu 1,5 W in einem flachen 4 mm × 5 mm Gehäuse. Im Vergleich zu den zuvor beschriebenen Bootstrap-Lösungen bieten sie eine präzisere Regelung der Gate-Ansteuerung und ermöglichen Tastgrade von 0 bis 100 Prozent.

FCML-Implementierungen in der Praktischen Anwendung

Tabelle 1: 
Güte (FOMML) für hart schaltende Multilevel-Wandler mit N Stufen.(Bild:  Efficient Power Conversion (EPC))
Tabelle 1: 
Güte (FOMML) für hart schaltende Multilevel-Wandler mit N Stufen.
(Bild: Efficient Power Conversion (EPC))

1. Dreistufiger 48V-Buck-/Abwärtswandler für die Server-Stromversorgung: Diese Implementierung erfüllt die steigenden Anforderungen an die Leistungsdichte von 48-V-Stromversorgungsarchitekturen in Rechenzentren. Die dreistufige FCML-Topologie ermöglicht eine deutliche Verringerung der Induktivitätsgröße auf bis zu 3,5 mm Höhe bei gleichbleibender thermischer Effizienz. Der Wandler verwendet die 40V-GaN-FETs EPC2055 für die inneren Schalter und einen 100V-EPC2218 für den obersten Schalter, um transiente Startbedingungen zu bewältigen.

Mit einer Betriebsfrequenz von 400 kHz übertraf der mehrstufige Wandler ein 2-phasiges Interleaved-Buck-Design durch einen um 1,2 Prozent höheren Wirkungsgrad und eine um über 10 °C geringere Erwärmung bei einer Last von 12,5 A. Diese Konfiguration zeigt, wie FCML eine höhere Rack-Dichte ermöglicht, den Kühlungsbedarf senkt und einen höheren Rechendurchsatz in KI- und Cloud-Infrastrukturen unterstützt.

2. Bidirektionaler 300-V-Buck-Boost-Wandler für Batterieschnittstellen: Dieser 2-phasige Dreistufenwandler wurde für industrielle Systeme und Energiespeicher entwickelt und dient als Schnittstelle zwischen einer 200-V-Batterie und einer 40V-Last. GaN-FETs (EPC2215 mit 200 V, 8 mΩ) wurden parallel geschaltet, um hohe Ströme zu bewältigen. Der Wandler wurde für einen Betrieb mit 50 Prozent Auslastung ausgelegt, um das Gate-Treiberdesign zu vereinfachen.

Die Architektur erreicht einen Wirkungsgrad von über 97,8 Prozent bei 20 A, während das kompakte Layout und das gezielte thermische Design eine passive Kühlung mit einem kleinen 50 mm × 30 mm Kühlkörper ermöglichen. Dieser Aufbau eignet sich ideal für regeneratives Bremsen, V2G-Anwendungen und den bidirektionalen Energiefluss in Anwendungen mit erneuerbaren Energien.

3. Vierstufige Totem-Pole-PFC für 3-kW-AC/DC-Wandlung: Für Telekommunikations- und Industriesysteme wurde eine hochdichte PFC mit einer vierstufigen FCML-Totem-Pole-Schaltung entwickelt. Die GaN-FETs EPC2215 kommen im HF-Bereich zum Einsatz, während Silizium-MOSFETs mit niedrigem RDS(on) den NF-Bereich abdecken.

Das Design erreicht einen Wirkungsgrad von >99 Prozent über einen Lastbereich von 1–3 kW. Mit einer 13,2-μH-Induktivität aus vier flachen 3,3-μH-Windungen erreicht das System eine Leistungsdichte von 129 W/in³. Der Wandler hält den Klirrfaktor (THD) unter 3 Prozent, arbeitet mit minimalem Luftstrom (200 LFM) und zeigt eine ausgezeichnete thermische Stabilität, wodurch er sich ideal für kompakte Frontend-Stromversorgungen eignet.

Das Fazit zu Flying-Capacitor-Multilevel-Wandlern

Flying-Capacitor-Multilevel-Wandler bieten zusammen mit GaN-Transistoren einen überlegenen Ansatz für die hocheffiziente, hochdichte und störungsarme Leistungswandlung.

Ihre natürliche Kompatibilität mit Niederspannungs-GaN-FETs, der reduzierte Bedarf an passiven Bauelementen und ihre Flexibilität in verschiedenen Anwendungen – von Stromversorgungen in Rechenzentren bis hin zu EV-Subsystemen – machen GaN-basierte FCML-Wandler zu einer führenden Lösung für zukünftige Stromversorgungssysteme.

Durch ständige Neuerungen bei GaN-Gehäusen, intelligenter Gate-Ansteuerung und fortschrittlichen Regelalgorithmen nehmen FCML-GaN-Architekturen eine zentrale Rolle ein, um die Energieeffizienz in Hochleistungselektronik weiter zu verbessern. (mr)

* Alejandro Pozo Arribas ist Senior Applications Engineer bei Efficient Power Conversion (EPC)

(ID:50597211)