Leistungsfaktor-Korrektur Brückenlose PFC-Schaltung mit GaN
Der Beitrag skizziert, wie mit 600-V-GaN-auf-Si-HEMTs und dem Prototypen einer LLC-Schaltung (200 KHz, 240 W, 390/12 V) ein Systemwirkungsgrad von 97,2% erreicht wurde.
Anbieter zum Thema

Auf die Möglichkeit der Stromwandlung mit erhöhten Wirkungsgraden unter Verwendung von HEMTs (High Electron Mobility Transistoren) aus GaN (Gallium Nitrid) und schnell schaltenden Dioden wurde lange gewartet. Jetzt werden diese Bauteile von Transphorm in Serie produziert. Das Unternehmen in Goleta/Karifornien entwickelt von der Materialtechnologie und dem Schaltungsentwurf bis hin zur Bauteilfertigung und Modulmontage geeignete Stromwandlerbausteine, die bis zu 90% der elektrischen Umwandlungsverluste reduzieren. Mehr als 30 Patente schützen die anwendungsspezifischen Power-Module.
Der Artikel beschreibt die Totem-Pole-PFC-Schaltung und die LLC-DC/DC-Umrichter, die die hohe Schaltgeschwindigkeit, den geringen On-Widerstand (RDS(on)) und die außergewöhnlich geringe Speicherladung (Qrr) der GaN-HEMT-Schalttransistoren ausnutzen, um einen kombinierten Gesamtwirkungsgrad von über 97% zu erzielen.
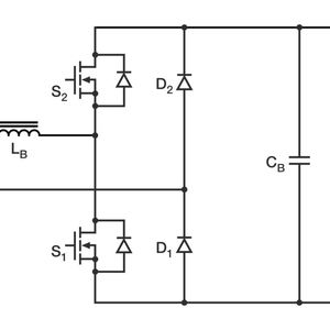
Die brückenlose Totem-Pole-PFC-Schaltung
Bild 2 zeigt eine brückenlose Totem-Pole-PFC-Topologie mit zwei schnellen Bauelementen (S1 und S2), einer Drossel (LB) und zwei preiswerten, langsamen Dioden (D1, D2). Die Schwierigkeit der Implementierung dieser Schaltung liegt in der Tatsache, dass während der Totzeit, wenn beide Transistoren sperren, eine der Body-Dioden leitend wird und einen Freilaufstrom im kontinuierlichen Strombetrieb (CCM) ermöglicht.
Beim anschließenden „harten“ Einschalten kann die Speicherladung der Body-Diode der Si-Hochspannungs-MOSFETs hohe Strom-Spannungs-Spitzen verursachen, was die Schaltung neben hohen Schaltverlusten zudem instabil macht. Der Schlüssel zur Implementierung einer erfolgreichen Totem-Pole-Schaltung basiert auf Halbleitern der neuesten Generation mit niedrigen On-Widerständen bei gleichzeitig geringer Speicherladung.
Die Totem-Pole-PFC in GaN-Technologie
Die industrieweit ersten, auf kostengünstigem Si-Substrat hergestellten, zertifizierten 600-V-GaN-High-Electron-Mobility-Transistoren (HEMTs) wurden von Transphorm eingeführt. Diese GaN-Leistungsbausteine der ersten Generation besitzen einen niedrigen On-Widerstand von typischerweise 0,15 Ω und ermöglichen einen Rückstrom während der Totzeit mit einer geringen Speicherladung (Qrr) von 54 nC, was 20 mal niedriger ist als bei ihren modernen Pendants aus Silizium (Bild 3).
Eine GaN-HEMT-Totem-Pole-PFC-Schaltung im CCM-Modus (Bild 1) mit Fokus auf Minimierung der Leitungsverluste wurde anhand eines vereinfachten Schaltbilds entwickelt. Sie besteht aus einem Paar schneller GaN-HEMT-Transistoren (Q1 und Q2), die bei einer hohen Pulsweitenmodulations (PWM)-Frequenz sowie einem Paar langsamer, aber äußerst widerstandsarmer MOSFETs (S1 und S2), die bei einer weitaus geringeren Frequenz (60 Hz) arbeiten. Der Hauptstrompfad enthält nur einen schnellen und einen langsamen Schalttransistor, ohne einen Dioden-Spannungsabfall. S1 und S2 haben die Funktion eines synchronisierten Gleichrichters. Die beiden GaN-HEMTs bilden einen synchronen Boost-Konverter, bei dem ein Transistor als Master-Schalter die Energieaufnahme durch die Boost-Drossel (LB) ermöglicht und der andere Transistor als Slave-Schalter die Energie an den Gleichstromausgang abgibt.
(ID:42358009)