Aufwärtswandler Audio-Verstärker im Auto mehrphasig versorgt
Audioverstärker im Kfz nutzen meist Aufwärtswandler, um Ausgangsspannungen von 18 bis 28 V und mehr zu erzeugen, die deutlich über der Batteriespannung liegen. Solche Anwendungen von 100 W und mehr erfordern aber große Induktivitäten, mehrere Ausgangskapazitäten und parallel geschaltete MOSFETs und Dioden. Teilt man die Leistungsstufe in mehrere parallele Phasen auf, so sinkt die Belastung der einzelnen Leistungsbaugruppen, es beschleunigt sich das Ansprechverhalten und die Effizienz des Systems wird höher.
Anbieter zum Thema
Normalerweise ist es relativ einfach, einen Pulsweitenmodulator (PWM) zu finden, der als 2-Phasen-Aufwärtswandler eingesetzt werden kann. Die meisten doppelt verschachtelten (dual-interleaved) Offline-Controller oder Push-Pull-Controller können zwei phasenverschobene Verstärker-MOSFETs direkt steuern. Bei vierphasigen Lösungen ist die Auswahl an Controllern allerdings weitaus geringer. Allerdings lassen sich einige Mehrphasen-Buck-Controller problemlos für die Verwendung in vierphasigen Aufwärtswandlern anpassen.

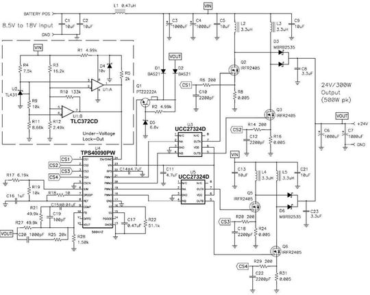
Bild 1 zeigt den Schaltplan für eine vierphasige 300-W-Verstärkerstromversorgung mit dem Automotive-qualifizierten Mehrphasen-Buck-Controller TPS40090-Q1. Dieser 4-Kanal-Mehrphasen-Wandler wurde dafür entwickelt, die bei Audioanwendungen üblichen Leistungsspitzen von bis zu 500 W aufzunehmen. Normalerweise sorgt der Controller in einer Buck-Konfiguration mit mehreren Phasen für eine gleichmäßige Stromversorgung über alle Phasen hinweg, indem er den Durchschnittstrom in der Ausgangsinduktivität überwacht. Im Gegensatz dazu wird der Strom in einer Verstärkerkonfiguration mit mehreren Phasen mittels eines an jeder einzelnen FET-Quelle angeordneten Widerstandes gemessen.
Gleichmäßig verteilte Strombelastung
Über den Ausgleich des Spitzenstroms in jedem FET sorgt der Mehrphasen-Controller für eine gleichmäßige Stromverteilung in jeder Verstärkerphase. Die Gate-Steuerungssignale des Controllers machen für jede Phase einen MOSFET-Treiber erforderlich. Bei diesem Design wird der duale MOSFET-Treiber UCC27324-Q1 eingesetzt, um die Anzahl der Bauteile möglichst gering zu halten.
Mit dem Setzen einer Strombegrenzung in jeder Phase schützt der Mehrphasen-Controller den Wandler vor Überlast. Die Leistungsspitzen in Audioanwendungen sind zwar nur von kurzer Dauer, allerdings erheblich höher als die durchschnittliche Abgabeleistung. Um diese Leistungsspitzen bringen zu können, muss die Strombegrenzung ausreichend hoch angesetzt werden. Eine weitere Schutzstufe bietet die externe Abschaltung bei Unterspannung (UVLO), die einen Betrieb bei schwacher Batterieladung verhindert.
Mit fallender Batteriespannung versucht der Verstärker mehr Eingangsstrom zu ziehen, was bei schwacher Batterie schnell zu einem Spannungseinbruch führen kann. Dieses Verhalten kann zu einer Schädigung der Batteriezellen führen oder die Batterie sogar unbrauchbar machen. Eine einfache und kostengünstige UVLO-Schaltung besteht aus einem Bezugswert, aufgebaut mit dem justierbaren Präzisions-Shunt-Regler TL431A-Q1, einer dualen Vergleichsstufe mit dem doppeldifferenzialen Komparator TLC372Q sowie einigen Widerständen.
Phasenversetzte Brummströme heben sich teilweise auf
In der vorliegenden Konstruktion sind die vier Phasen bei 500 kHz geschaltet und um 90° versetzt synchronisiert.

Bild 2 zeigt die Wellenform der Drain-Source-Spannung aller vier Phasen. Die Brummströme jeder Phase laufen an den Ein- und Ausgängen zusammen und heben sich dort teilweise gegenseitig auf. Dadurch werden die AC-Brummströme sowohl an den Eingangs- als auch an den Ausgangskondensatoren verringert. Überdies treten die kombinierten Brummströme bei 2 MHz auf — also bei der vierfachen Frequenz einer einzelnen Phase. Aufgrund der verringerten Brummströme und der höheren Frequenz sind die Eingangs- und Ausgangskapazitäten in Mehrphasenschaltungen sehr viel geringer als bei Schaltungen mit nur einer Phase.
Die effektivere Schaltfrequenz ermöglicht es dem Wandler außerdem, schneller auf Lastwechsel zu reagieren. Über das Aufteilen der Leistung in mehrere Phasen wird die Belastung der einzelnen Baugruppen reduziert. Diese Verringerung von Strom und Leistung erweitert die mögliche Auswahl an handelsüblichen Induktivitäten, FETs und Dioden. Verglichen mit einer Einphasenschaltung sind die Leistungsverluste geringer.
Zudem erstrecken sie sich über größere Bereiche, wodurch sich auch die Wärmeabfuhr verbessert. Diese Vierphasenkonstruktion bietet bei einer Leistung von 300 W eine Effizienz von 94% und weniger als 20 W Leistungsverluste. Ein Boost-Controller, der mehr als zwei Phasen ansteuern soll, kann hohe Anforderungen an das Design stellen. Der Automotive-qualifizierte Mehrphasen-Aufwärtswandler TPS40090-Q1 eignet sich hervorragend für Hochleistungs-Audioanwendungen im Automobil.
*Brian King gehört dem IEEE an und ist ebenso wie Dave Parks, PE, Applikationsingenieur bei Texas Instruments.
(ID:256321)