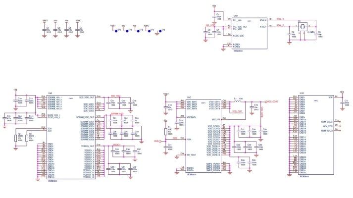
Raspberry Pi im SODIMM-Format für Embedded-Anwendungen

Zurück zum Artikel