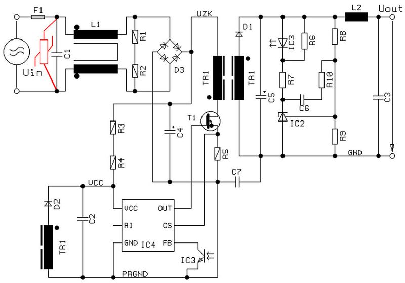
Qualitätskriterien zur Auswahl von Komponenten in Schaltnetzteilen

Zurück zum Artikel