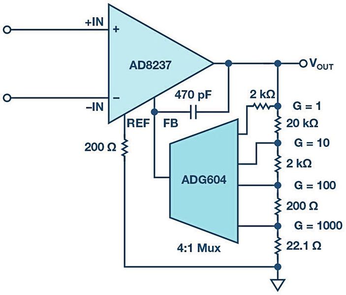
PGIA: Frontend-Design für stark unterschiedliche Signalpegel

Zurück zum Artikel