Die Befestigung von Kühlkörpern auf Halbleitern muss einfach und schnell erfolgen und wenig kosten. Sicherheit und mechanische Aspekte sollten Sie trotzdem nicht vernachlässigen.
Wärmemanagement: Stranggepresste Kühlkörperprofile aus Aluminium liefern vielzählige und effiziente sowie kostengünstige Möglichkeiten der Bauteilentwärmung.
(Bild: Fischer Elektronik)
Temperaturbedingte Belastungen elektronischer Halbleiterbauelemente gehören neben Vibrationen und Feuchtigkeit zu den häufigsten Ausfallursachen elektronischer Komponenten und Geräte. Um deren Lebensdauer, Zuverlässig- und Leistungsfähigkeit zu gewährleisten, ist ein effektives thermisches Management unabdingbar. Gleichfalls spielt die mechanische Befestigung der Bauteile auf der Entwärmungskomponente eine maßgebliche Rolle im Gesamtkonstrukt.
Es besteht ein direkter Zusammenhang zwischen Temperaturstress und Lebensdauer von elektronischen Bauteilen. Die Höhe der Umgebungstemperatur, die Häufigkeit und Geschwindigkeit von Temperaturwechseln sowie die durch den Stromfluss bei höherer Leistungsdichte verursachte Temperatur in den Leitern lassen die Elektronik in verschiedenartigen Applikationen ausfallen.
Eine Überschreitung der in den Herstellerdatenblättern genannten maximalen Betriebstemperatur führt zu Fehlfunktionen, eine Überschreitung der zulässigen Grenztemperatur führt zur Zerstörung des Halbleiters.
Bei der Entwärmung für elektronische Bauteile kann grundsätzlich zwischen der leisen und lauten Art der Entwärmung unterschieden werden. Verschiedenartige Komponenten sind also besonders für die freie oder forcierte Konvektion geeignet. Klassische Strangkühlkörper (Bild oben) funktionieren gemäß dem physikalischen Wirkprinzip der freien (natürlichen) Konvektion.
Diese Art der Entwärmung ist völlig geräuschlos und bietet für vielzählige geräuschempfindliche Applikationen etliche Vorteile. Die thermische Leistungsfähigkeit von Strangkühlkörpern setzt sich aus dem Verhältnis zwischen Bodenstärke, Rippenhöhe, -abstand und -anzahl zusammen. Strangkühlkörper, daher der Name, für die freie Konvektion werden im Strangpressverfahren hergestellt.
Die Gründe dafür sind neben vielzähligen Gestaltungsmöglichkeiten, ein optimales Verhältnis von spezifischer Wärmeleitfähigkeit des Materials, Gewicht, Preis und mechanischer Festigkeit, in Relation zum Wärmeableitvermögen. Fertigungsbedingte Toleranzfelder von Strangpressprofilen obliegen internationaler Normen und sind besonders bei der Verwendung in der Gesamtkonzeption zu berücksichtigen, da der Kühlkörper oftmals eine im Gerät verbaute Komponente darstellt, welche immer in Zusammenhang mit anderen Bauteilen gesehen werden muss.
Je nach Kühlkörpergeometrie und Materialanordnung, können die Fertigungstoleranzen in Punkto Durchbiegung der Montageflächen, aber auch der Breiten- und Höhentoleranz, erheblich sein und erfordern oftmals eine mechanische Nachbearbeitung, welche seitens Fischer Elektronik auf unterschiedlichste Weise angeboten wird.
Aktive Entwärmung mithilfe von Lüfteraggregaten
Bei der Wärmeableitung größerer Verlustleistungen, bei denen herkömmliche Strangkühlkörper nicht ausreichen oder die notwendigen mechanischen Abmessungen nicht mehr aufgrund des Einbauvolumens und des Gewichtes in das Gesamtkonzept passen, ist der Einsatz einer aktiven Entwärmungsmethode mittels Lüftermotoren oftmals erforderlich. Sogenannte Lüfteraggregate basieren auf dem physikalischen Grundkonzept der erzwungenen Konvektion und liefern als thermisches Management zur Entwärmung von elektronischen Bauelementen eine erprobte Technik.
Lüftergaggregate sind zur Entwärmung großer Verlustleistungen sehr effektiv, da ihr Aufbau und die Geometrie der inneren Wärmetauschfläche jeweils auf die entsprechenden Lüftermotoren und deren Leistungsdaten wie Luftgeschwindigkeit und -volumen abgestimmt sind. Im Gegensatz zur freien Konvektion mit natürlichem Auftrieb wird bei Lüfteraggregaten die durch die Lüftermotoren erzeugte Luftströmung in gerichteter Form durch eine Wärmetauschstruktur geleitet.
Bild 1: Kompakte und sehr effiziente Miniaturlüfteraggregate mit kundenspezifischer CNC-Bearbeitung liefern eine hervorragende thermische Leistungsfähigkeit, auch auf der Leiterkarte.
(Bild: Fischer Elektronik)
Der sogenannte Rippentunnel kann in einem Stück als Strangpressprofil (Bild 1) oder auch mit Hilfe einzelner Teilsegmente hergestellt werden. Neben den modular aufbaubaren Segment-Lüfteraggregaten beinhaltet die Produktgruppe ebenfalls Minatur-Lüfteraggregate (Bild 1) zum direkten Einbau auf der Leiterkarte, Hohlrippen-Lüfteraggregate mit Axial- und Radiallüftermotoren sowie Hochleistungs-Lüfteraggregate mit gelöteter Lamellenstruktur. In Summe ist es bei diversen Lüfteraggregatlösungen erforderlich, gleichfalls auch die physikalischen Gegebenheiten wie die spezifische Wärmeleitfähigkeit, das Gewicht und die Baugröße sowie den Preis pro abzuführende Wärmemenge in Watt zu betrachten.
Stand: 08.12.2025
Es ist für uns eine Selbstverständlichkeit, dass wir verantwortungsvoll mit Ihren personenbezogenen Daten umgehen. Sofern wir personenbezogene Daten von Ihnen erheben, verarbeiten wir diese unter Beachtung der geltenden Datenschutzvorschriften. Detaillierte Informationen finden Sie in unserer Datenschutzerklärung.
Einwilligung in die Verwendung von Daten zu Werbezwecken
Ich bin damit einverstanden, dass die Vogel Communications Group GmbH & Co. KG, Max-Planckstr. 7-9, 97082 Würzburg einschließlich aller mit ihr im Sinne der §§ 15 ff. AktG verbundenen Unternehmen (im weiteren: Vogel Communications Group) meine E-Mail-Adresse für die Zusendung von redaktionellen Newslettern nutzt. Auflistungen der jeweils zugehörigen Unternehmen können hier abgerufen werden.
Der Newsletterinhalt erstreckt sich dabei auf Produkte und Dienstleistungen aller zuvor genannten Unternehmen, darunter beispielsweise Fachzeitschriften und Fachbücher, Veranstaltungen und Messen sowie veranstaltungsbezogene Produkte und Dienstleistungen, Print- und Digital-Mediaangebote und Services wie weitere (redaktionelle) Newsletter, Gewinnspiele, Lead-Kampagnen, Marktforschung im Online- und Offline-Bereich, fachspezifische Webportale und E-Learning-Angebote. Wenn auch meine persönliche Telefonnummer erhoben wurde, darf diese für die Unterbreitung von Angeboten der vorgenannten Produkte und Dienstleistungen der vorgenannten Unternehmen und Marktforschung genutzt werden.
Meine Einwilligung umfasst zudem die Verarbeitung meiner E-Mail-Adresse und Telefonnummer für den Datenabgleich zu Marketingzwecken mit ausgewählten Werbepartnern wie z.B. LinkedIN, Google und Meta. Hierfür darf die Vogel Communications Group die genannten Daten gehasht an Werbepartner übermitteln, die diese Daten dann nutzen, um feststellen zu können, ob ich ebenfalls Mitglied auf den besagten Werbepartnerportalen bin. Die Vogel Communications Group nutzt diese Funktion zu Zwecken des Retargeting (Upselling, Crossselling und Kundenbindung), der Generierung von sog. Lookalike Audiences zur Neukundengewinnung und als Ausschlussgrundlage für laufende Werbekampagnen. Weitere Informationen kann ich dem Abschnitt „Datenabgleich zu Marketingzwecken“ in der Datenschutzerklärung entnehmen.
Falls ich im Internet auf Portalen der Vogel Communications Group einschließlich deren mit ihr im Sinne der §§ 15 ff. AktG verbundenen Unternehmen geschützte Inhalte abrufe, muss ich mich mit weiteren Daten für den Zugang zu diesen Inhalten registrieren. Im Gegenzug für diesen gebührenlosen Zugang zu redaktionellen Inhalten dürfen meine Daten im Sinne dieser Einwilligung für die hier genannten Zwecke verwendet werden. Dies gilt nicht für den Datenabgleich zu Marketingzwecken.
Recht auf Widerruf
Mir ist bewusst, dass ich diese Einwilligung jederzeit für die Zukunft widerrufen kann. Durch meinen Widerruf wird die Rechtmäßigkeit der aufgrund meiner Einwilligung bis zum Widerruf erfolgten Verarbeitung nicht berührt. Um meinen Widerruf zu erklären, kann ich als eine Möglichkeit das unter https://contact.vogel.de abrufbare Kontaktformular nutzen. Sofern ich einzelne von mir abonnierte Newsletter nicht mehr erhalten möchte, kann ich darüber hinaus auch den am Ende eines Newsletters eingebundenen Abmeldelink anklicken. Weitere Informationen zu meinem Widerrufsrecht und dessen Ausübung sowie zu den Folgen meines Widerrufs finde ich in der Datenschutzerklärung, Abschnitt Redaktionelle Newsletter.
Haltefedern: Einfache und sichere Bauteilmontage
Neben der klassischen Bauteilmontage mittels unterschiedlicher Schraubverbindungen bieten Transistorhaltefedern eine gute Möglichkeit, Transistoren auf einem Kühlkörper zu befestigen. Besonders im Bereich der Leiterkartenkühlkörper bringen die Federn einen hohen Anpressdruck sowie einen dauerhaften und zuverlässigen Kontakt des elektronischen Bauteils auf der Wärmesenke. Um kleinste Wärmeübergangswiderstände zwischen der Kontaktpaarung zu erreichen, ist die Art und Weise der Bauteilbefestigung wichtig.
Die Befestigung der Halbleiter wird bei vielen Applikationen seitens der Kunden als Kostenreduktionsfaktor bewertet, muss somit so einfach und schnell passieren, ohne allerdings die Sicherheit und mechanische Aspekte zu vernachlässigen.
Entwärmungskomponente durch Kleben befestigen
Für eine Befestigung der elektronischen Bauteile auf einer Entwärmungskomponente gibt es unterschiedliche Aufbauten von Klebematerialien und Transistorhaltefedern. Eine sichere Klebverbindung zwischen dem Bauteil und dem Kühlkörper wird mittels thermisch leitfähiger Zweikomponentenkleber auf Epoxidbasis oder doppelseitig klebender Wärmeleitfolien erreicht.
Beide Varianten verkleben poröse und glatte Oberflächen von Metallen sowie Keramiken und Kunststoffe. Die jeweilige Aushärtung erfolgt bei Raumtemperatur und einem Zeitfenster von ca. 20 Stunden, wobei die Aushärtezeit durch das Zuführen von zusätzlicher Temperatur deutlich verkürzt werden kann.
Im Vorfeld einer jeden Verklebung ist es allerdings notwendig, zur Materialauswahl eine sorgfältige Analyse der Kontaktpaarung und deren Unebenheiten durchzuführen. Ungeachtet vom verwendeten Klebematerial erfordern sämtliche Materialien vor der Anwendung und Aufbringung eine saubere sowie trockene Oberfläche ohne jegliche Verunreinigungen.
Die Möglichkeiten mit Transistorhaltefedern
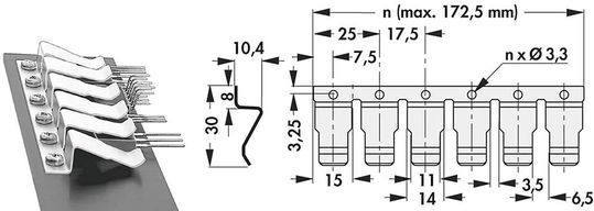
Bild 2: In der Anzahl frei wählbare Halteelemente ermöglichen eine gleichzeitige sowie einfache und schnelle Befestigung von mehreren Transistoren.
(Bild: Fischer Elektronik)
Transistorhaltefedern sind von ihrer Kontur und den Abmessungen auf die unterschiedlichen Arten von Transistoren wie TO 126, SOT 32, SOT 82, TO 218, TO 220, TO 247 und TO 248 abgestimmt. Universelle Mehrfach-Transistorhaltefedern (Bild 2) besitzen an einem Streifen mehrere einzelne Haltelemente in einem bestimmten Abstand, wobei die Anzahl der Halteelemente kundenseitig von 1 bis 10 frei ausgewählt und der Applikation angepasst werden kann.
Der Haltfederstreifen wird mittels einer Schraubverbindung mit dem Kühlkörper befestigt, so dass über die Hebelwirkung die Federgeometrie von oben auf die Bauteile drückt oder als Alternative Montagemethode die Transistoren unter die Feder eingeschoben werden können.
Klassische und Mehrfach-Transistorhaltefedern
Neben den Mehrfach-Transistorhaltefedern bieten die klassischen Haltefedern gute Möglichkeiten zur Bauteilbefestigung. Diese Transistorhaltefedern besitzen Sattel-ähnliche Geometrien, wobei die mittige Rundung bei der Montage mittels Federwirkung den Anpressdruck auf das Bauteil ausübt. In Verbindung mit Leiterkartenkühlkörpern ist eine effiziente Entwärmung mit gleichzeitiger Bauteilmontage auf der Leiterkarte gegeben.
Diese Kühlkörpergruppe enthält zusätzliche integrierte oder eingepresste Lötstifte, wodurch der Kühlkörper und das mittels der Transistorhaltefedern fixierte Bauteil als Gesamteinheit in der Leiterkarte verlötet werden kann. Am seitlichen Ende der Federgeometrie weisen die Transistorhaltefedern eine Clip-Geometrie auf, welche in den Kühlkörper von oben eingesteckt, auf der Unterseite der Halbleitermontagefläche einrastet bzw. die Haltefedern fixiert.
Ein im Kühlkörper integriertes und spezielles Lochbild in Form von Langlöchern oder Durchgangsbohrungen in einem bestimmten Durchmesser sind zur richtigen Montage der Transistorhaltefeder Voraussetzung. Einmal in der Kühlkörpergeometrie eingerastet, fixiert die Transistorhaltefeder das Bauteil auf der Wärmesenke sicher und schnell mit sehr gutem Anpressdruck.
Bild 3: Leiterkartenkühlkörper für Einrasttransistorhaltefedern ermöglichen die Wärmeableitung von größeren Verlustleistungen auf der Leiterkarte.
(Bild: Fischer Elektronik)
Einrast-Transistorhaltefedern in unterschiedlichen Längenausführungen liefern eine weitere effiziente und schnelle Montagemöglichkeit von Transistoren mit dafür angepassten Leiterplattenkühlköpern (Bild 3). Die dafür vorgesehenen Kühlkörper enthalten eine spezielle, bereits im Strangprofil integrierte Nutgeometrie, in die verschiedenartige Einrast-Transistorhaltefedern aus Edelstahl durch Einclippen unverlierbar eingerastet werden. Einmal in der Nut des Kühlkörpers fixiert, hält die Einrast-Transistorhaltefeder unverrückbar ihre Position.
Der so erzeugte, auf das Bauteil angepasste, Anpressdruck bewirkt einen wärmetechnisch optimalen Wärmeübergang zwischen der elektronischen Komponente und dem Leiterplattenkühlkörper. Die universellen Einrast-Transistorhaltefedern der Serie THFU liefern in Verbindung mit dem jeweiligen auf die abzuführende Verlustleistung angepassten Kühlkörper für eine Leiterkartenmontage, eine sichere und schnelle Fixierung für fast alle Arten und Größen von Transistorgehäuseformen.
Buchtipp "Elektronikkühlung"
Für das thermisch richtige Design einer Leiterplattenbaugruppe gibt es kein Patentrezept. Fast jede Kühlungsaufgabe ist aufgrund der individuellen Rahmenbedingungen und spezifischen Anforderungen einzigartig. Das Buch vermittelt das notwendige Knowhow, um eigene Projekte unter Berücksichtigung eines effizienten Wärmemanagements zu planen und Designkonzepte zur Elektronikkühlung objektiv zu bewerten.