Automotive-Ethernet mit 10 MBit/s Oszilloskop: Software-Option für 10Base-T1S triggert und dekodiert

Anbieter zum Thema

Für Oszilloskope von Teledyne LeCroy bietet der Hersteller jetzt eine Software-Option, die auf den Automotive-Ethernet triggert und Daten dekodiert. Damit können Anwender auf der physikalischen Ebene des Busses Funktionen bewerten und Fehler suchen.

Datenbus im Fahrzeug: Der Standard IEEE 10BASE‑T1S ermöglicht es, Geräte per Multi-Drop-Konfiguration in Automotive-Ethernet einzubinden. (Bild:  (c) metamorworks - stock.adobe.com)
Datenbus im Fahrzeug: Der Standard IEEE 10BASE‑T1S ermöglicht es, Geräte per Multi-Drop-Konfiguration in Automotive-Ethernet einzubinden.
(Bild: (c) metamorworks - stock.adobe.com)

Mit dem Standard IEEE 10Base‑T1S lassen sich die Geräte im Fahrzeug per Multi-Drop-Konfiguration in Automotive-Ethernet einbinden. Mehrere Knoten können über dasselbe Twisted-Pair-Kabel verbunden werden. Im Gegensatz zur Sterntopologie von 100BASE-T1 sind keine zusätzlichen Switches notwendig und damit ist der Verkabelungsaufwand geringer. Fahrzeugbussysteme wie CAN oder LIN lassen sich durch 10Base‑T1S ersetzen.

Eine weitere Besonderheit ist die sogenannte Physical-Layer-Collision-Avoidance- (PLCA-)Technik. Damit lassen sich Kollisionen von Datenpaketen vermeiden und jeder Teilnehmer verfügt über eine feste ID sowie eine festgelegte Sendegelegenheit. Diese wird nach dem Roationsprinzip vergeben.

Die Spezifikaton 10Base-T1S wurde als Teil des IEEE-Standards 802.3cg entwickelt und im Februar 2020 veröffentlicht. Mit dem Standard 10Base-T1S soll eine echte Ethernet-to-the-Edge-Konnektivität ermöglicht werden. Außerdem soll sich eine zonenbasierte Architektur umsetzen lassen. Der Standard erlaubt Datenraten von 10 MBit/s, bei der Sensoren und Aktoren Teil des Ethernet-Netzwerks werden.

Trigger und Decoder für 10 MBit/s

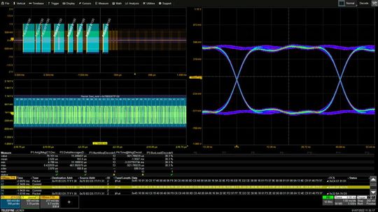
Automotive-Ethernet: Mit einer neuen Software-Option für Oszilloskope von Teledyne LeCroy lassen sich Fehler auf dem 10BASE-T1S finden.(Bild:  Teledyne LeCroy)
Automotive-Ethernet: Mit einer neuen Software-Option für Oszilloskope von Teledyne LeCroy lassen sich Fehler auf dem 10BASE-T1S finden.
(Bild: Teledyne LeCroy)

Von Teledyne LeCroy kommt eine spezielle TDME-Messanwendung für den Automotive-Standard 10Base-T1S. In dem Paket enthalten sind neben leistungsstarken Trigger auch transparente farbkodierte Dekodier-Overlays, Protokolltabellen und Suchfunktionen. Außerdem enthalten ist eine Mess- und Grafikfunktion mit automatisierten Mess- und Grafiktools sowie Augendiagrammen. Damit lässt sich die physikalische Ebene bewerten und Fehler aufspüren.

Integriert ist die Messanwendung in einem Oszilloskop. Über das Tool bekommt der Anwender einen Einblick in alle systemrelevanten Parameter. Außerdem hilft es, die Signalintegrität zu überprüfen und Fehler auf der Signal- und Datenseite schneller zu finden.

Die einzelnen Funktionen im Detail

Die Trigger-, Dekodier-, Mess-/Grafik- und Physical-Layer- (TDME-)Funktionen für Oszilloskope von Teledyne LeCroy unterstützen:

  • Umfassender Trigger für 10Base-T1S: automatische Zuordnung der ID der Teilnehmer zu einer MAC-Adresse auf Grundlage der Analyse des PLCA-Zyklus. Die Trigger-/Decoderfunktion wird vereinfacht eingerichtet. Es besteht die Möglichkeit, auf Beacon, ID, ID + DATA, Commit/Sync, ESD und CRC-Error zu triggern.
  • Konditionierter Daten Trigger Setup: Der konditionierte Trigger triggert auf komplexe Daten-Bedingungen. Das ist besonders bei abnormalen Ereignisse wichtig. Beispielsweise wenn ein Teilnehmer eine zu niedrige oder zu hohe Motordrehzahl oder eine zu hohe Kühlmitteltemperatur meldet.
  • Farbkodierte Dekodier-Überlagerung: Ein transparentes Overlay hebt unterschiedliche Bereiche des Protokolls und des gesamten Nachrichtenpakets farblich hervor. Die Signaldarstellung und die Protokolldekodierung sind direkt auf dem Display ablesbar. Wird die Erfassungslänge erweitert oder verkürzt, passt sich das Dekodier-Overlay an.
  • Interaktive Tabelle fasst die Ergebnisse zusammen: Mit einer tabellarischen Anzeige der dekodierten Informationen verwandelt sich das Oszilloskop in einen Protokollanalysator. Die Daten der Tabelle werden angepasst und gefiltert. So sind nur die wichtigen Daten zu sehen. Durch das Antippen oder Anklicken einer Nachricht in der Tabelle wird automatisch der entsprechende Signalverlauf als Zoom auf dem Bildschirm angezeigt. Jede Tabelle kann zur Offline-Analyse exportiert werden. Bis zu vier verschiedenen dekodierten Signale eines beliebigen Typs lassen sich gleichzeitig in der Tabelle anzeigen.
  • Mess-/Grafik-Tools für die Validierungseffizienz: Durch automatisierte Zeitmessungen zwischen Datenpaketen oder analogen Signalen und Datenpaketen lassen sich PLCA-Timing-Probleme verstehen. Serielle (digitale) Dateninhalte können in einen analogen Wert umgewandelt und grafisch dargestellt werden.
  • Augendiagramme: Die dekodierten Daten lassen sich nach bestimmten Teilnehmer-IDs filtern. Zusammen mit der Augendiagramm-Anzeige können Anwender Probleme der physikalischen Ebene und des PLCA-Zyklus identifizieren. Über die Augenparameter lässt sich die Systemleistung quantifizieren. Benutzerdefinierte Masken helfen außerdem, Anomalien zu identifizieren. Eine Maskenverletzung kann graphisch angezeigt und die Erfassung über das Oszilloskop automatisch gestoppt werden.

Artikelfiles und Artikellinks

(ID:48562976)

Jetzt Newsletter abonnieren

Verpassen Sie nicht unsere besten Inhalte

Mit Klick auf „Newsletter abonnieren“ erkläre ich mich mit der Verarbeitung und Nutzung meiner Daten gemäß Einwilligungserklärung (bitte aufklappen für Details) einverstanden und akzeptiere die Nutzungsbedingungen. Weitere Informationen finde ich in unserer Datenschutzerklärung. Die Einwilligungserklärung bezieht sich u. a. auf die Zusendung von redaktionellen Newslettern per E-Mail und auf den Datenabgleich zu Marketingzwecken mit ausgewählten Werbepartnern (z. B. LinkedIn, Google, Meta).

Aufklappen für Details zu Ihrer Einwilligung