Eine galvanische Trennung von Schaltungsteilen ist im industriellen Umfeld oft notwendig. Kapazitive digitale Isolatoren übertragen die Nutzsignale sicher und zuverlässig über eine Isolationsbarriere. Der Beitrag verdeutlicht den Einsatz von Digitalisolatoren zur galvanischen Trennung von entfernten Industrieanlagen.
(Bild: Würth)
Zwei große Herausforderungen an die Elektronik in typischen Industrieumgebungen sind störungsfreie Datenkommunikation und die Sicherheit von Personen. Starke elektromagnetische Felder, Überspannungen, transiente Spannungen und hohe Störpotenziale (EMV) sind an der Tagesordnung.
Wenn beispielsweise die Temperatur eines Motors mit einem Thermoelement gemessen wird, entstehen Spannungen im Millivolt-Bereich. Werden diese Spannungen nun über eine Kabellänge von mehreren Metern zu einer zentralen Steuereinheit übertragen, die sich auf ein anderes Massepotential bezieht, wird das Messsignal durch die Potentialunterschiede verfälscht.
Wenn man die beschriebenen Phänomene zusammenfasst, ergeben sich die folgenden vier Herausforderungen:
Eine Sicherheitsbarriere zwischen gefährlichen Spannungen und einem Benutzer,
Trennung von Masseschleifen zwischen räumlichen Stromkreisen,
Minimierung von Gleichtaktstörungen,
Störungsfreie Datenübertragung.
In Bild 1 ist die Situation des Datenübertragungssystems grafisch dargestellt. Um den Anforderungen gerecht zu werden, gefährliche Spannungen vom Anwender abzuschirmen und trotzdem eine störungsfreie Datenübertragung zu gewährleisten, muss eine galvanische Trennung realisiert werden, die die Zonen elektrisch, d. h. vom Potential her voneinander trennt, so dass sie getrennt und damit störungsfrei arbeiten können. Der Datenfluss läuft über den Isolator. Stör- und Potentialausgleichsströme jedoch werden durch die galvanische Isolation unterbunden.
Galvanische Trennung
Wenn Menschen oder Elektronik in Kontakt mit hohen Spannungen kommen können, ist eine galvanische Isolation notwendig. Die Kommunikation zwischen zwei Schaltungen muss dann über die Isolationsbarriere hinweg erfolgen. Dazu verwendet man Optokoppler oder Digitalisolatoren. Digitalisolatoren basieren auf der Silizium-CMOS-Technik und bestehen aus zwei separaten Chips, die durch Bonddrähte miteinander verbunden sind, um die Datenübertragung zu realisieren. Als Isolator fungiert eine Siliziumdioxid-Schicht (SiO2), die sehr hohen Spannungen widersteht. Die Isolationseigenschaften werden vorrangig durch die Isolationstechnik und das Design bestimmt. Die Isolationswerte von CMOS-Digitalisolatoren werden durch eine Reihe von Hochspannungsprüfungen ermittelt, die von den einschlägigen Normungsinstituten festgelegt wurden.
Batteriespannung isoliert messen
Die dezentrale Erfassung physikalischer Parameter ist aktueller Stand der Technik und leistungsfähige Mikrocontroller erleichtern die Aufbereitung der Daten. Daten direkt am Objekt zu erfassen, ist jedoch oftmals eine Herausforderung und häufig ist eine drahtlose Übertragung der Daten nicht möglich.
Daten am Objekt müssen so gesammelt werden, dass der Tastkopf die zu messende Größe möglichst nicht beeinflusst, da sonst Messfehler entstehen. Dazu ist eine elektrische Entkopplung notwendig, die schaltungstechnisch realisiert werden muss. Des Weiteren muss die drahtgebundene Übertragung der Daten potenzialfrei und symmetrisch erfolgen, damit die Übertragung nicht durch elektromagnetische Einkopplungen und Masseschleifen gestört wird.
In der vorliegenden Applikation wurde bewusst auf den Einsatz von Mikrocontrollern verzichtet, um aufzuzeigen, dass mit analoger Schaltungstechnik ein leistungsfähiges, störsicheres Design mit geringem Aufwand realisierbar ist. Das System unterteilt sich in zwei Schaltungen, einen Sender und einen Empfänger. Der Messwertaufnehmer kann eine Gleichspannung von ±30 Vmax mit einer Schwankungsperiode von einer Sekunde erfassen.
Die Stromaufnahme wurde minimiert und beträgt, bei einer Spannungsversorgung von +15 V, für den Sender <85 mA und für den Empfänger <25 mA. Sowohl der Sender als auch der Empfänger sind jeweils galvanisch getrennt, der Sender zwischen Messdatenerfassung und Signalübertragungsstrecke und der Empfänger zwischen Signalübertragungsstrecke und Datenausgang.
Um diese Isolation schaltungstechnisch zu realisieren, wurden spezielle DC/DC-Power-Module und digitale Isolatoren mit galvanischer Trennung und besonders niedriger parasitärer Koppelkapazität eingesetzt. Die Signalübertragung zwischen Sender und Empfänger erfolgt per Zweidrahtleitung. Die Strecke kann, abhängig von den elektromagnetischen Umgebungseinflüssen, mehrere hundert Meter betragen.
Konzept des Senders
Bild 2 zeigt die Blockschaltung des Senders. Die Schaltung unterteilt sich in sechs Blöcke:
Tastkopf: Messwertaufnehmer mit Spannungsteiler und Verstärker zur Messung von positiver und negativer Polarität (1).
Pegelumsetzer: Pegelumsetzer für den Spannungs-Frequenz-Umsetzer (2).
Spannungs-Frequenz-Umsetzer: Digitales Ausgangssignal, Frequenz abhängig von der Eingangsspannung (3).
Digitaler Isolator: Galvanische Trennung zwischen Messpotenzial und Schnittstelle (4).
Schnittstellenpuffer: Niederimpedanter Leitungstreiber mit symmetrischem Ausgang (5).
Stromversorgung: DC/DC-Wandler, galvanisch isolierte Wandler für den Tastkopfteil (6).
Um Funktionssicherheit sicherzustellen, sind sowohl tastkopfseitig als auch am Treiberausgang Maßnahmen zum Transientenschutz und Filter vorgesehen; auch vor und nach den DC/DC-Power-Modulen sind Tiefpässe vorgesehen, um HF-Einkopplungen wirksam zu dämpfen.
Konzept des Empfängers
Bild 3 zeigt die Blockschaltung des Empfängers. Die Schaltung unterteilt sich in fünf Blöcke:
Eingangspuffer: Signalaufnehmer, Signalaufbereitung mit symmetrischem Eingang. Die Linkanzeige zeigt an, ob eine detektionsfähige Verbindung zum Sender besteht (1).
Digitaler Isolator: Galvanische Trennung zwischen Eingangssignal und sekundärer Signalaufbereitung / Ausgangsschnittstelle. Zusätzlich galvanisch isolierte Spannung für den eingangsseitigen Puffer (2).
Frequenz-Spannungs-Umsetzer: Erzeugt aus einem digitalen Signal eine Ausgangsspannung. Spannungspegel ist abhängig von der Frequenz des Eingangssignals (3).
Schnittstellenpuffer mit Polaritätsanzeige: Pegelwandler für das Ausgangssignal. Das Ausgangssignal hat eine positive Polarität, die Polaritätsanzeige zeigt die Polarität des Eingangssignals (4).
Stromversorgung: DC/DC-Wandler für die sekundärseitige Versorgung (5).
Auch im Empfangsteil sind zahlreiche EMV-Maßnahmen vorgesehen. Der Signaleingang, vom Twisted-Pair-Kabel kommend, ist mit einem Transientenschutz und einem Gleichtakt-Filter versehen, um Störungen, die vom Kabel kommen, wirksam zu dämpfen.
Die Stromversorgungen um die DC/DC-Wandler sind sowohl eingangs- als auch ausgangsseitig mit Tiefpässen versehen, um sowohl elektromagnetische Störungen von außen, als auch von innerhalb der Schaltung durch die Schaltvorgänge der DC/DC-Wandler deutlich zu reduzieren. Auf diese Weise werden ein hoher Signal-Rauschabstand (SNR) und auch eine hohe Funktionssicherheit gewährleistet.
Digitale Isolatoren mit kapazitiver Übertragung
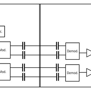
Der digitale Isolator von Würth Elektronik [1,2] besteht aus einem Oszillator und einem Modulator auf der Primärseite. Auf der Sekundärseite befinden sich ein Demodulator und ein Signalpuffer. Die primärseitigen Komponenten sind von den sekundärseitigen Komponenten durch eine kapazitive Struktur mit einer Isolationsbarriere aus SiO2 galvanisch getrennt.
Die Signalübertragung über die Isolationsbarriere hinweg erfolgt mit einem Modulationsverfahren, dem so genannten On/Off-Keying. Der im Chip integrierte Oszillator wird zur Modulation des Eingangssignals, das über einen Schmitt-Trigger läuft, eingesetzt. Der Modulator erzeugt ein Differenzsignal, das über die kapazitiven Isolationsleitungen übertragen wird.
Bild 4 zeigt die Blockschaltung eines kapazitiven digitalen Isolators. Der Demodulator, auf der Sekundärseite des Isolators, übernimmt die Funktionen der Verstärkung, Filterung und Rekonstruktion des Eingangssignals. Dabei sind die Signalverzögerung und die Signalverzerrung minimal. Abschließend leitet ein Puffer das Signal vom Demodulator-Ausgang zum Gesamtausgang, wobei der Puffer das Signal auf den erforderlichen Pegel verstärkt.
Bild 5 veranschaulicht den internen Aufbau. Digitale Isolatoren werden in Standard-CMOS-Technik hergestellt und nutzen daher Materialien und Prozesse, die bekannt und erprobt sind. Die Kondensatoren der Transmitterseite und der Empfängerseite sind auf einem Leadframe aufgebracht. Die Kondensatoren selbst (in Bild 5 grau dargestellt) befinden sich zwischen den beiden horizontalen Kontakten (rot dargestellt). Das dielektrische Material zwischen den Elektroden bzw. den Kondensatorplatten dient als galvanische Isolationsbarriere.
Die durch das Verfahren erreichte Isolationsdicke liegt im Bereich von einigen zehn Mikrometern. In digitalen Isolatoren wird SiO2 als Isoliermaterial im Kondensator verwendet, weil es aufgrund seiner viel höheren Durchschlagfestigkeit von 500 V/µm wesentlich weniger Platz für den Isolierspalt benötigt. Andere gebräuchliche Isoliermaterialien, wie Polyimid, haben eine Durchschlagfestigkeit von nur 300 V/µm. Die beiden Kondensatoren sind mit einem Bonddraht elektrisch verbunden, so dass zwei Kondensatoren in Reihe geschaltet sind, wie in der Blockschaltung in Bild 4 dargestellt. Um die gesamte Struktur zu schützen, werden der Die und das Leadframe mit einem Standard-IC-Montageverfahren vergossen.
Sicherheit und Robustheit
Im Ernstfall sollen die digitalen Isolatoren Menschen vor gefährlichen Spannungen schützen. Sie müssen daher höchste Anforderungen an die Sicherheit und Haltbarkeit erfüllen. Die digitalen Isolatoren der CDIP- und CDIS-Serie sind vom VDE in Deutschland nach der neuesten und anspruchsvollsten Norm DIN EN IEC 60747-17 (VDE 0884-17):2021-10 „Magnetische und kapazitive Koppler für Basisisolierung und verstärkte Isolierung“ zertifiziert worden (Tabelle 1).
Aber was bedeuten jetzt eigentlich die Begriffe „Basis“ und „Verstärkt“ für die Sicherheit einer Person? Die Norm für sich gibt hier nur eine eher abstrakte Definition, siehe IEC 60747-17:202X:
Wann nimmt man nun eine Basis- oder verstärkte Isolation? Vereinfacht ausgedrückt sind hier die Punkte „Einzelfehlerbedingung“ und „normale Betriebsbedingungen“ von Bedeutung. Eine verstärkte Isolation gewährleistet auch unter einer Einzelfehlerbedingung im normalen Betrieb einen Schutz gegen elektrischen Schlag. Eine Basis-Isolation ist nur wirksam im normalen Betrieb also ohne Betrachtung eines Einzelfehlers.
[1] Uludag, T.: Reliable Galvanic Isolation, Simplified. Power Electronics News, December 2023, S. 6ff.
[2] Digitale Isolatoren WPME-CDIS von Würth Elektronik: https://www.we-online.com/de/components/products/DIGITAL-ISOLATORS-WPME-CDIS
(ID:50141375)
Stand: 08.12.2025
Es ist für uns eine Selbstverständlichkeit, dass wir verantwortungsvoll mit Ihren personenbezogenen Daten umgehen. Sofern wir personenbezogene Daten von Ihnen erheben, verarbeiten wir diese unter Beachtung der geltenden Datenschutzvorschriften. Detaillierte Informationen finden Sie in unserer Datenschutzerklärung.
Einwilligung in die Verwendung von Daten zu Werbezwecken
Ich bin damit einverstanden, dass die Vogel Communications Group GmbH & Co. KG, Max-Planckstr. 7-9, 97082 Würzburg einschließlich aller mit ihr im Sinne der §§ 15 ff. AktG verbundenen Unternehmen (im weiteren: Vogel Communications Group) meine E-Mail-Adresse für die Zusendung von redaktionellen Newslettern nutzt. Auflistungen der jeweils zugehörigen Unternehmen können hier abgerufen werden.
Der Newsletterinhalt erstreckt sich dabei auf Produkte und Dienstleistungen aller zuvor genannten Unternehmen, darunter beispielsweise Fachzeitschriften und Fachbücher, Veranstaltungen und Messen sowie veranstaltungsbezogene Produkte und Dienstleistungen, Print- und Digital-Mediaangebote und Services wie weitere (redaktionelle) Newsletter, Gewinnspiele, Lead-Kampagnen, Marktforschung im Online- und Offline-Bereich, fachspezifische Webportale und E-Learning-Angebote. Wenn auch meine persönliche Telefonnummer erhoben wurde, darf diese für die Unterbreitung von Angeboten der vorgenannten Produkte und Dienstleistungen der vorgenannten Unternehmen und Marktforschung genutzt werden.
Meine Einwilligung umfasst zudem die Verarbeitung meiner E-Mail-Adresse und Telefonnummer für den Datenabgleich zu Marketingzwecken mit ausgewählten Werbepartnern wie z.B. LinkedIN, Google und Meta. Hierfür darf die Vogel Communications Group die genannten Daten gehasht an Werbepartner übermitteln, die diese Daten dann nutzen, um feststellen zu können, ob ich ebenfalls Mitglied auf den besagten Werbepartnerportalen bin. Die Vogel Communications Group nutzt diese Funktion zu Zwecken des Retargeting (Upselling, Crossselling und Kundenbindung), der Generierung von sog. Lookalike Audiences zur Neukundengewinnung und als Ausschlussgrundlage für laufende Werbekampagnen. Weitere Informationen kann ich dem Abschnitt „Datenabgleich zu Marketingzwecken“ in der Datenschutzerklärung entnehmen.
Falls ich im Internet auf Portalen der Vogel Communications Group einschließlich deren mit ihr im Sinne der §§ 15 ff. AktG verbundenen Unternehmen geschützte Inhalte abrufe, muss ich mich mit weiteren Daten für den Zugang zu diesen Inhalten registrieren. Im Gegenzug für diesen gebührenlosen Zugang zu redaktionellen Inhalten dürfen meine Daten im Sinne dieser Einwilligung für die hier genannten Zwecke verwendet werden. Dies gilt nicht für den Datenabgleich zu Marketingzwecken.
Recht auf Widerruf
Mir ist bewusst, dass ich diese Einwilligung jederzeit für die Zukunft widerrufen kann. Durch meinen Widerruf wird die Rechtmäßigkeit der aufgrund meiner Einwilligung bis zum Widerruf erfolgten Verarbeitung nicht berührt. Um meinen Widerruf zu erklären, kann ich als eine Möglichkeit das unter https://contact.vogel.de abrufbare Kontaktformular nutzen. Sofern ich einzelne von mir abonnierte Newsletter nicht mehr erhalten möchte, kann ich darüber hinaus auch den am Ende eines Newsletters eingebundenen Abmeldelink anklicken. Weitere Informationen zu meinem Widerrufsrecht und dessen Ausübung sowie zu den Folgen meines Widerrufs finde ich in der Datenschutzerklärung, Abschnitt Redaktionelle Newsletter.