Mit einem IC lassen sich bei minimalem Bauteileaufwand, auf effiziente Weise und mit geringer Ruhestromaufnahme bis zu fünf Versorgungsspannungen für Kfz-Infotainment-Systeme erzeugen. Der LTC3372 ist ein als Komplettlösung realisierter Spannungsregler, der die Regelung auch bei den extremen Spannungsschwankungen aufrechterhalten kann.
(Bild: Analog Devices)
Unser vernetzter, von Medien geprägter Lebensstil resultiert daraus (oder ist vielleicht auch der Grund dafür), dass die Technik mehr und mehr in jeden Bereich unseres Lebens vordringt. Dies gilt auch für die heutigen, hochintegrierten Infotainment-Systeme in unseren Autos. Den komplexen Mix elektronischer Bauelemente, den man in diesen Infotainment-Systemen vorfindet, gibt es in ähnlicher Form auch in der Konsumelektronik. Neben leistungsfähigen Mikrocontrollern werden Speicher-, Interface- und Treiber-ICs eingesetzt.
Ebenso komplex ist das Bild bei der Stromversorgung, denn unter Umständen erfordert jedes Bauelement mehrere verschiedene niedrige Spannungen mit einem stark variierenden Strombedarf. Die Komplexität ist jedoch keineswegs auf die Infotainment-Systeme beschränkt, denn auch die Leistungsfähigkeit, der Kraftstoffverbrauch und der Fahrerkomfort eines Autos verlangen nach immer ausgefeilteren elektronischen Lösungen.
Das Stromversorgungs-System nimmt überdies eine Mittlerrolle zwischen der sensiblen Elektronik und den eher rauen Bedingungen des Kfz-Bordnetzes ein, auf dem es zu starken Spannungsschwankungen kommen kann. Ein gut ausgearbeitetes Stromversorgungssystem muss die Elektronik versorgen und gleichzeitig schützen, auch wenn die Automobilhersteller ihre Fahrzeuge mit Features wie dem Start-Stopp-System zu einer noch widrigeren Einsatzumgebung für Elektronik machen.
Am anderen Ende des Spektrums zählt eine äußerst geringe Ruhestromaufnahme zu den kritischen Anforderungen, die Stromversorgungs-Systeme im Auto erfüllen müssen. Schließlich kann es passieren, dass ein Fahrzeug monatelang ungenutzt abgestellt wird, während wichtige, stets eingeschaltete elektronische Systeme weiter aktiv sind, ohne dass die Batterie hierdurch komplett entladen werden darf.
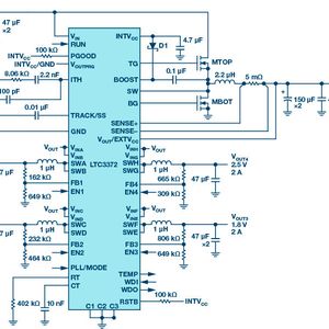
Der ADI Power by Linear™ LTC3372 ist ein als Komplettlösung realisierter Spannungsregler, der die Regelung auch bei den extremen Spannungsschwankungen, zu denen es im Bordnetz eines Autos kommt, aufrechterhalten kann. Er kann für den ununterbrochenen Betrieb von Bauelementen sorgen, ohne dass die Batterie stark entladen wird, denn seine Ruhestromaufnahme ist extrem niedrig. Der LTC3372 umfasst vier konfigurierbare monolithische Regler und kann bis zu fünf Ausgangsspannungen für Infotainment- oder andere elektronische Systeme bereitstellen.
Mit dem LTC3372 lassen sich die benötigten Ausgangsspannungen mit deutlich weniger Bauelementen erzeugen. Der Baustein kombiniert bewährte Hochvolt-Reglertechnik für den Automotive-Sektor mit vier konfigurierbaren, monolithischen Abwärtsreglern zu einer platz- und kosteneffizienten, mehrkanaligen Stromversorgungs-Lösung für Kfz-Anwendungen.
Der Eingang des Hochvolt-Abwärtsreglers kommt mit eingangsseitigen Spannungsspitzen bis zu 60 V zurecht, wie sie beispielsweise bei Lastabwürfen vorkommen, doch er kann die Regelung auch bei Spannungseinbrüchen aufrechterhalten. Diese dürfen in der normalen Buck-Konfiguration bis 4,5 V und in einer SEPIC-Konfiguration sogar bis 3 V herabreichen. Ein derart großer Eingangsspannungsbereich stellt auch bei erheblichen Spannungsschwankungen die ununterbrochene Versorgung empfindlicher Elektronik sicher. Die vier Niedervolt-Abwärtsregler des LTC3372 werden unabhängig voneinander konfiguriert, indem eine Auswahl aus acht 1-A-Leistungsstufen miteinander kombiniert werden. Die Zusammenstellung dieser Stufen erfolgt so, dass der Leistungsbedarf eines jeden Reglers erfüllt wird. Dabei sind acht verschiedene Konfigurationen der vier Ausgangskanäle möglich – alle direkt versorgt aus dem Bordnetz des jeweiligen Fahrzeugs.
Ein Vorteil, den eine in einem IC konzentrierte, mehrkanalige Stromversorgungs-Lösung hat, ist die gemeinsame Nutzung der internen Spannungsreferenzen und Bias-Versorgungen. Die Mehrfachnutzung der Bias-Quellen senkt die auf den einzelnen Kanal umgerechnete Ruhestromaufnahme (IQ) gegenüber Lösungen, die für jeden Ausgang einen eigenen IC besitzen. Bei einer einkanaligen, ununterbrochen aktiven Stromversorgung beträgt die auf die Eingangsspannung bezogene Bias-Ruhestromaufnahme typisch 23 µA und maximal 46 µA bei 150 °C. Werden alle fünf Kanäle im Burst-Mode® geregelt, beträgt der Bias-Strom insgesamt nur 60 µA, das entspricht 12 µA pro Kanal. Da seine gesamte Ruhestromaufnahme für fünf Kanäle also auf dem Niveau eines Kanals mit älterer Technik liegt, macht der LTC3372 neue ständig aktive Anwendungen möglich.
Single-Chip-Controller und -Regler
Der LTC3372 kombiniert einen als Frontend dienenden 60-V-Hochvolt-Buck-Regler mit vier monolithischen 5-V-Niedervolt-Abwärtsreglern mit einem Burst-Mode zur Senkung der Ruhestromaufnahme. Dank der Integration einer Steuerung mit monolithischen Reglern kann der LTC3372 bis zu fünf separate Ausgangsspannungen aus einer Eingangsspannung erzeugen – und dies mit kleinen Abmessungen und zu geringen Kosten. Abhängig vom Pegel am VOUTPRG-Pin beträgt die Ausgangsspannung des Hochvolt-Controllers 3,3 V oder 5 V, während die Ausgangsspannungen der Niedervolt-Regler mithilfe von Widerständen an den Pins FB1 bis FB4 individuell programmiert werden können.
Die Bilder 1 und 2 zeigen eine typische Konfiguration sowie den entsprechenden Wirkungsgrad des Hochvolt-Reglers. Während der Hochvolt-Regler vorrangig zur Versorgung der Niedervolt-Regler dient, arbeiten die einzelnen Regler mit ihren kanalweisen Enable- und Eingangs-Pins unabhängig voneinander. Für zusätzliche Flexibilität sorgen die acht Leistungsstufen. Die acht Schalter lassen sich beliebig auf die Niedervolt-Regler verteilen. Die Kombination wird dabei digital mithilfe des C-Bits (C1, C2, C3) konfiguriert, um den Grenzstrom-Vorgaben des jeweiligen Ausgangs gerecht zu werden.
Tabelle 1: Die Konfigurationen der Niedervolt-Regler werden mit den Codes C1, C2 und C3 festgelegt. In sämtlichen Konfigurationen mit weniger als vier Niedervolt-Reglern werden die Enable- und Feedback-Pins der nicht genutzten Regler mit der Masse verbunden.
(Bild: Analog Devices)
Aus Tabelle 1 gehen der Status des C-Bits und der entsprechende Grenzstrom für den jeweiligen Regler hervor. Aus Bild 3 wiederum ist zu ersehen, wie sich der Wirkungsgrad abhängig von der Anzahl parallel konfigurierter Schalter verändert.
Der LTC3372 verfügt ferner über einen integrierten Temperatursensor und Watchdog-Timer-Funktionen. Mithilfe des Temperatursensors können die Anwender die Temperatur des Bausteins genau überwachen, wann immer ein Niedervolt-Regler aktiv ist. Der Watchdog-Timer wiederum erzeugt ein Resetsignal, sobald er im Fall einer Fehlfunktion nicht durch den Mikroprozessor zurückgesetzt wird.
Verlustoptimierung
Da DC/DC-Wandler häufig nach ihrem Wirkungsgrad beurteilt werden, ist man darauf aus, diesen Parameter zu maximieren. In Hochleistungs-Anwendungen ist es jedoch oftmals lohnender, Gleichspannungswandler nicht nur bezüglich der Effizienz, sondern hinsichtlich der Verluste zu optimieren. Tatsächlich können die Wirkungsgradangaben in einem mehrstufigen Wandlersystem, wie es sich mit dem LTC3372 realisieren lässt, sogar irreführend sein, wenn sich ein Teil des Wirkungsgrads aus Hochvolt- und Niedervolt-Reglern zusammensetzt.
Zu beachten ist, dass es bei einer Verlustoptimierung nicht darum geht, einfach die insgesamt entstehenden Verluste zu minimieren, sondern die Verluste auch ausgewogen auf die verschiedenen Bauelemente zu verteilen. Ein guter Ansatz ist es, mit den Niedervolt-Reglern zu beginnen, denn die Summe der in allen Niedervolt-Reglern entstehenden Verluste macht den Großteil aller Verluste in einem LTC3372-System aus. Durch Berücksichtigung aller in Frage kommenden Konfigurationen der Niedervolt-Regler lässt sich erheblicher Bereich möglicher Verluste vergleichen.
Tabelle 2: Gesamtverluste im Burst-Mode für die Niedervolt-Regler mit 1,2 V (3 A), 1,8 V (3 A) und 2,5 V (0,5 A) in unterschiedlichen Konfigurationen. VINA-H ist 3,3 V und die Schaltfrequenz beträgt 2 MHz. Die beste Konfiguration ergibt Verluste, die um 0,432 Watt geringer sind als bei der schlechtesten Variante.
(Bild: Analog Devices)
Tabelle 2 gibt eine Übersicht über alle in Frage kommenden Konfigurationen und zugehörigen Verluste in einer Anwendung mit Ausgangsspannungen von 1,2 V, 1,8 V und 2,5 V sowie maximalen Lastströmen von zwei Mal 3A und 0,5 A. Der Unterschied zwischen der besten und der schlechtesten Konfiguration beträgt 0,432 W. Unter normalen Umständen erhält man das beste Ergebnis, indem man den größtmöglichen Schalter dem Kanal mit der höchsten Leistung zuordnet.
Allgemeinere Effizienzoptimierungs-Prozeduren lassen sich auf den Hochvolt-Regler anwenden. Der geringfügige Unterschied besteht darin, dass der Laststrom des Hochvolt-Reglers ganz oder teilweise aus dem eingangsbezogenen Strom der Niedervolt-Regler besteht. Sind die Niedervolt-Regler die einzigen Lasten, so wird der Hochvolt-Regler nur mäßig belastet, auch wenn jeder der Niedervolt-Regler mit Volllast arbeitet. Anstatt die FETs mit niedrigem RDS-Wert auszuwählen oder den höchsten maximalen Wirkungsgrad anzustreben, sollten sich die Entwickler eher auf den jeweils interessierenden Laststrombereich konzentrieren. Bild 4 gibt den Wirkungsgrad als Funktion des Laststroms für die drei FETs mit unterschiedlichen RDS-Werten wieder. Für die in Tabelle 2 aufgeführten Niedervolt-Regler ergibt die Wahl des FET mit dem höchsten RDS- aber dem niedrigsten QG-Wert den höchsten Wirkungsgrad im Bereich unterhalb des maximalen Laststroms (3,759 A in der optimalen Konfiguration).
SEPIC-Controller
In Kfz-Anwendungen stellt der Kaltstart eine Herausforderung für DC/DC-Wandler dar. Buck-Wandler werden in den Dropout-Betrieb gezwungen, wenn die geregelte Ausgangsspannung während eines Kaltstarts größer ist als die Eingangsspannung. Mit der Boost- und SEPIC-Konfiguration gibt es zwei alternative Frontend-Topologien, die sich mit den vom Hochvolt-Regler des LTC3372 zur Verfügung stehenden Möglichkeiten realisieren lassen, um den Dropout-Betrieb zu vermeiden.
Der Boost-Wandler ist zwar etwas einfacher, reicht aber jegliche hohen Spannungsspitzen an die sich anschließende Buck-Stufe weiter, was die Verwendung hocheffizienter Niedervolt-Buck-Regler als zweite Abwärtswandler-Stufe ausschließt. In Bild 5 ist der Hochvolt-Regler des LTC3372 als nicht-synchrone SEPIC-Topologie konfiguriert. Der SEPIC-Wandler erzeugt eine Zwischenspannung von 5 V, um die beiden Niedervolt-Regler für 3,3 V und 4 A zu speisen und für den ununterbrochenen Betrieb des Hochvolt-Reglers zu sorgen.
Wenn die beiden 4-A-Niedervolt-Regler mit voller Leistung arbeiten, wird dem SEPIC-Ausgang ein Strom von mehr als 5 A entnommen. Der maximale Strom durch den Sense-Widerstand kann leicht auf mehr als 10 A ansteigen, da der Schalterstrom die Summe der Ströme in beiden Wicklungen ist. In Anbetracht der Tatsache, dass sich der Sense-Widerstand in der heißen Schleife befindet, ist ein gewisser Aufwand erforderlich, um einen sauberen Signalverlauf an den Stromkomparator-Eingängen zu erzielen. Eine Lösung besteht darin, eine differenzielle Filterstufe einzufügen, wie es im SEPIC-Schaltplan zu sehen ist, und einen induktivitätsarmen Widerstand in einem umgekehrten Gehäuse zu verwenden.
Bild 6: Wirkungsgrad im Burst-Mode als Funktion des Ausgangsstroms für den nicht-synchronen SEPIC-Controller in Bild 5. Der Ausgangsstrom ist bis zu einem Wert von 6 A wiedergegeben, was zur Versorgung zweier maximal belasteter Niedervolt-Regler mit 3,3 V und 4 A ausreicht.
(Bild: Analog Devices)
In Bild 6 ist der Wirkungsgrad der SEPIC-Lösung im Burst-Mode dargestellt, während Bild 7 die Ausgangsspannung des SEPIC bei einem Spannungssprung am Eingang von 12 V auf 3 V zeigt. Entwickler sollten beim Leiterplattenentwurf nicht die in der Freilaufdiode entstehende Wärme außer Acht lassen. Die thermischen Restriktionen lassen sich berücksichtigen, indem man Platz für eine maßvoll überdimensionierte Diode lässt und eine größere Kupferdicke wählt. An den VIN-Anschluss sind eine weitere Diode und ein Filterkondensator angeschlossen, um Rückströme und plötzliche Spannungsspitzen durch eingangsseitige Transienten zu unterbinden.
Fazit: Mit dem LTC3372 steht eine Single-Chip-Lösung für mehrkanalige Hochvolt-Abwärtswandler zur Verfügung. Die geringe Ruhestromaufnahme und die niedrigen Kosten pro Kanal machen den Baustein zu einer guten Lösung für ständig aktive Systeme in Kfz-Anwendungen.
Es ist für uns eine Selbstverständlichkeit, dass wir verantwortungsvoll mit Ihren personenbezogenen Daten umgehen. Sofern wir personenbezogene Daten von Ihnen erheben, verarbeiten wir diese unter Beachtung der geltenden Datenschutzvorschriften. Detaillierte Informationen finden Sie in unserer Datenschutzerklärung.
Einwilligung in die Verwendung von Daten zu Werbezwecken
Ich bin damit einverstanden, dass die Vogel Communications Group GmbH & Co. KG, Max-Planckstr. 7-9, 97082 Würzburg einschließlich aller mit ihr im Sinne der §§ 15 ff. AktG verbundenen Unternehmen (im weiteren: Vogel Communications Group) meine E-Mail-Adresse für die Zusendung von redaktionellen Newslettern nutzt. Auflistungen der jeweils zugehörigen Unternehmen können hier abgerufen werden.
Der Newsletterinhalt erstreckt sich dabei auf Produkte und Dienstleistungen aller zuvor genannten Unternehmen, darunter beispielsweise Fachzeitschriften und Fachbücher, Veranstaltungen und Messen sowie veranstaltungsbezogene Produkte und Dienstleistungen, Print- und Digital-Mediaangebote und Services wie weitere (redaktionelle) Newsletter, Gewinnspiele, Lead-Kampagnen, Marktforschung im Online- und Offline-Bereich, fachspezifische Webportale und E-Learning-Angebote. Wenn auch meine persönliche Telefonnummer erhoben wurde, darf diese für die Unterbreitung von Angeboten der vorgenannten Produkte und Dienstleistungen der vorgenannten Unternehmen und Marktforschung genutzt werden.
Meine Einwilligung umfasst zudem die Verarbeitung meiner E-Mail-Adresse und Telefonnummer für den Datenabgleich zu Marketingzwecken mit ausgewählten Werbepartnern wie z.B. LinkedIN, Google und Meta. Hierfür darf die Vogel Communications Group die genannten Daten gehasht an Werbepartner übermitteln, die diese Daten dann nutzen, um feststellen zu können, ob ich ebenfalls Mitglied auf den besagten Werbepartnerportalen bin. Die Vogel Communications Group nutzt diese Funktion zu Zwecken des Retargeting (Upselling, Crossselling und Kundenbindung), der Generierung von sog. Lookalike Audiences zur Neukundengewinnung und als Ausschlussgrundlage für laufende Werbekampagnen. Weitere Informationen kann ich dem Abschnitt „Datenabgleich zu Marketingzwecken“ in der Datenschutzerklärung entnehmen.
Falls ich im Internet auf Portalen der Vogel Communications Group einschließlich deren mit ihr im Sinne der §§ 15 ff. AktG verbundenen Unternehmen geschützte Inhalte abrufe, muss ich mich mit weiteren Daten für den Zugang zu diesen Inhalten registrieren. Im Gegenzug für diesen gebührenlosen Zugang zu redaktionellen Inhalten dürfen meine Daten im Sinne dieser Einwilligung für die hier genannten Zwecke verwendet werden. Dies gilt nicht für den Datenabgleich zu Marketingzwecken.
Recht auf Widerruf
Mir ist bewusst, dass ich diese Einwilligung jederzeit für die Zukunft widerrufen kann. Durch meinen Widerruf wird die Rechtmäßigkeit der aufgrund meiner Einwilligung bis zum Widerruf erfolgten Verarbeitung nicht berührt. Um meinen Widerruf zu erklären, kann ich als eine Möglichkeit das unter https://contact.vogel.de abrufbare Kontaktformular nutzen. Sofern ich einzelne von mir abonnierte Newsletter nicht mehr erhalten möchte, kann ich darüber hinaus auch den am Ende eines Newsletters eingebundenen Abmeldelink anklicken. Weitere Informationen zu meinem Widerrufsrecht und dessen Ausübung sowie zu den Folgen meines Widerrufs finde ich in der Datenschutzerklärung, Abschnitt Redaktionelle Newsletter.