Ein Überschreiten der maximal zulässigen Spannung an schaltenden Halbleitern gehört zu den häufigsten Ursachen für Defekte und Fehlfunktionen. Doch wie lassen sich dynamische Überspannungen beherrschen oder vermeiden – und was sollte man besser nicht tun?
Megawatt-Klasse: Flüssig gekühlte Snubber in einem Aufbau der MW-Klasse.
(Bild: Littelfuse Europe GmbH)
Kern des Problems ist in allen Fällen die transiente Überspannung, die sich aus der Stromänderung in einer Induktivität ergibt. Wird der Stromfluss abrupt unterbrochen, versucht die Induktivität, ihn aufrechtzuerhalten – die Folge sind steile Spannungsspitzen, die Bauteile beschädigen oder Schaltungen stören können. Um dies zu beherrschen, setzt man gezielt Schutzmaßnahmen ein.
Passive Überspannungsbedämpfung
Bild 1: Darstellung einer Halbbrücke inklusive parasitärer Induktivitäten.
(Bild: Littelfuse Europe GmbH)
In Bild 1 ist der Aufbau einer Halbbrücke dargestellt, in dem auch die parasitären Induktivitäten mit eingetragen sind.
Parasitäre Induktivitäten entstehen durch die Verwendung von Metallteilen im Aufbau wie DCB-Flächen, Bonddrähten und Anschlussterminals. Diese im Halbleiter enthaltenen Elemente kann der Entwickler nicht beeinflussen, Hersteller streben aber danach, diese störenden Elemente so klein wie möglich zu halten.
Vollständig eliminieren lassen sie sich aber nicht.
Was der Entwickler beeinflussen kann, ist die Induktivität des angeschlossenen DC-Kreises, im Bild 1 als
dargestellt.
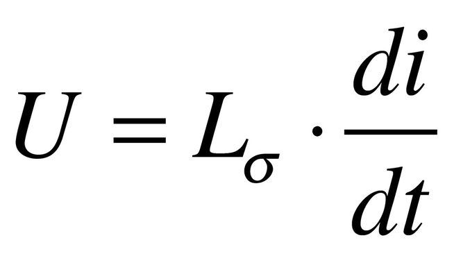
Trägt der obere Schalter den Strom liegt an ihm nur die Sättigungsspannung an, die im Bereich unter 3 V liegt. Beim Ausschaltvorgang ändert sich der Strom mit hoher Geschwindigkeit. IGBTs erreichen ein di/dt bis 5 kA/µs, SiC-MOSFETs sogar deutlich höhere Werte.
Die an der Induktivität entstehende Spannung ergibt sich aus
und addiert sich auf die bestehende DC-Spannung auf.
Der Schalter muss also die Spannung
beherrschen.
Wird ein Schalter mit 1200 V Sperrfähigkeit an einem mit bis zu 920 V geladenen Zwischenkreis mit 5 kA/µs geschaltet, darf die Überspannungsspitze 280 V nicht übersteigen. Damit muss die Streuinduktivität unter 56 nH liegen, was bei einer Induktivität von ~20 nH eines Halbleitermoduls eine echte Herausforderung darstellt. Den Schalter in seiner Geschwindigkeit bremsen, und damit das di/dt zu reduzieren, ist eine mögliche Lösung; sie führt aber zu einer ungewünschten Vergrößerung der Schaltverluste und ist daher nur bedingt ein gangbarer Weg.
Bild 2: Aufbau eines einfachen RC-Snubbers.
(Bild: Littelfuse Europe GmbH)
Eine zweite Lösung besteht darin, die Überspannung zu bedämpfen. Hierzu kommt ein sogenannter Snubber wie in Bild 2 zum Einsatz, der aus einem RC-Glied parallel zum schaltenden Halbleiter besteht.
Ist der IGBT eingeschaltet, liegt der Snubber an einer vernachlässigbar kleinen Spannung. Schaltet der IGBT aus, kann sich die Spannung am Kondensator nicht sprungartig ändern. Es fließt ein durch den Widerstand begrenzter Strom, und die sich bildende Überspannung am IGBT wird verringert. Beim nächsten Einschalten des IGBT entlädt sich der Kondensator wieder. Sowohl beim Ein- als auch beim Ausschalten wird im Widerstand Energie in Wärme umgesetzt. Die Optimierung besteht für den Entwickler nun darin, die Überspannung so weit wie nötig zu bedämpfen, ohne eine unvertretbar hohe Verlustleistung im Widerstand zu erzeugen.
Bild 3: Flüssig gekühlte Snubber in einem Aufbau der MW-Klasse.
(Bild: Littelfuse Europe GmbH)
In Hochleistungselektroniken für den Einsatz im MW-Bereich ist oft aus rein geometrischen Größen mit einer höheren Streuinduktivität des Zwischenkreises zu rechnen. Hier findet der Ansatz Verwendung und der relative Verlust am Snubber-Widerstand ist gering. Der absolute Wert ist allerdings so hoch, dass ggf. sogar flüssig gekühlte Widerstände zum Einsatz kommen. Bild 3 zeigt die Snubber-Widerstände einer Phase eines 2 MW- Umrichters.
Die an den Widerständen entstehenden 2 kW Verlustleistung sind zwar nur 2 Promille der Durchsatzleistung, trotzdem stellen sie eine Herausforderung für das lokale thermische Management dar. Üblicherweise reduzieren einfache Snubber ohne weiteren Kühlaufwand für die Widerstände die Überspannung um nicht mehr als 100-150 V.
Es ist daher immer sinnvoll zu prüfen, ob eine ähnlich ausfallende Verbesserung durch eine Reduktion der Streuinduktivität erreichbar ist und ob langsameres Schalten der Halbleiter seitens der Verlustleistung nicht sogar effektiver ist.
Die Nachteile der Snubber sind neben der erhöhten Verlustleistung der Platzbedarf, die höhere Anzahl an Bauteilen und Verbindungspunkten sowie die zusätzlichen Kosten. Grundsätzlich gilt: Snubber reduzieren die Wirkung der parasitären Induktivität, verringern aber die Ursache nicht. Da Sie zusammen mit dem Aufbau einen Resonanzkreis bilden, ist Vorsicht geboten, diesen nicht zufällig zu Oszillationen anzuregen, die die Einhaltung von EMV-Vorgaben beeinflussen können. Snubber sollten deshalb nur als letzte Lösung in Betracht gezogen werden.
Stand: 08.12.2025
Es ist für uns eine Selbstverständlichkeit, dass wir verantwortungsvoll mit Ihren personenbezogenen Daten umgehen. Sofern wir personenbezogene Daten von Ihnen erheben, verarbeiten wir diese unter Beachtung der geltenden Datenschutzvorschriften. Detaillierte Informationen finden Sie in unserer Datenschutzerklärung.
Einwilligung in die Verwendung von Daten zu Werbezwecken
Ich bin damit einverstanden, dass die Vogel Communications Group GmbH & Co. KG, Max-Planckstr. 7-9, 97082 Würzburg einschließlich aller mit ihr im Sinne der §§ 15 ff. AktG verbundenen Unternehmen (im weiteren: Vogel Communications Group) meine E-Mail-Adresse für die Zusendung von redaktionellen Newslettern nutzt. Auflistungen der jeweils zugehörigen Unternehmen können hier abgerufen werden.
Der Newsletterinhalt erstreckt sich dabei auf Produkte und Dienstleistungen aller zuvor genannten Unternehmen, darunter beispielsweise Fachzeitschriften und Fachbücher, Veranstaltungen und Messen sowie veranstaltungsbezogene Produkte und Dienstleistungen, Print- und Digital-Mediaangebote und Services wie weitere (redaktionelle) Newsletter, Gewinnspiele, Lead-Kampagnen, Marktforschung im Online- und Offline-Bereich, fachspezifische Webportale und E-Learning-Angebote. Wenn auch meine persönliche Telefonnummer erhoben wurde, darf diese für die Unterbreitung von Angeboten der vorgenannten Produkte und Dienstleistungen der vorgenannten Unternehmen und Marktforschung genutzt werden.
Meine Einwilligung umfasst zudem die Verarbeitung meiner E-Mail-Adresse und Telefonnummer für den Datenabgleich zu Marketingzwecken mit ausgewählten Werbepartnern wie z.B. LinkedIN, Google und Meta. Hierfür darf die Vogel Communications Group die genannten Daten gehasht an Werbepartner übermitteln, die diese Daten dann nutzen, um feststellen zu können, ob ich ebenfalls Mitglied auf den besagten Werbepartnerportalen bin. Die Vogel Communications Group nutzt diese Funktion zu Zwecken des Retargeting (Upselling, Crossselling und Kundenbindung), der Generierung von sog. Lookalike Audiences zur Neukundengewinnung und als Ausschlussgrundlage für laufende Werbekampagnen. Weitere Informationen kann ich dem Abschnitt „Datenabgleich zu Marketingzwecken“ in der Datenschutzerklärung entnehmen.
Falls ich im Internet auf Portalen der Vogel Communications Group einschließlich deren mit ihr im Sinne der §§ 15 ff. AktG verbundenen Unternehmen geschützte Inhalte abrufe, muss ich mich mit weiteren Daten für den Zugang zu diesen Inhalten registrieren. Im Gegenzug für diesen gebührenlosen Zugang zu redaktionellen Inhalten dürfen meine Daten im Sinne dieser Einwilligung für die hier genannten Zwecke verwendet werden. Dies gilt nicht für den Datenabgleich zu Marketingzwecken.
Recht auf Widerruf
Mir ist bewusst, dass ich diese Einwilligung jederzeit für die Zukunft widerrufen kann. Durch meinen Widerruf wird die Rechtmäßigkeit der aufgrund meiner Einwilligung bis zum Widerruf erfolgten Verarbeitung nicht berührt. Um meinen Widerruf zu erklären, kann ich als eine Möglichkeit das unter https://contact.vogel.de abrufbare Kontaktformular nutzen. Sofern ich einzelne von mir abonnierte Newsletter nicht mehr erhalten möchte, kann ich darüber hinaus auch den am Ende eines Newsletters eingebundenen Abmeldelink anklicken. Weitere Informationen zu meinem Widerrufsrecht und dessen Ausübung sowie zu den Folgen meines Widerrufs finde ich in der Datenschutzerklärung, Abschnitt Redaktionelle Newsletter.
Aktive Überspannungsbedämpfung durch „Active Clamping“
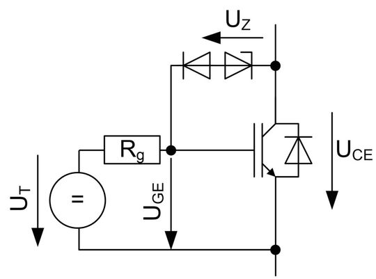
Bild 4: Active Clamping am IGBT.
(Bild: Littelfuse Europe GmbH)
Die Überspannung wird besonders im Fehlerfall zur Herausforderung. Das Ausschalten eines Über- oder Kurzschluss-Stroms kann zu einer höheren Überspannung führen, die ebenfalls vermieden werden muss. Hierfür bietet sich die Methode des sogenannten „Active Clampings“ an. Dabei verbindet eine Strecke aus Transient Voltage Suppressor (TVS)-Dioden den Kollektor des IGBTs mit dessen Gate wie in Bild 4 dargestellt.
Kommt vom Gate-Treiber der Befehl zum Ausschalten, sinkt die Spannung UGE auf null, ggf. sogar auf Werte darunter.
Nach Kirchhoff sind damit die Spannung UZ an der Diodenstrecke und die Spannung UCE am Bauelement etwa gleich groß. Übersteigt die Spannung die Durchbruchspannung der TVS-Dioden, fließt ein Strom ins Gate des IGBTs und der Schalter schaltet wieder ein. Infolge bricht die Spannung am Bauelement zusammen und die Diode sperrt, der Schalter kann weiter ausschalten.
Die Schaltung stellt also für den Fall der Überspannung einen Regelkreis dar, der den Abschaltvorgang verzögert und den IGBT quasi im Linearbetrieb hält, bis der Strom abgeschaltet ist.
Die Vorgehensweise hat sich als sehr effektiv bewährt, was den Schutz der Halbleiter im Kurzschlussfall angeht. Die Funktion muss aber so ausgelegt sein, dass sie tatsächlich nur im Einzelfall ausgelöst wird.
Hintergrund sind die mit dieser Anordnung einhergehenden Verlustleistungen. In der TVS-Diode entstehen kurzfristig erhebliche Leistungen, da ein Strom von einigen Ampere von einer mehreren hundert Volt großen Spannung getrieben wird.
Hier können schnell mehrere Kilowatt an Leistung entstehen. Das geometrisch sehr kleine Bauelement erfährt also eine erhebliche Erwärmung und übersteht den Vorgang nur deshalb unbeschadet, weil er innerhalb weniger Mikrosekunden beendet ist.
Auch der im Linearbetrieb gehaltene IGBT erzeugt aus den gleichen Gründen eine Verlustleistung, die im Bereich von Kilowatt anzusiedeln ist. Daher darf die Funktion „Active Clamping“ nur für den Ausnahmefall zum Einsatz kommen, eine wiederholte Triggerung würde nach wenigen Pulsen zur thermischen Zerstörung der TVS-Dioden oder des IGBT führen.
Lassen sich TVS-Dioden als Snubber einsetzen?
Da TVS-Dioden eine Überspannung besonders schnell begrenzen, stellt sich die Frage, ob man Sie nicht als einzelnes Bauteil als Snubber zum Einsatz bringen könnte.
Was technisch auf den ersten Blick sinnvoll erscheinen mag, erweist sich im Betrieb allerdings als ungünstig.
Da in diesem Fall die TVS-Diode bei jedem Einschaltvorgang die Energie in Wärme umsetzt, käme ein einzelnes Bauelement sehr schnell an seine thermischen Grenzen.
Ein Aufbau aus mehreren Bauelementen mit passender Kühlung könnte zwar rechnerisch die Wärme abgeben ohne die Halbleiter zu gefährden; die hierfür notwendige Anzahl an Komponenten macht den Ansatz aber aus finanzieller Sicht in den allermeisten Fällen unattraktiv.
Eine Ausnahme ergibt sich für die Applikation „DC-Breaker“, also den Ersatz von mechanischen Schaltern durch Halbleiter.
Um beispielsweise eine Batterie von der Last zu trennen, bedarf es eines bidirektionalen Schalters, der beim Ausschalten ebenfalls durch eine Überspannung gefährdet ist.
Da in dieser Anwendung das Ausschalten ein einmaliger Vorgang ist, lassen sich hierfür Lösungen mit einer größeren Anzahl von TVS-Dioden finden. Wegen der Kürze der Zeit, in der die Energie freigesetzt wird, ist eine Abfuhr der Wärme in einen Kühlkörper kaum möglich.
Es ist daher notwendig, für die umzusetzende Energie eine hinreichend große thermische Kapazität zur Verfügung zu stellen. Dies wird durch die Tatsache erschwert, dass die angeschlossene Induktivität unbekannt ist und relativ groß sein kann.
Statt der Nano-Henry an Streuinduktivität eines Zwischenkreises sind hier ggf. Milli-Henry einer Last zu berücksichtigen, was die gespeicherte Energie um einen entsprechenden Faktor in die Höhe treibt. (mr)
* Dr. Martin Schulz ist Global Principal Application Engineer bei Littelfuse Europe.