Auf Niederspannungsebene zählt der Universalmotor zu den wichtigsten Kleinmotoren – er ist im Alltag unverzichtbar. Einen Überblick über Aufbau, Betriebsverhalten und die Vorteile der Ansteuerung mit einem Mikrocontroller gibt dieser Beitrag.
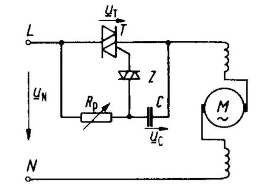
Bild 1: Verschaltung des Universalmotors am Niederspannungsnetz.
(Bild: Turck Duotec)
Der Bedarf und die wirtschaftliche Bedeutung kleiner Motoren nehmen stetig zu. Auf Niederspannungsebene zählt der Universalmotor heute zu den wichtigsten Kleinmotoren und ist im Alltag unverzichtbar. In großer Stückzahl kommt der Motor sowohl in Haushaltsgeräten wie Staubsaugern, Mixern oder Waschmaschinen als auch in Antrieben von Elektrowerkzeugen zum Einsatz. Die Aufnahmeleistung liegt im Bereich von 1 bis 3000 W bei Drehzahlen von 1500 bis 35.000 Umdrehungen/Minute.
Aufbau und Betriebsverhalten des Universalmotors
Der Aufbau des Universalmotors entspricht im Prinzip dem eines Gleichstrom-Reihenschlussmotors und ist auch als Einphasen-Reihenschlussmotor bekannt. Lediglich das Eisen des Ständers muss, wie auch der Anker, aus Dynamoblech zusammengesetzt sein, um durch das Wechselfeld hervorgerufene Wirbelstromverluste zu minimieren. Hierdurch kann der Universalmotor am Gleichstrom- und Wechselstromnetz betrieben werden. Bild 1 zeigt vereinfacht die Verschaltung eines Universalmotors mit Ständer- und Ankerwicklung am Niederspannungsnetz.
Bildergalerie
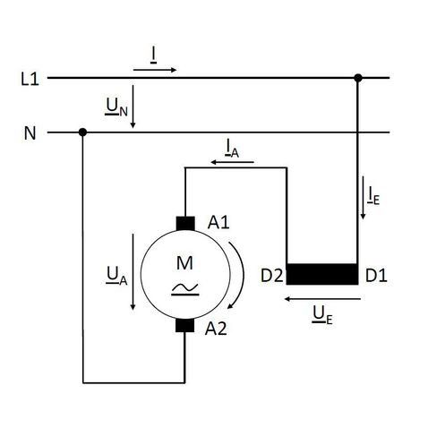
Das Betriebsverhalten des Universalmotors wird als Reihenschlussverhalten bezeichnet. Hierbei liegt die Erregerwicklung im Ständer (D1-D2) mit den Wicklungen im Anker des Motors (A1-A2) in Reihe, wodurch der Ankerstrom IA gleichzeitig der für den magnetischen Fluss Φ (Hauptfeld) erforderliche Erregerstrom IE ist. Somit ergibt sich ein für den Universalmotor typisches Drehzahl-Drehmoment-Verhalten. In Bild 2 ist die quantitative Drehzahl-Drehmoment-Kennlinie des Universalmotors dargestellt.
Wie der Gleichstrom-Reihenschlussmotor, kann auch der Universalmotor beim Anlauf ein hohes Drehmoment entwickeln. Aus dem Verlauf der Drehzahl-Drehmoment-Kennlinie wird deutlich, dass die Drehzahl n stark lastabhängig ist (n~1/√Mi). Bei geringem Lastmoment M steigt die Drehzahl n stark an, was bei einem unbelasteten Universalmotor zum Bersten des Ankers führen kann. Kleinere Universalmotoren werden daher meist so konstruiert, dass eine Grundbelastung der Maschine durch den elektrischen Widerstand der Wicklungen und durch Reibung (beispielsweise Lüfterrad am Rotor) gegeben ist.
Das Bürstenfeuer und die Funkentstörung
Bei Betrieb an sinusförmigem Wechselstrom wird im Rotor der Maschine eine transformatorische Spannung Utr induziert. Diese führt im Betrieb zum sogenannten Bürstenfeuer am Kommutator und breitbandigen Funkstörungen. In größeren Maschinen werden zur Reduzierung des Bürstenfeuers Kompensationswicklungen und Wendepolwicklungen eingesetzt, was die Folgen der Ankerrückwirkung minimiert. In kleineren Maschinen wird das Bürstenfeuer jedoch in Hinblick auf den meist nur gelegentlichen Einsatz in Kauf genommen.
Durch die schnellen Stromänderungen am Kommutator entstehen elektromagnetische Oberwellen, die sehr hohe Frequenzen erreichen und ein breites Frequenzband überstreichen. Mit geeigneten Entstörgliedern ist es möglich diese Funkstörungen zu unterdrücken.
Zur Abblockung und Bedämpfung von Störsignalen bei Universalmotoren, beispielsweise für den Bereich der Elektrowerkzeuge, kommen X- bzw. Y-Kondensatoren zum Einsatz. Diese werden zwischen Phase und Neutralleiter (X-Kondensatoren) bzw. zwischen Phase und Schutzleiter sowie Neutralleiter und Schutzleiter (Y-Kondensatoren) geschalten.
Bei der Dimensionierung dieser Kondensatoren ist nicht nur auf die Reduzierung der Störpegel unter die entsprechenden Grenzwerte zu achten, sondern auch die Einhaltung der vorgeschriebenen Ableitströme zu berücksichtigen.
Möglichkeiten der analogen Drehzahlsteuerung
Zur stufenlosen Drehzahlstellung bestehen beim Universalmotor die gleichen Möglichkeiten wie bei einem Gleichstrom-Reihenschlussmotor. Es können die Motorspannung herabgesetzt sowie Vorwiderstände zugeschaltet oder eine Feldschwächung vorgenommen werden. Eine häufig eingesetzte Methode zur Drehzahlstellung ist die Veränderung der Motorspannung mittels Phasenanschnittsteuerung. Hierbei wird der Stromfluss durch einen Triac als Stellglied gesteuert und dabei der Phasenverlauf des Wechselstromsignals beeinflusst.
Bild 3: Drehzahlsteuerung eines Universalmotors durch eine Triacschaltung.
(Bild: TURCK duotec)
Für sehr einfache Drehzahlsteuerungen genügt eine Ansteuerelektronik wie in Bild 3 gezeigt. Hierbei wird an der Steuerelektrode des Triac T eine Zünddiode Z (Diac) angeschlossen. Beim Überschreiten der Kippspannung Ukipp der Zünddiode, liefert diese einen Stromimpuls, der den Triac in einen leitfähigen Zustand versetzt. Die Spannung UN wird somit bis zum nächsten Nulldurchgang an die Klemmen des Motors gelegt.
Stand: 08.12.2025
Es ist für uns eine Selbstverständlichkeit, dass wir verantwortungsvoll mit Ihren personenbezogenen Daten umgehen. Sofern wir personenbezogene Daten von Ihnen erheben, verarbeiten wir diese unter Beachtung der geltenden Datenschutzvorschriften. Detaillierte Informationen finden Sie in unserer Datenschutzerklärung.
Einwilligung in die Verwendung von Daten zu Werbezwecken
Ich bin damit einverstanden, dass die Vogel Communications Group GmbH & Co. KG, Max-Planckstr. 7-9, 97082 Würzburg einschließlich aller mit ihr im Sinne der §§ 15 ff. AktG verbundenen Unternehmen (im weiteren: Vogel Communications Group) meine E-Mail-Adresse für die Zusendung von redaktionellen Newslettern nutzt. Auflistungen der jeweils zugehörigen Unternehmen können hier abgerufen werden.
Der Newsletterinhalt erstreckt sich dabei auf Produkte und Dienstleistungen aller zuvor genannten Unternehmen, darunter beispielsweise Fachzeitschriften und Fachbücher, Veranstaltungen und Messen sowie veranstaltungsbezogene Produkte und Dienstleistungen, Print- und Digital-Mediaangebote und Services wie weitere (redaktionelle) Newsletter, Gewinnspiele, Lead-Kampagnen, Marktforschung im Online- und Offline-Bereich, fachspezifische Webportale und E-Learning-Angebote. Wenn auch meine persönliche Telefonnummer erhoben wurde, darf diese für die Unterbreitung von Angeboten der vorgenannten Produkte und Dienstleistungen der vorgenannten Unternehmen und Marktforschung genutzt werden.
Meine Einwilligung umfasst zudem die Verarbeitung meiner E-Mail-Adresse und Telefonnummer für den Datenabgleich zu Marketingzwecken mit ausgewählten Werbepartnern wie z.B. LinkedIN, Google und Meta. Hierfür darf die Vogel Communications Group die genannten Daten gehasht an Werbepartner übermitteln, die diese Daten dann nutzen, um feststellen zu können, ob ich ebenfalls Mitglied auf den besagten Werbepartnerportalen bin. Die Vogel Communications Group nutzt diese Funktion zu Zwecken des Retargeting (Upselling, Crossselling und Kundenbindung), der Generierung von sog. Lookalike Audiences zur Neukundengewinnung und als Ausschlussgrundlage für laufende Werbekampagnen. Weitere Informationen kann ich dem Abschnitt „Datenabgleich zu Marketingzwecken“ in der Datenschutzerklärung entnehmen.
Falls ich im Internet auf Portalen der Vogel Communications Group einschließlich deren mit ihr im Sinne der §§ 15 ff. AktG verbundenen Unternehmen geschützte Inhalte abrufe, muss ich mich mit weiteren Daten für den Zugang zu diesen Inhalten registrieren. Im Gegenzug für diesen gebührenlosen Zugang zu redaktionellen Inhalten dürfen meine Daten im Sinne dieser Einwilligung für die hier genannten Zwecke verwendet werden. Dies gilt nicht für den Datenabgleich zu Marketingzwecken.
Recht auf Widerruf
Mir ist bewusst, dass ich diese Einwilligung jederzeit für die Zukunft widerrufen kann. Durch meinen Widerruf wird die Rechtmäßigkeit der aufgrund meiner Einwilligung bis zum Widerruf erfolgten Verarbeitung nicht berührt. Um meinen Widerruf zu erklären, kann ich als eine Möglichkeit das unter https://contact.vogel.de abrufbare Kontaktformular nutzen. Sofern ich einzelne von mir abonnierte Newsletter nicht mehr erhalten möchte, kann ich darüber hinaus auch den am Ende eines Newsletters eingebundenen Abmeldelink anklicken. Weitere Informationen zu meinem Widerrufsrecht und dessen Ausübung sowie zu den Folgen meines Widerrufs finde ich in der Datenschutzerklärung, Abschnitt Redaktionelle Newsletter.
Über den RC-Zweig (Phasenschieber) kann der Zündimpuls (Zündwinkel α) gegenüber dem Spannungsverlauf des Triac verzögert werden. Dementsprechend ändert sich die Aufteilung der am Motor und am Triac liegenden Spannungsflächen und damit der Effektivwert UM der Motorspannung. Bild 4 zeigt den Strom- und Spannungsverlauf bei einer Phasenanschnittsteuerung mittels Triac entsprechend Bild 3.
Digitale Drehzahlsteuerung und -regelung mit Mikrocontroller
Für komplexe Anforderungen an die Ansteuerung von Universalmotoren kommen Mikrocontroller zum Einsatz. Mit ihnen ist eine gezielte und schnelle Anpassung der Motorsteuerung an die Applikation möglich. So können beispielsweise das Anlaufverhalten oder die Drehzahl angepasst werden. Zudem können verschiedene sicherheitsrelevante Zusatzfunktionen, wie Drehmomentbegrenzung durch Überlastabschaltung und Signalisierung von Lastzuständen, implementiert werden. Weiterhin ist neben einer Drehzahlsteuerung auch eine Drehzahlregelung möglich.
Bild 5: Blockschaltbild - controllerbasierte Ansteuerung eines Universalmotors.
(Bild: Turck Duotec)
Bild 5 zeigt das Blockschaltbild einer Mikrocontroller-basierten Steuerschaltung für einen Universalmotor. Die Hauptaufgabe des Mikrocontrollers besteht in der Ansteuerung des Triac zur Drehzahleinstellung des Universalmotors. Des Weiteren wird mithilfe eines Shunt-Widerstandes die Stromaufnahme des Motors gemessen, um bei einer Überschreitung des zulässigen Motorstromes eine Motorabschaltung zu ermöglichen. Für die Realisierung einer Drehzahlregelung kann das Ausgangssignal eines Hall-Sensors, welches dem Istwert der Drehzahl entspricht, mit dem Sollwert der Drehzahl verglichen und aus der Drehzahldifferenz der neue Zündzeitpunkt für den Triac berechnet werden. Auch die Überwachung der Motor- Temperatur ist durch die Integration eines Thermistors (PTC-Widerstand) möglich.
Laden des Parametersatzes mittels Parametrieradapter
Damit der Anwender einer universalmotorbetriebenen Maschine über die verschiedenen Motorzustände aktuell informiert ist, lassen sich durch den Mikrocontroller entsprechende LEDs ansteuern. Um eine Parametrierung des bereits in der Maschine integrierten Mikrocontrollers zu ermöglichen, wurde im Hause TURCK der Parametrier- adapter TPL110 entwickelt (Bild 6).
Bild 6: Der Parametrieradapter TPL110.
(Bild: Turck Duotec)
Mit ihm ist es möglich, einen Parametersatz über die Netzzuleitung auf den Mikrocontroller einer bereits eingebauten Steuerplatine zu laden. Dies bietet den Vorteil, bisher vorhandene Hardware-Varianten einer Steuerplatine zu reduzieren, schnell und flexibel auf neue Kundenanforderungen zu reagieren sowie den Fertigungsprozess und den damit verbundenen logistischen Aufwand zu optimieren.
Das Auslesen von Parametern wie beispielsweise Nutzungsdauer der Maschine oder die Steuerung von Service-Intervallen durch einen Betriebsstundenzähler sind mit dem TPL110 ebenfalls möglich. Die Kommunikation erfolgt über ein proprietäres Protokoll und einer Schnittstelle, die mit geringem Aufwand realisiert wurden.
Für die Parametrierung mit dem TPL110 werden neben dem Adapter selbst und der mit einer entsprechenden Kommunikationsschnittstelle ausgestatteten Motorelektronik noch ein Netzkabel für den Adapter, ein USB-Kabel für die Verbindung von Adapter und PC sowie die für die Steuerung des Adapters notwendige PC-Software benötigt. Das komplette Kit ist in einem handlichen Koffer von TURCK duotec erhältlich.
Abschlussbetrachtung: Beim Ansteuern des Universalmotors sind verschiedene Anforderungen aus den Bereichen elektromagnetische Verträglichkeit und Drehzahlsteuerung bis hin zum Herstellungsprozess der Steuerplatine zu berücksichtigen. Ohne digitale Intelligenz ist die Motoransteuerung angesichts steigender Funktionalität und dem Wunsch nach mehr Flexibilität nicht mehr zeitgemäß. Der entscheidende Vorteil beim Einsatz eines Mikrocontrollers ist daher die flexible Adaption an die Applikation.
TURCK duotec ging mit der Entwicklung des Parametrieradapters TPL110 noch einen Schritt weiter und optimierte somit nicht nur den Herstellungsprozess der Steuerplatinen mit integriertem Mikrocontroller, sondern auch die schnelle Anpassung der Motorsteuerung an die Applikation.
* Tobias Herschel und Frank Beyer sind Entwickler bei TURCK duotec, Beierfeld.