Die Ansteuerung bürstenloser Gleichstrommotoren ist komplex, ebenso wie die zugehörige Regelung, Sensorik und Rückkopplung. Mit der feldorientierten Regelung (FOC) lässt sich höchste Leistungsfähigkeit erzielen. Neue integrierte Controller machen den Einsatz von FOC zunehmend wirtschaftlicher.
Komplexe Aufgabe: Die Ansteuerung bürstenloser Gleichstrommotoren samt feldorientierter Regelung, Sensorik und Rückkopplung.
Es gibt viele Arten von Motoren mit jeweils eigenen Vor- und Nachteilen, aber bürstenlose Gleichstrommotoren (BLDC) sind aufgrund ihres hohen Wirkungsgrads, ihrer Leistungsfähigkeit, langen Lebensdauer, geringen elektrischen Störungen und ihres leisen Betriebs allgegenwärtig geworden. Wenn sie einen Nachteil haben, dann ist es ihre komplexe Ansteuerung, die einen dreiphasigen, um 120 Grad verschobenen Wechselstrom mit hoher Frequenz und Pulsweitenmodulation (PWM) erfordert, um die geforderte Drehzahl und das Drehmoment zu erzeugen. Weil BLDC-Motoren gut regelbar und effizient sind sowie Gewicht sparen können, wurden auf ihrer Basis neue Antriebe und Motorcontroller entwickelt und so diverse Märkte von der Industrie über Haushaltsgeräte sowie neue Anwendungen wie Drohnen und E-Bikes erschlossen.
Grundlagen des BLDC-Motors
Alle Motoren funktionieren durch die Wechselwirkung magnetischer Felder. Bei BLDC-Motoren wird durch sequenzielles Erregen der drei Statorwicklungen ein rotierendes Feld erzeugt. Dieses rotierende Feld wirkt auf das statische Magnetfeld des Dauermagneten im Rotor und „zieht“ diesen mit sich. Mit einer einfachen „Ein-Aus“-Erregung für jede Statorwicklung ist die Implementierung des Antriebs eigentlich relativ einfach. Allerdings ist dann die Kraft auf den Rotor nicht konstant in der gewünschten tangentialen Richtung: Während sich der Motor dreht, ist eine periodische radiale Komponente vorhanden, die nicht zum Wellendrehmoment beiträgt. Vielmehr verringert sie den Wirkungsgrad, erzeugt Verlustwärme und verursacht die so genannte „Drehmomentwelligkeit“ (Bild 1 links).
Bild 1: Ansteuerung eines BLDC-Motors mit sechs trapezförmigen Schritten (links) im Vergleich zu sinusförmigen Antriebswellenformen (rechts).
(Bild: Qorvo)
Dieser einfache Antrieb wird als sechsstufig oder trapezförmig bezeichnet. Ideal wäre es hingegen, die Wicklungen mit einer Sinuswelle anzusteuern (Bild 1 rechts), um ein gleichmäßiges rotierendes Feld der Statorspulen zu erzeugen, und dann den Erregerwechselstrom so zu steuern, dass der Winkel des resultierenden Feldes immer senkrecht zum Feld des Rotormagneten steht. Dies maximiert die Tangentialkraft und damit das Drehmoment über die gesamte Umdrehung hinweg, was zu einer minimalen Drehmomentwelligkeit und einem maximalen Wirkungsgrad führt.
Bild 2: Für eine maximale Wirkung sollte das Rotordrehmoment tangential sein.
(Bild: Qorvo)
Hierzu muss die Winkelposition des Rotors genau bekannt sein, und die Statorströme, die ihrerseits zu jedem Zeitpunkt die jeweilige Feldstärke und -richtung erzeugen, müssen aus dem Gesamtbeitrag der drei Wicklungen gesteuert werden. Wie so etwas aussieht, ist in Bild 2 zu sehen: Befindet sich der Rotor in der dort gezeigten Position und sein Feld zeigt in Richtung N-S, dann wirkt das maximale Drehmoment auf den Magneten, wenn die Richtung des Statorfelds 90 Grad beträgt (in Richtung der grauen Doppelpfeile im Bild). Dies ist dann der Fall, wenn die Felder der W- und V-Wicklungen in einer Polarität gleich sind und das Feld der U-Wicklung in der anderen Polarität maximal ist, was der Position A-B in den Antriebsstromkurven entspricht.
Call for Papers: Forum Elektrische Antriebstechnik
Als Teil der Dachveranstaltung „Power of Electronics“ wird das Praxisforum Elektrische Antriebstechnik am 12. September 2024 in Würzburg erneut die Brücke schlagen zwischen Technikforschung und Anwendung. Renommierte Referenten aus Wissenschaft und Industrie sind aufgefordert, komplexes interdisziplinäres Wissen und aktuelle Erkenntnisse rund um die Antriebstechnik zu vermitteln.
Sie haben ein relevantes und praxisorientiertees Thema? Wir freuen uns auf Ihren Vorschlag!
Aber auch dieses gesteuerte Anlegen sinusförmiger Spannungen an die drei Wicklungen in der richtigen Phase führt nicht zu einer genauen Steuerung, da Wicklungsinduktivität, Gegen-EMK und andere Effekte eine Phasenverschiebung des resultierenden Stroms und Feldes verursachen. Hier kommt die feldorientierte Regelung (Field Oriented Control, FOC) ins Spiel. Dieses Regelungsverfahren korrigiert dynamisch die Amplitude und Richtung des Statorfelds, indem sie die gemessenen Wicklungsströme so steuert, dass sie für die momentan gemessene Rotorposition optimal sind.
FOC ist optimal, um das Drehmoment zu maximieren
Statorwicklungsströme und die sich daraus ergebende Feldstärke und -richtung lassen sich als drei um 120 Grad verschobene Drehvektoren in einem gemeinsamen statischen Rahmen darstellen. Wenn die Ströme IU, IV und IW immer ausgeglichen sind und sich zu Null addieren, kann dies durch die „Clarke“-Transformation in zwei rotierende Vektoren mit den Amplituden Iα und Iβ vereinfacht werden, welche in einem statischen Rahmen um 90 Grad verschoben sind:
Wir müssen diese Vektoren nun in statische Vektoren ID (direkt) und IQ (Quadratur) in einer rotierenden Bezugsebene umwandeln, damit wir sie mit der Position des Rotors korrelieren können, während dieser sich dreht. Dies erfolgt über die „Park“-Transformation, wobei θ der Rotorwinkel um den statischen Iα- und Iβ-Rahmen ist:
Unter stationären Bedingungen sind ID und IQ konstante Werte und können als die Komponenten des Statorwicklungsstroms interpretiert werden, die das tangentiale Drehmoment bzw. das unerwünschte radiale Drehmoment darstellen. Diese Werte dienen dann als Eingänge für Rückkopplungsschleifen auf der Basis von Proportional-Integral-Reglern (PI), die darauf hinarbeiten, IQ zu maximieren und ID auf Null zu minimieren. Die resultierenden Fehlerverstärkerausgänge VD und VQ werden durch inverse Park- und inverse Clarke-Transformationen mit anschließender Pulsweitenmodulation geleitet, um eine Leistungsstufe zu steuern, welche die drei sinusförmige Statorwicklungsströme erzeugt.
Stand: 08.12.2025
Es ist für uns eine Selbstverständlichkeit, dass wir verantwortungsvoll mit Ihren personenbezogenen Daten umgehen. Sofern wir personenbezogene Daten von Ihnen erheben, verarbeiten wir diese unter Beachtung der geltenden Datenschutzvorschriften. Detaillierte Informationen finden Sie in unserer Datenschutzerklärung.
Einwilligung in die Verwendung von Daten zu Werbezwecken
Ich bin damit einverstanden, dass die Vogel Communications Group GmbH & Co. KG, Max-Planckstr. 7-9, 97082 Würzburg einschließlich aller mit ihr im Sinne der §§ 15 ff. AktG verbundenen Unternehmen (im weiteren: Vogel Communications Group) meine E-Mail-Adresse für die Zusendung von redaktionellen Newslettern nutzt. Auflistungen der jeweils zugehörigen Unternehmen können hier abgerufen werden.
Der Newsletterinhalt erstreckt sich dabei auf Produkte und Dienstleistungen aller zuvor genannten Unternehmen, darunter beispielsweise Fachzeitschriften und Fachbücher, Veranstaltungen und Messen sowie veranstaltungsbezogene Produkte und Dienstleistungen, Print- und Digital-Mediaangebote und Services wie weitere (redaktionelle) Newsletter, Gewinnspiele, Lead-Kampagnen, Marktforschung im Online- und Offline-Bereich, fachspezifische Webportale und E-Learning-Angebote. Wenn auch meine persönliche Telefonnummer erhoben wurde, darf diese für die Unterbreitung von Angeboten der vorgenannten Produkte und Dienstleistungen der vorgenannten Unternehmen und Marktforschung genutzt werden.
Meine Einwilligung umfasst zudem die Verarbeitung meiner E-Mail-Adresse und Telefonnummer für den Datenabgleich zu Marketingzwecken mit ausgewählten Werbepartnern wie z.B. LinkedIN, Google und Meta. Hierfür darf die Vogel Communications Group die genannten Daten gehasht an Werbepartner übermitteln, die diese Daten dann nutzen, um feststellen zu können, ob ich ebenfalls Mitglied auf den besagten Werbepartnerportalen bin. Die Vogel Communications Group nutzt diese Funktion zu Zwecken des Retargeting (Upselling, Crossselling und Kundenbindung), der Generierung von sog. Lookalike Audiences zur Neukundengewinnung und als Ausschlussgrundlage für laufende Werbekampagnen. Weitere Informationen kann ich dem Abschnitt „Datenabgleich zu Marketingzwecken“ in der Datenschutzerklärung entnehmen.
Falls ich im Internet auf Portalen der Vogel Communications Group einschließlich deren mit ihr im Sinne der §§ 15 ff. AktG verbundenen Unternehmen geschützte Inhalte abrufe, muss ich mich mit weiteren Daten für den Zugang zu diesen Inhalten registrieren. Im Gegenzug für diesen gebührenlosen Zugang zu redaktionellen Inhalten dürfen meine Daten im Sinne dieser Einwilligung für die hier genannten Zwecke verwendet werden. Dies gilt nicht für den Datenabgleich zu Marketingzwecken.
Recht auf Widerruf
Mir ist bewusst, dass ich diese Einwilligung jederzeit für die Zukunft widerrufen kann. Durch meinen Widerruf wird die Rechtmäßigkeit der aufgrund meiner Einwilligung bis zum Widerruf erfolgten Verarbeitung nicht berührt. Um meinen Widerruf zu erklären, kann ich als eine Möglichkeit das unter https://contact.vogel.de abrufbare Kontaktformular nutzen. Sofern ich einzelne von mir abonnierte Newsletter nicht mehr erhalten möchte, kann ich darüber hinaus auch den am Ende eines Newsletters eingebundenen Abmeldelink anklicken. Weitere Informationen zu meinem Widerrufsrecht und dessen Ausübung sowie zu den Folgen meines Widerrufs finde ich in der Datenschutzerklärung, Abschnitt Redaktionelle Newsletter.
Bild 3: BLDC-Motorregler mit feldorientierter Regelung (FOC).
(Bild: Qorvo)
Die programmierbaren Verstärkungswerte Kp und Ki des PI-Reglers müssen separat für das Einschwingverhalten bzw. die Genauigkeit im eingeschwungenen Zustand optimiert werden und sind stark von den tatsächlichen Motorparametern abhängig, insbesondere dem Wicklungswiderstand und der Induktivität. Moderne FOC-Regler wie die von Qorvo verfügen jedoch über Selbstoptimierungsfunktionen, bei denen sie die Eigenschaften des angeschlossenen Motors „erlernen“. Ein Überblick über einen LDC-Motorregler mit feldorientierter Regelung ist in Bild 3 zu sehen.
Besonders von der feldorientierten Regelung profitieren Anwendungen bei denen Geräusche oder Vibrationen minimiert werden müssen, geringe Oberschwingungen erwünscht sind und die mit einer höheren als der Nenndrehzahl laufen müssen. Diese Ziele erreicht die feldorientierte Regelung durch „Feldschwächung“, bei der sie durch Absenken des Stroms auf einen negativen Wert die Gegen-EMK absichtlich reduziert. Damit verringert sich das effektive Magnetfeld des Rotors, und eine höhere Drehzahl wird möglich – allerdings auf Kosten des Drehmoments.
Messung der Rotorposition und der Statorwicklungsströme
Eine leistungsstarke feldorientierte Regelung hängt von der genauen Messung der Rotorwinkelposition und der Statorwicklungsströme ab. Die Position des Rotorwinkels lässt sich auf verschiedene Arten bestimmen: Beim Trapezantrieb ist zu jedem Zeitpunkt eine Wicklung stromlos, und die Nulldurchgänge der vorhandenen Gegen-EMK können zur Angabe der Position kostengünstig und mit guter Genauigkeit verwendet werden. Bei der FOC werden jedoch alle Wicklungen kontinuierlich angesteuert, so dass andere Methoden zum Einsatz kommen. Eine „sensorlose“ Technik leitet die Position aus dem Wicklungsstrom, der Spannung und einem Modell der Motoreigenschaften ab – aber dies ermöglicht kein einfaches Anfahren unter hoher Last und erfordert eine beträchtliche Verarbeitungsleistung des Controllers.
Eine Möglichkeit besteht darin, mit einem Trapezantrieb zu beginnen, der die Gegen-EMK erfasst, und dann auf eine Sinus-FOC umzuschalten, wenn der Motor hochgefahren ist. Als eine der möglichen sensorbasierten Lösungen helfen hier Hall-Sensoren, da sie eine einfache Schnittstelle bieten und den Anlauf unter hohen Lastbedingungen sowie eine präzisere Drehmomentsteuerung ermöglichen. Andere Lösungen für die Positionsbestimmung sind ein magnetischer Resolver oder ein Encoder mit Quadraturausgängen, die zwar teurer, aber hochgenau sind und auch die Drehrichtung erfassen.
Die Messung des Wicklungsstroms kann ebenfalls auf verschiedene Weise erfolgen. Am genauesten ist die gleichzeitige Messung aller drei Wicklungsströme, beispielsweise mit einem Messwiderstand und drei A/D-Wandlern. Entscheidend ist hierbei jedoch das Timing der Abtastung, um verrauschte PWM-Schaltflanken zu vermeiden. Für höchste Genauigkeit können Widerstände direkt in Reihe mit den Wicklungen geschaltet werden, aber dann sind die gemessenen Spannungen nicht massebezogen und lassen sich aufgrund der hohen Gleichtaktpegel nur schwer verarbeiten.
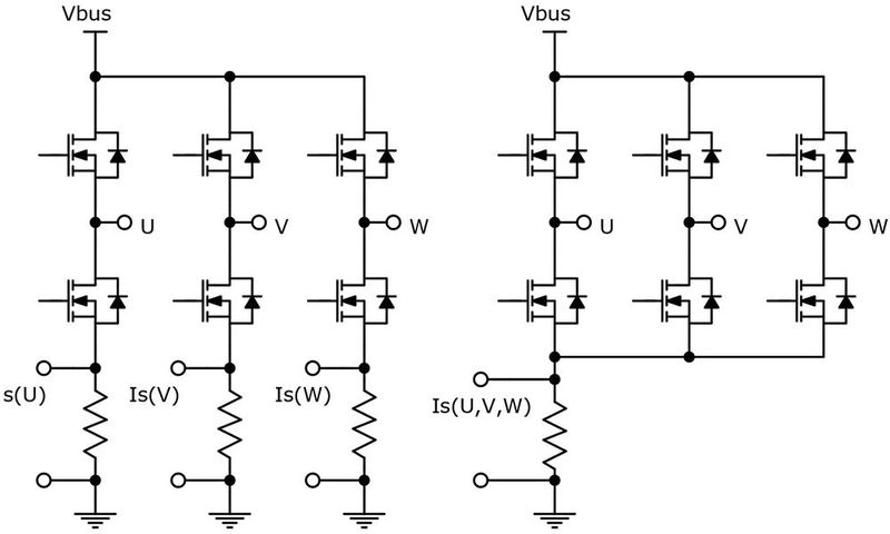
Bild 4: Stromüberwachung für BLDC-Motoren – drei Shunts (links) vs. ein Shunt (rechts).
(Bild: Qorvo)
Eine bessere Lösung ist daher, die Ströme der Wechselrichterschenkel zu messen (Bild 4, links). Bei kostensensiblen Anwendungen kann ein einzelner Shunt-Widerstand verwendet werden, der effektiv den DC-Zwischenkreisstrom misst (Bild 4, rechts). Für den Single-Shunt-Ansatz ist nur ein A/D-Wandler erforderlich, aber die Technik hat ihre Grenzen: Die Strommessung ist nicht genau, wenn die Dauer des aktiven Vektors kürzer ist als die Mindestmesszeit. Um dies zu korrigieren, kann eine asymmetrische Stromabtastung erforderlich sein, um eine bessere Signalqualität zu erzielen.
Integrierte Lösungen für die BLDC-FOC-Regelung
In Single-Chip-Controller auf Arm-Cortex-Basis wie die PAC5xxx-Serie von Qorvo lassen sich sämtliche Funktionen für die trapezförmige oder feldorientierte Regelung von BLDC-Motoren integrieren. Die Bauteile sind konfigurierbar und unterstützten Frequenzen bis etwa 3 kHz. Zu den Regelungsmodi gehören Drehmoment, Drehzahl und Leistung, mit Optionen für sensorlose, Hall- oder Quadratur-Encoder-Positionserfassung. Hinzu kommt Einzel- oder Dreifach-Shunt-Stromerfassung.
Für einen sicheren Anlauf ist ein hybrider Trapez-/FOC-Modus enthalten, zusammen mit einer Selbstoptimierung zur Ermittlung der Motorparameter für optimale Leistungsfähigkeit. Zudem unterstützen die Controller die Feldschwächung, und eine Reihe von Schutzfunktionen erkennt Probleme wie Unterspannung, Übertemperatur, Blockierung und offene Phasen, die über die On-Board-Diagnose gemeldet werden. Eine Version für Anwendungen mit geringem Stromverbrauch, zum Beispiel für tragbare Geräte und E-Werkzeuge, enthält sogar die Motortreiber-MOSFETs. Alle Funktionen lassen sich über eine grafische Benutzeroberfläche konfigurieren. Unterstützung steht über Referenz-Firmware, Anwendungshinweise, Programmierhandbücher, ein Software-Entwicklungskit und ein Hardware-Evaluierungskit zur Verfügung.
Fazit: Die feldorientierte Regelung von BLDC-Motoren ist die optimale Lösung für höchste elektrische und mechanische Leistungen. Mit den jetzt erhältlichen kostengünstigen, integrierten Miniaturansteuerungen deckt diese Technik alle Anwendungen von der Schwerindustrie bis hin zu kleinen tragbaren Geräten ab. (cg)